GM Service Manual Online
For 1990-2009 cars only
Figure 1:

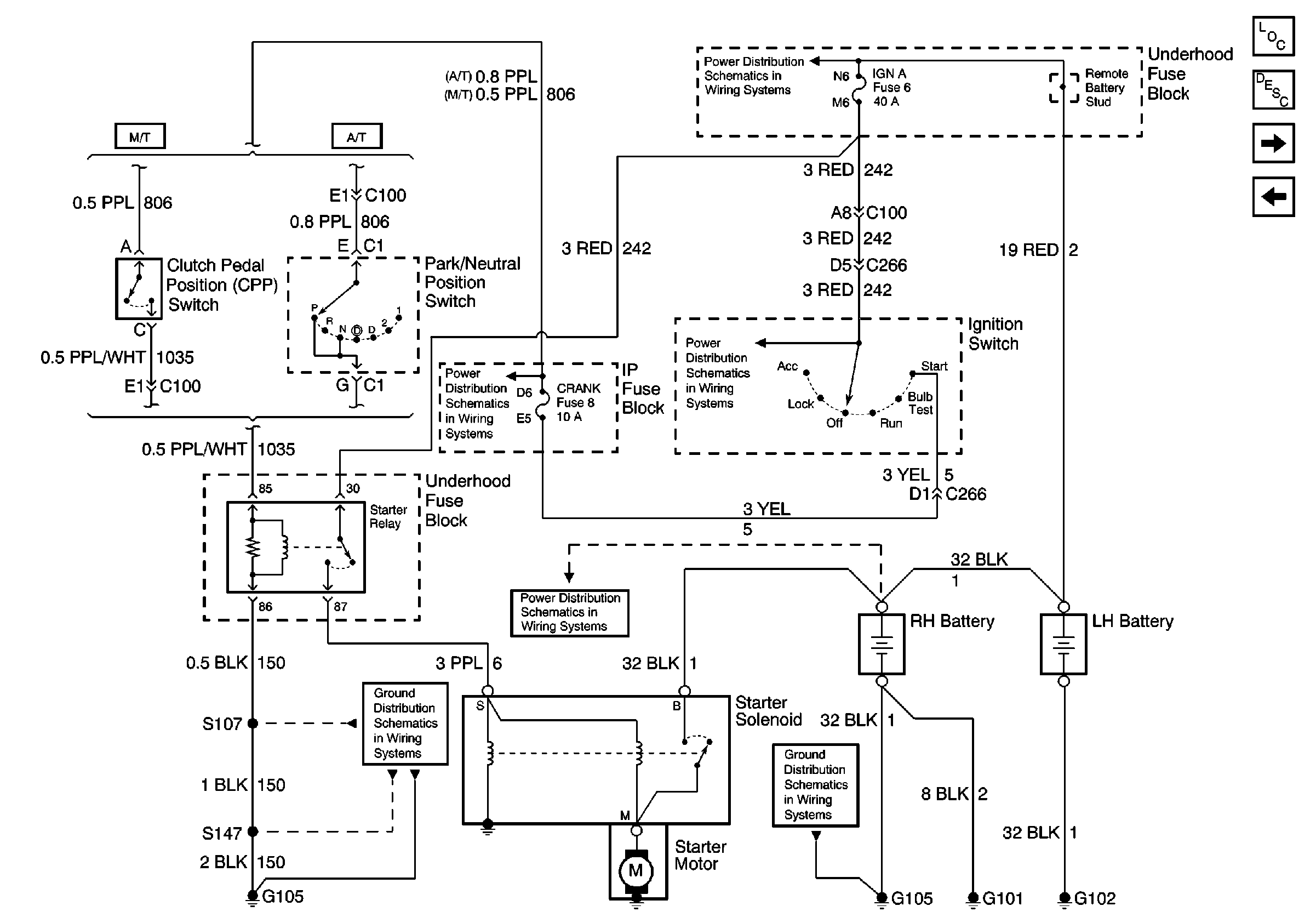
Starter Controls (Gas)


Object Number: 572509  Size: FS
IGN A Fuse and Ignition Switch
Engine Electrical Components
Starting System Circuit Description
Starter Controls (Diesel)
Battery, and Underhood Fuse Block
IGN B Fuse and Ignition Switch
G105 (1 of 2)
G105 (1 of 2)
Figure 2:

Starter Controls (Diesel)


Object Number: 572503  Size: FS
IGN A Fuse and Ignition Switch
Engine Electrical Components
Starting System Circuit Description
Generator Controls (Gas)
Starter Controls (Gas)
Left Middle Door Module (LMDM) Power, Gd., Inputs and Outputs (w/ V4U)
G105 (1 of 2)
Battery, and Underhood Fuse Block
G105 (1 of 2)
Figure 3:

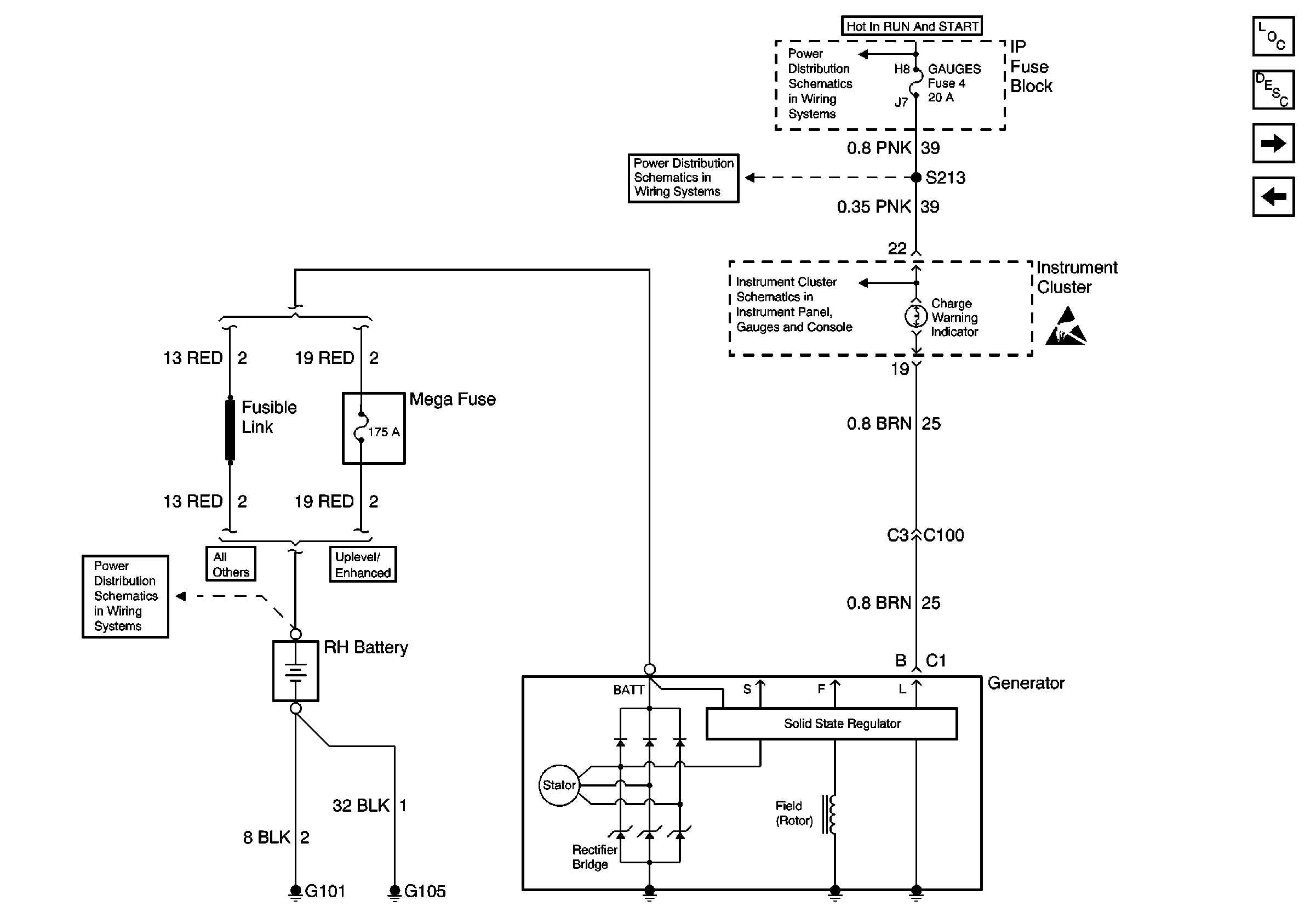
Generator Controls (Gas)


Object Number: 572514  Size: FS
Engine Electrical Components
Charging System Circuit Description
Generator Controls (Diesel)
Starter Controls (Diesel)
GAUGES Fuse
GAUGES Fuse
Indicator Lamps
Battery, and Underhood Fuse Block
Figure 4:

Generator Controls (Diesel)


Object Number: 572523  Size: FS
Engine Electrical Components
Charging System Circuit Description
Generator Controls (Gas)
GAUGES Fuse
GAUGES Fuse
Indicator Lamps
Battery, and Underhood Fuse Block