GM Service Manual Online
For 1990-2009 cars only
Makes
🢒
Chevrolet
🢒
2000
🢒
Chevy K Pickup - 4WD
🢒
Driveline/Axle
🢒
Transfer Case - NVG 246-NP8 (Two Speed Automatic)
🢒 Transfer Case Control Schematics
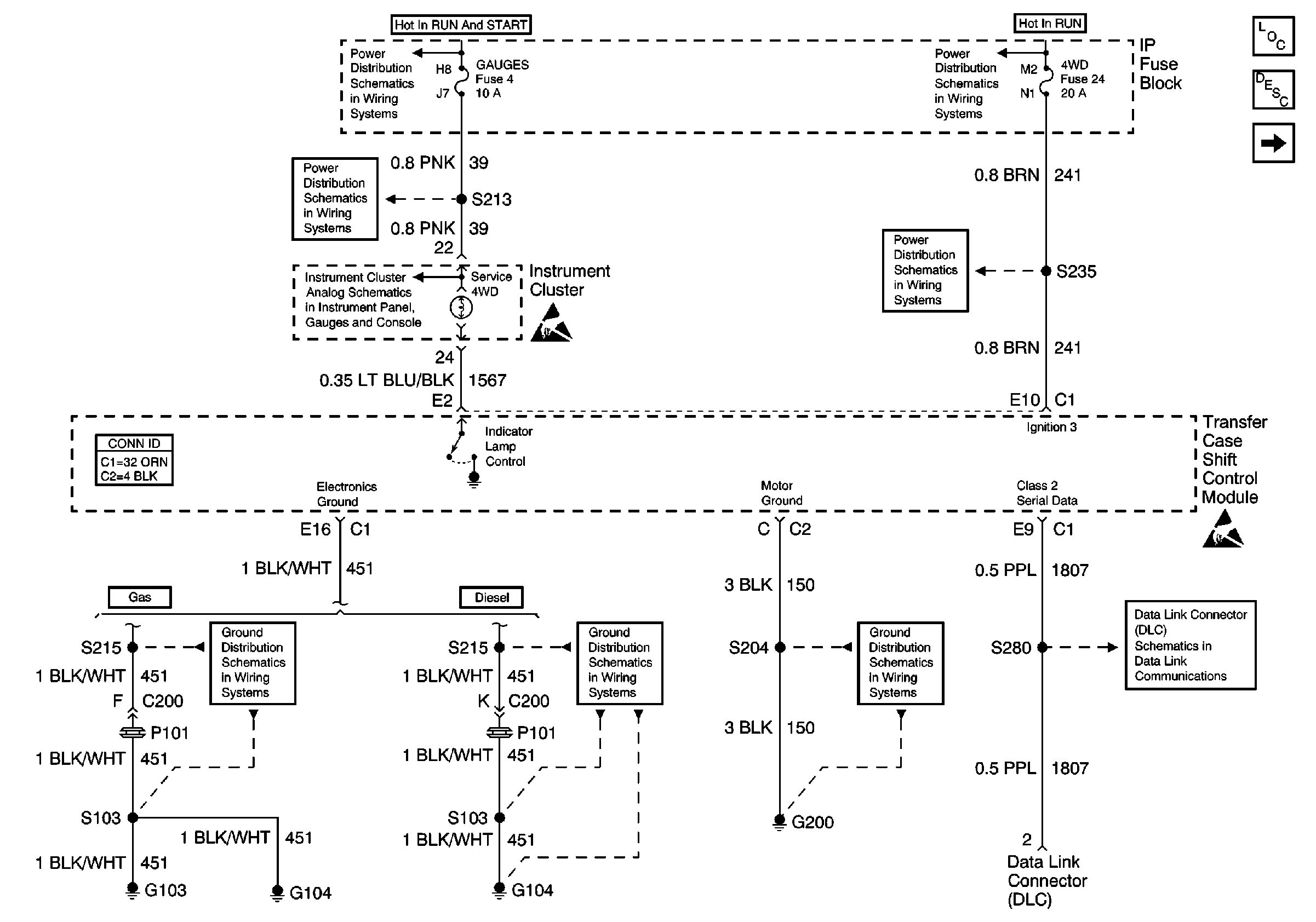
Figure
1:
Shift Control Module Power, Ground, DLC, and Service 4WD Indicator
Transfer Case Control Components
Transfer Case Circuit Description
Shift Motor/Encoder Circuits, PNP, and PCM/VCM Interfaces
IGN A Fuse and Ignition Switch
IGN B Fuse and Ignition Switch
GAUGES Fuse
CRUISE and 4WD Fuses
Indicator Lamps
G103 and G104
G104 Diesel
G200 (1 of 4)
Cell 50 (2000 C/K)
Handling ESD Sensitive Parts Notice
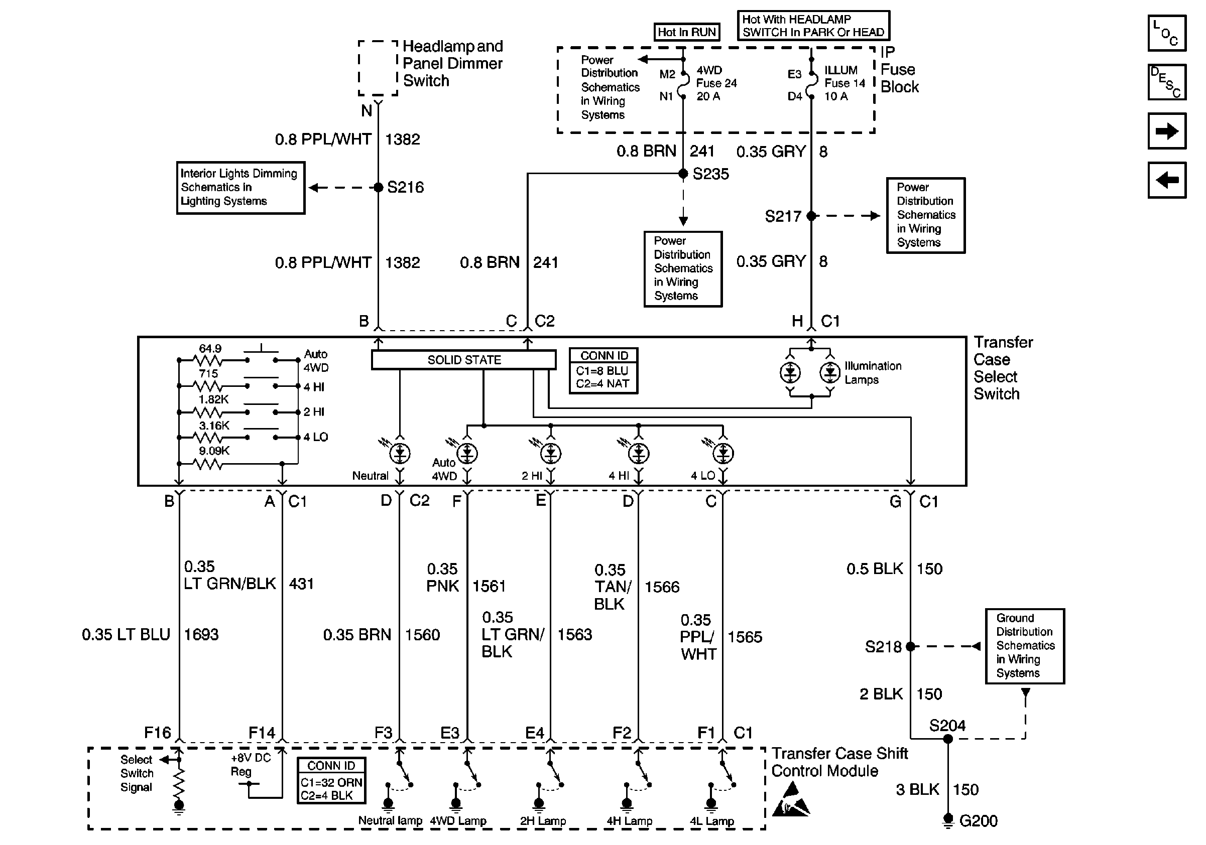
Figure
2:
Shift Motor/Encoder Circuits, PNP, and PCM/VCM Interfaces
Transfer Case Control Components
Transfer Case Circuit Description
Transfer Case Select Switch Circuits
Shift Control Module Power, Ground, DLC, and Service 4WD Indicator
Handling ESD Sensitive Parts Notice
Handling ESD Sensitive Parts Notice
Handling ESD Sensitive Parts Notice
IGN A Fuse and Ignition Switch
AIR BAG, TURN B/U, CRANK, and TRANS Fuses
LIGHTING and BATTERY Fuses
Automatic Transmission Shift Lock Control Circuit
Figure
3:
Transfer Case Select Switch Circuits
Transfer Case Control Components
Transfer Case Circuit Description
Front Axle Actuator Circuits
Shift Motor/Encoder Circuits, PNP, and PCM/VCM Interfaces
Handling ESD Sensitive Parts Notice
PK LPS Fuse 9, ILLUM Fuse 14, Headlamp and Panel Dimmer Switch (1of 2)
IGN B Fuse and Ignition Switch
CRUISE and 4WD Fuses
ILLUM Fuse
SECURITY/STRG, PK LPS, and DRL-FOG Fuses
G200 (1 of 4)
Figure
4:
Front Axle Actuator Circuits
Transfer Case Control Components
Transfer Case Circuit Description
Transfer Case Select Switch Circuits
Handling ESD Sensitive Parts Notice
CRUISE and 4WD Fuses
IGN B Fuse and Ignition Switch
G105 (1 of 2)
G105 (2 of 2)