GM Service Manual Online
For 1990-2009 cars only
Makes
🢒
Chevrolet
🢒
2000
🢒
Chevy K Pickup - 4WD
🢒
Driveline/Axle
🢒
Transfer Case - NVG 241-NP2 (Two Speed Manual)
🢒 Transfer Case Control Schematics
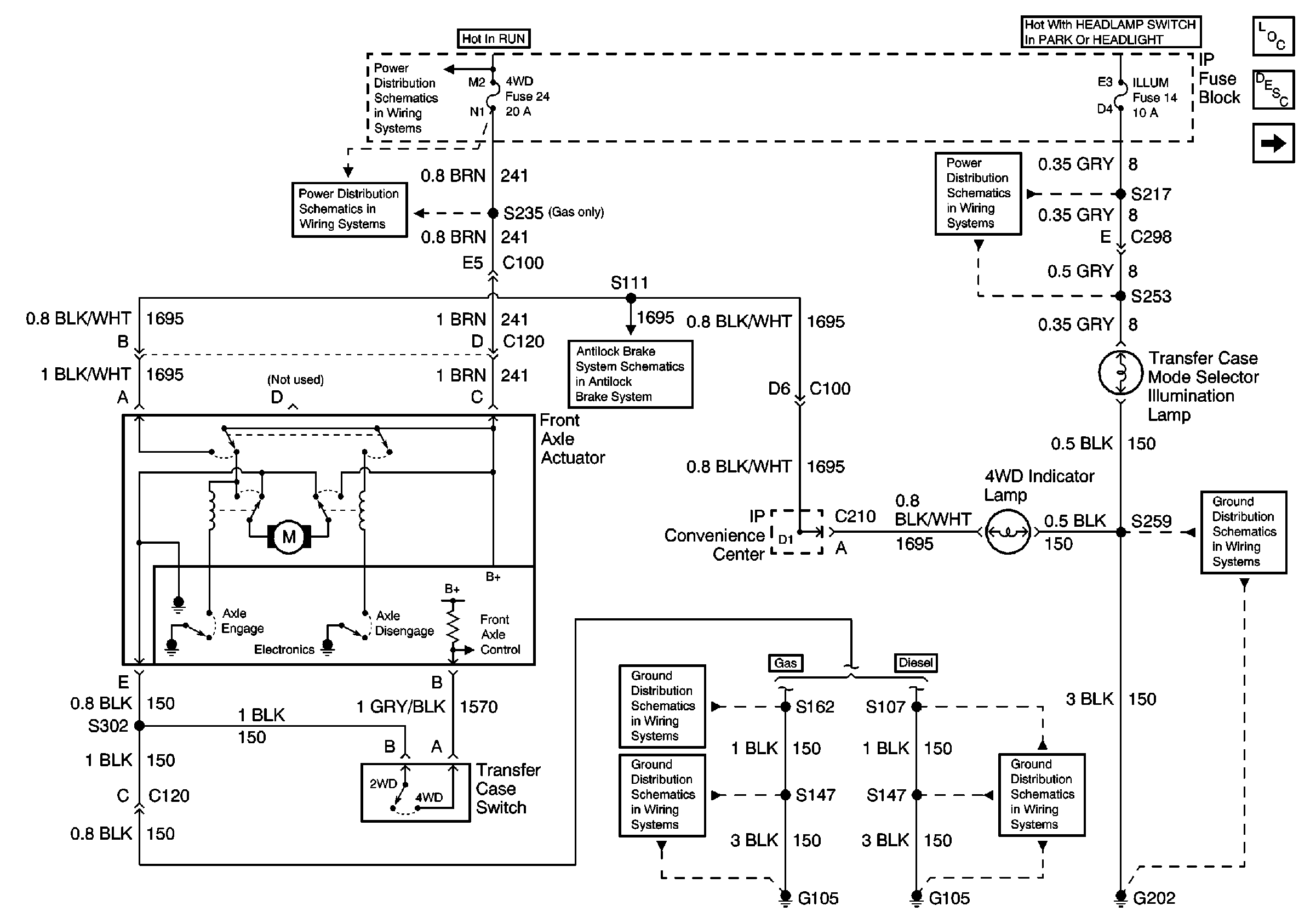
Figure
1:
NVG Transfer Case Circuit--Manual Transmission
Transfer Case Control Components
Transfer Case Description
NVG Transfer Case Circuit-Automatic Transmission
IGN B Fuse and Ignition Switch
CRUISE and 4WD Fuses
ILLUM Fuse
SECURITY/STRG, PK LPS, and DRL-FOG Fuses
Indicator Control and Wheel Speed Sensors
G105 (1 of 2)
G105 (1 of 2)
G105 (2 of 2)
G202 (2 of 4)
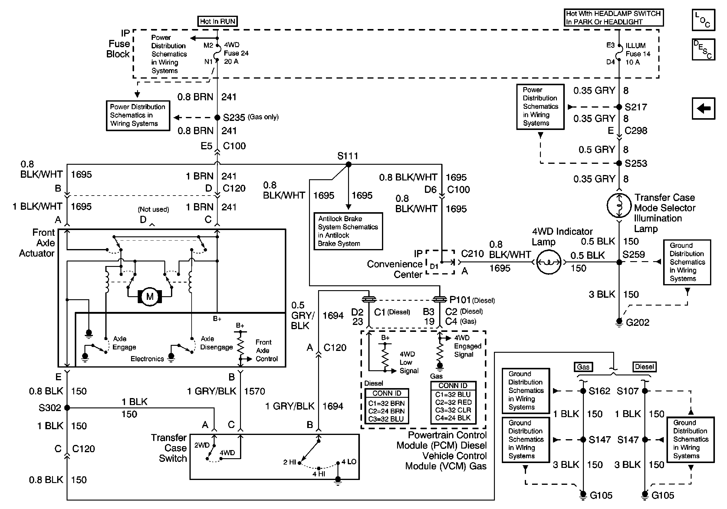
Figure
2:
NVG Transfer Case Circuit--Automatic Transmission
Transfer Case Control Components
Transfer Case Description
NVG Transfer Case Circuit-Manual Transmission
IGN B Fuse and Ignition Switch
CRUISE and 4WD Fuses
ILLUM Fuse
SECURITY/STRG, PK LPS, and DRL-FOG Fuses
Indicator Control and Wheel Speed Sensors
G105 (1 of 2)
G105 (1 of 2)
G105 (2 of 2)
G202 (2 of 4)