GM Service Manual Online
For 1990-2009 cars only
Figure 1:

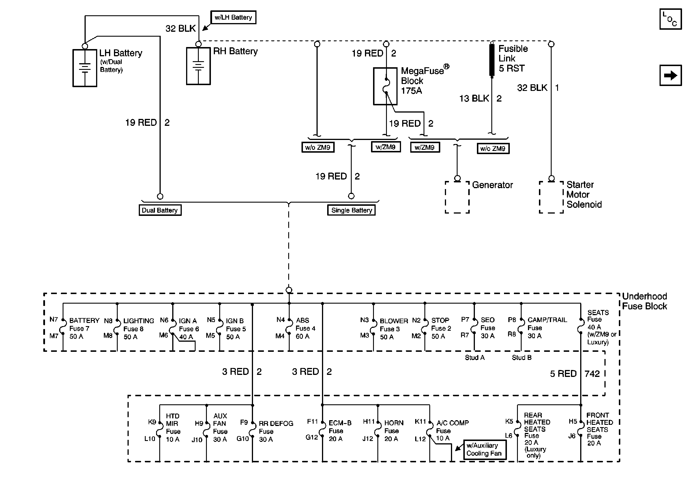
Battery, and Underhood Fuse Block


Object Number: 560068  Size: FS
Power and Grounding Components
LIGHTING and BATTERY Fuses
Figure 2:

LIGHTING and BATTERY Fuses


Object Number: 364488  Size: FS
Power and Grounding Components
IGN A Fuse and Ignition Switch
Battery, and Underhood Fuse Block
Figure 3:

IGN A Fuse and Ignition Switch


Object Number: 364483  Size: FS
Power and Grounding Components
IGN B Fuse and Ignition Switch
LIGHTING and BATTERY Fuses
Figure 4:

IGN B Fuse and Igntion Switch


Object Number: 364511  Size: FS
Power and Grounding Components
ABS, BLOWER, STOP Fuses and Brake Lamp Relay
IGN A Fuse and Ignition Switch
Handling ESD Sensitive Parts Notice
Figure 5:

ABS, BLOWER, STOP Fuses and Brake Lamp Relay


Object Number: 553482  Size: FS
Power and Grounding Components
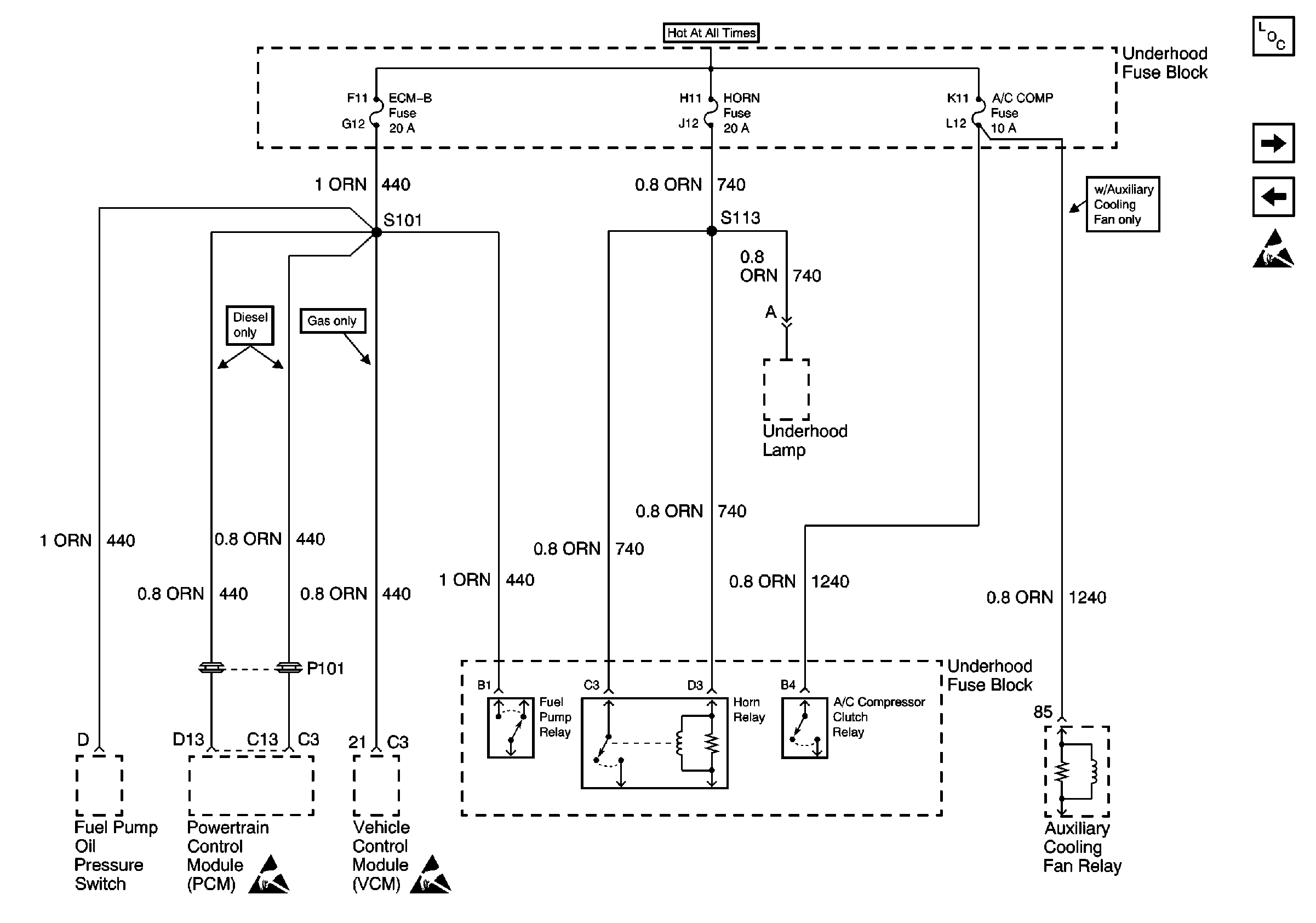
ECM-B, HORN and A/C COMP Fuses
IGN B Fuse and Ignition Switch
Handling ESD Sensitive Parts Notice
Figure 6:

ECM-B, HORN and A/C COMP Fuses


Object Number: 553489  Size: FS
Power and Grounding Components
FRONT HEATED SEATS, REAR HEATED SEATS, HTD MIR, AUX FAN, and RR DEFOG Fuses
ABS, BLOWER, STOP Fuses and Brake Lamp Relay
Handling ESD Sensitive Parts Notice
Handling ESD Sensitive Parts Notice
Figure 7:

FRONT HEATED SEATS, REAR HEATED SEATS, HTD MIR, AUX FAN, and RR DEFOG Fuses


Object Number: 358270  Size: FS
Power and Grounding Components
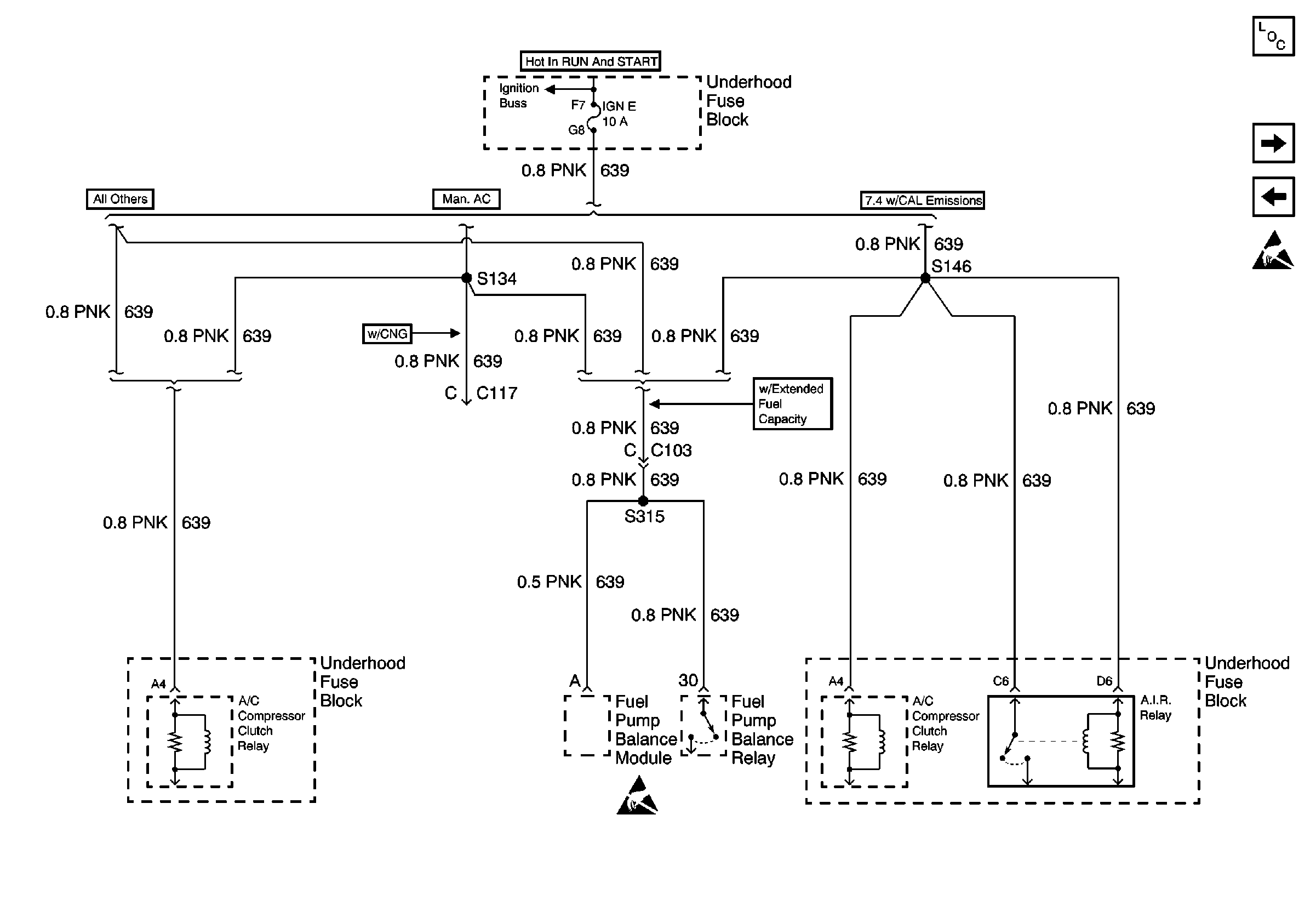
IGN E Fuse
ECM-B, HORN and A/C COMP Fuses
Handling ESD Sensitive Parts Notice
Handling ESD Sensitive Parts Notice
Handling ESD Sensitive Parts Notice
Handling ESD Sensitive Parts Notice
Handling ESD Sensitive Parts Notice
Figure 8:

IGN E Fuse


Object Number: 553497  Size: FS
Power and Grounding Components
ECM 1 Fuse (5.7L)
FRONT HEATED SEATS, REAR HEATED SEATS, HTD MIR, AUX FAN, and RR DEFOG Fuses
Handling ESD Sensitive Parts Notice
Figure 9:

ECM 1 Fuse (5.7L)


Object Number: 364433  Size: FS
Power and Grounding Components
ECM 1 Fuse (7.4L)
IGN E Fuse
Handling ESD Sensitive Parts Notice
Handling ESD Sensitive Parts Notice
Figure 10:

ECM 1 Fuse (7.4L)


Object Number: 364434  Size: FS
Power and Grounding Components
ENG 1 and ECM 1 Fuses (Diesel)
ECM 1 Fuse (5.7L)
Handling ESD Sensitive Parts Notice
Handling ESD Sensitive Parts Notice
Figure 11:

ENG 1 and ECM 1 Fuses (Diesel)


Object Number: 364436  Size: FS
Power and Grounding Components
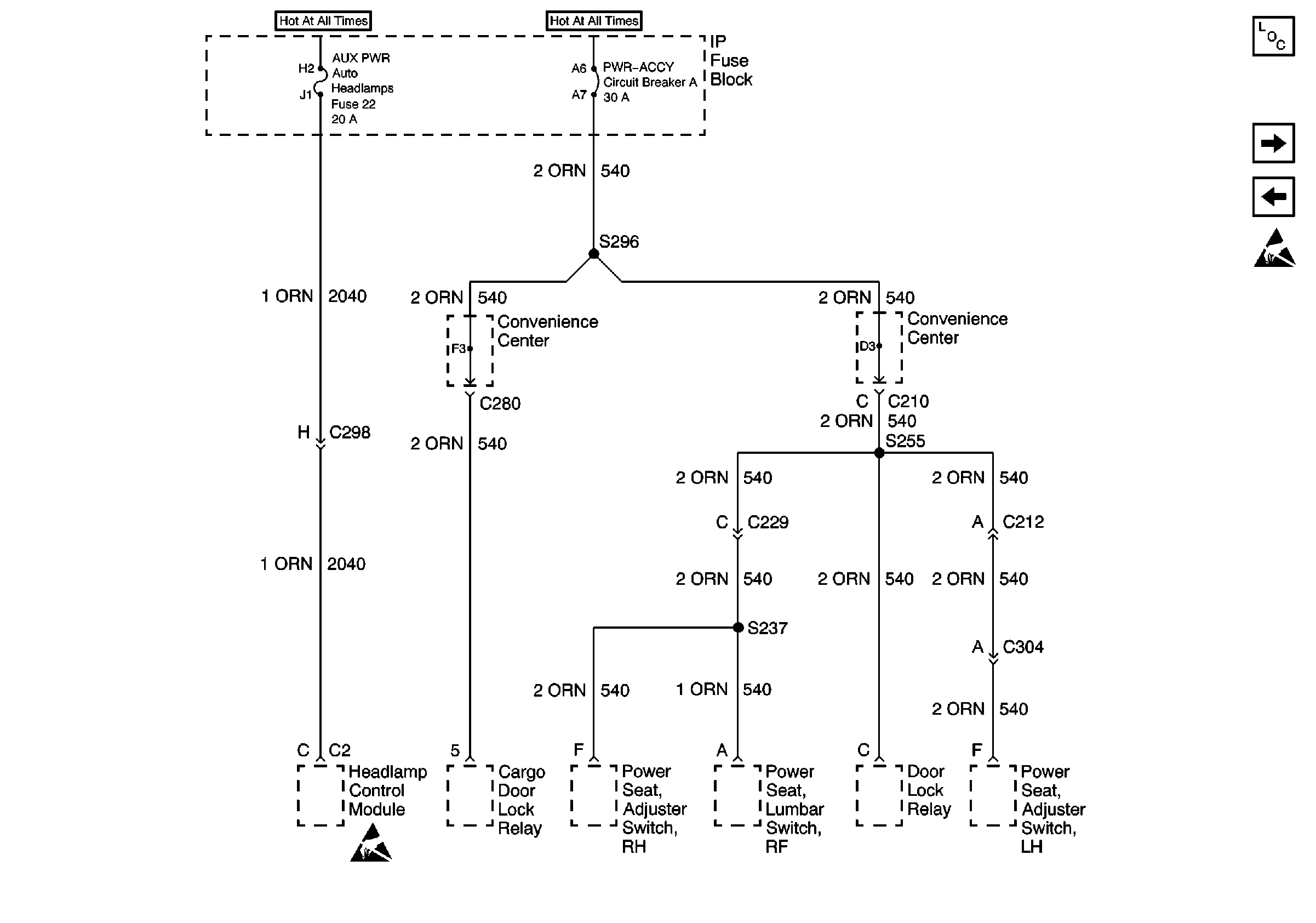
AUX Fuse and PWR-ACCY Circuit Breaker
ECM 1 Fuse (7.4L)
Handling ESD Sensitive Parts Notice
Figure 12:

AUX Fuse and PWR-ACCY Circuit Breaker


Object Number: 364109  Size: FS
Power and Grounding Components
AUX PWR Fuse, PWR - ACCY Circuit Breaker (Luxury)
ENG 1 and ECM 1 Fuses (Diesel)
Handling ESD Sensitive Parts Notice
Figure 13:

AUX PWR Fuse, PWR -- ACCY Circuit Breaker (Luxury)


Object Number: 553503  Size: FS
Power and Grounding Components
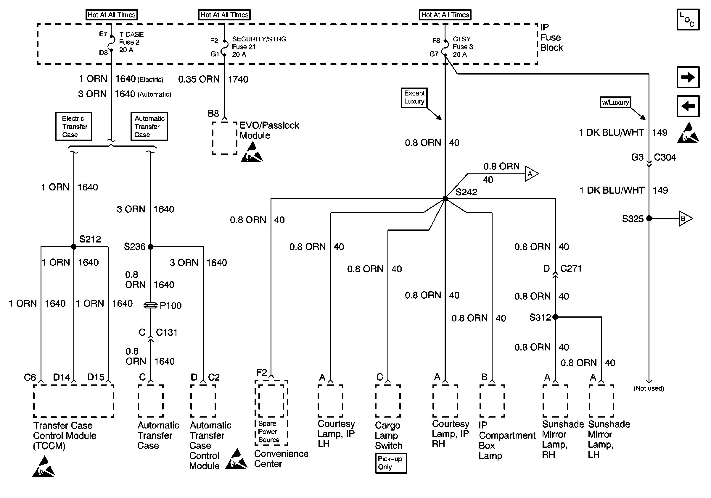
T CASE, and CTSY Fuses (1 of 2)
AUX Fuse and PWR-ACCY Circuit Breaker
Handling ESD Sensitive Parts Notice
Figure 14:

T CASE, and CTSY Fuses (1 of 2)


Object Number: 553506  Size: FS
Power and Grounding Components
T CASE, and CTSY Fuses (2 of 2)
AUX PWR Fuse, PWR - ACCY Circuit Breaker (Luxury)
T CASE, and CTSY Fuses (2 of 2)
T CASE, and CTSY Fuses (2 of 2)
Handling ESD Sensitive Parts Notice
Handling ESD Sensitive Parts Notice
Handling ESD Sensitive Parts Notice
Figure 15:

T CASE, and CTSY Fuses (2 of 2)


Object Number: 553512  Size: FS
Power and Grounding Components
SECURITY/STRG, PK LPS, and DRL-FOG Fuses
T CASE, and CTSY Fuses (1 of 2)
Handling ESD Sensitive Parts Notice
Handling ESD Sensitive Parts Notice
T CASE, and CTSY Fuses (1 of 2)
Figure 16:

SECURITY/STRG, PK LPS, and DRL-FOG Fuses


Object Number: 553517  Size: FS
Power and Grounding Components
STOP/HAZ, RADIO BATT, and AUX PWR Fuses
T CASE, and CTSY Fuses (2 of 2)
Handling ESD Sensitive Parts Notice
Figure 17:

STOP/HAZ, RADIO BATT, and AUX PWR Fuses


Object Number: 553522  Size: FS
Power and Grounding Components
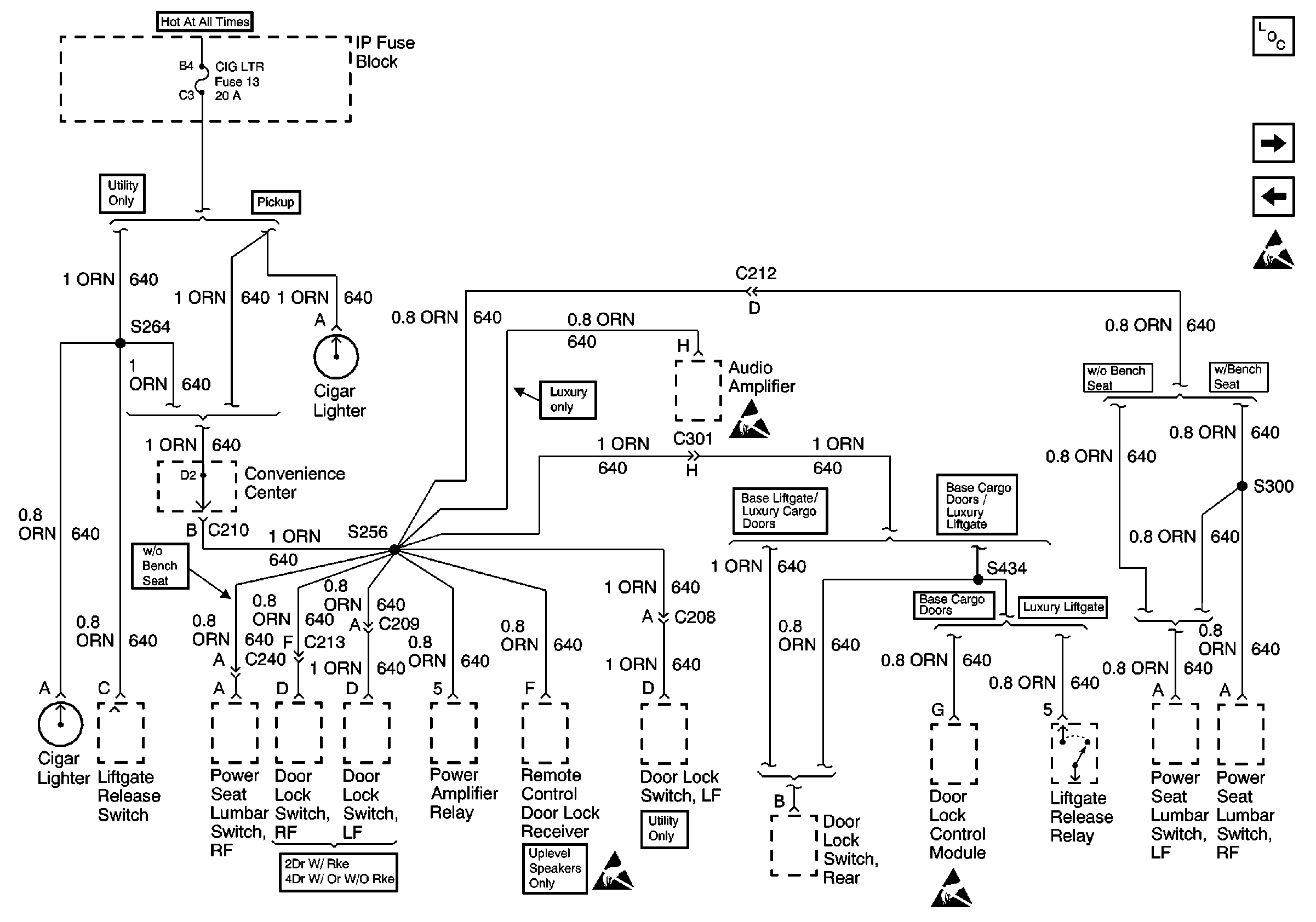
CIG LTR Fuse
SECURITY/STRG, PK LPS, and DRL-FOG Fuses
Handling ESD Sensitive Parts Notice
Handling ESD Sensitive Parts Notice
Handling ESD Sensitive Parts Notice
Handling ESD Sensitive Parts Notice
Figure 18:

CIG LTR Fuse


Object Number: 553531  Size: FS
Power and Grounding Components
AIR BAG, TURN B/U, CRANK, and TRANS Fuses
STOP/HAZ, RADIO BATT, and AUX PWR Fuses
Handling ESD Sensitive Parts Notice
Handling ESD Sensitive Parts Notice
Handling ESD Sensitive Parts Notice
Figure 19:

AIR BAG, TURN B/U, CRANK, and TRANS Fuses


Object Number: 553533  Size: FS
Power and Grounding Components
GAUGES Fuse
CIG LTR Fuse
SIR Handling Caution
SIR Handling Caution
Handling ESD Sensitive Parts Notice
Handling ESD Sensitive Parts Notice
Figure 20:

GAUGES Fuse


Object Number: 364104  Size: FS
Power and Grounding Components
RR WIPER, WIPER, RADIO, and PWR WDO Circuit Breaker
AIR BAG, TURN B/U, CRANK, and TRANS Fuses
Handling ESD Sensitive Parts Notice
Handling ESD Sensitive Parts Notice
Handling ESD Sensitive Parts Notice
Handling ESD Sensitive Parts Notice
Handling ESD Sensitive Parts Notice
Handling ESD Sensitive Parts Notice
Handling ESD Sensitive Parts Notice
Handling ESD Sensitive Parts Notice
Handling ESD Sensitive Parts Notice
Handling ESD Sensitive Parts Notice
Figure 21:

RR WIPER, WIPER, RADIO, and PWR WDO Circuit Breaker


Object Number: 364118  Size: FS
Power and Grounding Components
RR HVAC Fuse
GAUGES Fuse
Handling ESD Sensitive Parts Notice
Handling ESD Sensitive Parts Notice
Handling ESD Sensitive Parts Notice
Handling ESD Sensitive Parts Notice
Handling ESD Sensitive Parts Notice
Figure 22:

RR HVAC Fuse


Object Number: 364101  Size: FS
Power and Grounding Components
CRUISE and 4WD Fuses
RR WIPER, WIPER, RADIO, and PWR WDO Circuit Breaker
Handling ESD Sensitive Parts Notice
Handling ESD Sensitive Parts Notice
Handling ESD Sensitive Parts Notice
Figure 23:

CRUISE and 4WD Fuses


Object Number: 364121  Size: FS
Power and Grounding Components
BRAKE and HTR-A/C Fuses
RR HVAC Fuse
Handling ESD Sensitive Parts Notice
Handling ESD Sensitive Parts Notice
Figure 24:

BRAKE and HTR-A/C Fuses


Object Number: 364130  Size: FS
Power and Grounding Components
ILLUM Fuse
CRUISE and 4WD Fuses
Handling ESD Sensitive Parts Notice
Handling ESD Sensitive Parts Notice
Handling ESD Sensitive Parts Notice
Figure 25:

ILLUM Fuse


Object Number: 364112  Size: FS
Power and Grounding Components
BRAKE and HTR-A/C Fuses
SIR Handling Caution
Handling ESD Sensitive Parts Notice
Handling ESD Sensitive Parts Notice
Handling ESD Sensitive Parts Notice