GM Service Manual Online
For 1990-2009 cars only
Figure 1:

PCM Power, Grounding, MIL and DLC


Object Number: 552191  Size: FS
Engine Controls Components
Powertrain Control Module Description
Glow Plug Controls
OBD II Symbol Description Notice
Battery, and Underhood Fuse Block
IGN A Fuse and Ignition Switch
IGN A Fuse and Ignition Switch
LIGHTING and BATTERY Fuses
ECM-B, HORN and A/C COMP Fuses
ENG 1 and ECM 1 Fuses (Diesel)
GAUGES Fuse
STOP/HAZ, RADIO BATT, and AUX PWR Fuses
Cell 11: G104 Diesel
G104 Diesel
G200 (1 of 4)
Handling ESD Sensitive Parts Notice
Handling ESD Sensitive Parts Notice
Handling ESD Sensitive Parts Notice
Handling ESD Sensitive Parts Notice
Figure 2:

Glow Plug Controls


Object Number: 552239  Size: FS
Engine Controls Components
Glow Plug System Description
CKP and Injector Timer/Stepper Motor
PCM Power, Grounding, MIL and DLC
OBD II Symbol Description Notice
GAUGES Fuse
ENG 1 and ECM 1 Fuses (Diesel)
IGN A Fuse and Ignition Switch
IGN A Fuse and Ignition Switch
Battery, and Underhood Fuse Block
Handling ESD Sensitive Parts Notice
Handling ESD Sensitive Parts Notice
G105 (1 of 2)
Figure 3:

CKP and Injector Timer/Stepper Motor


Object Number: 552600  Size: FS
Engine Controls Components
Fuel System Description
Fuel Pump Control-Single Tank
Glow Plug Controls
OBD II Symbol Description Notice
Engine Data Sensors-ECT, IAT, and Boost (BARO) Sensor
Engine Data Sensors-ECT, IAT, and Boost (BARO) Sensor
A/T Internal Switches, TFT, PC Solenoid, and TISS
Handling ESD Sensitive Parts Notice
Handling ESD Sensitive Parts Notice
Figure 4:

Fuel Pump Control-Single Tank


Object Number: 552197  Size: FS
Engine Controls Components
Fuel Supply Component Description
Fuel Pump Controls - Dual Tanks
CKP and Injector Timer/Stepper Motor
OBD II Symbol Description Notice
Battery, and Underhood Fuse Block
G104 Diesel
Handling ESD Sensitive Parts Notice
Handling ESD Sensitive Parts Notice
Figure 5:

Fuel Pump Controls -- Dual Tanks


Object Number: 575764  Size: FS
Engine Controls Components
Fuel Supply Component Description
Water-in fuel Sensor, Fuel Heater, and Fuel Temperature Sensor
Fuel Pump Control-Single Tank
OBD II Symbol Description Notice
Battery, and Underhood Fuse Block
IGN A Fuse and Ignition Switch
Gauges
ECM-B, HORN and A/C COMP Fuses
Handling ESD Sensitive Parts Notice
Handling ESD Sensitive Parts Notice
Handling ESD Sensitive Parts Notice
G104 Diesel
Figure 6:

Water-in fuel Sensor, Fuel Heater, and Fuel Temperature Sensor


Object Number: 552194  Size: FS
Engine Controls Components
Fuel Supply Component Description
Engine Shutoff Solenoid, Fuel Solenoid and Module
Fuel Pump Controls - Dual Tanks
OBD II Symbol Description Notice
IGN A Fuse and Ignition Switch
IGN A Fuse and Ignition Switch
GAUGES Fuse
ENG 1 and ECM 1 Fuses (Diesel)
G105 (1 of 2)
Handling ESD Sensitive Parts Notice
Handling ESD Sensitive Parts Notice
Handling ESD Sensitive Parts Notice
Figure 7:

Engine Shutoff Solenoid, Fuel Solenoid and Module


Object Number: 575917  Size: FS
Engine Controls Components
Fuel System Description
Engine Data Sensors-ECT, IAT, and Boost (BARO) Sensor
Water-in fuel Sensor, Fuel Heater, and Fuel Temperature Sensor
OBD II Symbol Description Notice
IGN A Fuse and Ignition Switch
ENG 1 and ECM 1 Fuses (Diesel)
Handling ESD Sensitive Parts Notice
Figure 8:

Engine Data Sensors--ECT, IAT, and Boost (BARO) Sensor


Object Number: 552244  Size: FS
Engine Controls Components
Information Sensors/Switches Description
VSS Circuits
Engine Shutoff Solenoid, Fuel Solenoid and Module
OBD II Symbol Description Notice
CKP and Injector Timer/Stepper Motor
CKP and Injector Timer/Stepper Motor
A/T Internal Switches, TFT, PC Solenoid, and TISS
Handling ESD Sensitive Parts Notice
Handling ESD Sensitive Parts Notice
Figure 9:

VSS Circuits


Object Number: 552616  Size: FS
Engine Controls Components
Information Sensors/Switches Description
Wastegate Solenoid and 4WD Circuits
Engine Data Sensors-ECT, IAT, and Boost (BARO) Sensor
OBD II Symbol Description Notice
IGN A Fuse and Ignition Switch
G104 Diesel
GAUGES Fuse
Handling ESD Sensitive Parts Notice
Handling ESD Sensitive Parts Notice
Handling ESD Sensitive Parts Notice
Handling ESD Sensitive Parts Notice
Handling ESD Sensitive Parts Notice
Handling ESD Sensitive Parts Notice
Handling ESD Sensitive Parts Notice
Figure 10:

Wastegate Solenoid and 4WD Circuits


Object Number: 552625  Size: FS
Engine Controls Components
Information Sensors/Switches Description
Accelerator Pedal Position Sensor, Cruise Switch Input, Stoplamp and Clutch Pedal Switches
VSS Circuits
OBD II Symbol Description Notice
IGN A Fuse and Ignition Switch
ENG 1 and ECM 1 Fuses (Diesel)
Indicator Control and Wheel Speed Sensors
BW Transfer Case Circuit - Manual Transmission
Front Axle Actuator Circuits
Handling ESD Sensitive Parts Notice
Handling ESD Sensitive Parts Notice
Figure 11:

Accelerator Pedal Position Sensor, Cruise Switch Input, Stoplamp and Clutch Pedal Switches


Object Number: 552622  Size: FS
Engine Controls Components
Information Sensors/Switches Description
Transmission Solenoids, TCC/Stoplamps Switch
Wastegate Solenoid and 4WD Circuits
OBD II Symbol Description Notice
Transmission Solenoids, TCC/Stoplamps Switch
VSS, TCC Signal and Brake Indicator (Diesel)
IGN B Fuse and Ignition Switch
Handling ESD Sensitive Parts Notice
Handling ESD Sensitive Parts Notice
Handling ESD Sensitive Parts Notice
Figure 12:

Transmission Solenoids, TCC/Stoplamps Switch


Object Number: 552620  Size: FS
Engine Controls Components
Electronic Component Description
A/T Internal Switches, TFT, PC Solenoid, and TISS
Accelerator Pedal Position Sensor, Cruise Switch Input, Stoplamp and Clutch Pedal Switches
OBD II Symbol Description Notice
LIGHTING and BATTERY Fuses
IGN B Fuse and Ignition Switch
BRAKE and HTR-A/C Fuses
AIR BAG, TURN B/U, CRANK, and TRANS Fuses
STOP/HAZ Fuse 1, Turn/Hazard Switch, Turn/Hazard Flasher
VSS, TCC Signal and Brake Indicator (Diesel)
STOP/HAZ, RADIO BATT, and AUX PWR Fuses
IGN A Fuse and Ignition Switch
Handling ESD Sensitive Parts Notice
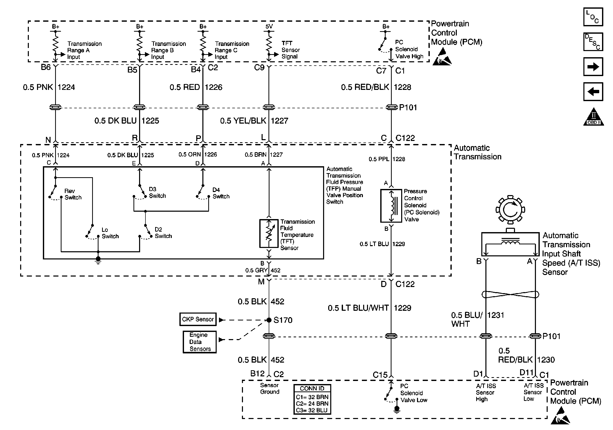
Figure 13:

A/T Internal Switches, TFT, PC Solenoid, and TISS


Object Number: 552658  Size: FS
Engine Controls Components
Electronic Component Description
A/C Compressor Controls
Transmission Solenoids, TCC/Stoplamps Switch
OBD II Symbol Description Notice
CKP and Injector Timer/Stepper Motor
Engine Data Sensors-ECT, IAT, and Boost (BARO) Sensor
Handling ESD Sensitive Parts Notice
Handling ESD Sensitive Parts Notice
Figure 14:

A/C Compressor Controls


Object Number: 552627  Size: FS
Engine Controls Components
HVAC Compressor Controls Circuit Description
A/T Internal Switches, TFT, PC Solenoid, and TISS
OBD II Symbol Description Notice
Battery, and Underhood Fuse Block
IGN A Fuse and Ignition Switch
BRAKE and HTR-A/C Fuses
IGN B Fuse and Ignition Switch
G105 (1 of 2)
G105 (1 of 2)
Handling ESD Sensitive Parts Notice
Cell 14: G200 (4 of 4)
Handling ESD Sensitive Parts Notice