GM Service Manual Online
For 1990-2009 cars only
Makes
🢒
Chevrolet
🢒
2000
🢒
Chevy K Pickup - 4WD
🢒
Body and Accessories
🢒
Cruise Control
🢒 Cruise Control Component Views
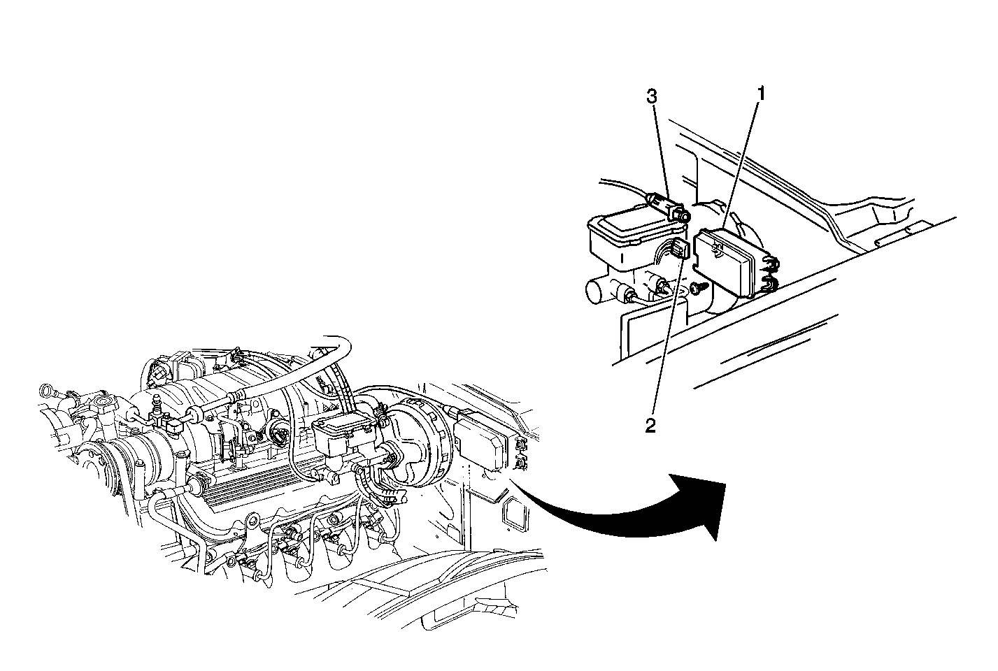
Cruise Control Module
(1)
Cruise Control Module
(2)
Cruise Control Connector
(3)
Cruise Control Cable Assembly