GM Service Manual Online
For 1990-2009 cars only
Makes
🢒
Chevrolet
🢒
2000
🢒
Chevy K Pickup - 4WD
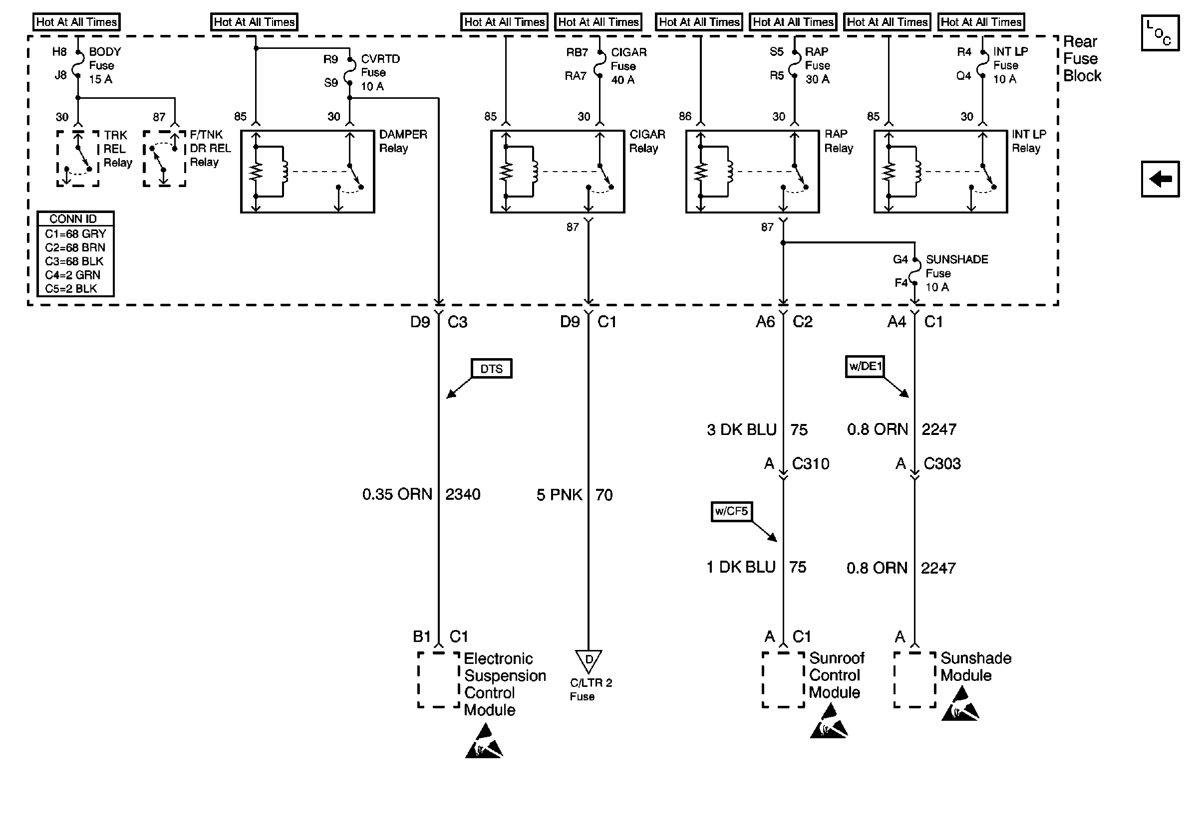
🢒 BODY, CVRTD, CIGAR, RAP, INT LP, and SUNSHD Fuses
BODY, CVRTD, CIGAR, RAP, INT LP, and SUNSHD Fuses
BODY, CVRTD, CIGAR, RAP, INT LP, and SUNSHD Fuses
Power and Grounding Components
F/PMP and REV/LK Fuses
Power and Grounding Connector End Views Fuse Blocks and Ignition Switch
ABS SOL, AIR PUMP B, AIR PUMP A, C/LTR 1, C/LTR 2 Fuses
Handling ESD Sensitive Parts Notice
Handling ESD Sensitive Parts Notice
Handling ESD Sensitive Parts Notice