GM Service Manual Online
For 1990-2009 cars only
Makes
🢒
Chevrolet
🢒
2000
🢒
Chevy K Pickup - 4WD
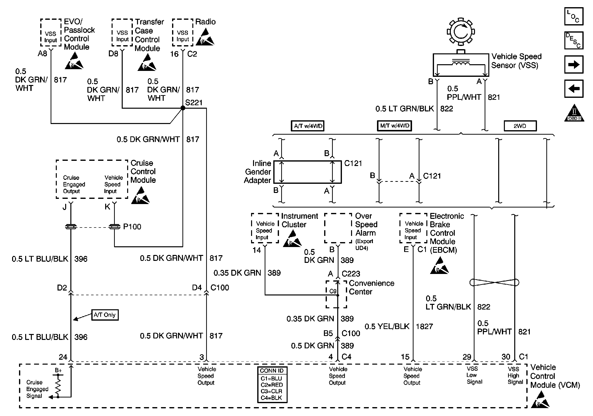
🢒 VSS and Cruise Controls
VSS and Cruise Controls
VSS and Cruise Controls
Engine Controls Components
Information Sensors/Switches Description
EVAP and EGR Controls, Fuel Tank Pressure Sensor
A.I.R., IAC, and MAF
OBD II Symbol Description Notice
Handling ESD Sensitive Parts Notice
Handling ESD Sensitive Parts Notice
Handling ESD Sensitive Parts Notice
Handling ESD Sensitive Parts Notice
Handling ESD Sensitive Parts Notice
Handling ESD Sensitive Parts Notice
Handling ESD Sensitive Parts Notice