GM Service Manual Online
For 1990-2009 cars only
Makes
🢒
Chevrolet
🢒
2000
🢒
Chevy K Pickup - 4WD
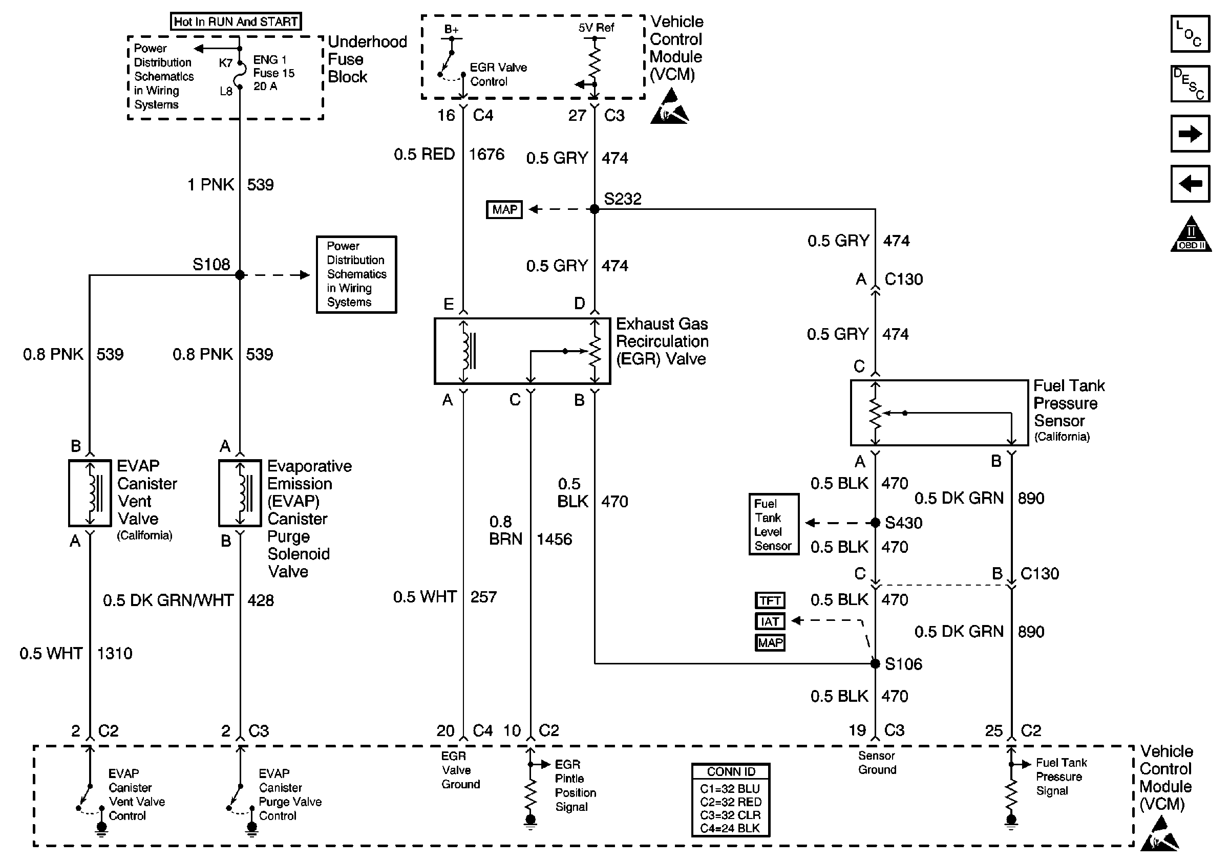
🢒 EVAP and EGR Controls, Fuel Tank Pressure Sensor
EVAP and EGR Controls, Fuel Tank Pressure Sensor
EVAP and EGR Controls, Fuel Tank Pressure Sensor
Engine Controls Components
Evaporative Emission Control System Operation Description Enhanced
Transfer Case Circuits
VSS Circuit and Cruise Control
OBD II Symbol Description Notice
Engine Data Sensors
IGN A Fuse and Ignition Switch
Cell 10: ENG-1 Fuse
Fuel Pump Control-Single Tank
A/T Controls-Internal Switches. TFT, PC Solenoid Valve, and TISS
Engine Data Sensors
Engine Data Sensors
Handling ESD Sensitive Parts Notice
Handling ESD Sensitive Parts Notice