GM Service Manual Online
For 1990-2009 cars only

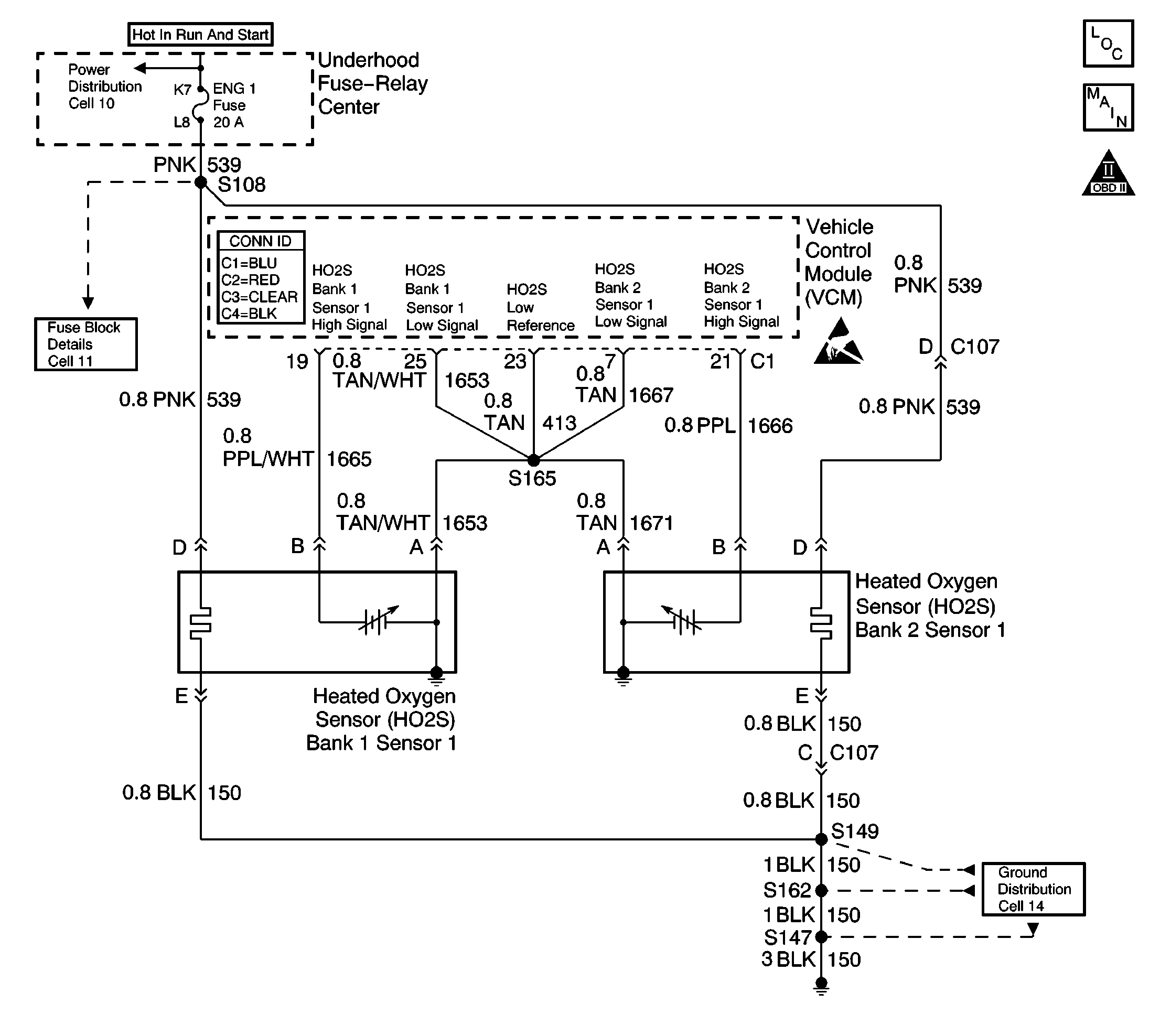
Object Number: 634398  Size: LF
Engine Controls Components
Heated Oxygen Sensors
OBD II Symbol Description Notice
Handling ESD Sensitive Parts Notice

Circuit Description

The heated oxygen sensor (HO2S) is a sensor designed to create a voltage relative to the oxygen content in the engine exhaust stream. The control module supplies the HO2S with signal high and low circuits. Ignition voltage and ground are supplied to the HO2S heater by independent circuits. The oxygen content of the exhaust indicates when the engine is operating lean or rich. When the HO2S detects that the engine is operating rich, the signal voltage is high, and decreases the signal voltage as the engine runs leaner. This oscillation above and below the bias voltage, sometimes referred to as activity or switching, can be monitored with the HO2S signal voltage.

The HO2S contains a heater that is necessary in order to quickly warm the sensor to operating temperature. The heater also maintains the operating temperature during extended idle conditions. The HO2S needs to be at a high temperature in order to produce a voltage. When the HO2S reaches operating temperature, the control module monitors the HO2S bias, or reference, voltage. It also monitors the HO2S signal voltage for Closed Loop fuel control. During normal Closed Loop fuel control operation, the control module will add fuel, or enrich the mixture, when the HO2S detects a lean exhaust content. The control module will subtract fuel, or "lean-out" the mixture, when the HO2S detects a rich exhaust condition.

Certain vehicle models utilize an oxygen sensor behind the catalytic converter in order to monitor catalyst efficiency.

This diagnostic trouble code (DTC) determines if the HO2S is functioning properly. It checks for an adequate number of HO2S voltage transitions above and below the bias range of 300-600 mV. This DTC sets when the vehicle control module (VCM) fails to detect a minimum number of voltage transitions above and below the bias range during the test period. Possible causes of this DTC are:

    • An open or a short to voltage on either the HO2S signal or HO2S low circuits
    • A malfunctioning HO2S
    • A problem in the HO2S heater or its circuit
    • A faulty HO2S ground

Conditions for Running the DTC

    • No active TP sensor DTCs
    • No active EVAP system DTCs
    • No active IAT sensor DTCs
    • No active MAP sensor DTCs
    • No active ECT sensor DTCs
    • No active MAF sensor DTCs
    • No active misfire DTCs
    • No intrusive test in progress
    • No device controls active
    • The system voltage is between 11.7-17 volts.
    • The engine has been running for more than 2 minutes.
    • The decel fuel cut-off mode (DFCO) is not active.
    • The ECT is more than 58°C (137°F).
    • The MAF is more than 13 g/s.
    • DTC P0135 not active
    • The system is in closed loop.

Conditions for Setting the DTC

The O2 sensor voltage is between 300 mV and 600 mV for more than 1 minute.

Action Taken When the DTC Sets

    • The control module illuminates the malfunction indicator lamp (MIL) if a failure is detected during 2 consecutive key cycles.
    • The control module sets the DTC and records the operating conditions at the time the diagnostic failed. The failure information is stored in the scan tool Freeze Frame/Failure Records.

Conditions for Clearing the MIL or DTC

    • The control module turns OFF the MIL after 3 consecutive drive trips when the test has run and passed.
    • A history DTC will clear if no fault conditions have been detected for 40 warm-up cycles. A warm-up cycle occurs when the coolant temperature has risen 22°C (40°F) from the startup coolant temperature and the engine coolant reaches a temperature that is more than 70°C (158°F) during the same ignition cycle.
    • Use a scan tool in order to clear the DTCs.

Diagnostic Aids

Important: Never solder the HO2S wires. For proper wire and connection repairs, refer to Wiring Repairs or Connector Repairs in Wiring Systems.

If DTC P0134 and DTC P0154 are set together, inspect the HO2S Low Reference circuit between the splice and the VCM connector for an open circuit.

    • A malfunctioning HO2S heater or heater circuit -- With the ignition ON and the engine OFF, the HO2S voltage displayed on a scan tool should gradually drop to below 0.150 volt, indicating that the heater works properly. If not, disconnect the HO2S and connect a test lamp between the terminals C and D. If the test lamp does not light, repair the open in the HO2S ground circuit or the HO2S ignition feed circuit. If the test lamp lights, replace the HO2S.
    • The intermittent test -- Use a scan tool in order to monitor this HO2S signal voltage. Move the related connectors and the wiring harness with a warm engine running at part throttle in closed loop. If the failure is induced, the HO2S signal voltage reading changes from its normal fluctuating voltage (above 600 mV and below 300 mV) to a fixed value around 450 mV. This may help to isolate the location of the malfunction.

An intermittent may be caused by any of the following conditions:

    • A poor connection
    • Rubbed through wire insulation
    • A broken wire inside the insulation

Thoroughly inspect any circuitry that is suspected of causing the intermittent complaint. Refer to Testing for Intermittent Conditions and Poor Connections in Wiring Systems.

If a repair is necessary, refer to Wiring Repairs or Connector Repairs in Wiring Systems.

Test Description

The numbers below refer to the step numbers on the diagnostic table.

  1. This step checks for proper sensor activity. When in closed loop fuel control, the HO2S voltage should rapidly swing above and below the bias voltage.

  2. This step checks the VCM and the HIGH and LOW circuits between the VCM and the HO2S connector for proper operation.

  3. This step checks for proper HO2S heater circuit operation up to the HO2S connector.

Step

Action

Values

Yes

No

1

Did you perform the Powertrain On-Board Diagnostic (OBD) System Check?

--

Go to Step 2

Go to Powertrain On Board Diagnostic (OBD) System Check

2

  1. Clear the DTC information from the VCM.
  2. Reset the fuel trim values.
  3. Start and idle the engine until normal operating temperature is reached.
  4. Using a scan tool, monitor the HO2S voltage for the sensor that applies to this DTC.

Is the HO2S voltage fixed within the voltage range specified?

300-600 mV

Go to Step 4

Go to Step 3

3

  1. The condition that set this DTC is not present. This DTC may have been set by one of the following conditions:
  2. • HO2S connector water intrusion
    • An intermittently open HO2S HIGH signal circuit
    • An intermittently open HO2S LOW circuit
    • An HO2S LOW circuit with high resistance to ground
    • VCM ground circuits with high resistance to ground
    • An in-operative HO2S heater
    • Poor HO2S or VCM connector terminal contact
    • An exhaust system leak, typically within 30 cm (12 in) up-stream of the HO2S
    • A defective HO2S
  3. Repair any of the above conditions as necessary.

Did you find a problem?

--

Go to Step 15

Go to Diagnostic Aids

4

  1. Turn the ignition OFF.
  2. Disconnect the HO2S connector for the sensor that applies to this DTC.
  3. Jumper the HO2S LOW circuit to a known good ground.
  4. Jumper the HO2S HIGH signal circuit to a known good ground.
  5. Turn the ignition ON leaving the engine OFF.
  6. Using a scan tool, monitor the HO2S voltage for the sensor that applies to this DTC.

Is the voltage less than the specified value?

20 mV

Go to Step 7

Go to Step 5

5

  1. Turn the ignition OFF.
  2. Remove the jumpers from the HO2S terminals.
  3. Disconnect the VCM connector containing the HO2S HIGH and LOW circuits.
  4. Measure the continuity of the following with a DMM:
  5. • The HO2S HIGH signal circuit and either of the HO2S LOW circuits between the VCM connector terminal and the HO2S connector terminal
    • Between both HO2S LOW circuits at the VCM connector terminal

Is the resistance of both circuits less than the specified value?

5 ohms

Go to Step 6

Go to Step 11

6

  1. Inspect for proper VCM connector terminal contact.
  2. Repair VCM terminals as necessary. Refer to Connector Repairs in Wiring Repairs.

Did you find a problem?

--

Go to Step 15

Go to Step 14

7

  1. Remove the jumpers from the HO2S terminals.
  2. Connect a test lamp between the HO2S heater ignition positive voltage and heater ground circuit terminals, engine harness side.
  3. Ensure the ignition is ON while the engine is OFF.

Is the test lamp ON?

--

Go to Step 9

Go to Step 8

8

  1. Inspect the following items:
  2. • An open circuit
    • High circuit resistance
    • Poor ground connection
    • A blown heater fuse (other DTCs should set)
  3. Repair the HO2S heater ignition or ground circuit. Refer to Wiring Repairs in Wiring Systems.

Is the action complete?

--

Go to Step 15

--

9

  1. Inspect for exhaust system leaks upstream of the suspect HO2S.
  2. The leak may be very small and typically be within 30 cm (12 in) of the suspect HO2S.

  3. Repair the exhaust as necessary.

Did you find a problem?

--

Go to Step 15

Go to Step 10

10

Inspect one of the following that may cause the reference voltage to be skewed:

    • A poor HO2S connector terminal contact
    • An open sensor harness LOW circuit (requires HO2S replacement)
    • A sensor harness LOW circuit with high resistance (requires HO2S replacement)
    • A poor VCM ground connection
    • High VCM ground circuit resistance
    • An open in the HO2S LOW Reference circuit between the splice and either HO2S LOW Signal circuit at the VCM connector

Is the action complete?

--

Go to Step 12

--

11

Repair the circuit that measured high resistance. Refer to Wiring Repairs in Wiring Systems.

Is the action complete?

--

Go to Step 15

--

12

  1. Remove the HO2S from the exhaust.
  2. Clean the HO2S mounting treads.
  3. Apply anti-seize compound 561 3695 or equivalent to the sensor treads.
  4. Tighten the HO2S to the proper torque. Refer to Heated Oxygen Sensor Replacement .
  5. Using a DMM, re-measure the resistance between the HO2S LOW circuit terminal and a VCM ground circuit terminal.

Is the resistance less than the specified value?

500 ohms

Go to Step 15

Go to Step 13

13

Replace the HO2S sensor. Refer to Heated Oxygen Sensor Replacement .

Is the action complete?

--

Go to Step 15

--

14

Important: The replacement VCM must be programmed.

Replace the VCM. Refer to VCM Replacement/Programming .

Is the action complete?

--

Go to Step 15

--

15

  1. Using the scan tool, clear the DTC's.
  2. Start the engine.
  3. Allow the engine to idle until the engine reaches normal operating temperature.
  4. Select DTC and the Specific DTC function.
  5. Enter the DTC number which was set.
  6. Operate the vehicle, within the Conditions for Setting this DTC, until the scan tool indicates the diagnostic Ran.

Does the scan tool indicate the diagnostic Passed?

--

Go to Step 16

Go to Step 2

16

Does the scan tool display any additional undiagnosed DTCs?

--

Go to the applicable DTC table

System OK