GM Service Manual Online
For 1990-2009 cars only

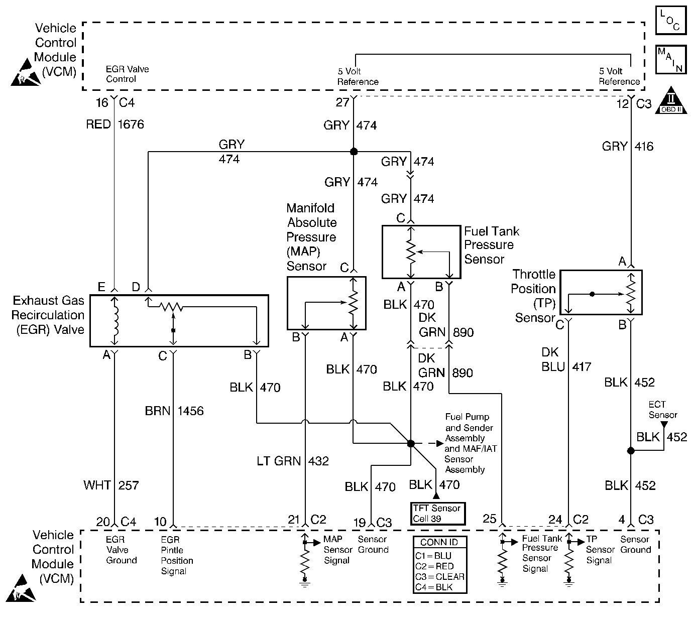
Object Number: 355832  Size: LF
Handling ESD Sensitive Parts Notice
Handling ESD Sensitive Parts Notice
Engine Controls Components
Cell 20: G103, Idle Air Control Motor
OBD II Symbol Description Notice

Circuit Description

The manifold absolute pressure (MAP) sensor is a pressure sensor. The control module supplies the MAP sensor a reference voltage, signal, and ground circuits. When manifold vacuum is low, the MAP sensor signal voltage rises to a value near the reference voltage, and the MAP sensor signal voltage decreases when the manifold vacuum increases. The control module monitors the MAP sensor signal circuit voltage in order to calculate the vacuum within the intake manifold.

Certain vehicle models will also use the MAP sensor in order to calculate the barometric pressure (BARO) when the ignition switch is turned ON and the engine is NOT cranked. This BARO reading may also be updated whenever the engine is operated at wide open throttle (WOT).

This DTC is designed to detect MAP signal voltages lower than possible in a normally operating MAP sensor.

Conditions for Running the DTC

    • No active TP sensor DTCs
    • The engine is running
    • The throttle position is more than 0 percent with an engine speed below 800 RPM
        OR
        The throttle position is more than 12.5 percent with an engine speed above 800 RPM

Conditions for Setting the DTC

The MAP voltage is below 0.04 volt for more than 1 second.

Action Taken When the DTC Sets

    • The control module illuminates the malfunction indicator lamp (MIL) if a failure is detected during 2 consecutive key cycles.
    • The control module sets the DTC and records the operating conditions at the time the diagnostic failed. The failure information is stored in the scan tool Freeze Frame/Failure Records.

Conditions for Clearing the MIL or DTC

    • The control module turns OFF the MIL after 3 consecutive drive trips when the test has run and passed.
    • A history DTC will clear if no fault conditions have been detected for 40 warm-up cycles. A warm-up cycle occurs when the coolant temperature has risen 22°C (40°F) from the startup coolant temperature and the engine coolant reaches a temperature that is more than 70°C (158°F) during the same ignition cycle.
    • Use a scan tool in order to clear the DTCs.

Diagnostic Aids

An intermittent open in the MAP sensor signal circuit or the 5 volt reference circuit could result in a DTC P1107.

With the ignition ON and the engine OFF, the manifold pressure is equal to the atmospheric pressure with the signal voltage high. The VCM uses this information as an indication of the altitude of the vehicle.

Comparison of this reading with a known good vehicle using the same sensor is a good way to check the accuracy of a suspect sensor. Readings should be the same kPa. Refer to Symptoms .

Important: After removing the MAP sensor from the intake manifold, replace the MAP sensor to the intake manifold seal.

Remove the MAP sensor. Twist the sensor by hand (only) in order to check for any intermittent connections. Output changes of more than 0.1 volt indicate a bad connector or connection.

An intermittent may be caused by any of the following conditions:

    • A poor connection
    • Rubbed through wire insulation
    • A broken wire inside the insulation

Thoroughly check any circuitry that is suspected of causing the intermittent complaint. Refer to Intermittents and Poor Connections Diagnosis in Wiring Systems.

If a repair is necessary, refer to Wiring Repairs or Connector Repairs in Wiring Systems.

Test Description

The numbers below refer to the step numbers on the diagnostic table.

  1. This step determines if DTC P0107 is the result of a hard failure or an intermittent condition.

  2. This step determines if the VCM is able to provide a 5 volt reference to the MAP sensor.

  3. The scan tool may not display 5 volts. The important thing is that the VCM recognized the voltage as more than 4 volts, indicating that the VCM and MAP signal circuits are OK.

  4. The 5 volt reference of the VCM supply is shared by the MAP, FTP, TP, and EGR position sensors. A short to ground at ANY of the sensors 5 volt reference circuits OR an internally shorted sensor may cause this DTC to set.

  5. The sensor connectors must remain disconnected while the VCM C3 connector remains connected for this step. The VCM terminals C3 12 and C3 27 are spliced together inside the VCM. When checking the 5 volt reference circuit for a short to ground, both the 5 volt reference circuits must be checked.

Step

Action

Value(s)

Yes

No

1

Important: Before clearing the DTCs, use the scan tool Capture Info to save the Freeze Frame and the Failure Records for reference. The control module's data is deleted once the Clear Info function is used.

Did you perform the Powertrain On-Board Diagnostic (OBD) System Check?

--

Go to Step 2

Go to Powertrain On Board Diagnostic (OBD) System Check

2

  1. Install the scan tool.
  2. Start the engine.
  3. Idle the engine until the engine reaches normal operating temperature.

Does the scan tool display a MAP sensor voltage less than the specified value?

0.25 V

Go to Step 3

Go to Step 5

3

  1. Turn OFF the ignition.
  2. Disconnect the MAP sensor harness connector.
  3. Turn ON the ignition leaving the engine OFF.
  4. Measure the voltage on the 5 volt reference circuit at the MAP sensor harness connector using a J 39200 DMM connected to a ground.

Is the voltage more than the specified value?

4.7 V

Go to Step 4

Go to Step 9

4

  1. Turn OFF the ignition.
  2. Connect a jumper wire, using a J 35616 connector test adaptor kit, between the MAP sensor 5 volt reference circuit and the MAP sensor signal circuit at the MAP sensor harness connector.
  3. Turn ON the ignition leaving the engine OFF.

Does the scan tool display a MAP sensor voltage more than the specified value?

4.7 V

Go to Step 6

Go to Step 7

5

The DTC is intermittent.

Are any additional DTCs stored?

--

Go to the applicable DTC table.

Go to Diagnostic Aids

6

Check for a poor connection at the MAP sensor.

Did you find a problem?

--

Go to Step 17

Go to Step 16

7

Check for an open MAP sensor signal circuit.

Did you find a problem?

--

Go to Step 17

Go to Step 8

8

Check for a short to ground in the MAP sensor signal circuit.

Did you find a problem?

--

Go to Step 17

Go to Step 15

9

  1. Turn OFF the ignition.
  2. Disconnect the VCM C3 connector.
  3. Check the 5 volt reference circuit for an open.

Did you find a problem?

--

Go to Step 17

Go to Step 10

10

    • Connect the VCM C3 connector.
    • Turn ON the ignition leaving the engine OFF.
    • Probe the MAP sensor 5 volt reference circuit at the MAP sensor harness connector with a J 39200 DMM connected to a ground.
    • Disconnect the following sensors individually:
       - TP
       - EGR
       - FTP
    • Monitor the DMM while disconnecting the sensors.

Did the voltage read more than the specified value after disconnecting one of the sensors?

4.7 V

Go to Step 11

Go to Step 14

11

Was the suspect sensor the EGR sensor?

--

Go to Step 12

Go to Step 13

12

Check for a short between the 5 volt reference circuit and the EGR feed control circuit.

Did you find a problem?

--

Go to Step 17

Go to Step 13

13

  1. Replace the sensor that caused the voltage reading to go more than the specified value.
  2. Refer to one of the following: Throttle Position Sensor Replacement or Exhaust Gas Recirculation Valve Replacement or Fuel Tank Pressure Sensor Replacement .

Is the action complete?

4.7 V

Go to Step 19

--

14

    • Ensure that all sensor connections are still disconnected.
    • Turn OFF the ignition.
    • Probe the 5 volt reference circuit at the MAP sensor harness connector with a test lamp connected to B+.

Is the test lamp ON?

--

Go to Step 17

Go to Step 15

15

Check for a poor connection at the VCM.

Did you find a problem?

--

Go to Step 17

Go to Step 18

16

Replace the MAP sensor. Refer to Manifold Absolute Pressure Sensor Replacement .

Is the action complete?

--

Go to Step 19

--

17

Repair the circuit as necessary. Refer to Wiring Repairs or Connector Repairs in Wiring Systems.

Is the action complete?

--

Go to Step 19

--

18

  1. Replace the VCM.
  2. Program the new VCM. Refer to VCM Replacement/Programming .
  3. Perform the Passlock Reprogramming Procedure. Refer to PASSLOCK Reprogramming Seed and Key in Theft Deterrent.
  4. Perform the CKP System Variation Learn Procedure. Refer to Crankshaft Position System Variation Learn .

Is the action complete?

--

Go to Step 19

--

19

  1. Using the scan tool, clear the DTCs.
  2. Start the engine.
  3. Allow the engine to idle until the engine reaches normal operating temperature.
  4. Select the DTC and the Specific DTC functions.
  5. Enter the DTC number which was set.
  6. Operate the vehicle, with the Conditions for Setting this DTC, until the scan tool indicates the diagnostic Ran.

Does the scan tool indicate that this diagnostic Passed?

--

Go to Step 20

Go to Step 2

20

Does the scan tool display any additional undiagnosed DTCs?

--

Go to the applicable DTC table

System OK