GM Service Manual Online
For 1990-2009 cars only
Figure 1:

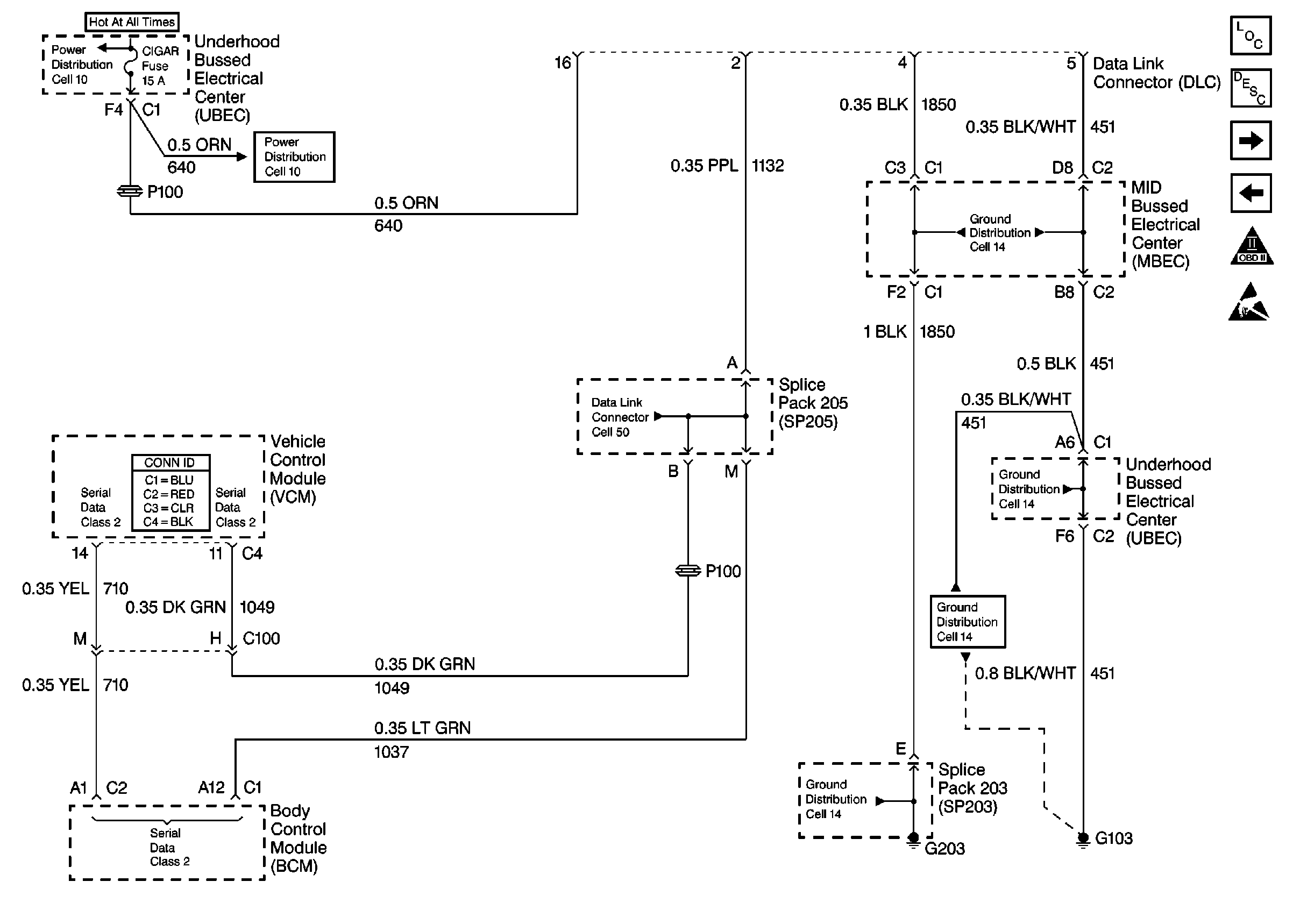
Cell 20: MIL, VCM Power and Ground


Object Number: 366668  Size: FS
Engine Controls Components
Vehicle Control Module Description
Cell 20: IAC, IAT, ECT, MAF, MAP Sensor
OBD II Symbol Description Notice
Handling ESD Sensitive Parts Notice
Cell 10: Underhood Bussed Electrical Center, Data Link Connector
Cell 10: Underhood Bussed Electrical Center, Vehicle Control Module
Cell 10: Underhood Bussed Electrical Center, Electronic Brake Control ModuLe
Cell 10: Underhood Bussed Electrical Center, Vehicle Control Module
Cell 10: Underhood Bussed Electrical Center, Secondary Air Injection Pump Relay
Cell 10: Underhood Bussed Electrical Center, Secondary Air Injection Pump Relay
Cell 81: Left Bussed Electrical Center, Splice Pack SP205, Splice PackSP203
Cell 14: Vehicle Control Module, S103, G102
Cell 14: Vehicle Control Module, S103, G102
Figure 2:

Cell 20: Serial Data


Object Number: 366669  Size: FS
Engine Controls Components
Vehicle Control Module Description
Cell 20: Fuel Controls
Cell 20: CMP Sensor, CKP Sensor, Tach Signal, Ignition Controls
OBD II Symbol Description Notice
Handling ESD Sensitive Parts Notice
Cell 10: Underhood Bussed Electrical Center, Data Link Connector
Cell 10: Underhood Bussed Electrical Center, Data Link Connector
Cell 50
Cell 14: Vehicle Control Module, S103, G102
Cell 14: Vehicle Control Module, S103, G102
Cell 14: Full Feature Seat Heated/Memory Seat Switch, Light Bar Switch
Figure 3:

Cell 20: CMP Sensor, CKP Sensor, Tach Signal, Ignition Controls


Object Number: 366670  Size: FS
Engine Controls Components
Vehicle Control Module Description
Cell 20: Serial Data
Cell 20: Transmission Inputs
OBD II Symbol Description Notice
Handling ESD Sensitive Parts Notice
Cell 10: Underhood Bussed Electrical Center, Bussed Fuses
Cell 10: Crankshaft Position Sensor, Fuel Injector 8
Cell 10: Crankshaft Position Sensor, Fuel Injector 8
Cell 10: Crankshaft Position Sensor, Fuel Injector 8
Handling ESD Sensitive Parts Notice
Cell 10: Underhood Bussed Electrical Center, Bussed Fuses
Handling ESD Sensitive Parts Notice
Cell 14: Vehicle Control Module, S103, G102
Figure 4:

Cell 20: Fuel Injectors


Object Number: 366671  Size: FS
Engine Controls Components
Vehicle Control Module Description
Cell 20: VSS
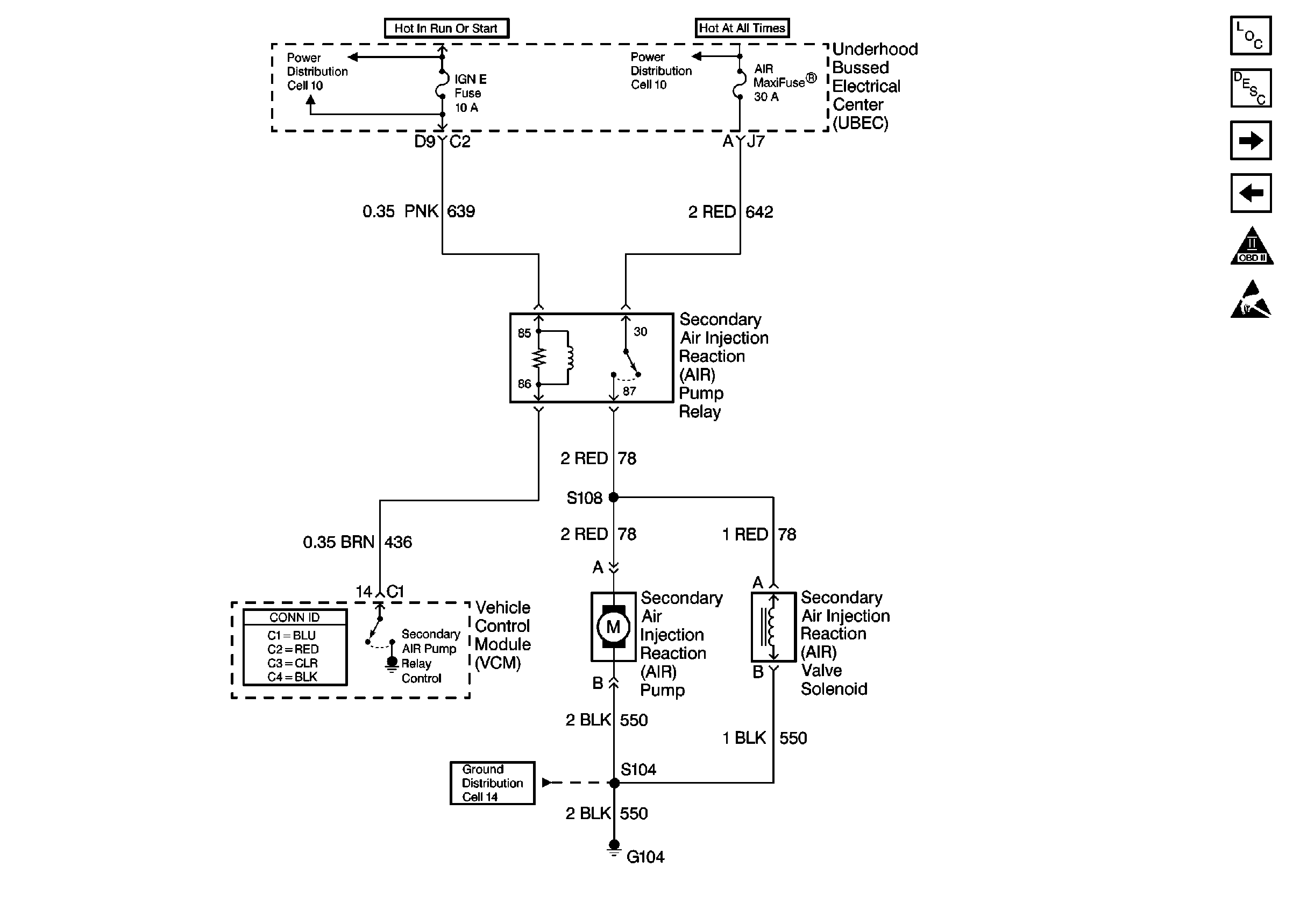
Cell 20: Secondary AIR Controls
OBD II Symbol Description Notice
Handling ESD Sensitive Parts Notice
Cell 10: Crankshaft Position Sensor, Fuel Injector 8
Cell 10: Crankshaft Position Sensor, Fuel Injector 8
Cell 10: Crankshaft Position Sensor, Fuel Injector 8
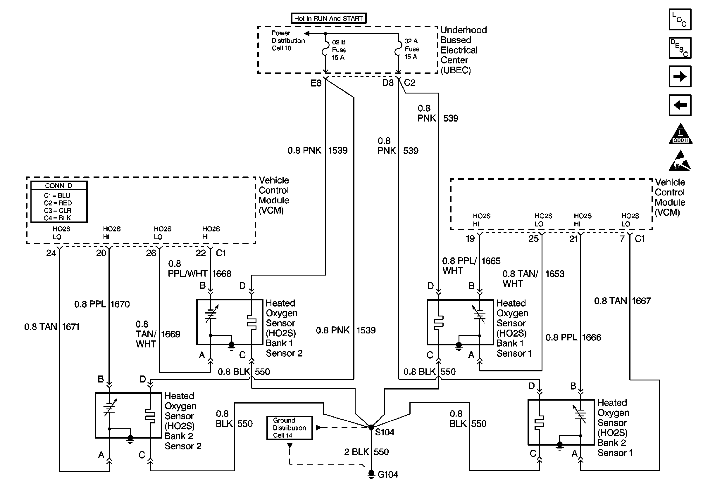
Figure 5:

Cell 20: Fuel Controls


Object Number: 366672  Size: FS
Engine Controls Components
Vehicle Control Module Description
Cell 20: Oxygen Sensors
Cell 20: Serial Data
OBD II Symbol Description Notice
Handling ESD Sensitive Parts Notice
Cell 10: Underhood Bussed Electrical Center, Data Link Connector
Cell 14: Vehicle Control Module, S103, G102
Cell 14: Vehicle Control Module, S103, G102
Figure 6:

Cell 20: IAC, IAT, ECT, MAF, MAP Sensor


Object Number: 366673  Size: FS
Engine Controls Components
Vehicle Control Module Description
Cell 20: EVAP Controls
Cell 20: MIL, VCM Power and Ground
OBD II Symbol Description Notice
Handling ESD Sensitive Parts Notice
Cell 10: Underhood Bussed Electrical Center, Bussed Fuses
Cell 10: Underhood Bussed Electrical Center, Bussed Fuses
Cell 10: Underhood Bussed Electrical Center, Bussed Fuses
Cell 14: Vehicle Control Module, S103, G102
Figure 7:

Cell 20: Secondary AIR Controls


Object Number: 366674  Size: FS
Engine Controls Components
Vehicle Control Module Description
Cell 20: Fuel Injectors
Cell 20: EVAP Controls
OBD II Symbol Description Notice
Handling ESD Sensitive Parts Notice
Cell 10: Underhood Bussed Electrical Center, Bussed Fuses
Cell 10: Underhood Bussed Electrical Center, Headlamp Dimmer Switch
Cell 14: Underhood Bussed Electrical Center, Windshield Wiper Motor
Figure 8:

Cell 20: VSS


Object Number: 366675  Size: FS
Engine Controls Components
Vehicle Control Module Description
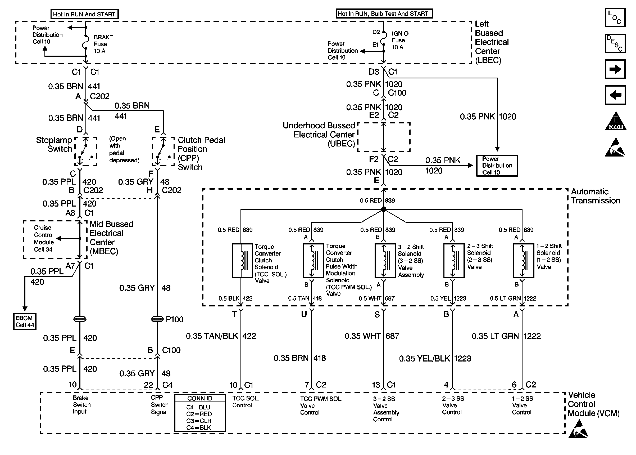
Cell 20: Stoplamp/CPP Inputs, Transmission Controls
Cell 20: Fuel Injectors
OBD II Symbol Description Notice
Handling ESD Sensitive Parts Notice
Cell 14: Vehicle Control Module, S103, G102
Figure 9:

Cell 20: Oxygen Sensors


Object Number: 366676  Size: FS
Engine Controls Components
Vehicle Control Module Description
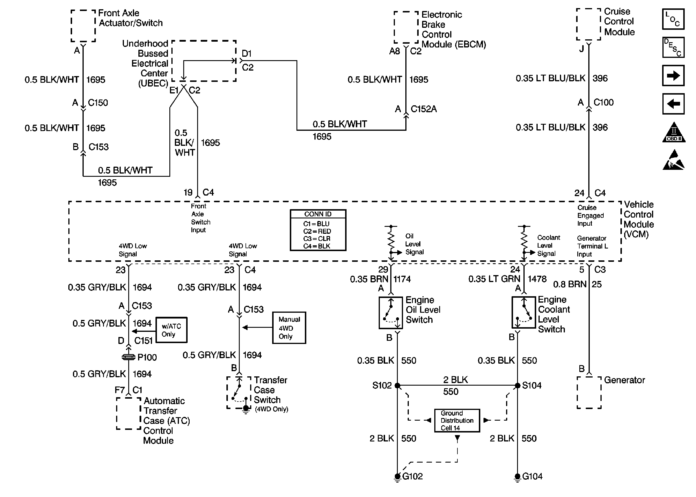
Cell 20: Engine Oil Level, Engine Coolant Level, 4WD Inputs, Cruise Inputs, Generator Inputs
Cell 20: Fuel Controls
OBD II Symbol Description Notice
Handling ESD Sensitive Parts Notice
Cell 10: Underhood Bussed Electrical Center, Bussed Fuses
Cell 14: Underhood Bussed Electrical Center, Windshield Wiper Motor
Figure 10:

Cell 20: EVAP Controls


Object Number: 366677  Size: FS
Engine Controls Components
Vehicle Control Module Description
Cell 20: Secondary AIR Controls
Cell 20: IAC, IAT, ECT, MAF, MAP Sensor
OBD II Symbol Description Notice
Handling ESD Sensitive Parts Notice
Cell 10: Underhood Bussed Electrical Center, Bussed Fuses
Figure 11:

Cell 20: Engine Oil Level, Engine Coolant Level, 4WD Inputs, Cruise Inputs, Generator Inputs


Object Number: 366678  Size: FS
Engine Controls Components
Vehicle Control Module Description
Cell 20: A/C Controls
Cell 20: Oxygen Sensors
OBD II Symbol Description Notice
Handling ESD Sensitive Parts Notice
Cell 14: Vehicle Control Module, S103, G102
Figure 12:

Cell 20: Stoplamp/CPP Inputs, Transmission Controls


Object Number: 366679  Size: FS
Engine Controls Components
Vehicle Control Module Description
Cell 20: PNP Switch, Tow/Haul Switch
Cell 20: VSS
OBD II Symbol Description Notice
Handling ESD Sensitive Parts Notice
Cell 10: Left Bussed Electrical Center, Electronic Brake Control Module
Cell 10: Underhood Bussed Electrical Center, Electronic Brake Control ModuLe
Cell 10: Underhood Bussed Electrical Center, Electronic Brake Control ModuLe
Cell 34: Left Bussed Electrical Center, Powertrain Control Module
Cell 44: Left Bussed Electrical Center, Splice Pack SP205
Handling ESD Sensitive Parts Notice
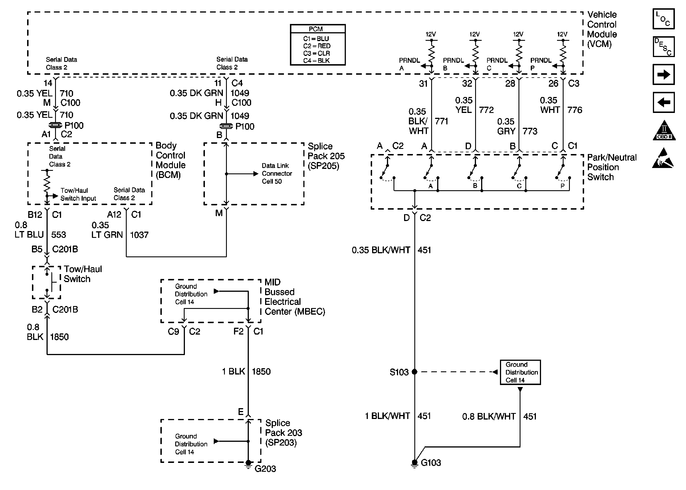
Figure 13:

Cell 20: Transmission Inputs


Object Number: 366681  Size: FS
Engine Controls Components
Vehicle Control Module Description
Cell 20: CMP Sensor, CKP Sensor, Tach Signal, Ignition Controls
Cell 20: PNP Switch, Tow/Haul Switch
OBD II Symbol Description Notice
Handling ESD Sensitive Parts Notice
Handling ESD Sensitive Parts Notice
Handling ESD Sensitive Parts Notice
Figure 14:

Cell 20: PNP Switch, Tow/Haul Switch


Object Number: 366682  Size: FS
Engine Controls Components
Vehicle Control Module Description
Cell 20: Transmission Inputs
Cell 20: Stoplamp/CPP Inputs, Transmission Controls
OBD II Symbol Description Notice
Handling ESD Sensitive Parts Notice
Cell 50
Cell 14: Horn Switch, C201C, C207C
Cell 14: Full Feature Seat Heated/Memory Seat Switch, Light Bar Switch
Cell 14: Vehicle Control Module, S103, G102
Figure 15:

Cell 20: A/C Controls


Object Number: 366683  Size: FS
Engine Controls Components
Vehicle Control Module Description
Cell 20: Engine Oil Level, Engine Coolant Level, 4WD Inputs, Cruise Inputs, Generator Inputs
OBD II Symbol Description Notice
Handling ESD Sensitive Parts Notice
Cell 14: Underhood Bussed Electrical Center, Windshield Wiper Motor