GM Service Manual Online
For 1990-2009 cars only
Figure 1:

Power, Ground, MIL, and Serial Data


Object Number: 691491  Size: FS
Engine Controls Component Views
Powertrain Control Module Description
Ignition Control Sensors
OBD II Symbol Description Notice
B+ Bus Bar
IGN 1 Relay, and ECM 1, ETC, INJA, INJB Fuses - Gas
IGNITION, RUN, and START Bus Bar
RTD, RDO AMP, CRANK, and IGN 0 Fuses
IGN 1, AIR BAG, and SEO IGN Fuses
Power and Ground
G103 and G105 - Gas
Figure 2:

Ignition Control Sensors


Object Number: 691424  Size: FS
Engine Controls Component Views
Powertrain Control Module Description
Injectors
Power, Ground, and MIL Control
OBD II Symbol Description Notice
IGN 1 Relay, and ECM 1, ETC, INJA, INJB Fuses - Gas
IGN 1 Relay, and ECM 1, ETC, INJA, INJB Fuses - Gas
IGN 1 Relay, and ECM 1, ETC, INJA, INJB Fuses - Gas
G103 and G105 - Gas
Figure 3:

Injectors


Object Number: 691430  Size: FS
Engine Controls Component Views
Powertrain Control Module Description
Fuel Pump Controls
Ignition Control Sensors
OBD II Symbol Description Notice
IGN 1 Relay, and ECM 1, ETC, INJA, INJB Fuses - Gas
IGN 1 Relay, and ECM 1, ETC, INJA, INJB Fuses - Gas
IGN 1 Relay, and ECM 1, ETC, INJA, INJB Fuses - Gas
Figure 4:

Fuel Pump Controls


Object Number: 691432  Size: FS
Master Electrical Component List
Fuel System Description
Throttle Position Sensor, ECT Sensor, MAP Sensor and IAC Motor
Injectors
OBD II Symbol Description Notice
B+ Bus Bar
G104 - Gas
G104 - Gas
G403
G103 and G105 - Gas
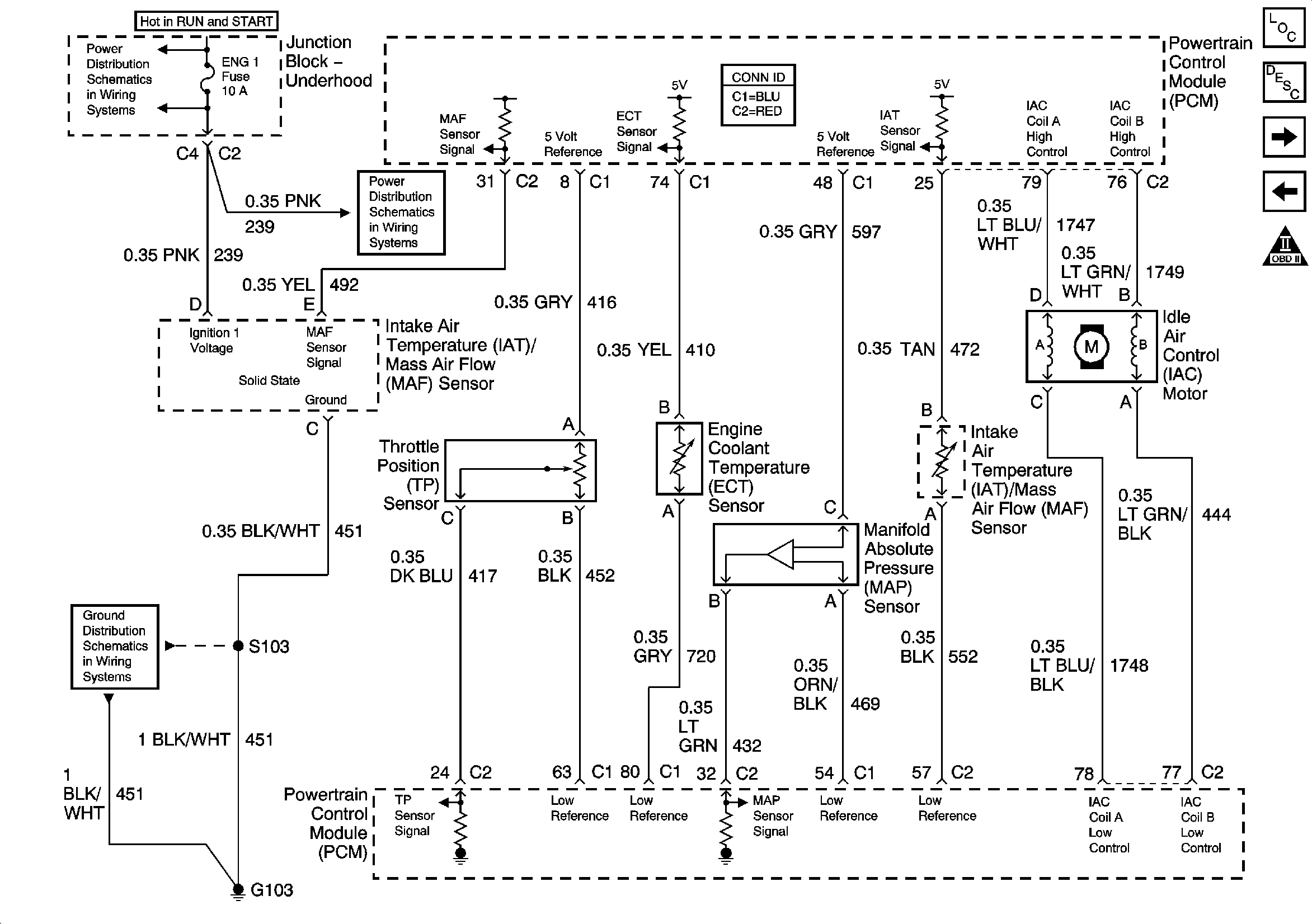
Figure 5:

Throttle Position Sensor, ECT Sensor, MAP Sensor, and IAC Motor


Object Number: 691435  Size: FS
Master Electrical Component List
Distributor Ignition (DI) System Description
Secondary AIR Controls
Fuel Pump Controls
OBD II Symbol Description Notice
IGNITION, RUN, and START Bus Bar
O2B, O2A, ENG 1, and IGN E Fuses - Gas
G103 and G105 - Gas
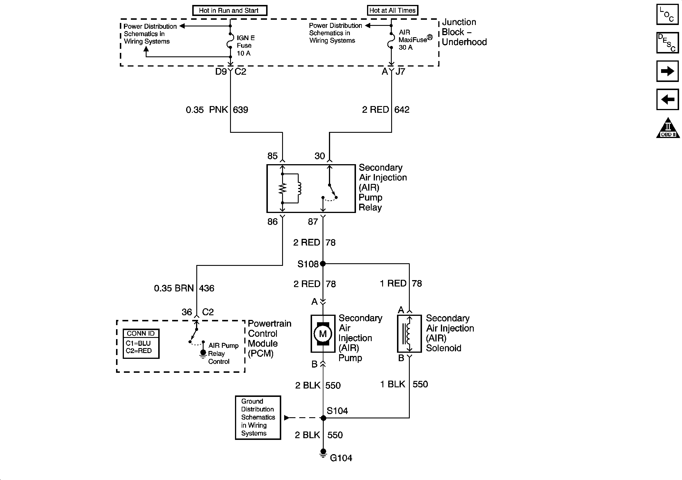
Figure 6:

Secondary AIR Controls


Object Number: 691439  Size: FS
Engine Controls Component Views
Secondary Air Injection System Description
Vehicle Speed
Throttle Position Sensor, ECT Sensor, MAP Sensor and IAC Motor
OBD II Symbol Description Notice
IGNITION, RUN, and START Bus Bar
B+ Bus Bar
G104 - Gas
Figure 7:

Vehicle Speed


Object Number: 691447  Size: FS
Engine Controls Component Views
Powertrain Control Module Description
Heated Oxygen Sensor (HO2S)
Secondary AIR Controls
OBD II Symbol Description Notice
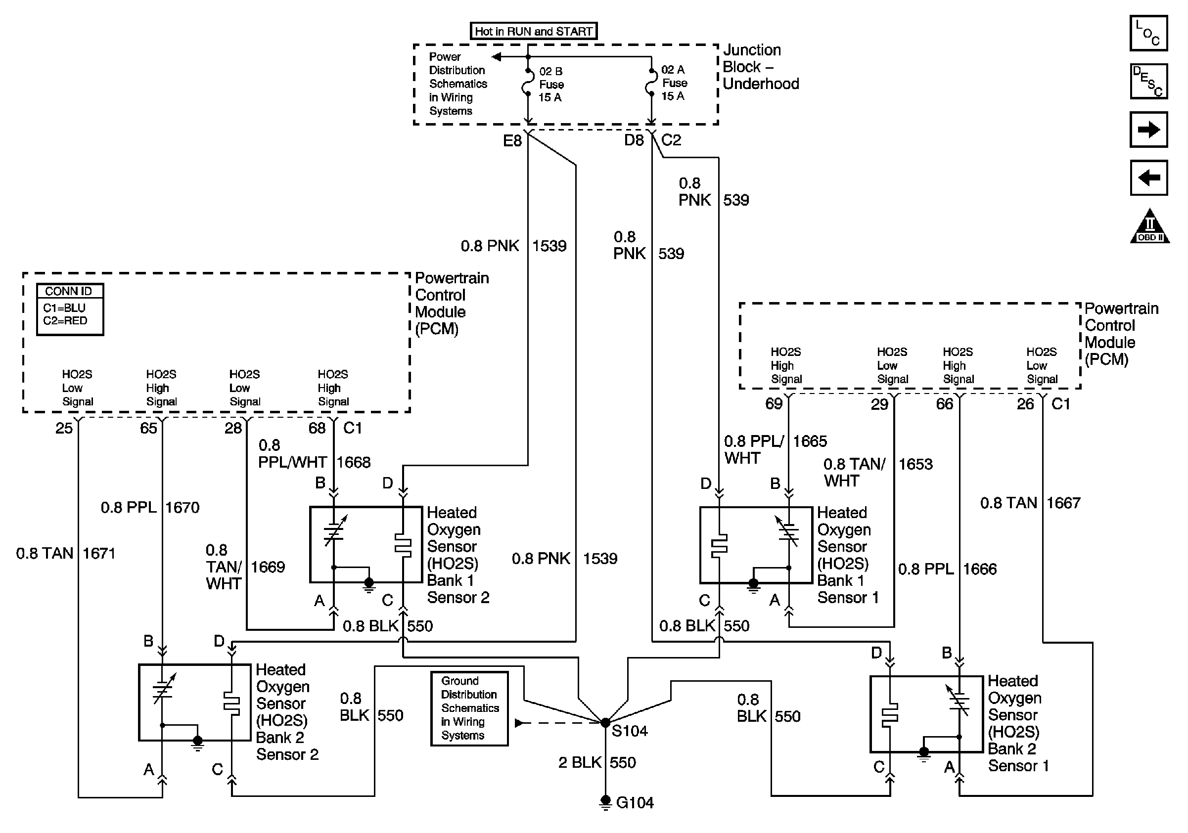
Figure 8:

Heated Oxygen Sensor (HO2S)


Object Number: 691451  Size: FS
Engine Controls Component Views
Powertrain Control Module Description
EVAP Controls and EGR
Vehicle Speed
OBD II Symbol Description Notice
IGNITION, RUN, and START Bus Bar
G104 - Gas
Figure 9:

EVAP Controls and EGR


Object Number: 691455  Size: FS
Engine Controls Component Views
Evaporative Emission Control System Description
Engine Oil Level, Coolant Level, CPP and Cruise Control Module
Heated Oxygen Sensor (HO2S)
OBD II Symbol Description Notice
IGNITION, RUN, and START Bus Bar
Figure 10:

Engine Oil Level, Coolant Level, CPP, and Cruise Control Module


Object Number: 691459  Size: FS
Engine Controls Component Views
Powertrain Control Module Description
Knock Sensor (KS) and Shift Solenoids
EVAP Controls and EGR
OBD II Symbol Description Notice
Power, Ground, Serial Data - w/o Traction Assist
IGNITION, RUN, ACCESSORY, and RAP Bus Bars, RAP #1 and RAP #2 Fuses
Cruise Control Module (CCM), Clutch Pedal Position (CPP) Switch, Stoplamp Switch
G104 - Gas
G103 and G105 - Gas
Figure 11:

Knock Sensor (KS) and Shift Solenoids


Object Number: 691465  Size: FS
Engine Controls Component Views
Knock Sensor (KS) System Description
TFT Sensor and Pressure Control Solenoid
Engine Oil Level, Coolant Level, CPP and Cruise Control Module
OBD II Symbol Description Notice
RTD, RDO AMP, CRANK, and IGN 0 Fuses
Figure 12:

TFT Sensor and Pressure Control Solenoid


Object Number: 691488  Size: FS
Engine Controls Component Views
Powertrain Control Module Description
Park Neutral Position Switch
Knock Sensor (KS) and Shift Solenoids
OBD II Symbol Description Notice
Figure 13:

Park Neutral Position Switch


Object Number: 691489  Size: FS
Engine Controls Component Views
Powertrain Control Module Description
TFT Sensor and Pressure Control Solenoid
OBD II Symbol Description Notice
G103 and G105 - Gas
G100 and G110
G103 and G105 - Gas