GM Service Manual Online
For 1990-2009 cars only
Figure 1:

B+ Bus Bar


Object Number: 649759  Size: FS
Master Electrical Component List
IGNITION, RUN, and START Bus Bar
Figure 2:

IGNITION, RUN, and START Bus Bar


Object Number: 653055  Size: FS
Master Electrical Component List
STOP, TURN, and HAZARD Bus Bars
B+ Bus Bar
Figure 3:

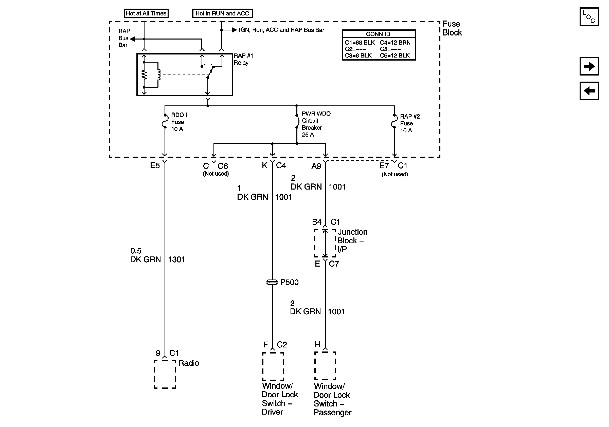
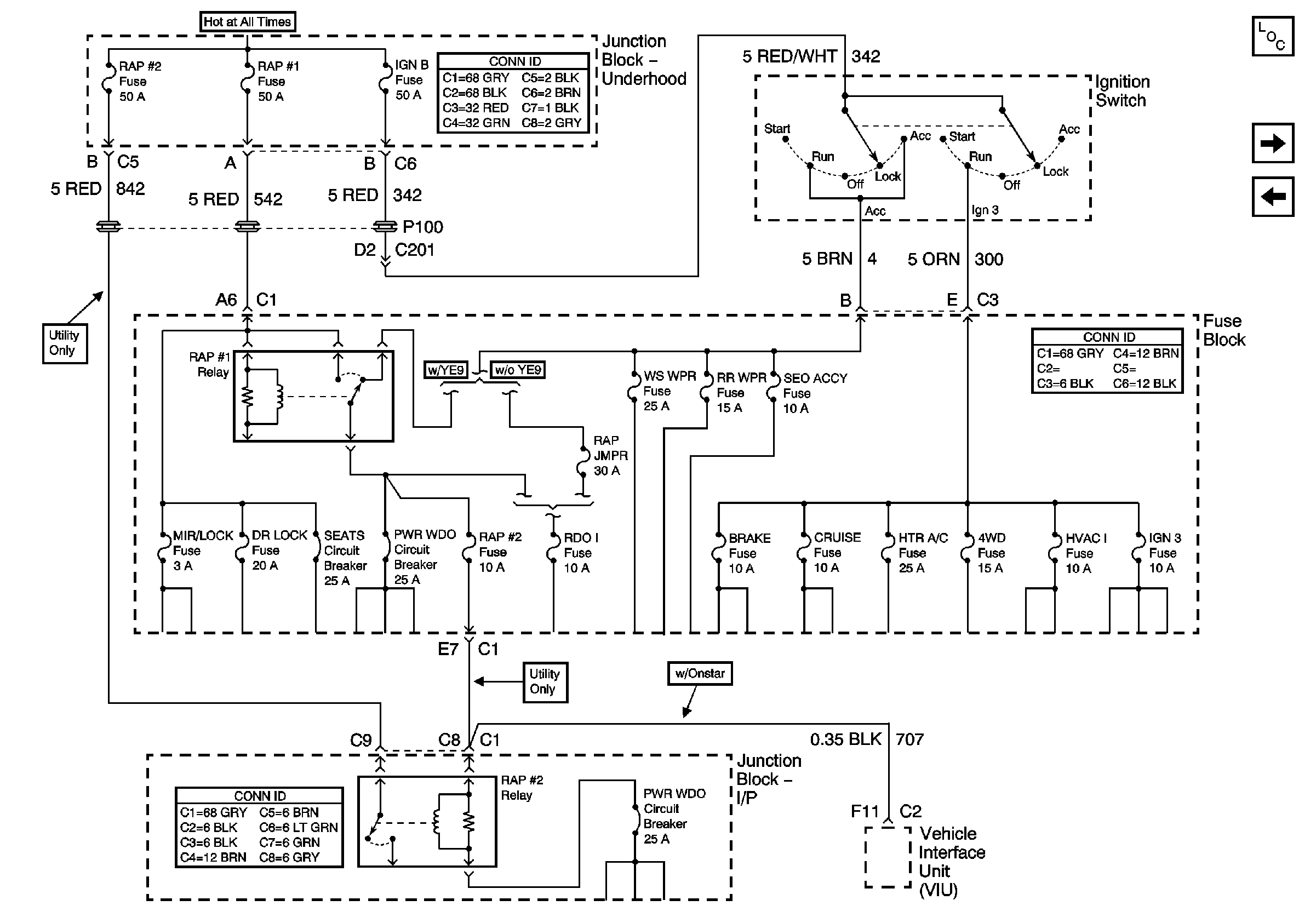
IGNITION, RUN, ACCESSORY, and RAP Bus Bars, RAP #1 and RAP #2 Fuses


Object Number: 740257  Size: FS
Master Electrical Component List
STOP, TURN, and HAZARD Bus Bars
IGNITION, RUN, and START Bus Bar
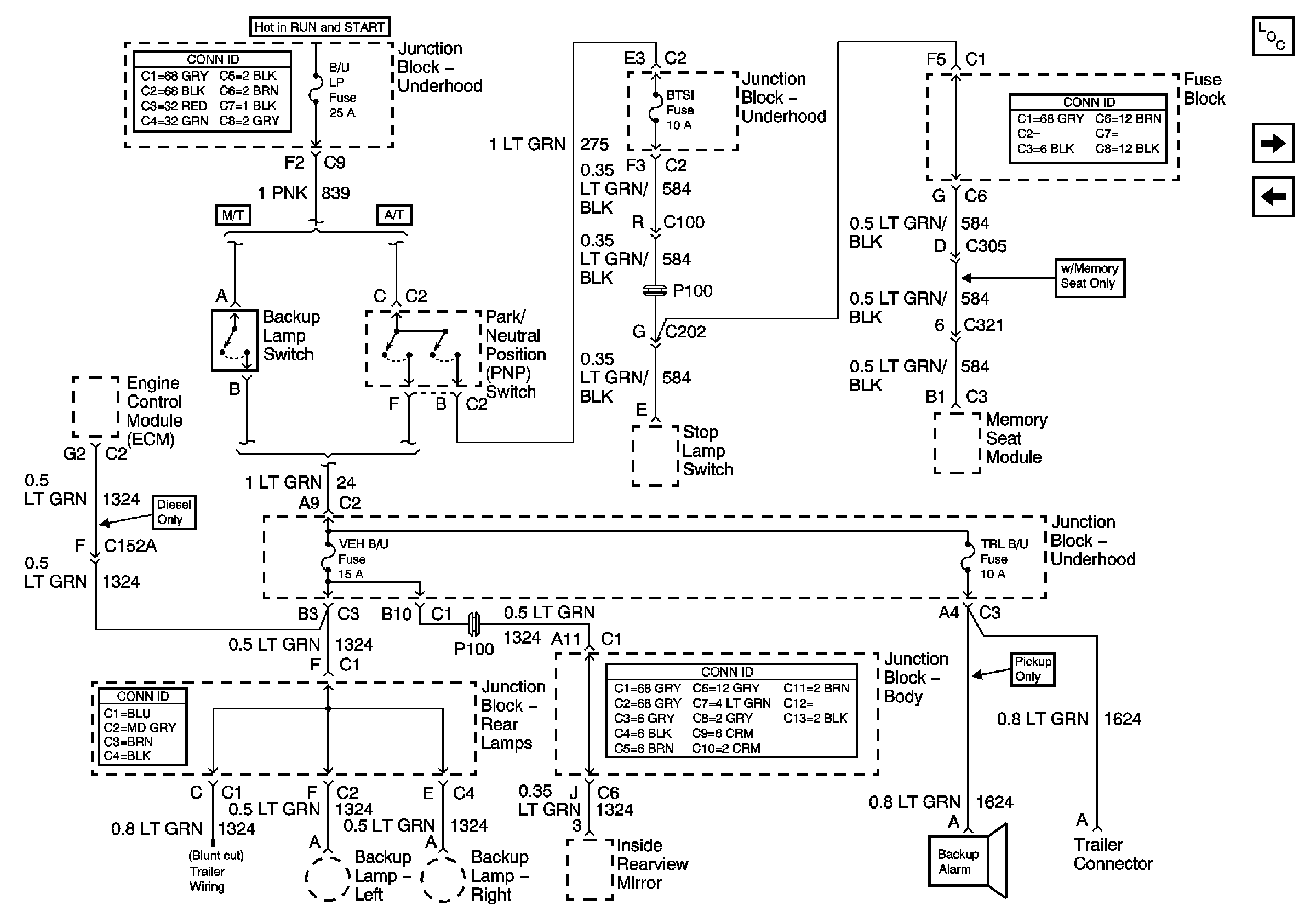
Figure 4:

STOP, TURN, and HAZARD Bus Bars


Object Number: 653064  Size: FS
Master Electrical Component List
B/U LP, BTSI, VEH B/U, and TRL B/U Fuses
IGNITION, RUN, and START Bus Bar
B+ Bus Bar
IGNITION, RUN, and START Bus Bar
Figure 5:

B/U LP, BTSI, VEH B/U, TRL B/U Fuses


Object Number: 653065  Size: FS
Master Electrical Component List
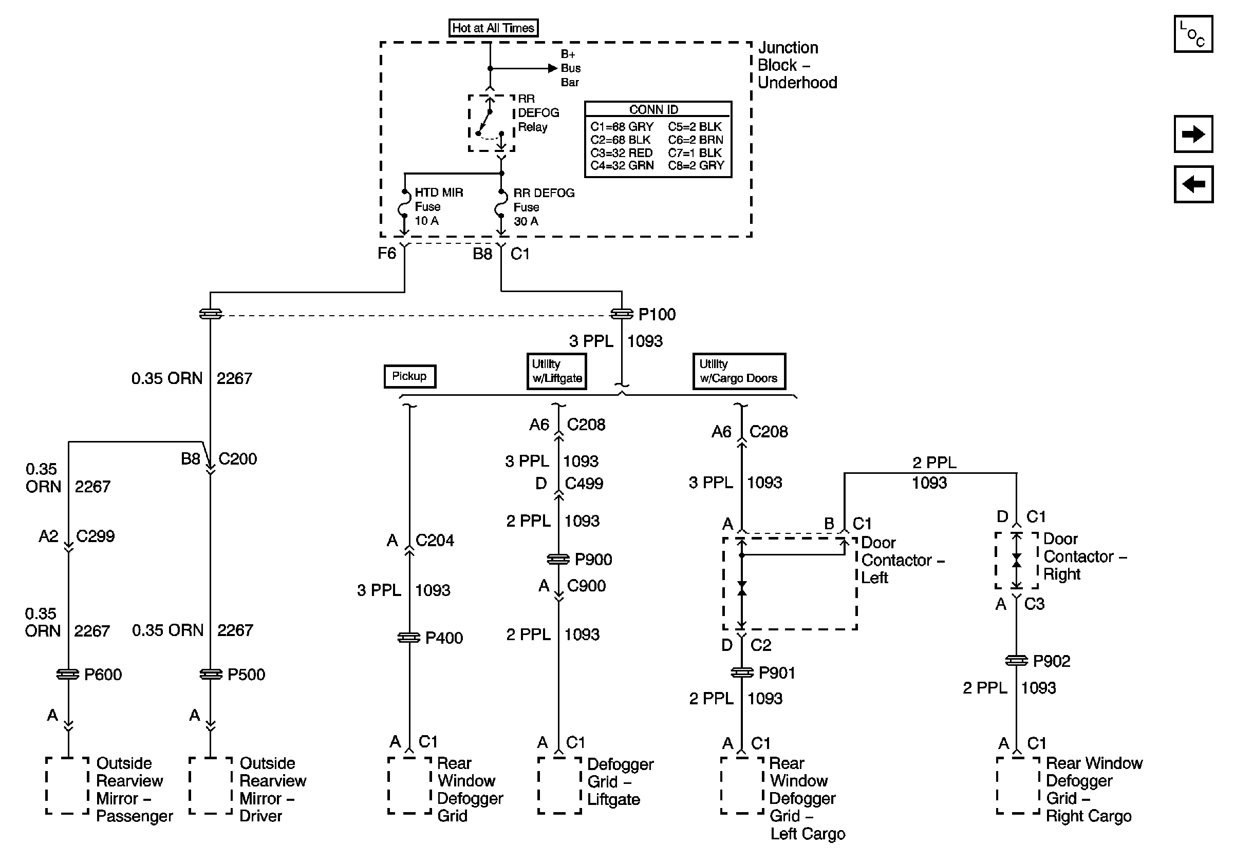
HTD MIR, RR DEFOG Fuses, and RR DEFOG Relay
STOP, TURN, and HAZARD Bus Bars
Figure 6:

HTD MIR, RR DEFOG Fuses, and RR DEFOG Relay


Object Number: 653066  Size: FS
Master Electrical Component List
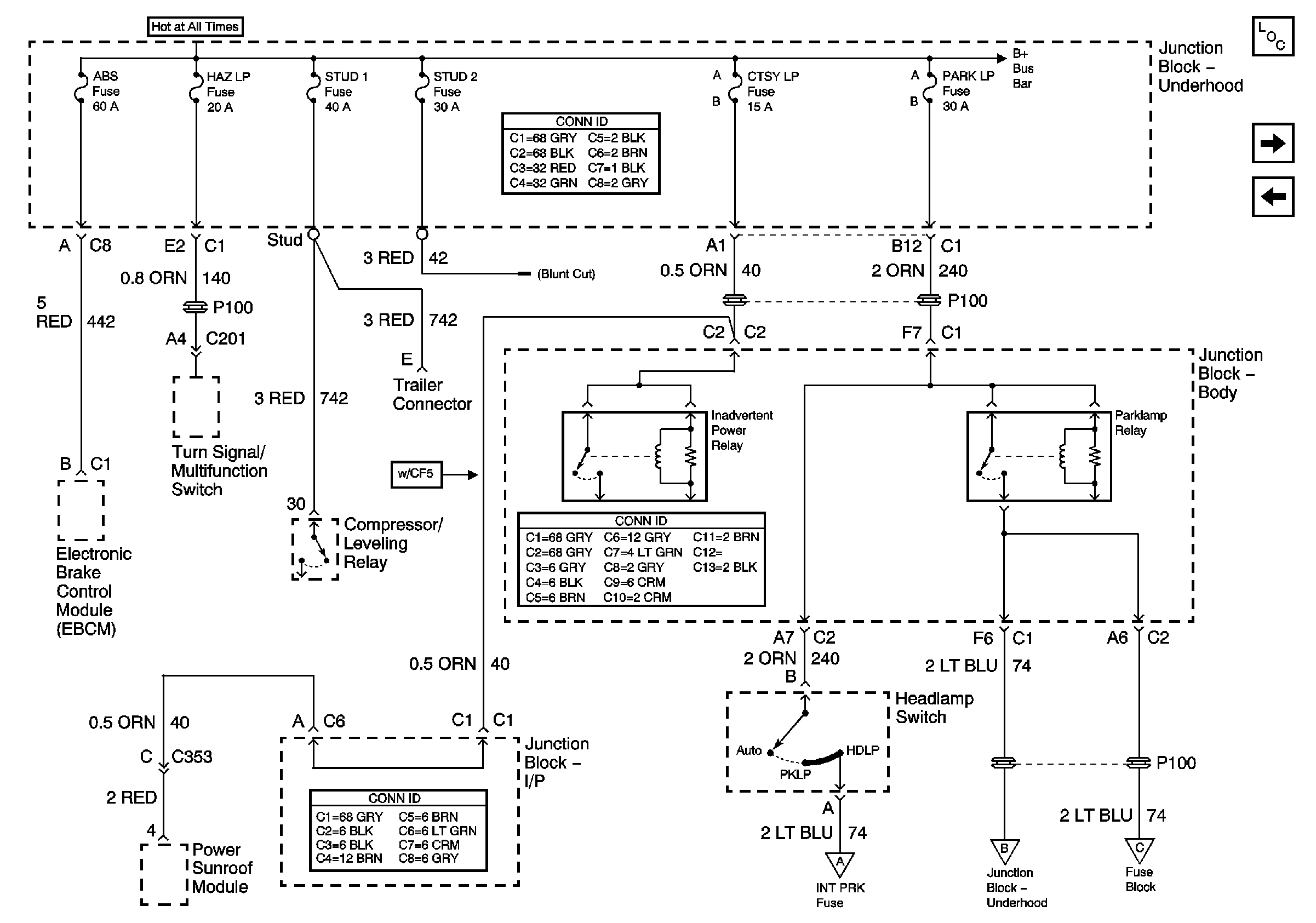
ABS, HAZ LP, STUD 1, STUD 2, CTSY LP, and PARK LP Fuses
B/U LP, BTSI, VEH B/U, and TRL B/U Fuses
B+ Bus Bar
Figure 7:

ABS, HAZ LP, STUD 1, STUD 2, CTSY LP, and PARK LP Fuses


Object Number: 653069  Size: FS
Master Electrical Component List
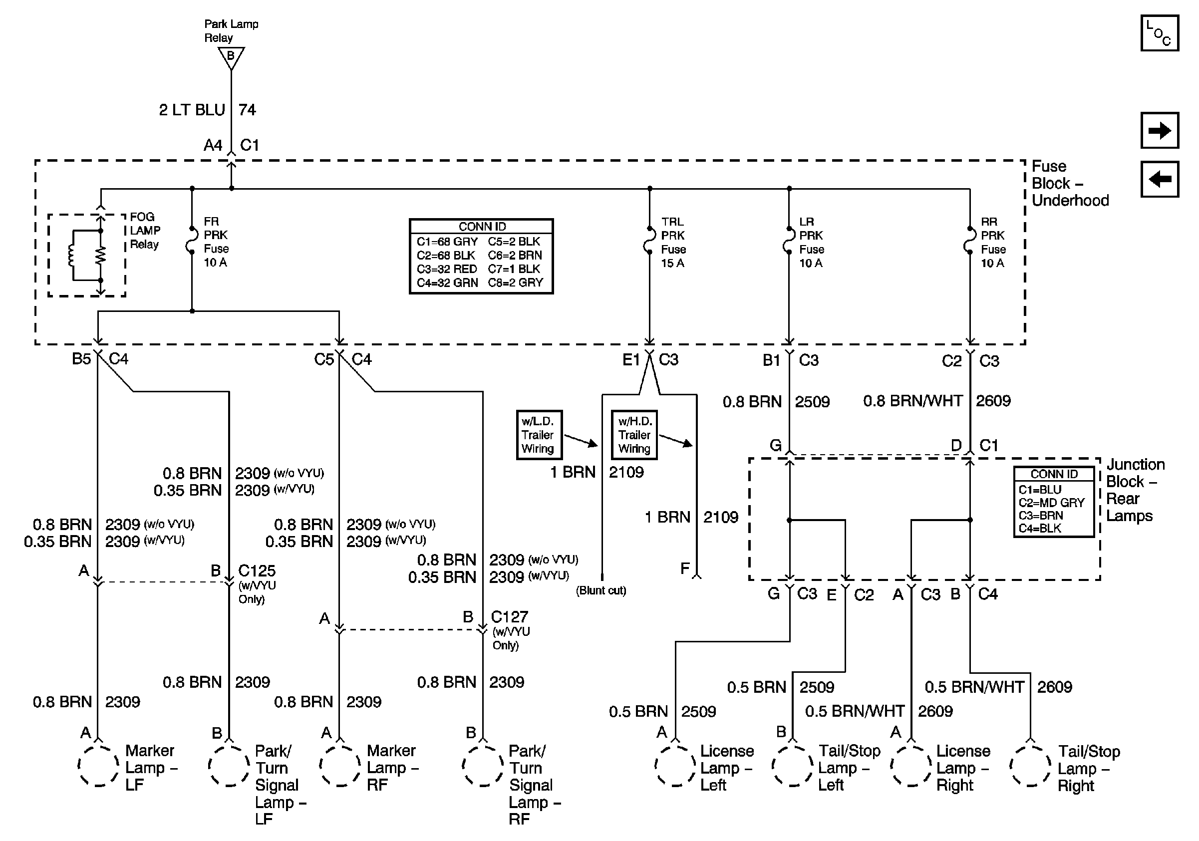
FR PRK, TRL PRK, LR PRK, RR PRK Fuses, and FOG LAMP Relay
HTD MIR, RR DEFOG Fuses, and RR DEFOG Relay
B+ Bus Bar
INT PRK Fuse - 1 of 2
FR PRK, TRL PRK, LR PRK, RR PRK Fuses, and FOG LAMP Relay
INT PRK Fuse - 1 of 2
Figure 8:

FR PRK, TRL PRK, LR PRK, RR PRK Fuses, and FOG LAMP Relay


Object Number: 653071  Size: FS
Master Electrical Component List
INT PRK Fuse - 1 of 2
ABS, HAZ LP, STUD 1, STUD 2, CTSY LP, and PARK LP Fuses
ABS, HAZ LP, STUD 1, STUD 2, CTSY LP, and PARK LP Fuses
Figure 9:

INT PRK Fuse - 1 of 2


Object Number: 653073  Size: FS
Master Electrical Component List
INT PRK Fuse - 2 of 2
FR PRK, TRL PRK, LR PRK, RR PRK Fuses, and FOG LAMP Relay
ABS, HAZ LP, STUD 1, STUD 2, CTSY LP, and PARK LP Fuses
ABS, HAZ LP, STUD 1, STUD 2, CTSY LP, and PARK LP Fuses
INT PRK Fuse - 2 of 2
Figure 10:

INT PRK Fuse - 2 of 2


Object Number: 653074  Size: FS
Master Electrical Component List
LT TURN and RT TURN Fuses
INT PRK Fuse - 1 of 2
INT PRK Fuse - 1 of 2
Figure 11:

LT TURN and RT TURN Fuses


Object Number: 653076  Size: FS
Master Electrical Component List
TRL L TURN, TRL R TURN, VEH STOP, AND CHMSL Fuses
INT PRK Fuse - 2 of 2
Figure 12:

TRL L TURN, TRL R TURN, VEH STOP, and CHMSL Fuses


Object Number: 653079  Size: FS
Master Electrical Component List
IGN 1, AIR BAG, and SEO IGN Fuses
LT TURN and RT TURN Fuses
Figure 13:

IGN 1, AIR BAG, and SEO IGN Fuses


Object Number: 653080  Size: FS
Master Electrical Component List
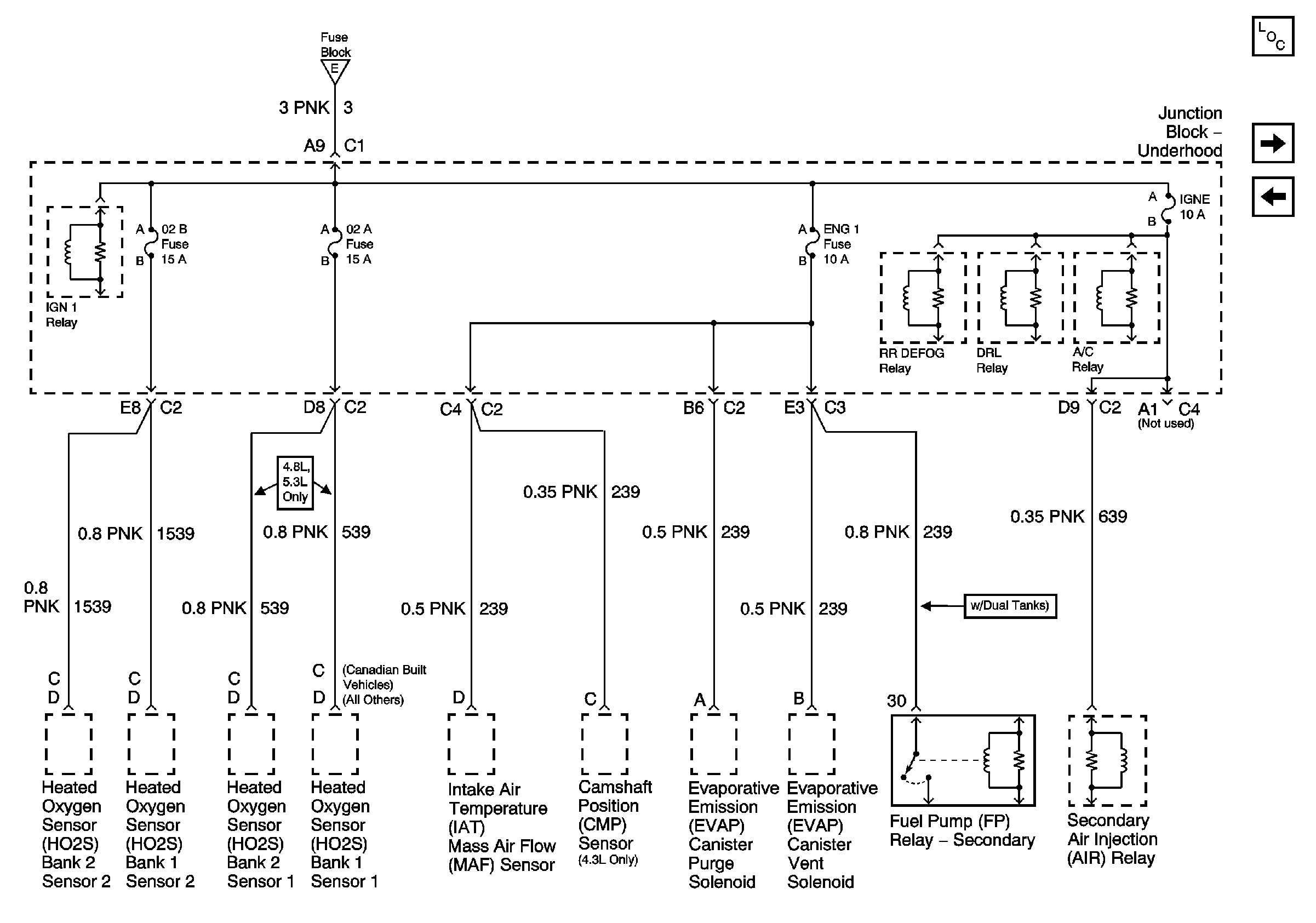
O2B, O2A, ENG 1, and IGN E Fuses - Gas
TRL L TURN, TRL R TURN, VEH STOP, AND CHMSL Fuses
IGNITION, RUN, and START Bus Bar
O2B, O2A, ENG 1, and IGN E Fuses - Gas
IGN 1 Relay, ECM I, FUEL HT, ENG 1, IGN E, ECMRPV, and INJ B Fuses - Diesel
Figure 14:

O2B, O2A, ENG 1, and IGN E Fuses - Gas


Object Number: 653081  Size: FS
Master Electrical Component List
IGN 1 Relay, ECM I, FUEL HT, ENG 1, IGN E, ECMRPV, and INJ B Fuses - Diesel
IGN 1, AIR BAG, and SEO IGN Fuses
IGN 1, AIR BAG, and SEO IGN Fuses
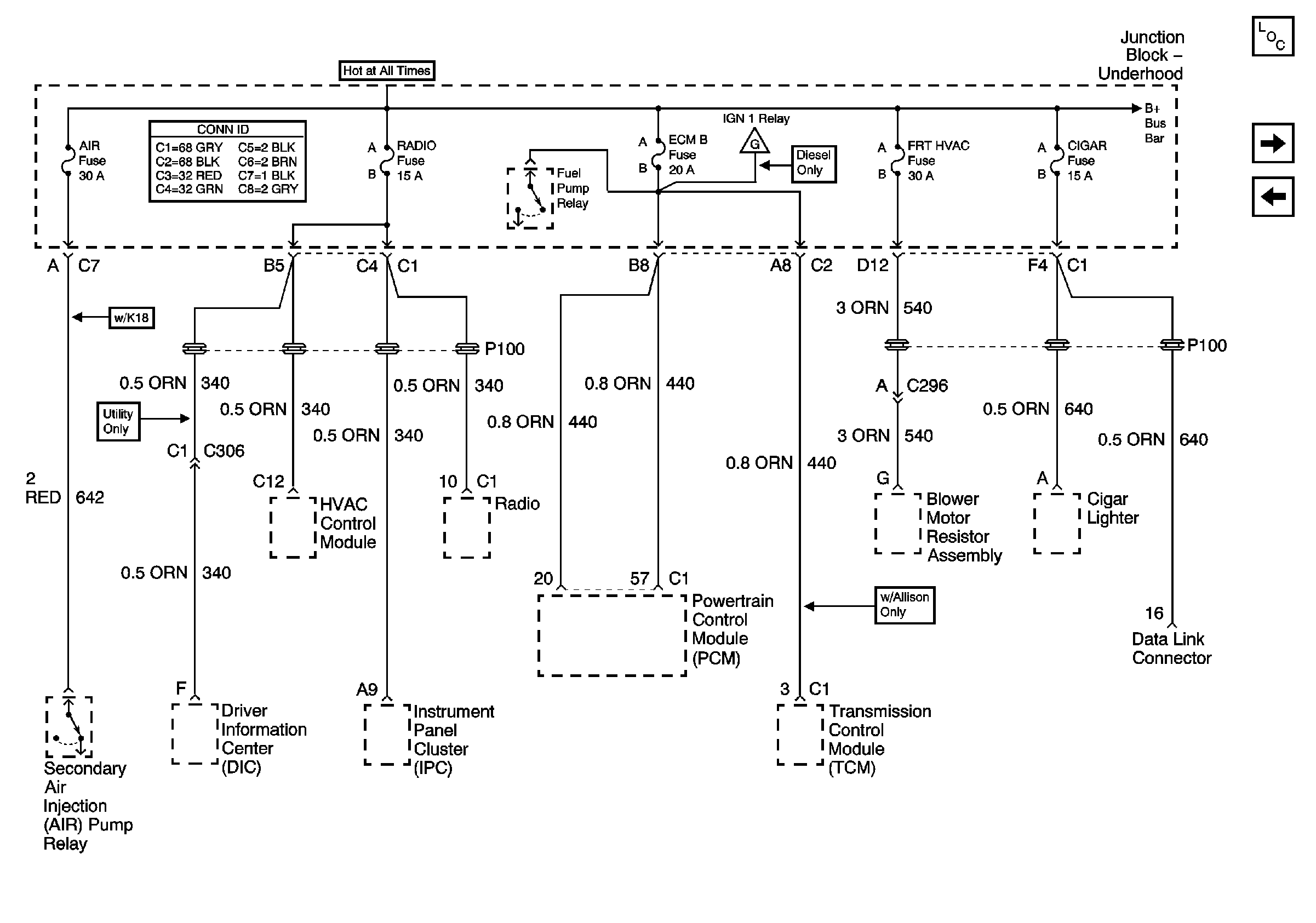
Figure 15:

AIR, RADIO, ECM B, FRT HVAC, and CIGAR Fuses


Object Number: 740261  Size: FS
Master Electrical Component List
IGN 1 Relay, ECM I, FUEL HT, ENG 1, IGN E, ECMRPV, and INJ B Fuses - Diesel
O2B, O2A, ENG 1, and IGN E Fuses - Gas
IGN 1 Relay, ECM I, FUEL HT, ENG 1, IGN E, ECMRPV, and INJ B Fuses - Diesel
B+ Bus Bar
Figure 16:

IGN 1 Relay, ECM I, FUEL HT, ENG 1, IGN E, ECMRPV, and INJ B Fuses - Diesel


Object Number: 653082  Size: FS
Master Electrical Component List
RTD, RDO AMP, CRANK, and IGN 0 Fuses
O2B, O2A, ENG 1, and IGN E Fuses - Gas
IGNITION, RUN, and START Bus Bar
IGN 1, AIR BAG, and SEO IGN Fuses
AIR, RADIO, ECM B, FRT HVAC, and CIGAR Fuses
B+ Bus Bar
Figure 17:

RTD, RDO AMP, CRANK, and IGN 0 Fuses


Object Number: 839151  Size: FS
Master Electrical Component List
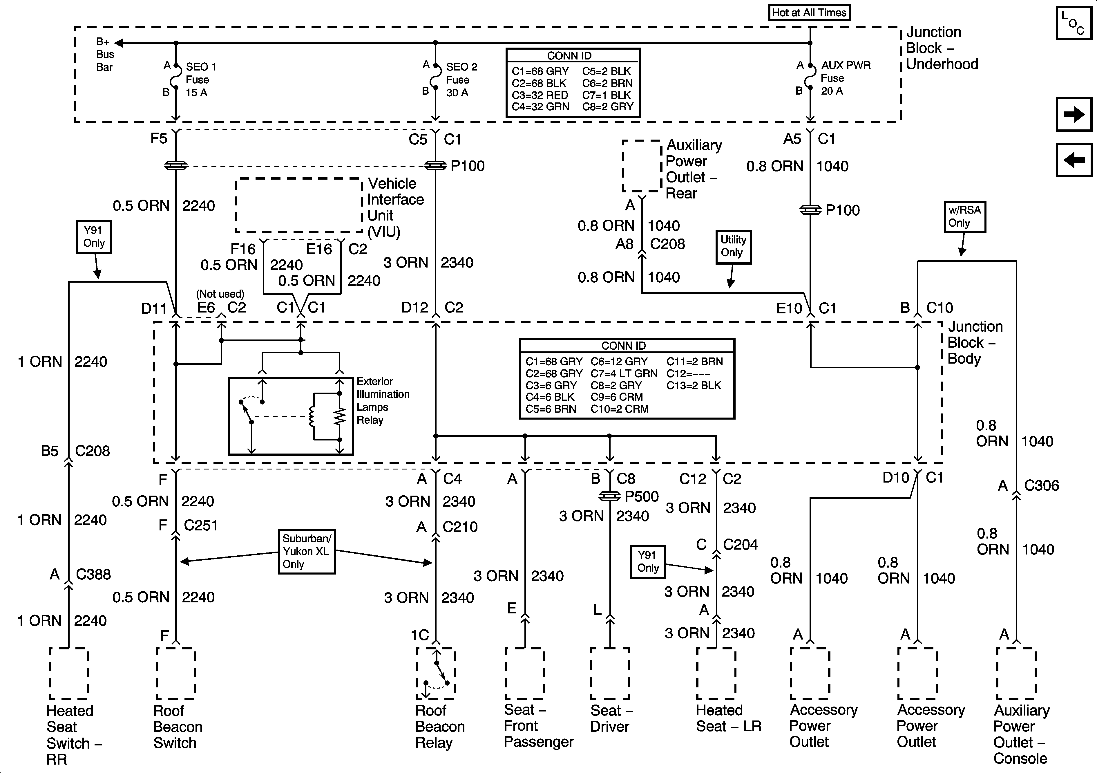
SEO 1, SEO 2, AND AUX PWR Fuses
IGN 1 Relay, ECM I, FUEL HT, ENG 1, IGN E, ECMRPV, and INJ B Fuses - Diesel
B+ Bus Bar
Figure 18:

SEO 1, SEO 2, and AUX PWR Fuses


Object Number: 839156  Size: FS
Master Electrical Component List
RR HVAC, ATC, EXP LPS, RR WPR B, HORN Fuses, and HORN Relay
RTD, RDO AMP, CRANK, and IGN 0 Fuses
B+ Bus Bar
Figure 19:

RR HVAC, ATC, EXP LPS, RR WPR B, HORN Fuses, and HORN Relay


Object Number: 839161  Size: FS
Master Electrical Component List
IGN 1 Relay, and ECM 1, ETC, INJA, INJB Fuses - Gas
SEO 1, SEO 2, AND AUX PWR Fuses
B+ Bus Bar
Figure 20:

IGN 1 Relay, and ECM 1, ETC, INJA, INJB Fuses - Gas


Object Number: 839166  Size: FS
Master Electrical Component List
Ignition Coils - Gas
RR HVAC, ATC, EXP LPS, RR WPR B, HORN Fuses, and HORN Relay
B+ Bus Bar
IGNITION, RUN, and START Bus Bar
Ignition Coils - Gas
Ignition Coils - Gas
Figure 21:

Ignition Coils - Gas


Object Number: 839171  Size: FS
Master Electrical Component List
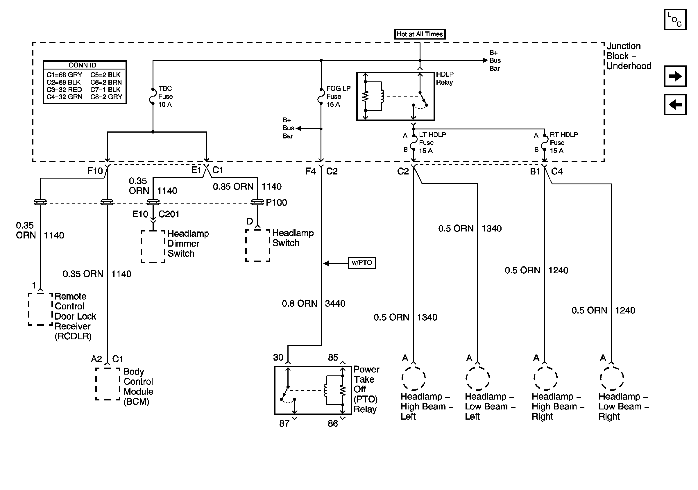
HDLP Relay, TBC, FOG LP, LT HDLP, and RT HDLP Fuses
IGN 1 Relay, and ECM 1, ETC, INJA, INJB Fuses - Gas
IGN 1 Relay, and ECM 1, ETC, INJA, INJB Fuses - Gas
IGN 1 Relay, and ECM 1, ETC, INJA, INJB Fuses - Gas
Figure 22:

HDLP Relay, TBC, FOG LP, LT HDLP, and RT HDLP Fuses


Object Number: 839178  Size: FS
Master Electrical Component List
IGN 3 Fuse - 1 of 2
Ignition Coils - Gas
B+ Bus Bar
B+ Bus Bar
Figure 23:

IGN 3 Fuse - 1 of 2


Object Number: 839182  Size: FS
Master Electrical Component List
IGN 3 Fuse - 2 of 2
HDLP Relay, TBC, FOG LP, LT HDLP, and RT HDLP Fuses
IGNITION, RUN, ACCESSORY, and RAP Bus Bars, RAP #1 and RAP #2 Fuses
IGN 3 Fuse - 2 of 2
Figure 24:

IGN 3 Fuse - 2 of 2


Object Number: 839185  Size: FS
Master Electrical Component List
4WD and HVAC I Fuses
IGN 3 Fuse - 1 of 2
IGN 3 Fuse - 1 of 2
Figure 25:

4WD and HVAC I Fuses


Object Number: 839190  Size: FS
Master Electrical Component List
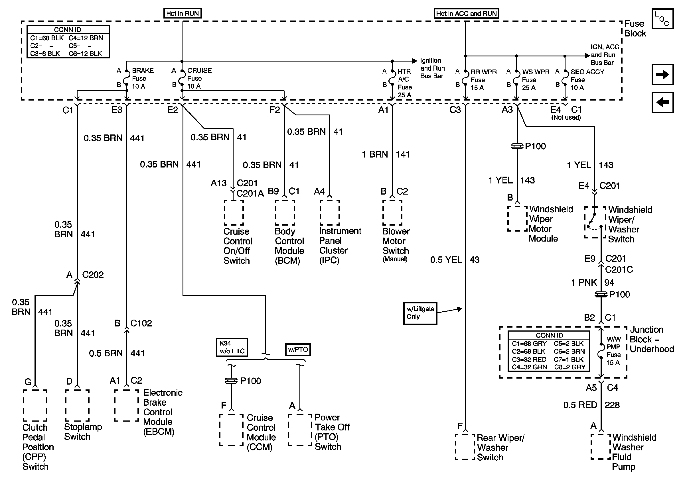
BRAKE, CRUISE, HTR A/C, RR WPR, WS WPR, and SEO ACCY Fuses
IGN 3 Fuse - 2 of 2
IGNITION, RUN, ACCESSORY, and RAP Bus Bars, RAP #1 and RAP #2 Fuses
Figure 26:

BRAKE, CRUISE, HTR A/C, RR WPR, WS WPR, and SEO ACCY Fuses


Object Number: 839200  Size: FS
Master Electrical Component List
PWR WDO Circuit Breaker, RDO I, and RAP #2 Fuses - Pickup
4WD and HVAC I Fuses
IGNITION, RUN, ACCESSORY, and RAP Bus Bars, RAP #1 and RAP #2 Fuses
IGNITION, RUN, ACCESSORY, and RAP Bus Bars, RAP #1 and RAP #2 Fuses
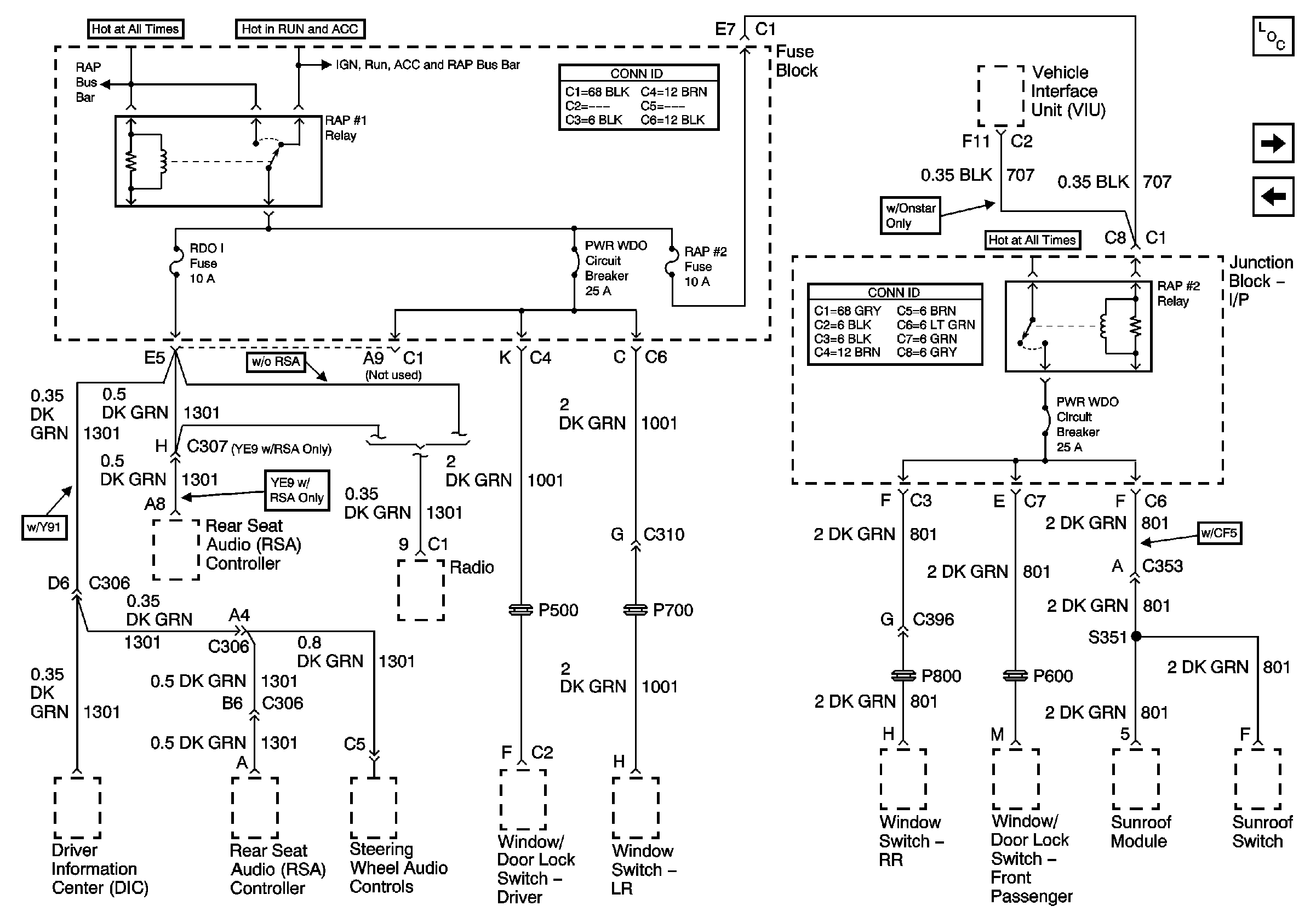
Figure 27:

PWR WDO Circuit Breaker, RDO I, and RAP #2 Fuses - Pickup


Object Number: 839205  Size: FS
Master Electrical Component List
PWR WDO Circuit Breaker, RDO I, and RAP #2 Fuses - Utility
BRAKE, CRUISE, HTR A/C, RR WPR, WS WPR, and SEO ACCY Fuses
IGNITION, RUN, ACCESSORY, and RAP Bus Bars, RAP #1 and RAP #2 Fuses
IGNITION, RUN, ACCESSORY, and RAP Bus Bars, RAP #1 and RAP #2 Fuses
Figure 28:

PWR WDO Circuit Breaker, RDO I, and RAP #2 Fuses - Utility


Object Number: 839208  Size: FS
Master Electrical Component List
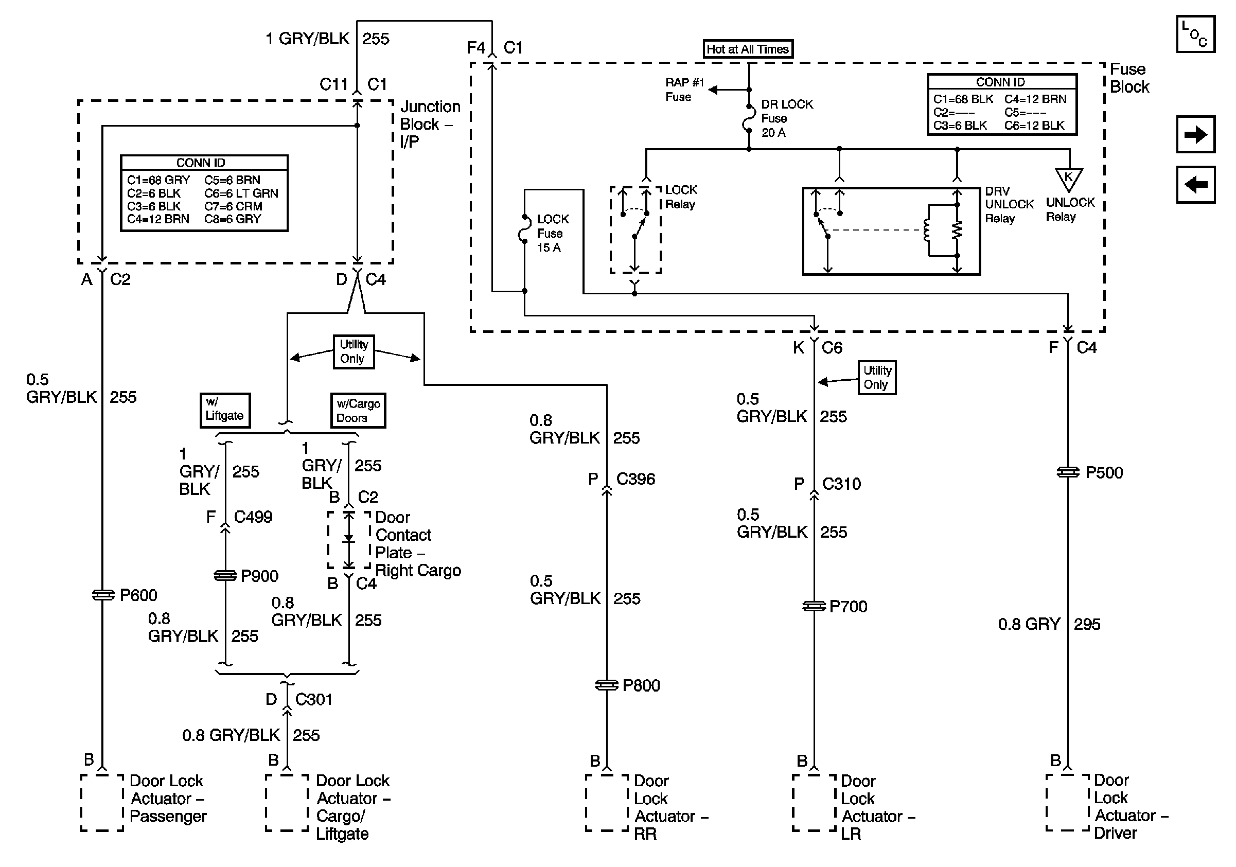
DR LOCK, UNLOCK JMPR, and UNLOCK Fuses - Base
PWR WDO Circuit Breaker, RDO I, and RAP #2 Fuses - Pickup
IGNITION, RUN, ACCESSORY, and RAP Bus Bars, RAP #1 and RAP #2 Fuses
IGNITION, RUN, ACCESSORY, and RAP Bus Bars, RAP #1 and RAP #2 Fuses
Figure 29:

DR LOCK, UNLOCK JMPR, and UNLOCK Fuses - Base


Object Number: 839212  Size: FS
Master Electrical Component List
DR LOCK and LOCK Fuses - Uplevel
PWR WDO Circuit Breaker, RDO I, and RAP #2 Fuses - Utility
IGNITION, RUN, ACCESSORY, and RAP Bus Bars, RAP #1 and RAP #2 Fuses
Figure 30:

DR LOCK and UNLOCK Fuses - Uplevel


Object Number: 839214  Size: FS
Master Electrical Component List
UNLOCK Fuse - Uplevel
DR LOCK, UNLOCK JMPR, and UNLOCK Fuses - Base
IGNITION, RUN, ACCESSORY, and RAP Bus Bars, RAP #1 and RAP #2 Fuses
UNLOCK Fuse - Uplevel
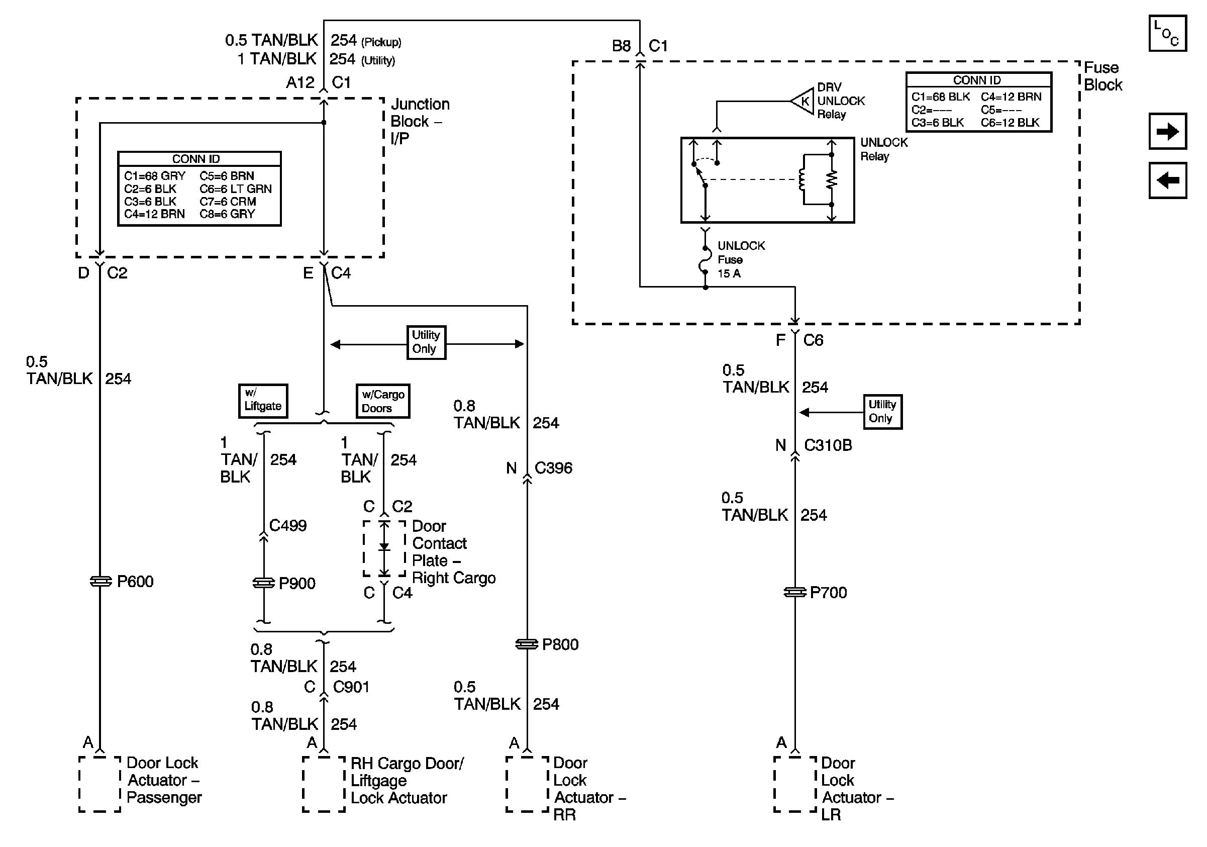
Figure 31:

UNLOCK Fuse - Uplevel


Object Number: 839217  Size: FS
Master Electrical Component List
SEATS Circuit Breaker and MIR/LOCK Fuse
DR LOCK and LOCK Fuses - Uplevel
DR LOCK and LOCK Fuses - Uplevel
Figure 32:

SEATS Circuit Breaker and MIR/LOCK Fuse


Object Number: 839218  Size: FS
Master Electrical Component List
UNLOCK Fuse - Uplevel
IGNITION, RUN, ACCESSORY, and RAP Bus Bars, RAP #1 and RAP #2 Fuses