GM Service Manual Online
For 1990-2009 cars only
Makes
🢒
Chevrolet
🢒
2001
🢒
Chevy K Silverado - 4WD
🢒
Body and Accessories
🢒
Wipers/Washer Systems
🢒 Wiper/Washer Schematics
Wiper/Washer Schematics Front
Master Electrical Component List
Wiper/Washer System Description and Operation
IGNITION, RUN, ACCESSORY, and RAP Bus Bars, RAP #1 and RAP #2 Fuses
G100 and G110
G103 and G105 - Gas
G104 - Gas
G104 - Gas
G106 - Diesel
G106 - Diesel
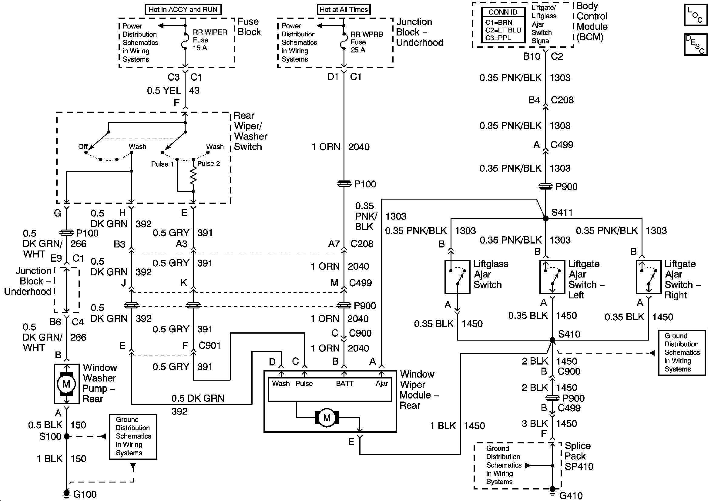
Wiper/Washer Schematics Rear
Master Electrical Component List
Rear Wiper/Washer System Description and Operation
IGNITION, RUN, ACCESSORY, and RAP Bus Bars, RAP #1 and RAP #2 Fuses
B+ Bus Bar
G100 and G110
G410 - 2 of 2
G410 - 2 of 2