GM Service Manual Online
For 1990-2009 cars only

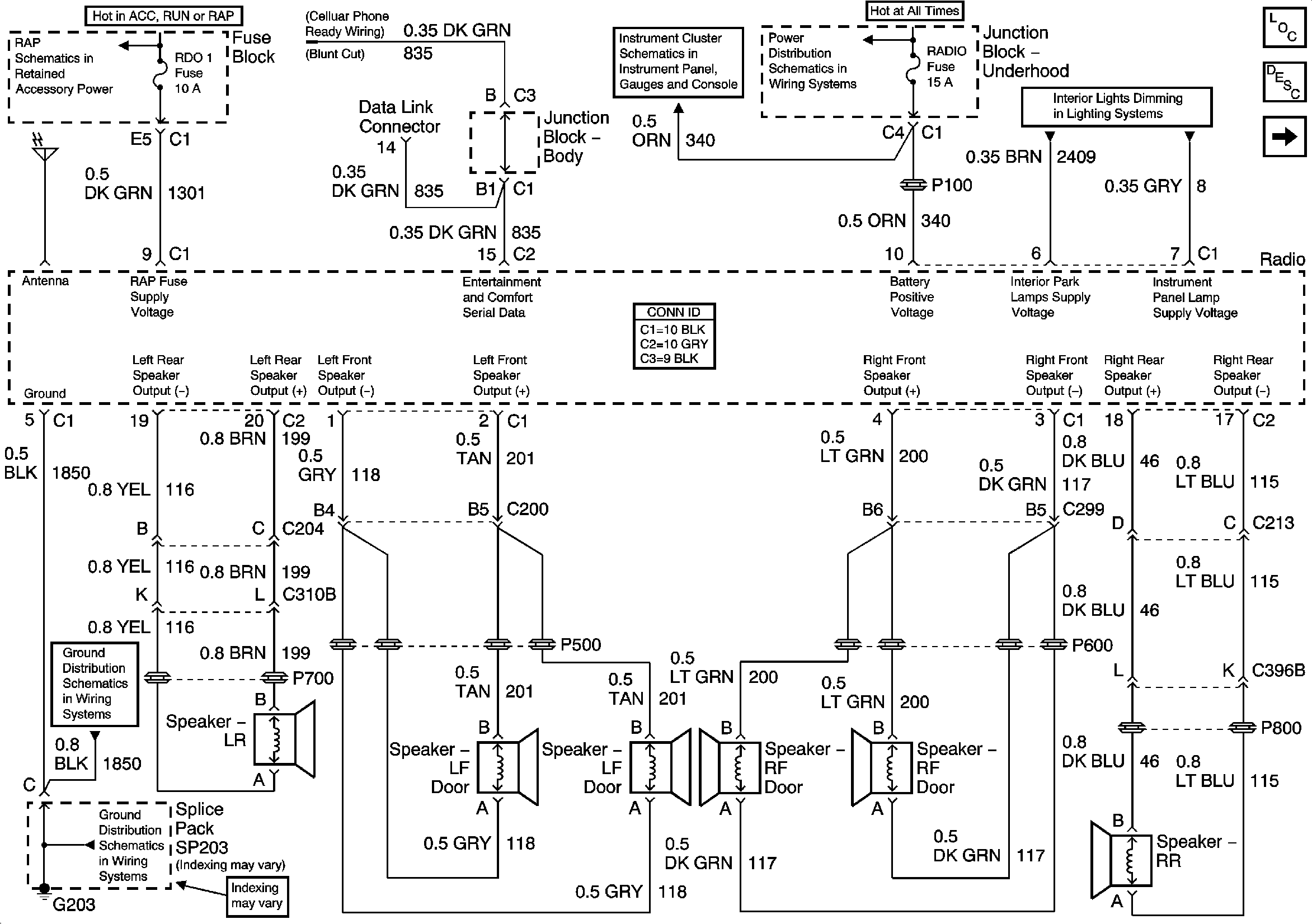
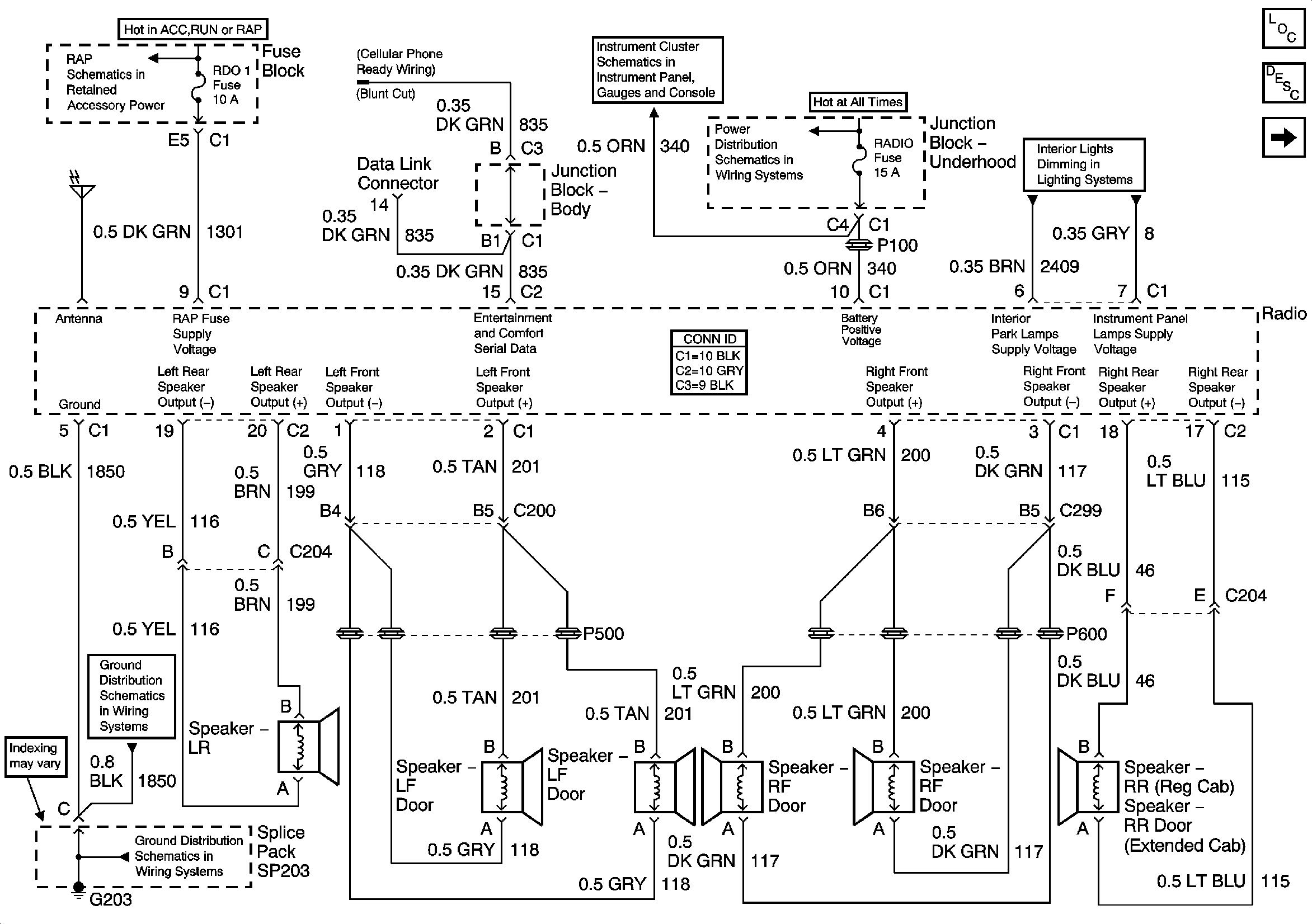
Radio/Audio System Schematics Base Pickup


Object Number: 700738  Size: FS
Master Electrical Component List
Radio/Audio System Description and Operation
IGNITION, RUN, ACCESSORY, and RAP Bus Bars, RAP #1 and RAP #2 Fuses
Power and Ground
B+ Bus Bar
Transfer Case Shift Control, Roof Beacon, and Inflatable Restraint IP Module Disable Switches, HVAC Control Module, IPC, and Radio
G203 - 1 of 4
G203 - 1 of 4

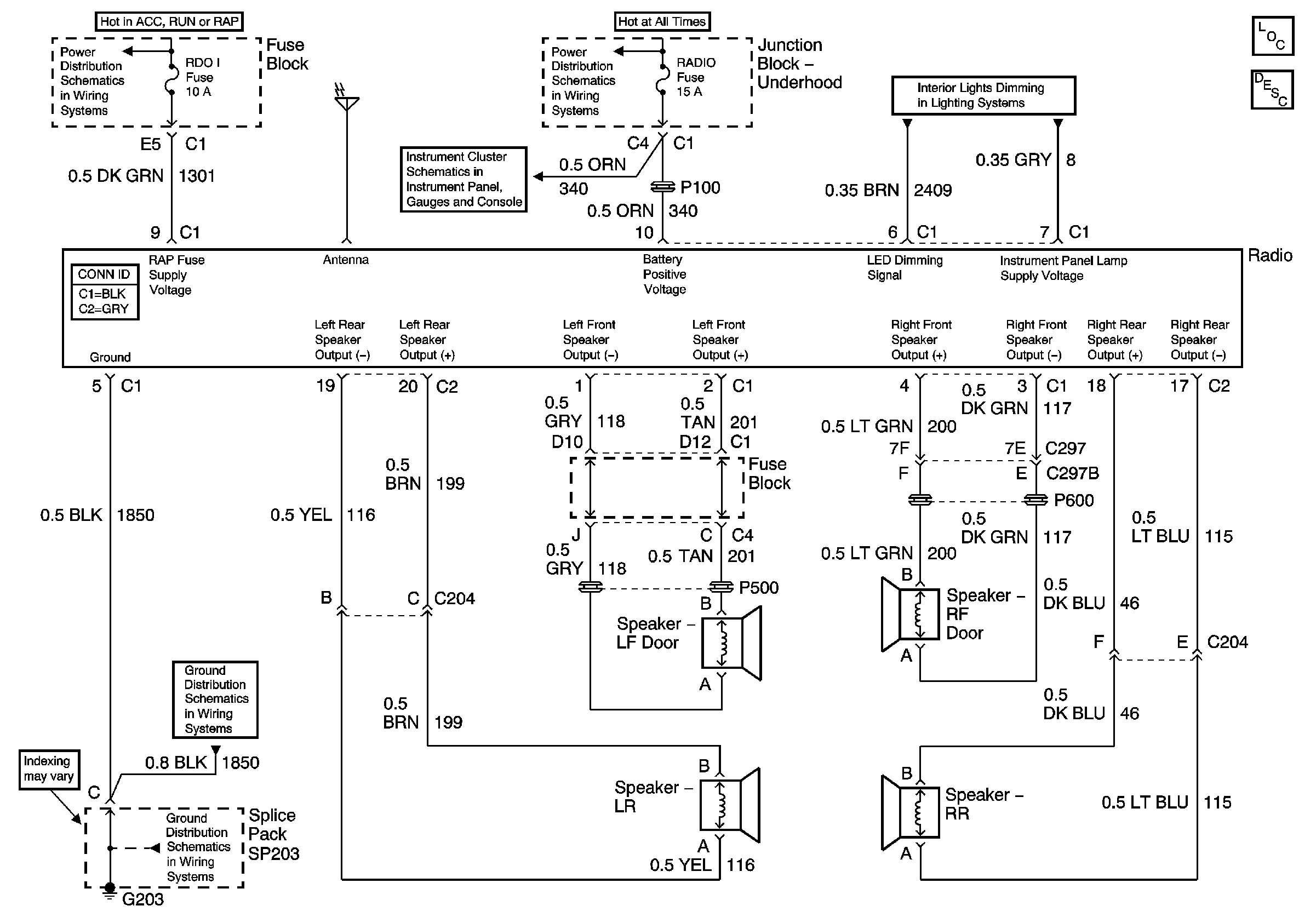
Radio/Audio System Schematics Up Level Pickup

Figure 1:

RADIO Fuse, Radio, Speakers, and SP203


Object Number: 700739  Size: FS
Master Electrical Component List
Radio/Audio System Description and Operation
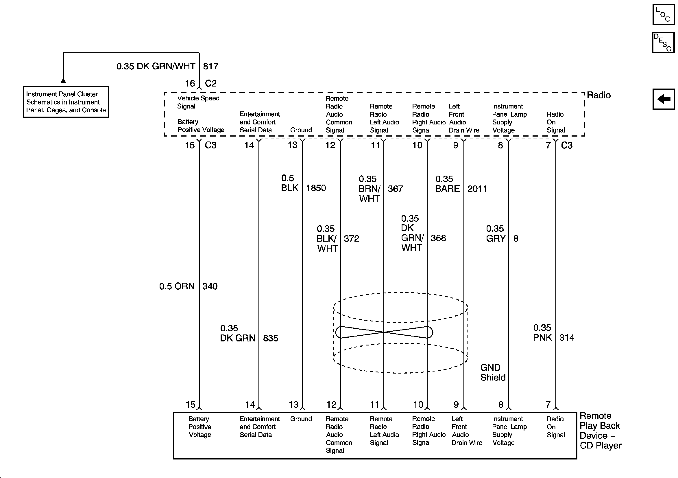
Radio, Remote Playback Device - CD Player
Pickup
Power and Ground
B+ Bus Bar
Transfer Case Shift Control, Roof Beacon, and Inflatable Restraint IP Module Disable Switches, HVAC Control Module, IPC, and Radio
G203 - 1 of 4
G203 - 1 of 4
Figure 2:

Radio, Remote Playback Device - CD Player


Object Number: 700751  Size: FS
Master Electrical Component List
Radio/Audio System Description and Operation
RADIO Fuse, Radio, Speakers, and SP203
Gauges, VSS, and Engine Oil Signals

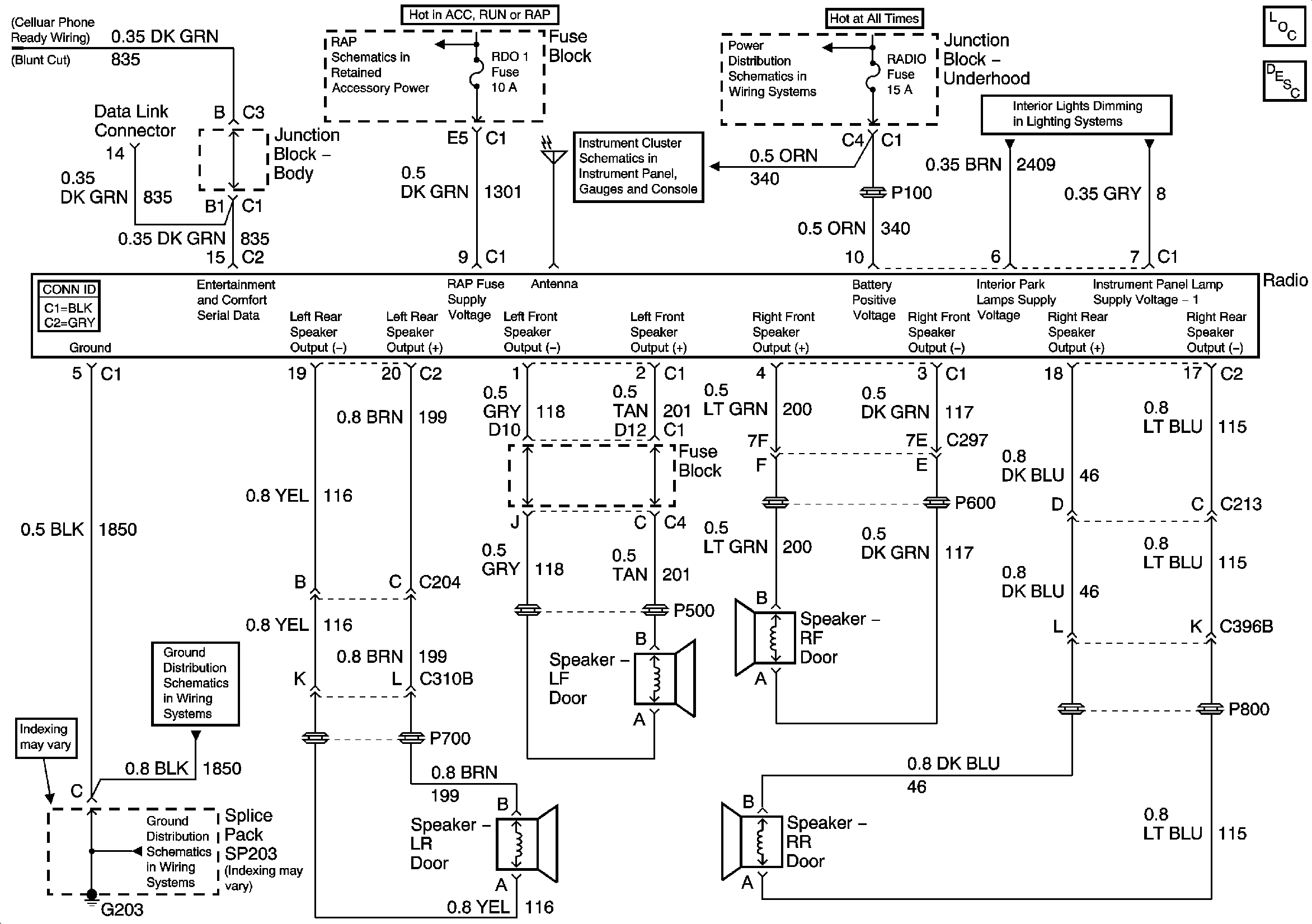
Radio/Audio System Schematics Base Crew Cab


Object Number: 700743  Size: FS
Master Electrical Component List
Radio/Audio System Description and Operation
Pickup
B+ Bus Bar
Power and Ground
Transfer Case Shift Control, Roof Beacon, and Inflatable Restraint IP Module Disable Switches, HVAC Control Module, IPC, and Radio
G203 - 1 of 4
G203 - 1 of 4

Radio/Audio System Schematics Up Level Crew Cab

Figure 1:

RADIO Fuse, Speaker - LR, Radio, Speaker - RF Door, and SP203


Object Number: 700748  Size: FS
Master Electrical Component List
Radio/Audio System Description and Operation
Radio, Remote Playback Device - CD Player
Pickup
Power and Ground
B+ Bus Bar
Transfer Case Shift Control, Roof Beacon, and Inflatable Restraint IP Module Disable Switches, HVAC Control Module, IPC, and Radio
G203 - 1 of 4
G203 - 1 of 4
Figure 2:

Radio, Remote Playback Device - CD Player


Object Number: 700751  Size: FS
Master Electrical Component List
Radio/Audio System Description and Operation
RADIO Fuse, Speaker - LR, Radio, Speaker - RF Door, and SP203
Gauges, VSS, and Engine Oil Signals

Radio/Audio System Schematics Base Utilities


Object Number: 700754  Size: FS
Master Electrical Component List
Radio/Audio System Description and Operation
Pickup
Power and Ground
B+ Bus Bar
HVAC Control Module, HVAC Control Assembly - Front Auxiliary, and Radio
G203 - 1 of 4
G203 - 1 of 4

Radio/Audio System Schematics Up Level Utilities (w/o RSA)

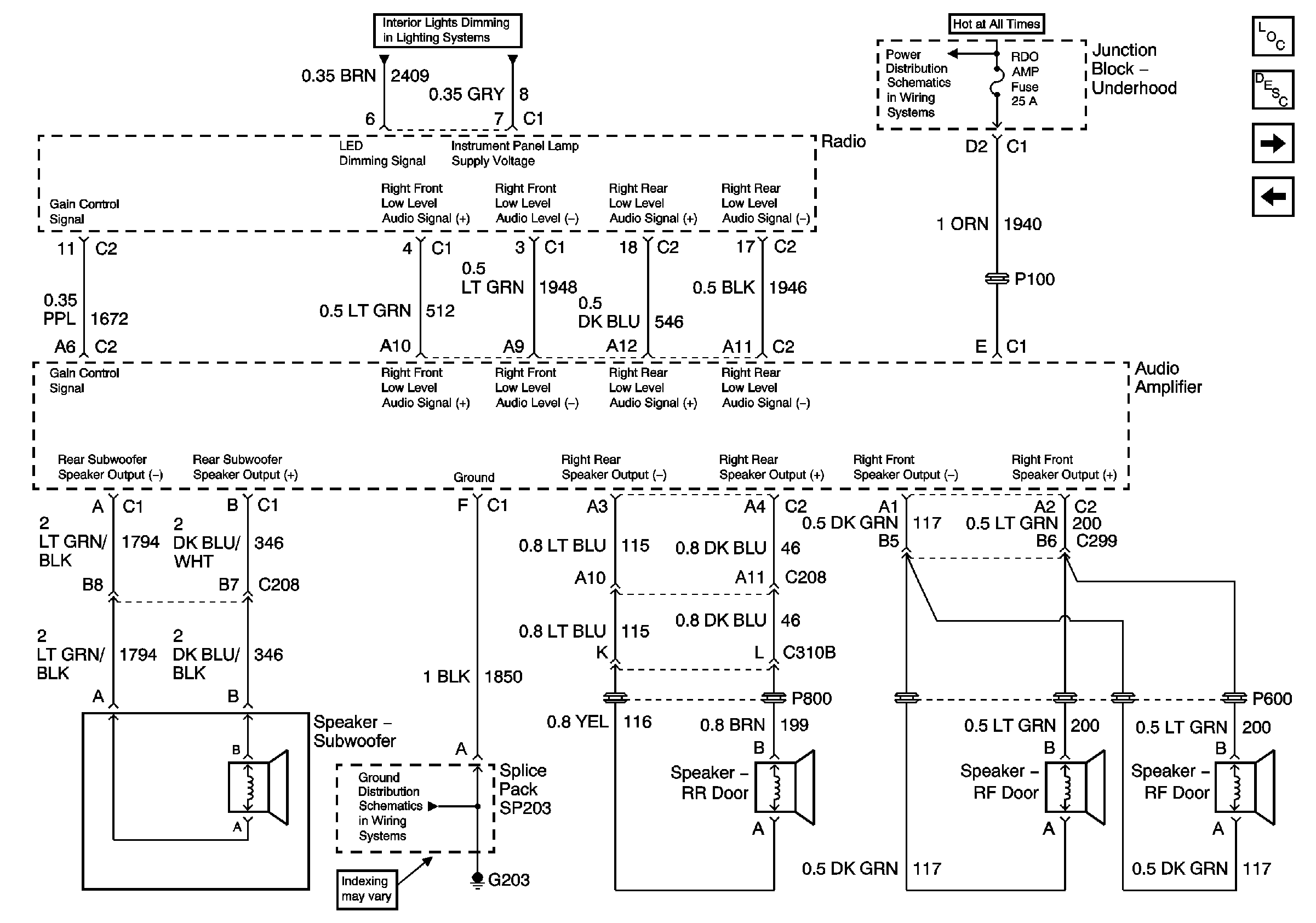
Figure 1:

Power, Ground, and Audio Amplifier


Object Number: 700757  Size: FS
Master Electrical Component List
Radio/Audio System Description and Operation
Radio, RDO AMP Fuse, Audio Amplifier and Speaker - Subwoofer
IGNITION, RUN, ACCESSORY, and RAP Bus Bars, RAP #1 and RAP #2 Fuses
Power and Ground
B+ Bus Bar
Remote Playback Device - CD Player, Vehicle Interface Unit, and Entertainment and Comfort Serial Data
G203 - 1 of 4
G203 - 1 of 4
Figure 2:

Radio, RDO AMP Fuse, Audio Amplifier, and Speaker - Subwoofer


Object Number: 700759  Size: FS
Master Electrical Component List
Radio/Audio System Description and Operation
Remote Playback Device - CD Player, Vehicle Interface Unit, and Entertainment and Comfort Serial Data
Power, Ground, and Audio Amplifier
HVAC Control Module, HVAC Control Assembly - Front Auxiliary, and Radio
B+ Bus Bar
G203 - 1 of 4
Figure 3:

Remote Playback Device - CD Player, Vehicle Interface Unit, and Entertainment and Comfort Serial Data


Object Number: 700764  Size: FS
Master Electrical Component List
Radio/Audio System Description and Operation
Radio, RDO AMP Fuse, Audio Amplifier and Speaker - Subwoofer
Power and Ground
Power, Ground, and Audio Amplifier

Radio/Audio System Schematics Up Level Utilities (w/RSA)

Figure 1:

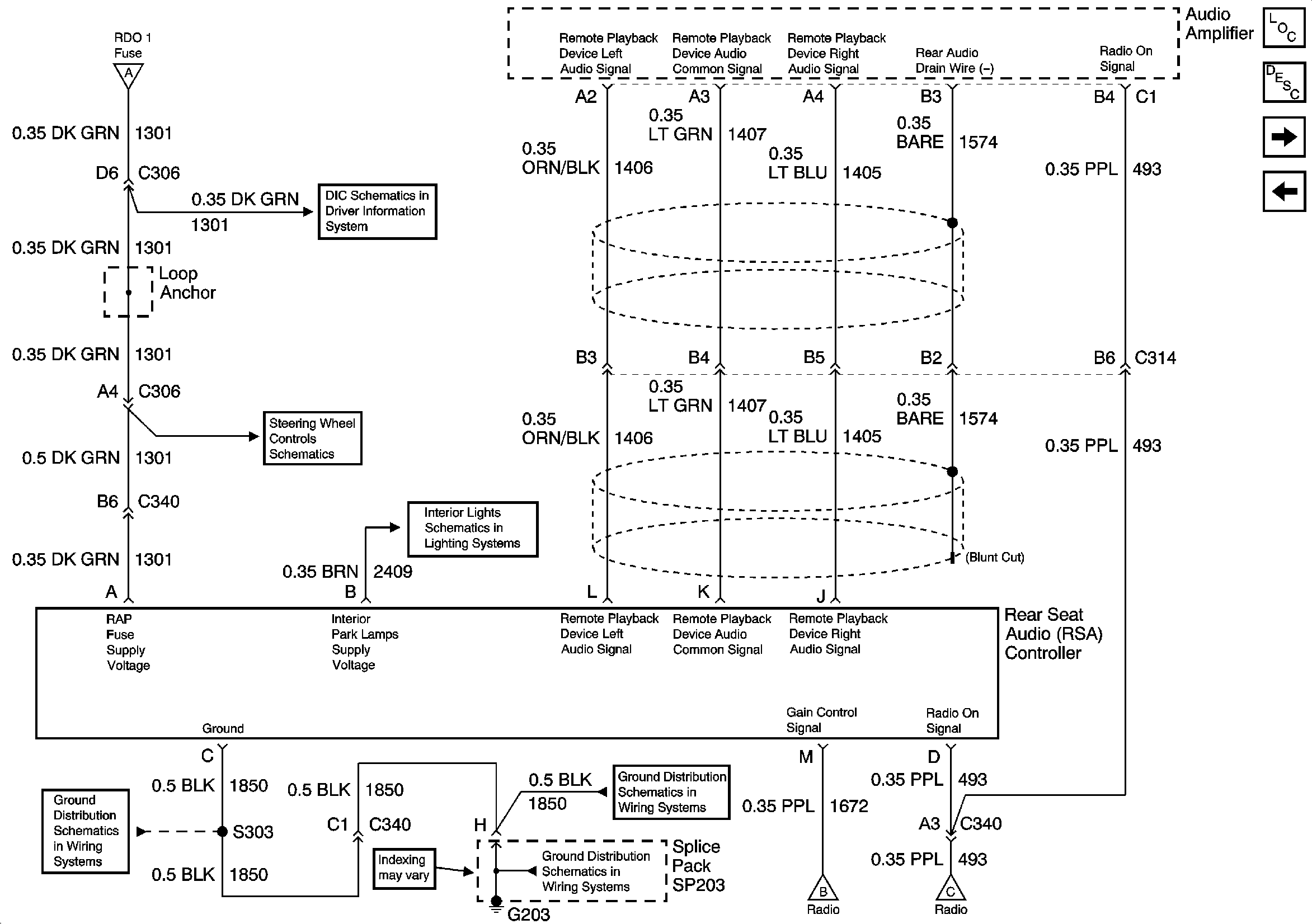
RADIO Fuse, Radio, Rear Seat Audio Controller, and SP203


Object Number: 700760  Size: FS
Master Electrical Component List
Radio/Audio System Description and Operation
Radio, Audio Amplifier, Speakers and RDO AMP Fuse
IGNITION, RUN, ACCESSORY, and RAP Bus Bars, RAP #1 and RAP #2 Fuses
Rear Seat Audio Controller and Radio
Power and Ground
B+ Bus Bar
G203 - 1 of 4
G203 - 1 of 4
Radio, Audio Amplifier, Speakers and RDO AMP Fuse
Radio, Audio Amplifier, Speakers and RDO AMP Fuse
Radio, Audio Amplifier, Speakers and RDO AMP Fuse
Radio, Audio Amplifier, Speakers and RDO AMP Fuse
Figure 2:

Radio, Audio Amplifier, Speakers and RDO AMP Fuse


Object Number: 700761  Size: FS
Master Electrical Component List
Radio/Audio System Description and Operation
Radio, Audio Amplifier, Speaker - Subwoofer and Speaker -RR Door
RADIO Fuse, Radio, Rear Seat Audio Controller and SP203
RADIO Fuse, Radio, Rear Seat Audio Controller and SP203
RADIO Fuse, Radio, Rear Seat Audio Controller and SP203
RADIO Fuse, Radio, Rear Seat Audio Controller and SP203
RADIO Fuse, Radio, Rear Seat Audio Controller and SP203
B+ Bus Bar
G203 - 1 of 4
Radio, Remote Playback Device - CD Player, and Vehicle Interface Unit (VIU)
Figure 3:

Radio, Audio Amplifier, Speaker - Subwoofer and Speaker - RR Door


Object Number: 700762  Size: FS
Master Electrical Component List
Radio/Audio System Description and Operation
Radio, Remote Playback Device - CD Player, and Vehicle Interface Unit (VIU)
Radio, Audio Amplifier, Speakers and RDO AMP Fuse
Figure 4:

Radio, Remote Playback Device - CD Player, and Vehicle Interface Unit (VIU)


Object Number: 700764  Size: FS
Master Electrical Component List
Radio/Audio System Description and Operation
Radio, Audio Amplifier, Speaker - Subwoofer and Speaker -RR Door
Gauges, VSS, and Engine Oil Signals
Radio, Audio Amplifier, Speakers and RDO AMP Fuse

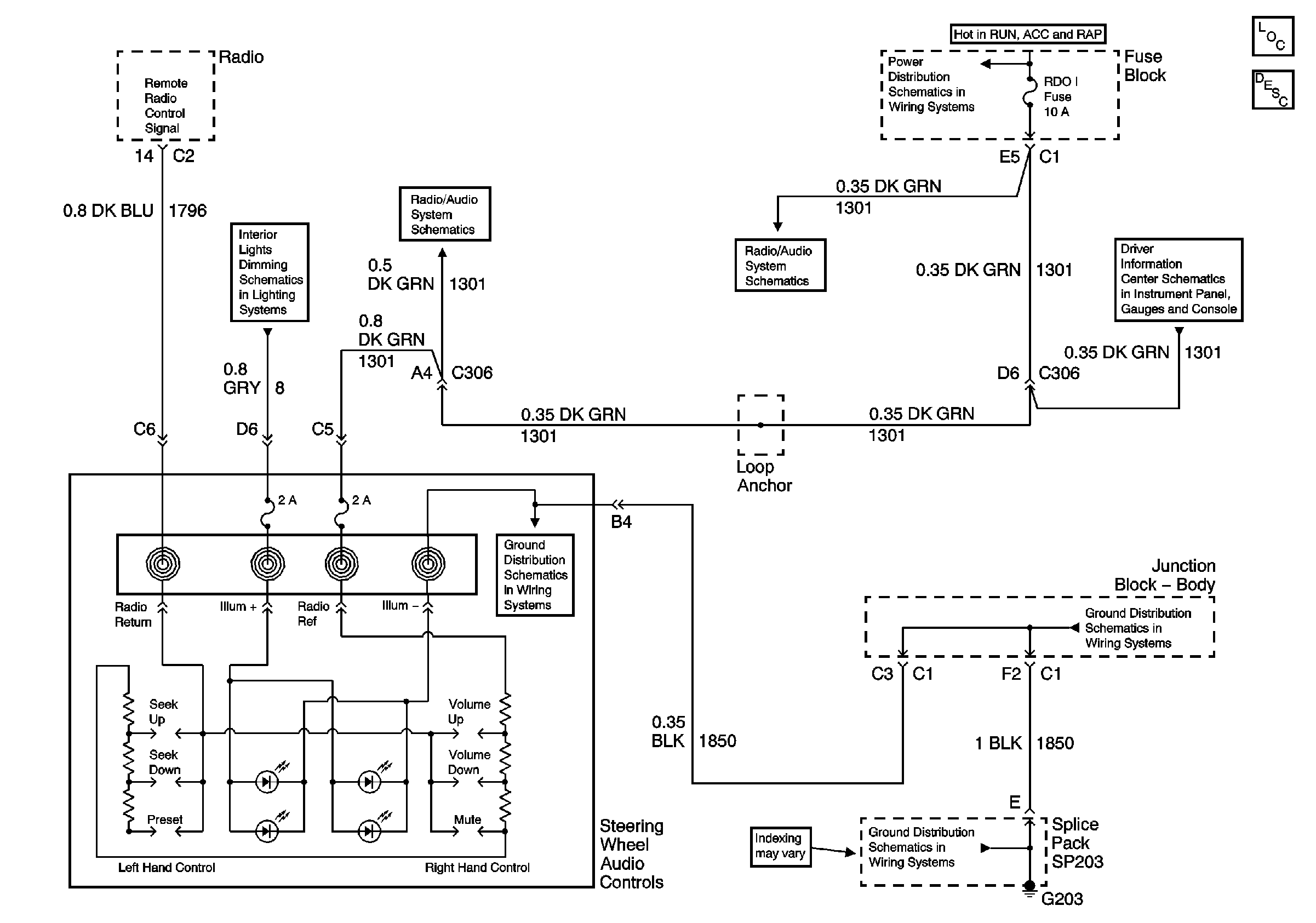
Radio/Audio System Schematics Steering Wheel Controls


Object Number: 741485  Size: FS
Master Electrical Component List
Radio/Audio System Description and Operation
HVAC Control Module, HVAC Control Assembly - Front Auxiliary, and Radio
RADIO Fuse, Radio, Rear Seat Audio Controller and SP203
IGNITION, RUN, ACCESSORY, and RAP Bus Bars, RAP #1 and RAP #2 Fuses
RADIO Fuse, Radio, Rear Seat Audio Controller and SP203
Driver Information System Schematics
G203 - 4 of 4 - Utility and Uplevel Pickup
G203 - 1 of 4

Radio/Audio System Schematics Luxury

Figure 1:

Radio, VIU, Remote Playback Device-CD Player


Object Number: 741662  Size: FS
Master Electrical Component List
Radio/Audio System Description and Operation
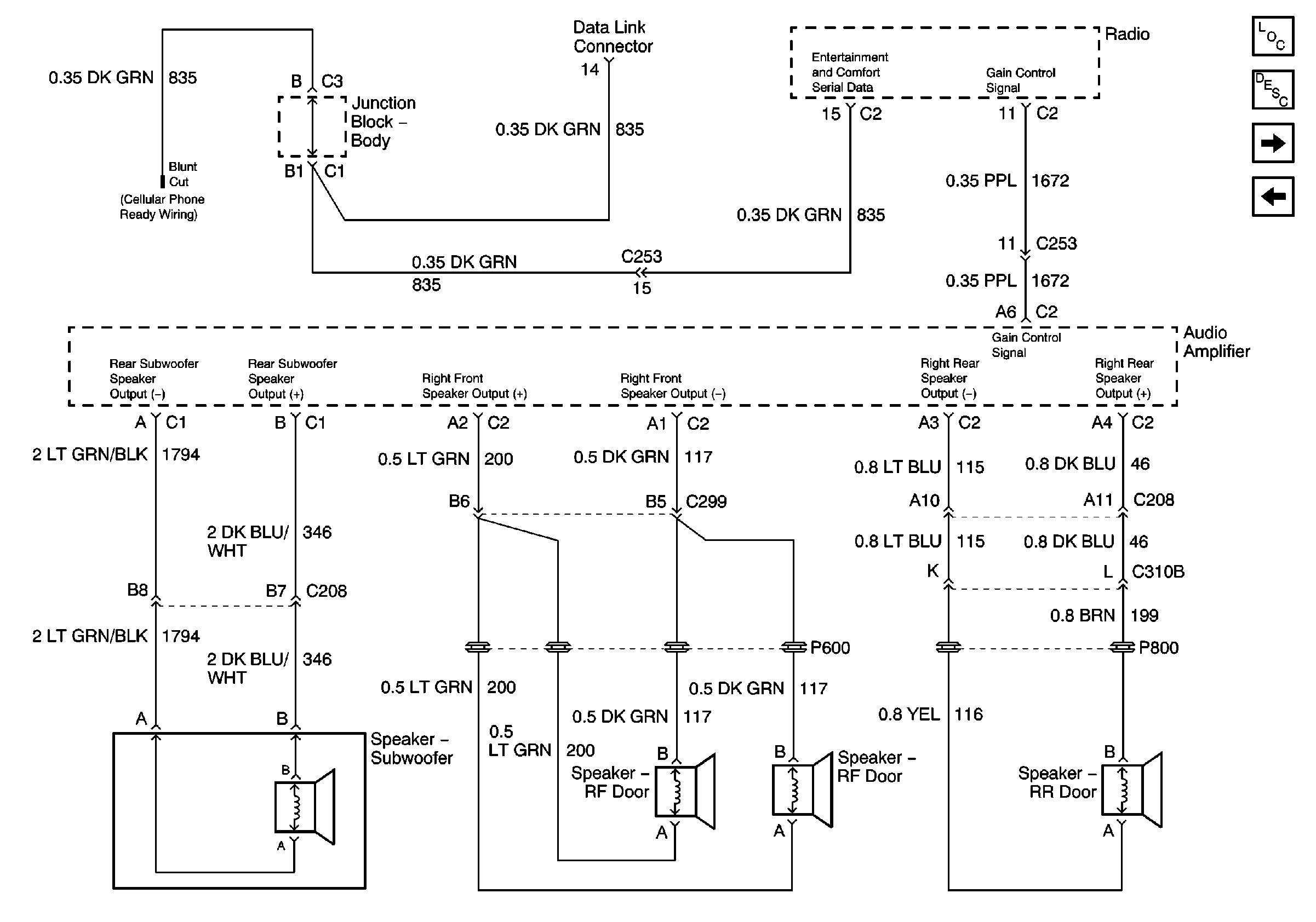
Radio, Audio Amplifier, G200
Pickup
B+ Bus Bar
Power and Ground
HVAC Control Module, HVAC Control Assembly - Front Auxiliary, and Radio
Vehicle Interface Unit (VIU), Radio and Remote CD Player
RSA Controller, SP203, G203
Figure 2:

Radio, Audio Amplifier, G200


Object Number: 741663  Size: FS
Master Electrical Component List
Radio/Audio System Description and Operation
RSA Controller, SP203, G203
Radio, VIU, Remote Playback Device-CD Player
Fuse Block, Radio, Steering Wheel Audio Controls, SP203
Gauges, VSS, and Engine Oil Signals
RSA Controller, SP203, G203
RSA Controller, SP203, G203
B+ Bus Bar
G200 - 1 of 2
G200 - 1 of 2
Figure 3:

RSA Controller, SP203, G203


Object Number: 742358  Size: FS
Master Electrical Component List
Radio/Audio System Description and Operation
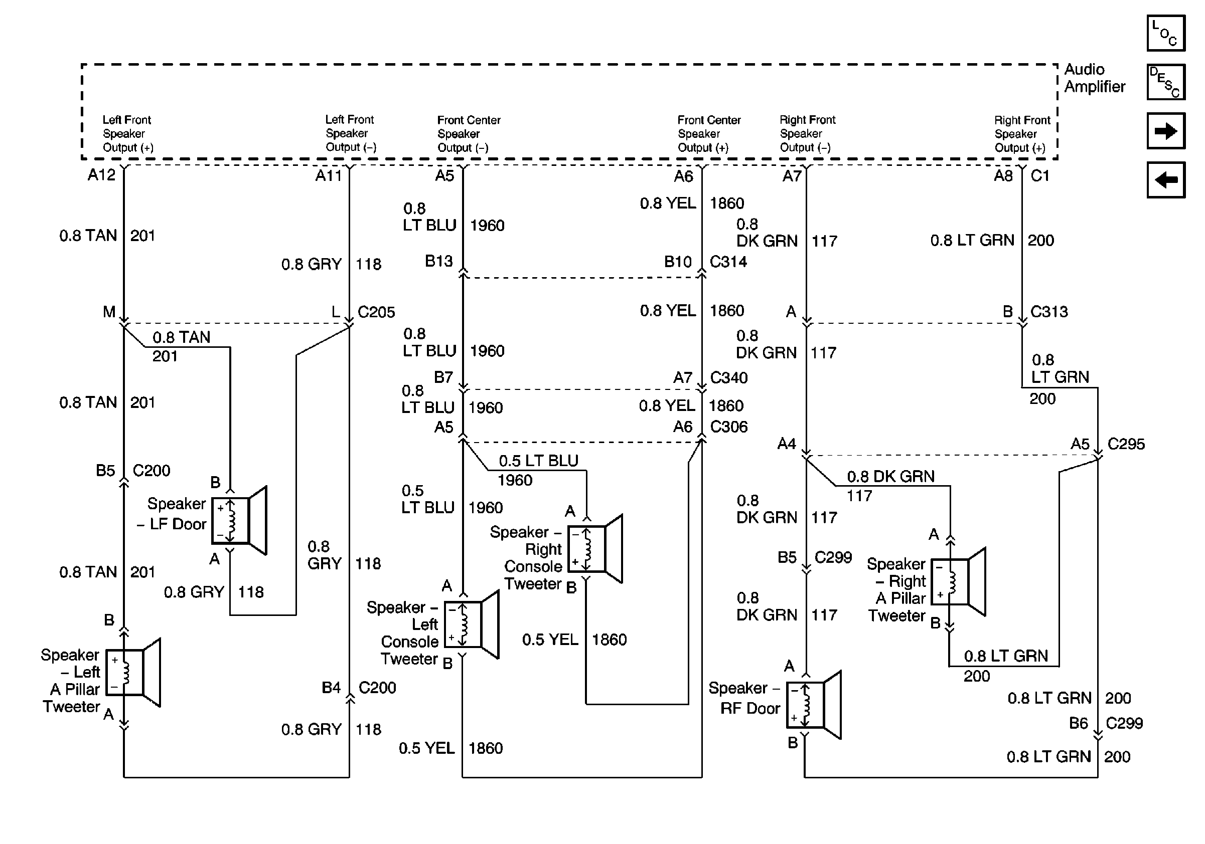
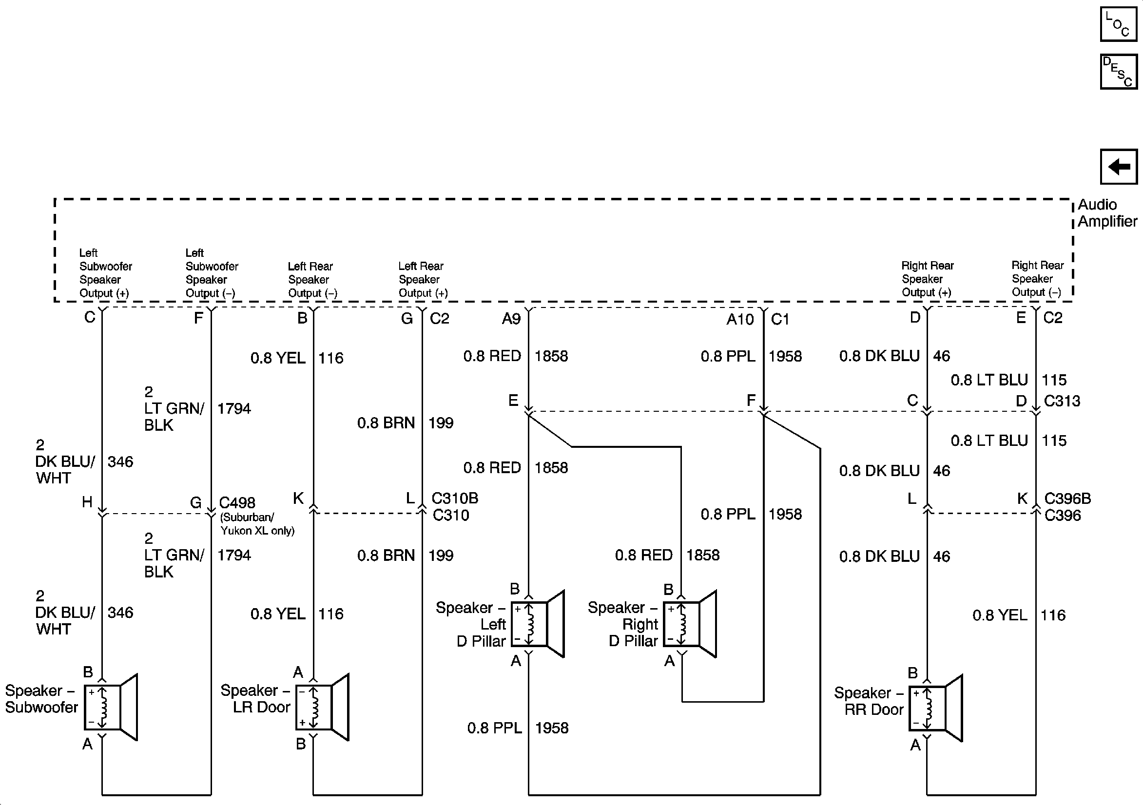
Audio Amplifier, Speakers, Tweeters
Radio, Audio Amplifier, G200
Radio, VIU, Remote Playback Device-CD Player
Driver Information System Schematics
Fuse Block, Radio, Steering Wheel Audio Controls, SP203
PARK LPS Fuse, Parklamp Relay, Door Lock Switch-Driver, Heated Seat Switches, and Ashtray Lamp
G203 - 1 of 4
G203 - 1 of 4
G203 - 1 of 4
Radio, Audio Amplifier, G200
Radio, Audio Amplifier, G200
Figure 4:

Audio Amplifier, Speakers, Tweeters


Object Number: 742360  Size: FS
Master Electrical Component List
Radio/Audio System Description and Operation
Speaker, Twiddlers, Audio Amplifier
RSA Controller, SP203, G203
Figure 5:

Speaker, Twiddlers, Audio Amplifier


Object Number: 742363  Size: FS
Master Electrical Component List
Radio/Audio System Description and Operation
Audio Amplifier, Speakers, Tweeters