GM Service Manual Online
For 1990-2009 cars only
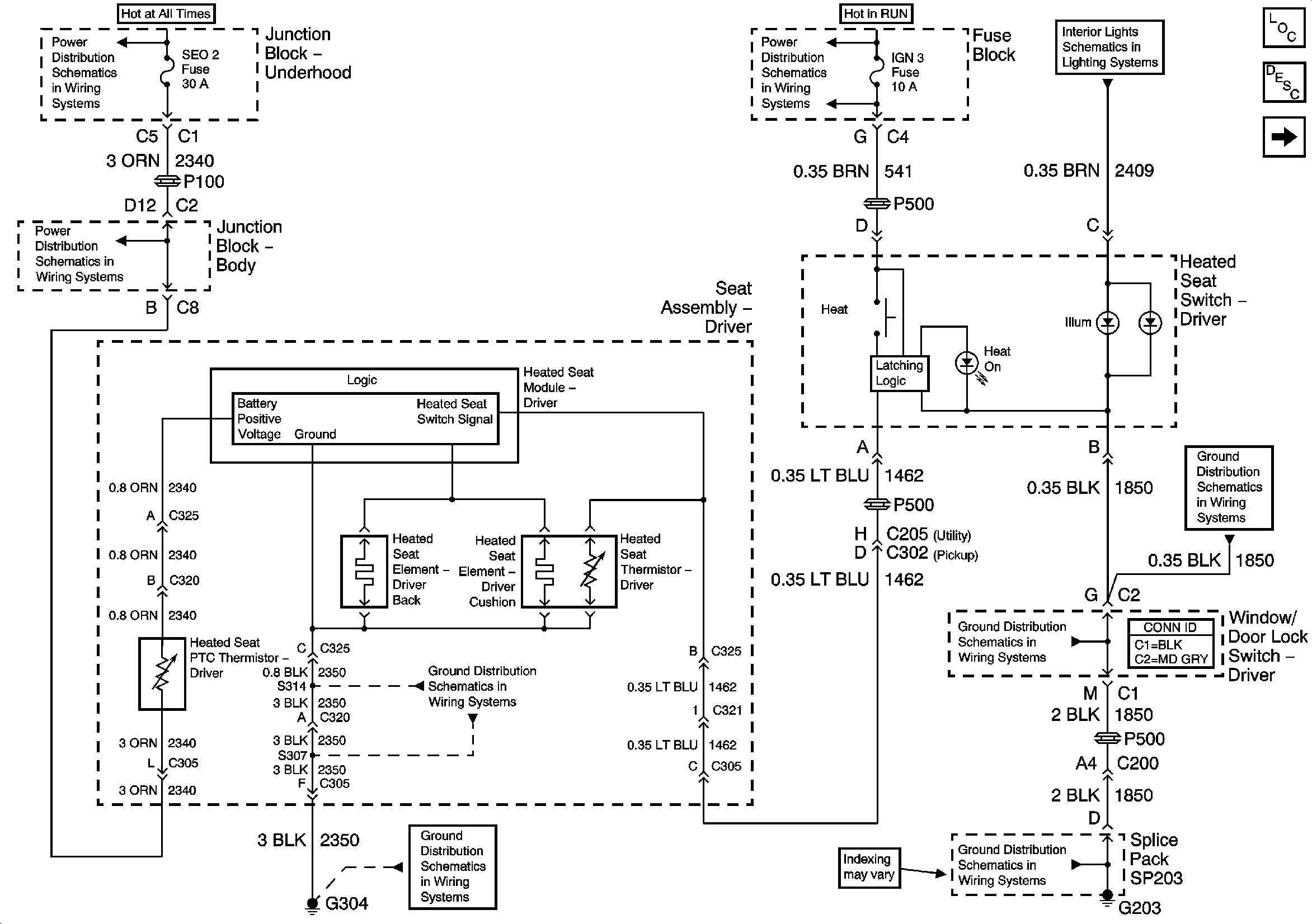
Figure 1:

Driver


Object Number: 701572  Size: FS
Master Electrical Component List
Heated Seats Description and Operation
Front Passenger
B+ Bus Bar
IGNITION, RUN, ACCESSORY, and RAP Bus Bars, RAP #1 and RAP #2 Fuses
PARK LPS Fuse, Parklamp Relay, Door Lock Switch-Driver, Heated Seat Switches, and Ashtray Lamp
SEO 1, SEO 2, AND AUX PWR Fuses
G304
G304
G203 - 2 of 4
G203 - 2 of 4
G203 - 1 of 4
Figure 2:

Front Passenger


Object Number: 701577  Size: FS
Master Electrical Component List
Heated Seats Description and Operation
Left Rear Heated Seats
Driver
B+ Bus Bar
IGNITION, RUN, ACCESSORY, and RAP Bus Bars, RAP #1 and RAP #2 Fuses
SEO 1, SEO 2, AND AUX PWR Fuses
Door Lock Switch - Front Passenger, Window Switches LR/RR, and Sunroof Switch
IGN 3 Fuse - 1 of 2
G304
G200 - 2 of 2
G304
G200 - 1 of 2
G200 - 1 of 2
Figure 3:

Left Rear Heated Seats


Object Number: 741020  Size: FS
Master Electrical Component List
Heated Seats Description and Operation
Right Rear Heated Seats
Front Passenger
B+ Bus Bar
IGNITION, RUN, ACCESSORY, and RAP Bus Bars, RAP #1 and RAP #2 Fuses
SEO 1, SEO 2, AND AUX PWR Fuses
IGN 3 Fuse - 1 of 2
Right Rear Heated Seats
PARK LPS Fuse, Parklamp Relay, Door Lock Switch-Driver, Heated Seat Switches, and Ashtray Lamp
PARK LPS Fuse, Parklamp Relay, Door Lock Switch-Driver, Heated Seat Switches, and Ashtray Lamp
G305 and G306
G203 - 1 of 4
G203 - 1 of 4
Figure 4:

Right Rear Heated Seats


Object Number: 741022  Size: FS
Master Electrical Component List
Heated Seats Description and Operation
Left Rear Heated Seats
B+ Bus Bar
Left Rear Heated Seats
PARK LPS Fuse, Parklamp Relay, Door Lock Switch-Driver, Heated Seat Switches, and Ashtray Lamp
SEO 1, SEO 2, AND AUX PWR Fuses
G203 - 1 of 4
G305 and G306
G203 - 1 of 4
G203 - 1 of 4