GM Service Manual Online
For 1990-2009 cars only

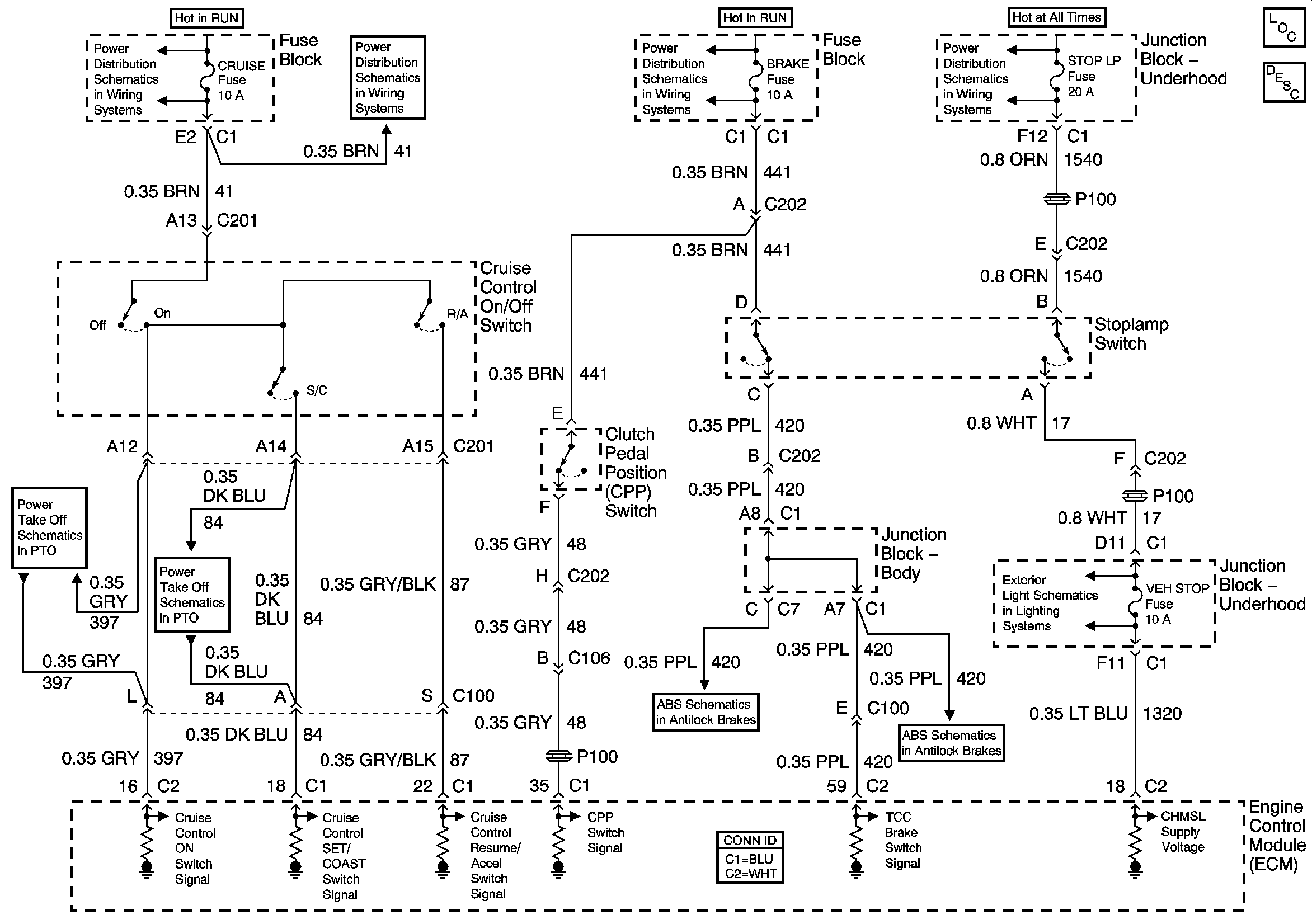
Cruise Control Schematics Gas w/o ETC

Figure 1:

Cruise Control Module (CCM) and Cruise Control On/Off Switch


Object Number: 666314  Size: FS
Master Electrical Component List
Cruise Control Description and Operation w/o ETC
Cruise Control Module (CCM), Clutch Pedal Position (CPP) Switch, Stoplamp Switch
IGNITION, RUN, ACCESSORY, and RAP Bus Bars, RAP #1 and RAP #2 Fuses
IGNITION, RUN, and START Bus Bar
IGN 1, AIR BAG, and SEO IGN Fuses
Indicators and Serial Data
SP205
G103 and G105 - Gas
G103 and G105 - Gas
Figure 2:

Cruise Control Module (CCM), Clutch Pedal Position (CPP) Switch, Stoplamp Switch


Object Number: 666321  Size: FS
Master Electrical Component List
Cruise Control Description and Operation w/o ETC
Cruise Control Module (CCM) and Cruise Control On/Off Switch
IGNITION, RUN, ACCESSORY, and RAP Bus Bars, RAP #1 and RAP #2 Fuses
B+ Bus Bar
BRAKE, CRUISE, HTR A/C, RR WPR, WS WPR, and SEO ACCY Fuses
STOP LPS, HAZ LP and TURN Fuses, Stoplamp Switch, VEH STOP and CHMSL Fuses
Gauges, VSS, and Engine Oil Signals
Power, Ground, Serial Data - w/o Traction Assist
STOP LPS, HAZ LP and TURN Fuses, Stoplamp Switch, VEH STOP and CHMSL Fuses

Cruise Control Schematics Gas w/ETC

Figure 1:

Throttle Actuautor Control (TAC) Module, ETC Fuse, Throttle Position Sensor


Object Number: 849702  Size: FS
Master Electrical Component List
Cruise Control Description and Operation w/o ETC
Cruise Control ON/OFF Switch, STOP LPS Fuse, and Accelerator Pedal Position (APP) Sensor
IGN 1 Relay, and ECM 1, ETC, INJA, INJB Fuses - Gas
G103 and G105 - Gas
Figure 2:

Cruise Control ON/OFF Switch, STOP LPS Fuse, and Accelerator Pedal Position (APP) Sensor


Object Number: 849703  Size: FS
Master Electrical Component List
Cruise Control Description and Operation w/o ETC
Throttle Actuator Control (TAC) Module, ETC Fuse, Throttle Position Sensor
IGNITION, RUN, ACCESSORY, and RAP Bus Bars, RAP #1 and RAP #2 Fuses
B+ Bus Bar
BRAKE, CRUISE, HTR A/C, RR WPR, WS WPR, and SEO ACCY Fuses
STOP LPS, HAZ LP, and TURN Fuses
STOP LPS, HAZ LP, and TURN Fuses

Cruise Control Schematics Diesel Only


Object Number: 738660  Size: FS
Master Electrical Component List
Cruise Control Description and Operation Diesel
IGNITION, RUN, ACCESSORY, and RAP Bus Bars, RAP #1 and RAP #2 Fuses
BRAKE, CRUISE, HTR A/C, RR WPR, WS WPR, and SEO ACCY Fuses
IGNITION, RUN, ACCESSORY, and RAP Bus Bars, RAP #1 and RAP #2 Fuses
B+ Bus Bar
Fuse Block, PTO Switch and Relay, ECM, SP203, G203
Fuse Block, PTO Switch and Relay, ECM, SP203, G203
Power, Ground, Serial Data - w/o Traction Assist
Power, Ground, Serial Data - w/o Traction Assist
STOP LPS, HAZ LP, and TURN Fuses