GM Service Manual Online
For 1990-2009 cars only
Makes
🢒
Chevrolet
🢒
2001
🢒
Chevy K Silverado - 4WD
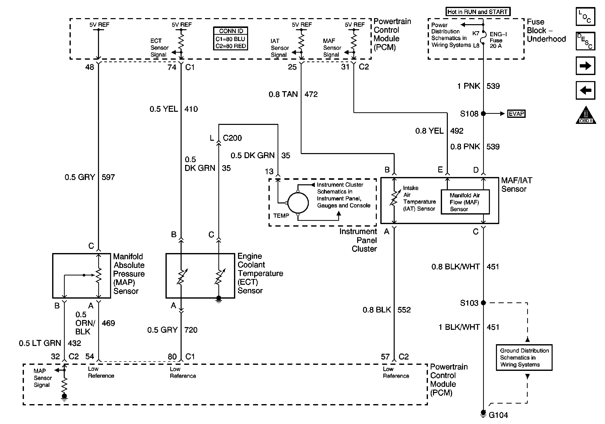
🢒 MAP, ECT, and Air Meter (IAC&MAF)
MAP, ECT, and Air Meter (IAC&MAF)
MAP, ECT, and Air Meter (IAC&MAF)
Master Electrical Component List
Powertrain Control Module Description
HO2S Circuit
Fuel Injector Controls
OBD II Symbol Description Notice
IGN A Fuse and Ignition Switch
EVAP and EGR
G104, L18, 1 of 2, All Except HO2S Circuit
Oil Pressure, Coolant Temperature, and Voltage Gauges, Battery and Check Gauges Indicators