GM Service Manual Online
For 1990-2009 cars only
Makes
🢒
Chevrolet
🢒
2001
🢒
Chevy K Silverado - 4WD
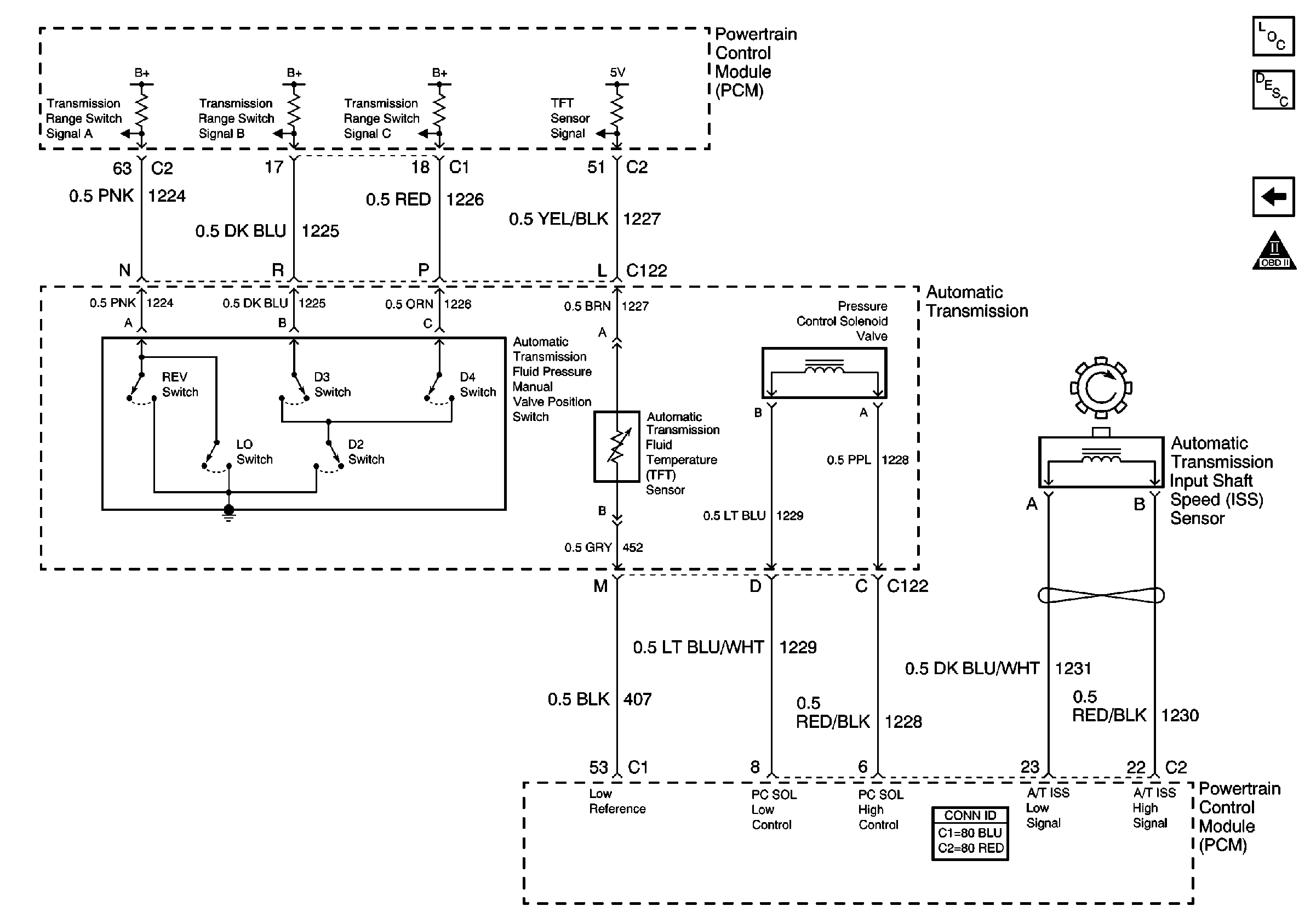
🢒 A/T Internal Switches, TFT, PC Solenoid Valve
A/T Internal Switches, TFT, PC Solenoid Valve
A/T Internal Switches, TFT, PC Solenoid Valve
Master Electrical Component List
Electronic Component Description
A/T TCC/Stop Lamp Switch, Shift Solenoids
OBD II Symbol Description Notice