GM Service Manual Online
For 1990-2009 cars only
Makes
🢒
Chevrolet
🢒
2001
🢒
Chevy K Silverado - 4WD
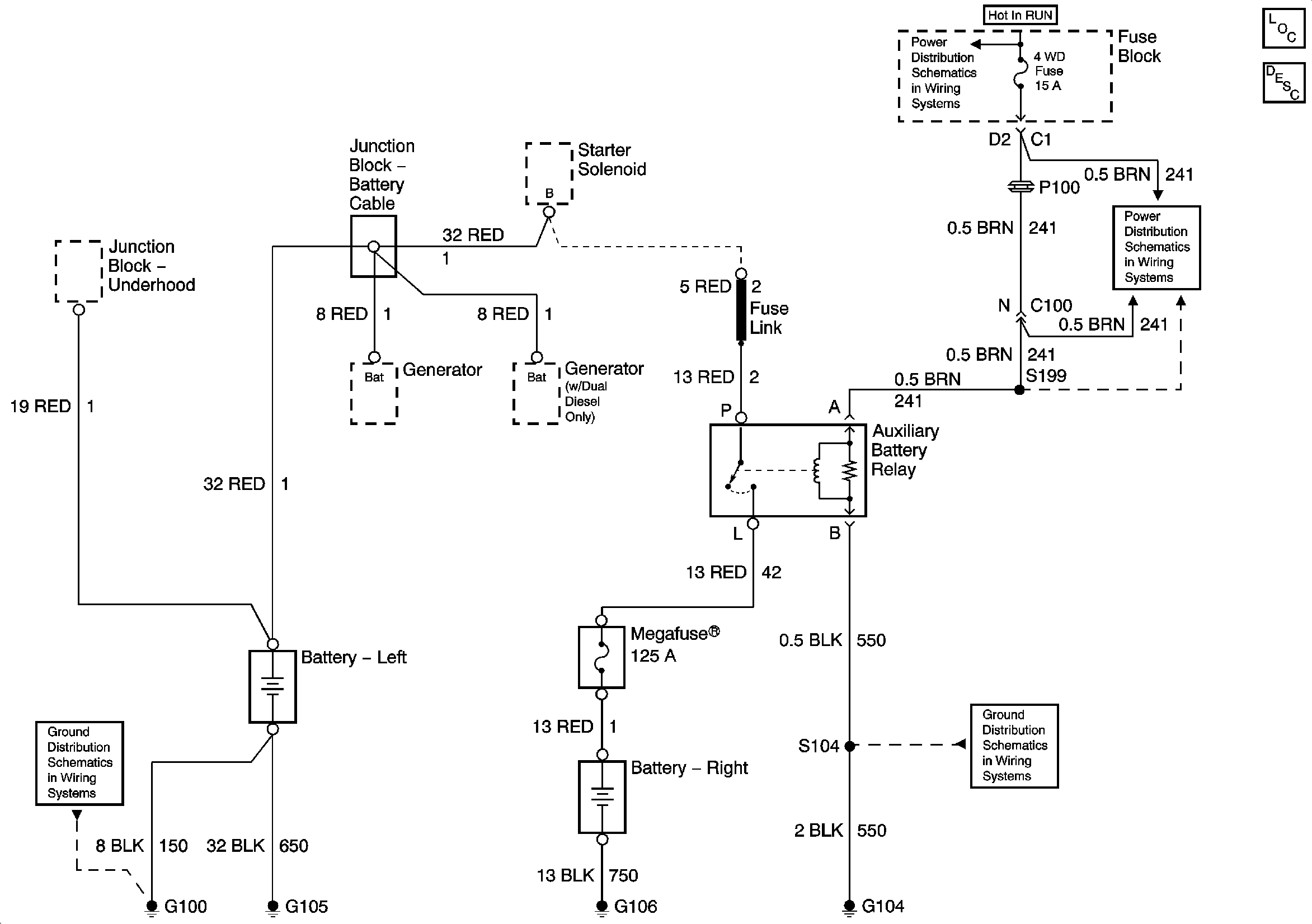
🢒 Auxiliary Battery Schematics
Auxiliary Battery Schematics
Master Electrical Component List
Battery Description and Operation
IGNITION, RUN, ACCESSORY, and RAP Bus Bars, RAP #1 and RAP #2 Fuses
4WD and HVAC I Fuses
G100 and G110
G104 - Gas