GM Service Manual Online
For 1990-2009 cars only
Makes
🢒
Chevrolet
🢒
2001
🢒
Chevy K Silverado - 4WD
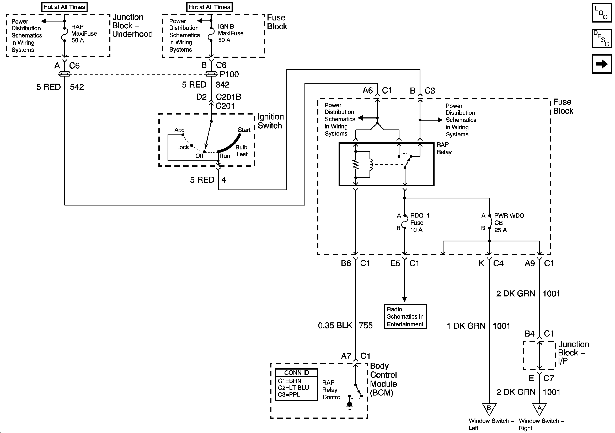
🢒 RAP Relay, BCM, Ignition Switch
RAP Relay, BCM, Ignition Switch
RAP Relay, BCM, Ignition Switch
Master Electrical Component List
Power Windows Description and Operation
Window/Door Lock Switch, Window Relays, G200
B+ Bus Bar
IGNITION, RUN, ACCESSORY, and RAP Bus Bars, RAP #1 and RAP #2 Fuses
IGNITION, RUN, ACCESSORY, and RAP Bus Bars, RAP #1 and RAP #2 Fuses
IGNITION, RUN, ACCESSORY, and RAP Bus Bars, RAP #1 and RAP #2 Fuses
Window/Door Lock Switch, Window Relays, G200
Window/Door Lock Switch, Window Relays, G200