GM Service Manual Online
For 1990-2009 cars only
Makes
🢒
Chevrolet
🢒
2001
🢒
Chevy K Silverado - 4WD
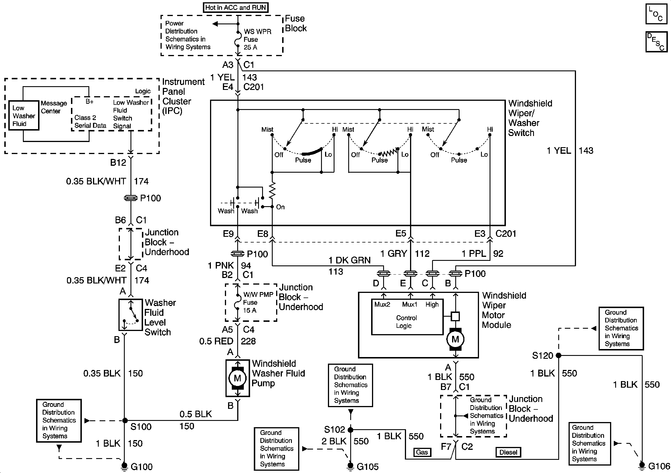
🢒 Wiper/Washer System Schematics - Front
Wiper/Washer System Schematics - Front
Master Electrical Component List
Wiper/Washer System Description and Operation
IGNITION, RUN, ACCESSORY, and RAP Bus Bars, RAP #1 and RAP #2 Fuses
G100 and G110
G103 and G105 - Gas
G104 - Gas
G104 - Gas
G106 - Diesel
G106 - Diesel