GM Service Manual Online
For 1990-2009 cars only
Makes
🢒
Chevrolet
🢒
2001
🢒
Chevy K Silverado - 4WD
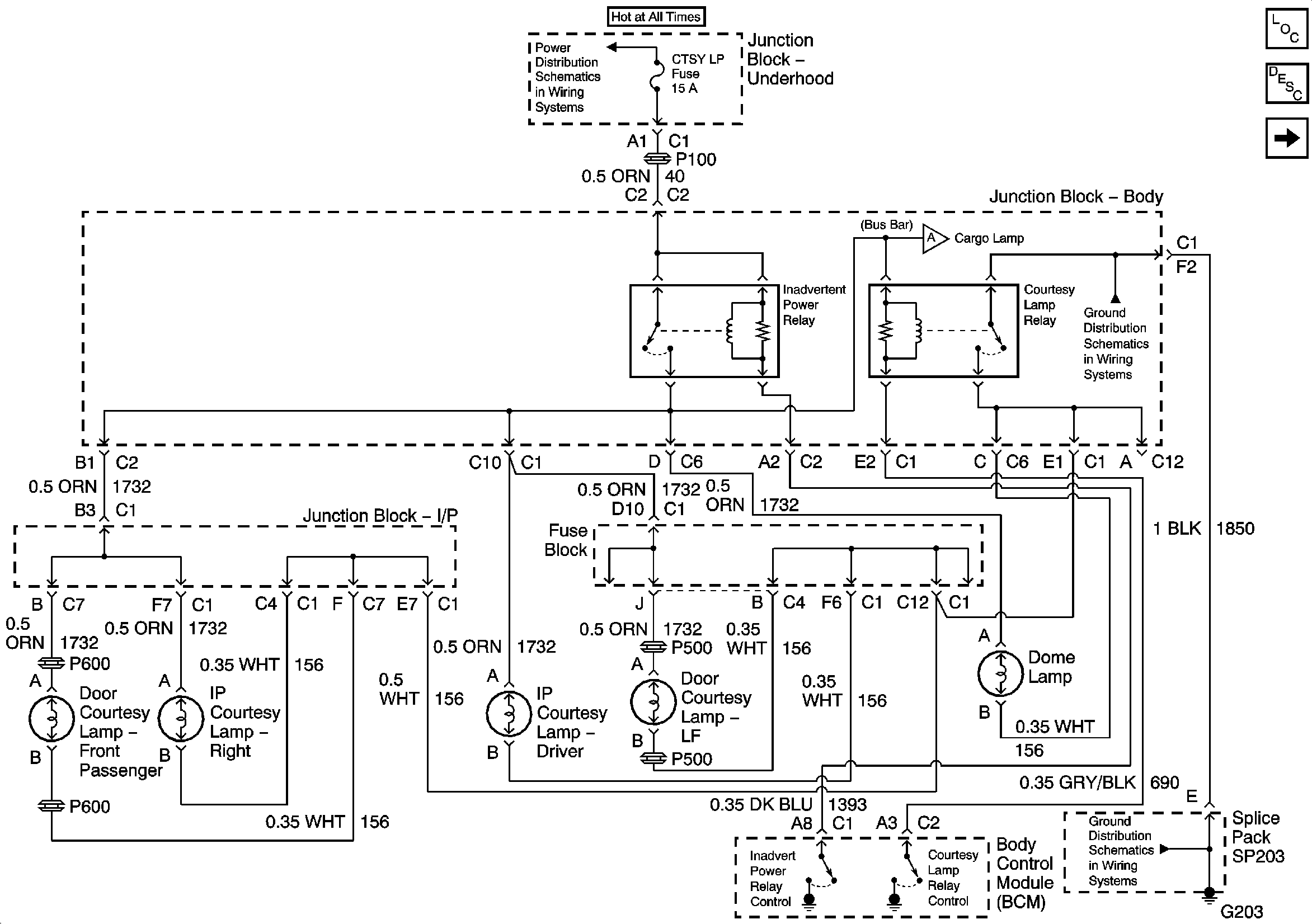
🢒 Dome Lamp and Courtesy Lamp Control
Dome Lamp and Courtesy Lamp Control
Dome Lamp and Courtesy Lamp Control
Master Electrical Component List
Interior Lighting Systems Description and Operation
I/P Compartment Lamp, Underhood Lamp, Reading Lamps and Cargo Lamps
B+ Bus Bar
I/P Compartment Lamp, Underhood Lamp, Reading Lamps and Cargo Lamps
G203 - 4 of 4 - Utility and Uplevel Pickup
G203 - 1 of 4