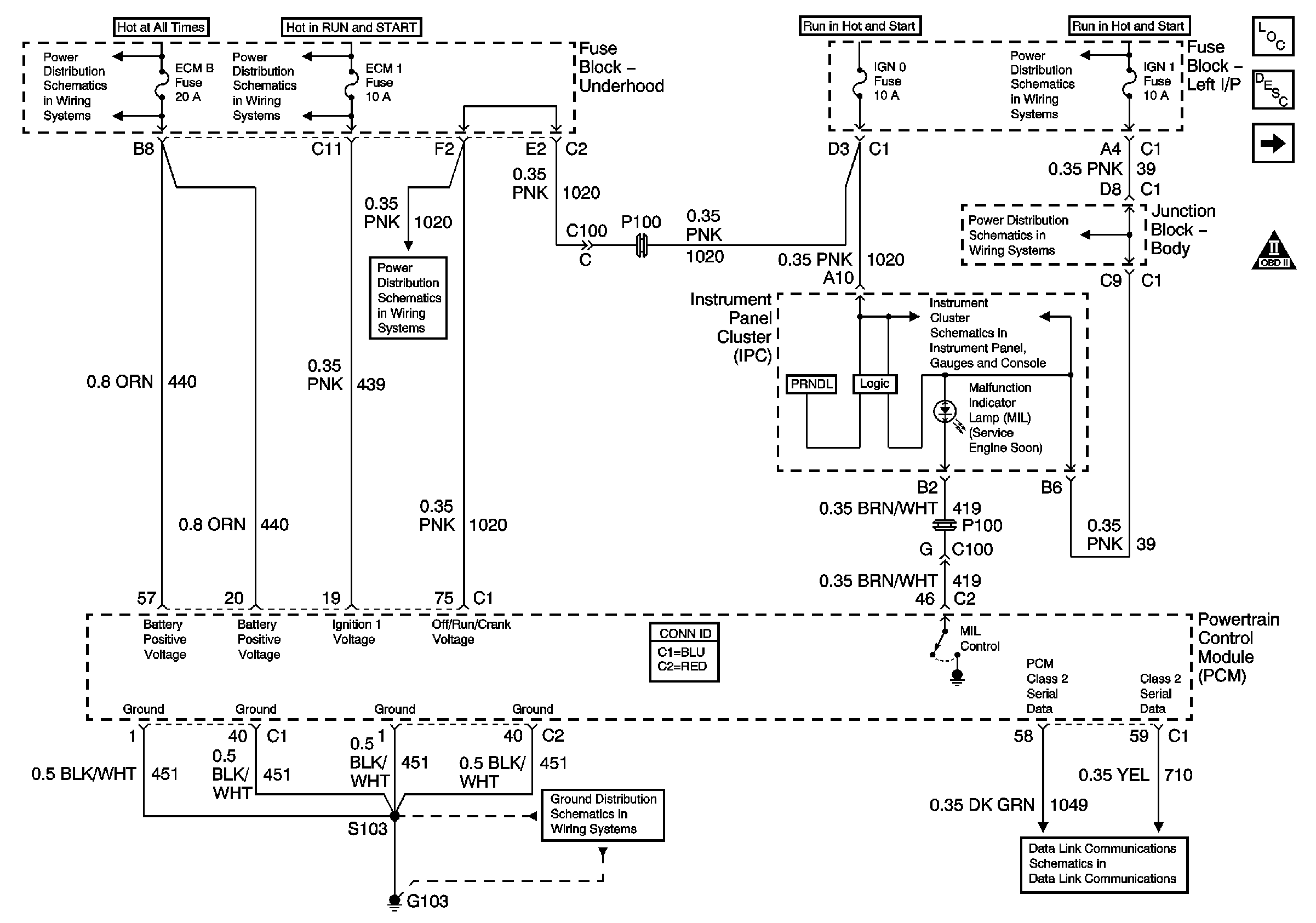
| Figure 1: |
Module Power, Ground, Serial Data and MIL
|
| Figure 2: |
Engine Data Sensors - Pressure and Temperature
|
| Figure 3: |
Engine Data Sensors - MAF and VSS
|
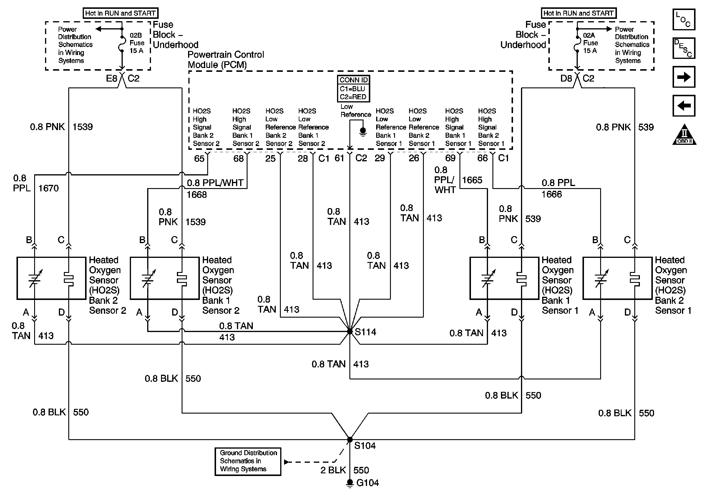
| Figure 4: |
Engine Data Sensors - H02S w/RPO L35 Federal
|
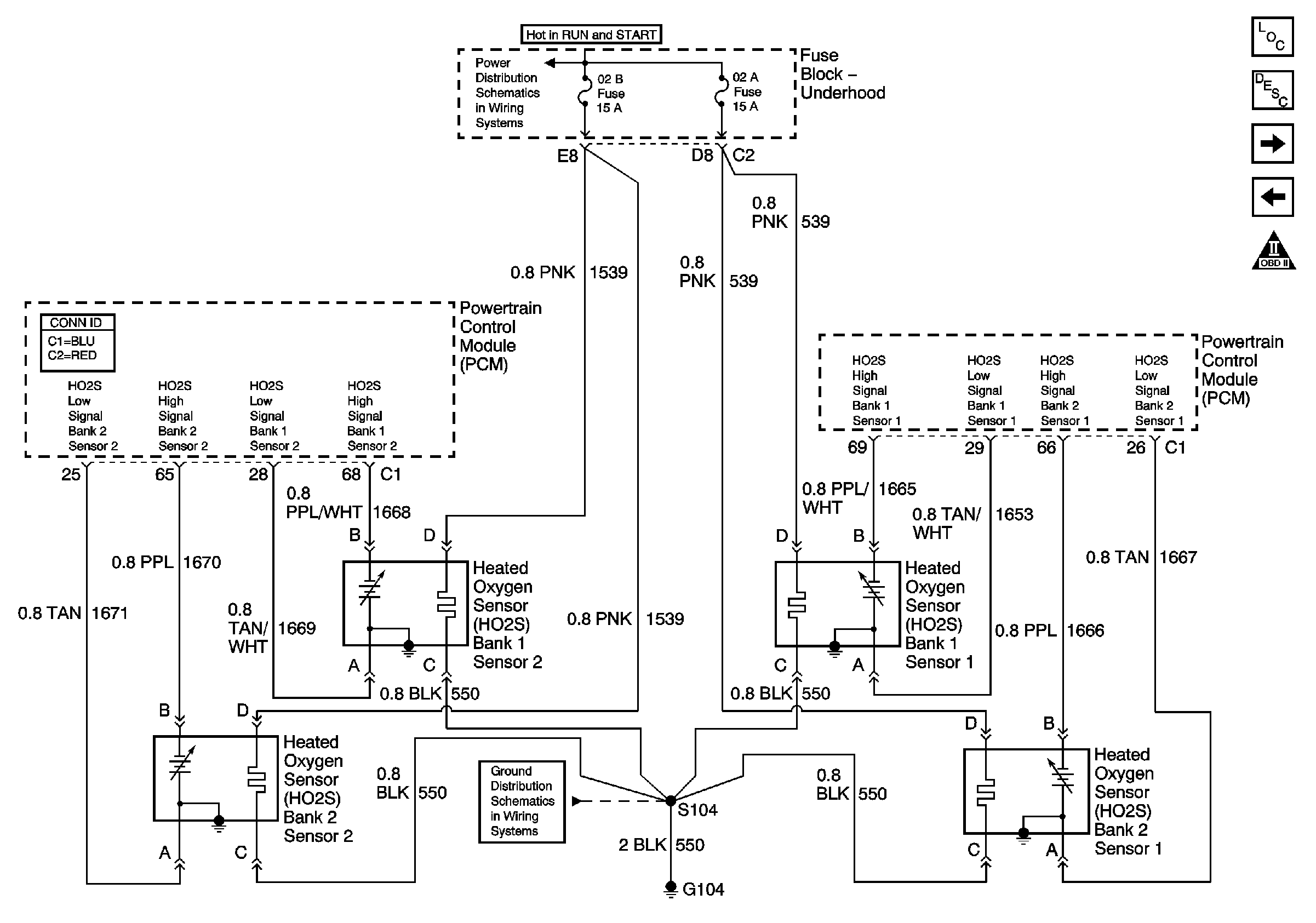
| Figure 5: |
Engine Data Sensors - H02S w/RPO LU3 California
|
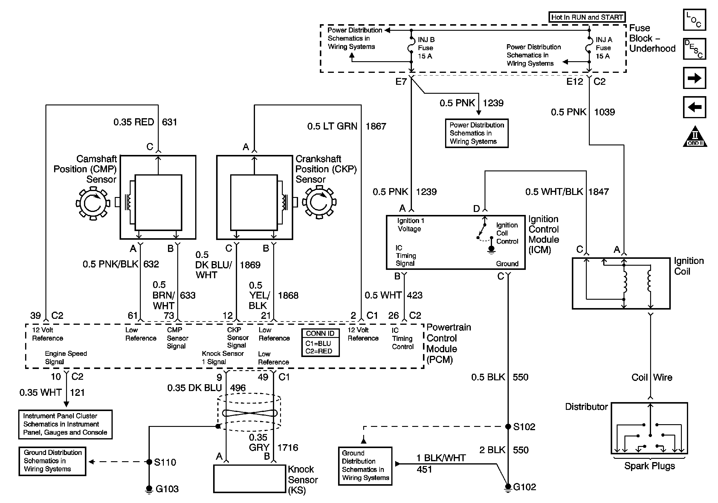
| Figure 6: |
Ignition Controls
|
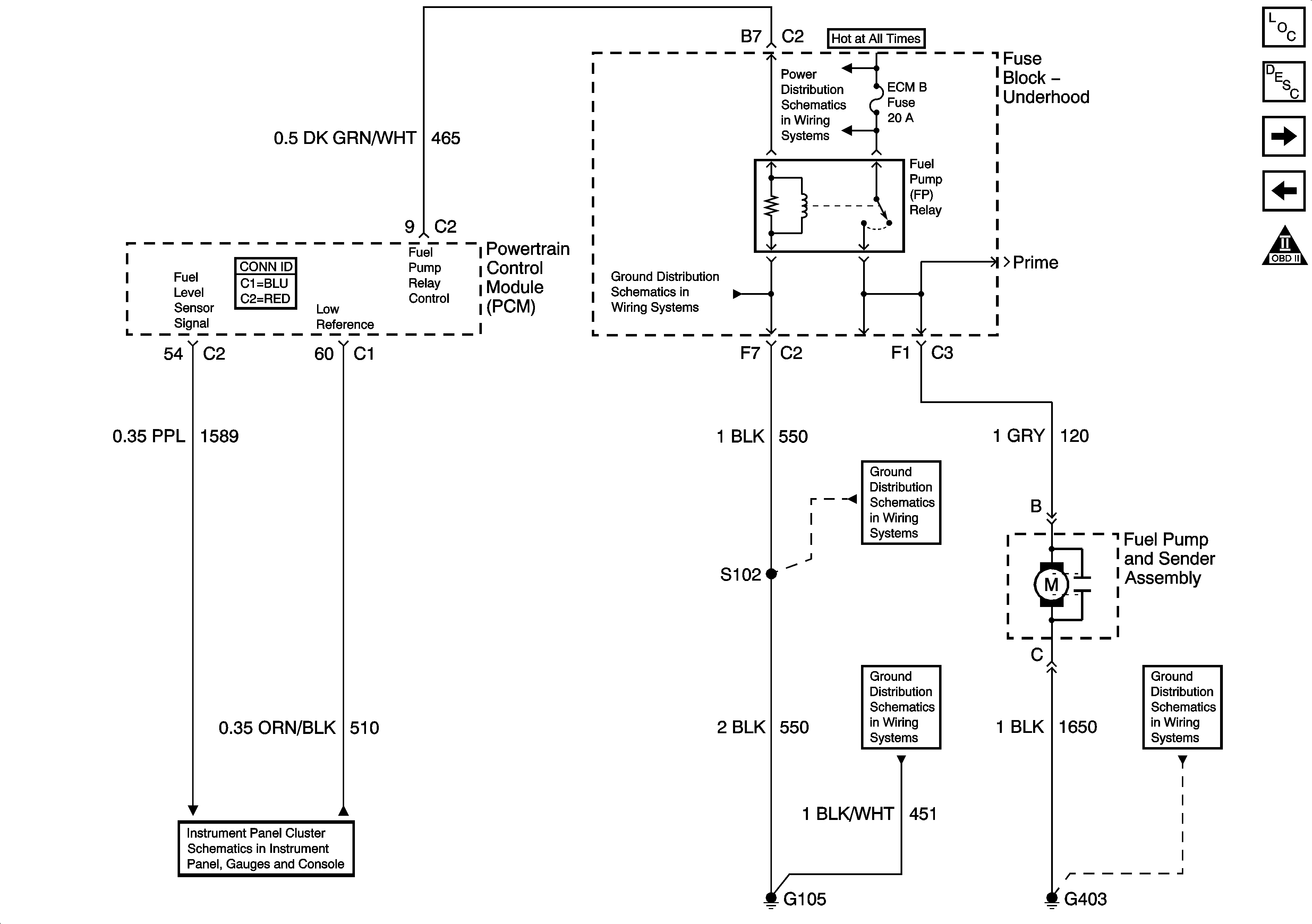
| Figure 7: |
Fuel Controls - Fuel Pump Controls
|
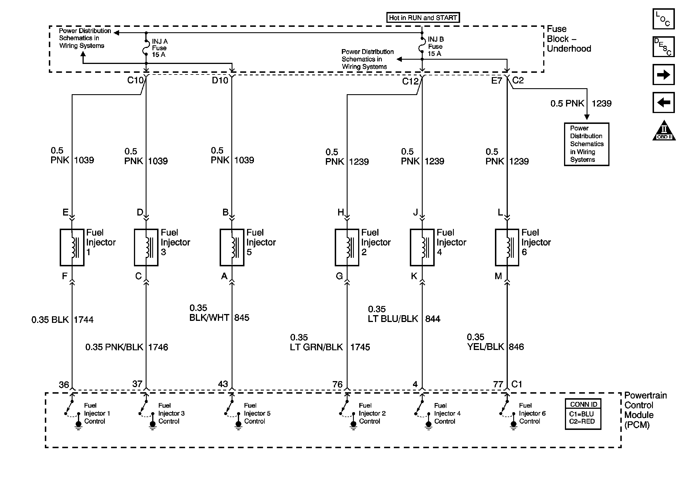
| Figure 8: |
Fuel Controls - Fuel Injectors
|
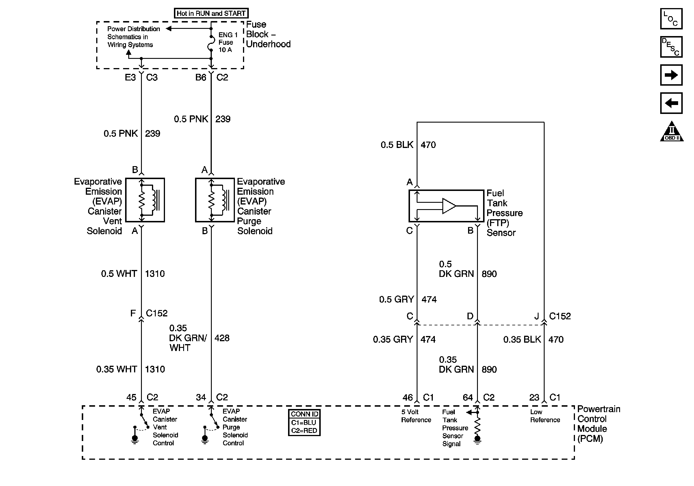
| Figure 9: |
Fuel Controls - EVAP Controls
|
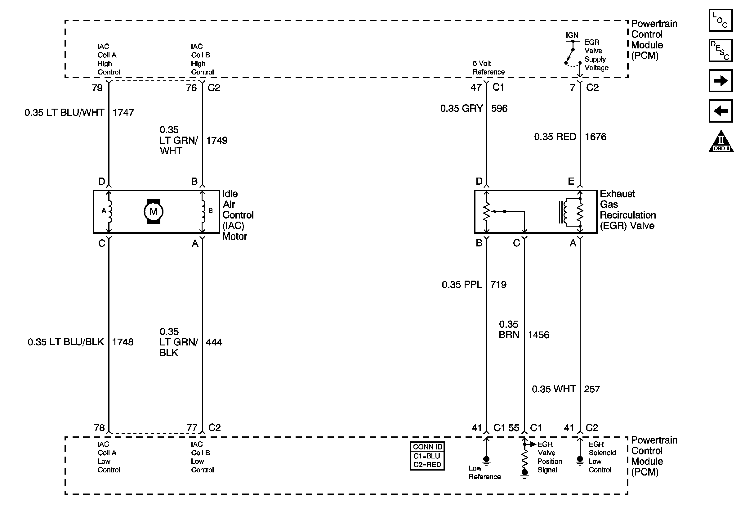
| Figure 10: |
Device Controls - EGR and IAC
|
| Figure 11: |
Controlled/Monitored Subsystem References
|
| Figure 12: |
Transmission Controls A/T
|