GM Service Manual Online
For 1990-2009 cars only
Makes
🢒
Chevrolet
🢒
2002
🢒
Chevy K Silverado - 4WD
🢒
Transmission/Transaxle
🢒
Automatic Transmission - 4L80-E
🢒 Automatic Transmission Controls Schematics
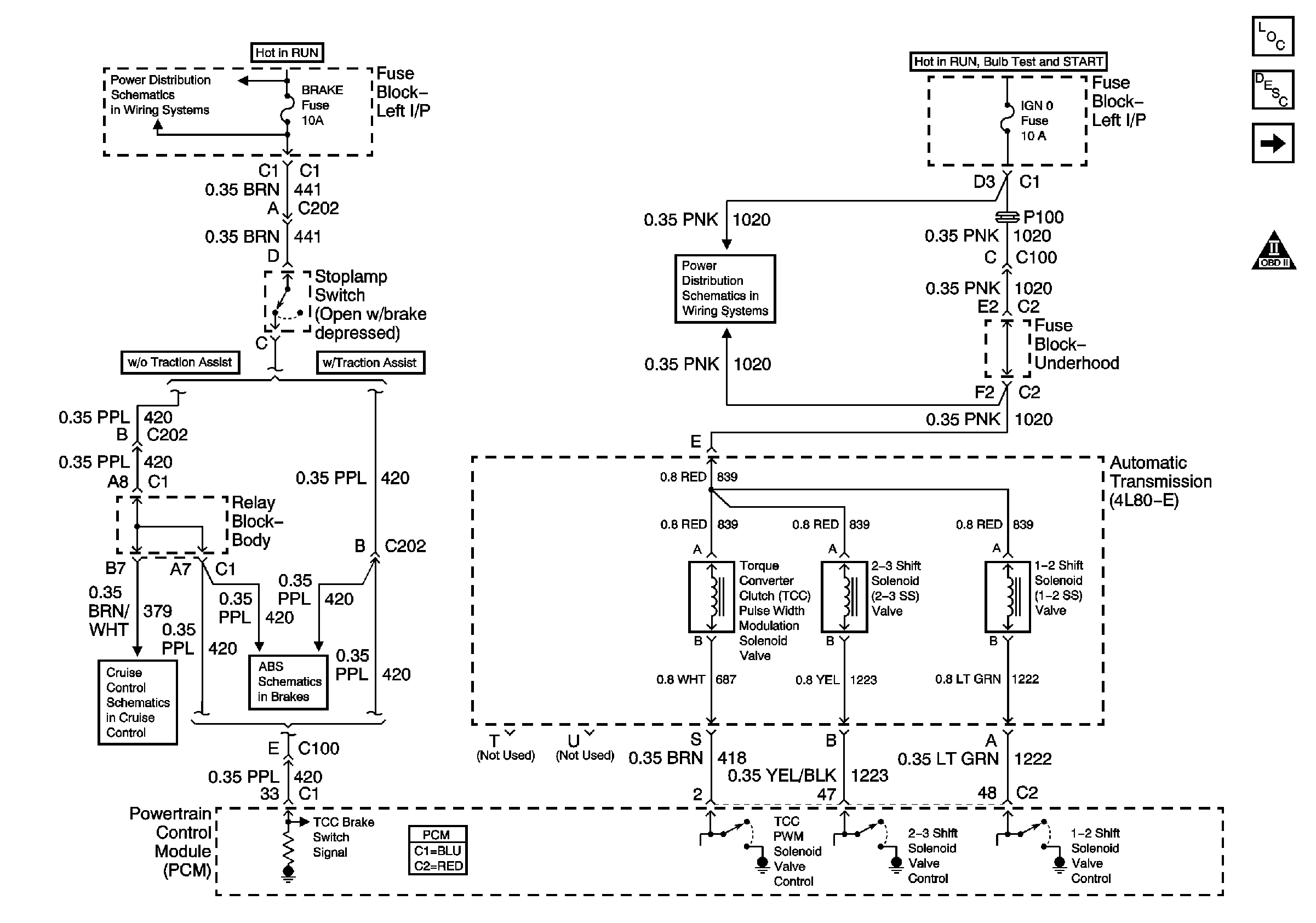
Figure
1:
Valve Controls and Brake Switch
Master Electrical Component List
Automatic Transmission Electrical Connector Description
Switch Inputs
OBD II Symbol Description Notice
BRAKE, Cruise, HTR A/C, RR WPR, WS WPR, and SEO ACCY Fuses
IGN 1, TURN, SEO IGN, AIR BAG, CRANK, and IGN 0 Fuses
Cruise Control Module , Clutch Start Switch, and Stop Lamp Switch - Gas w/o ETC
Power, Ground, Class 2 Communication (w/o Traction Assist)
Figure
2:
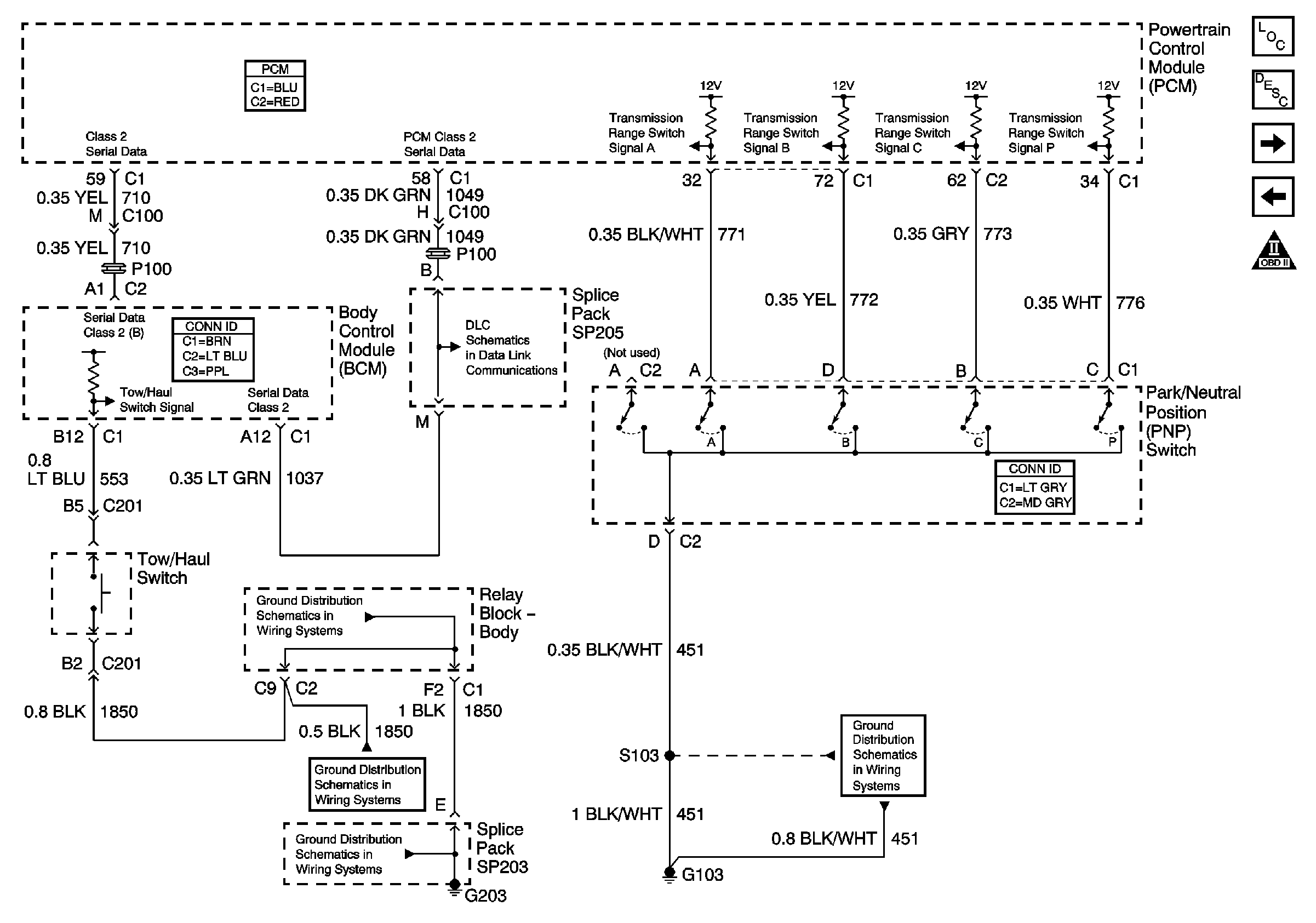
Switch Inputs
Master Electrical Component List
Automatic Transmission Electrical Connector Description
Tow/Haul and PNP Switch Inputs
Valve Controls and Brake Switch
OBD II Symbol Description Notice
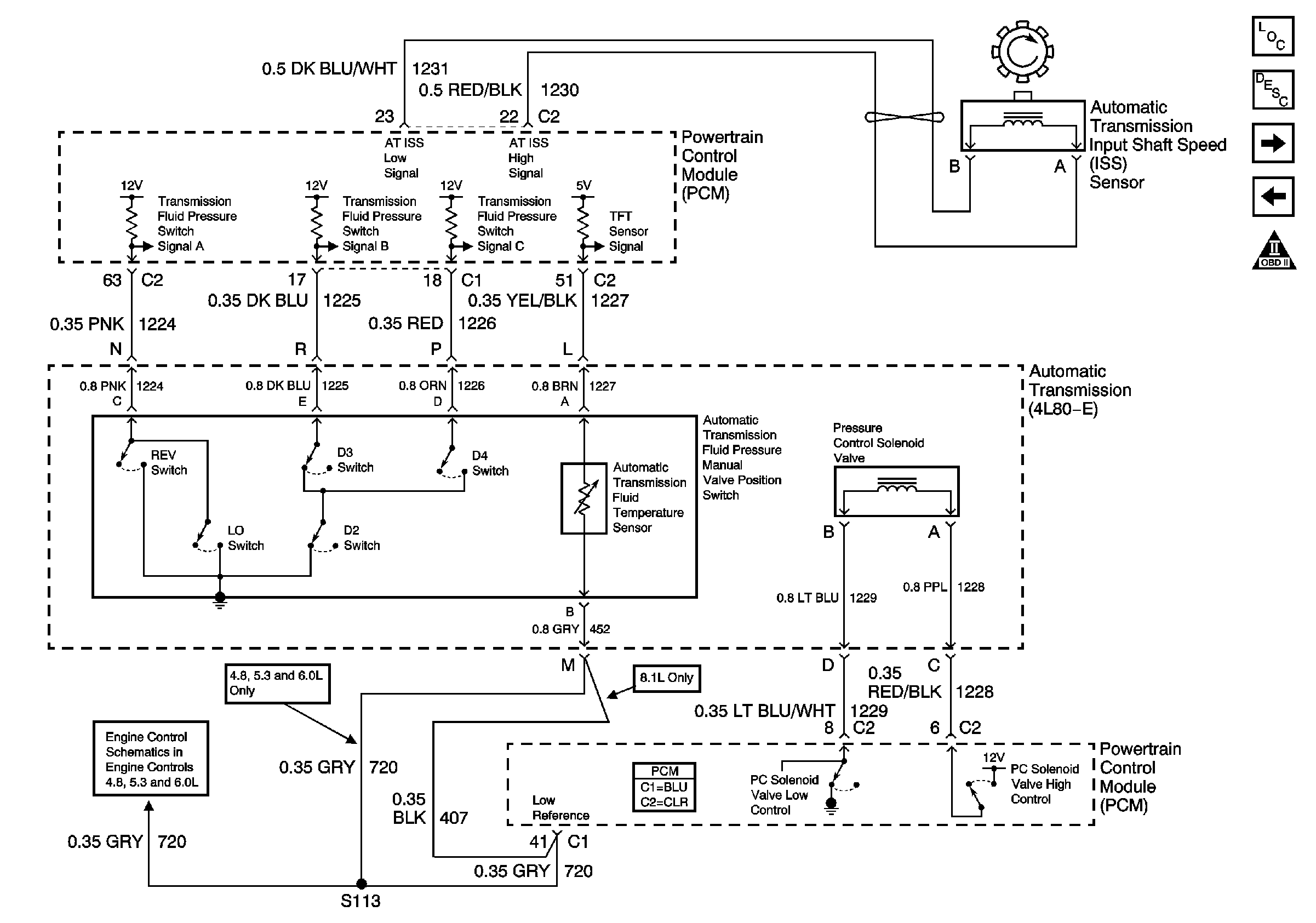
Engine Data Sensors - Pressure and Temperature
Figure
3:
Tow/Haul and PNP Switch Inputs
Master Electrical Component List
Automatic Transmission Electrical Connector Description
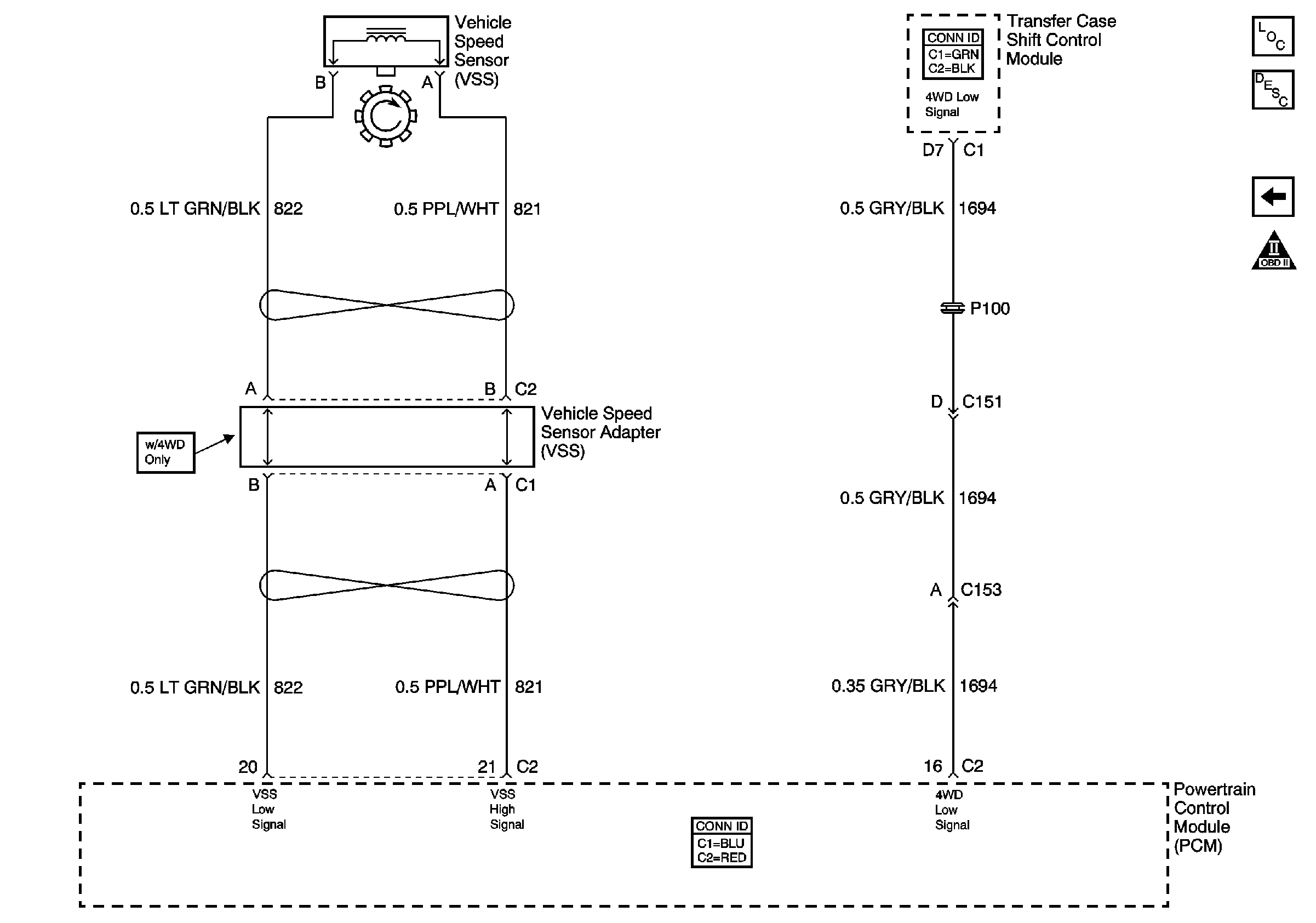
Vehicle Speed Signal and 4WD Low Signal
Switch Inputs
OBD II Symbol Description Notice
Splice Pack SP205
G203 - 2 of 3 - Base Except Crew Cab
G203 - 2 of 3 - Base Except Crew Cab
G203 - 1 of 3
G103 and G105 - Gas
Figure
4:
Vehicle Speed Signal and 4WD Low Signal
Master Electrical Component List
Automatic Transmission Electrical Connector Description
Tow/Haul and PNP Switch Inputs
OBD II Symbol Description Notice