GM Service Manual Online
For 1990-2009 cars only
Makes
🢒
Chevrolet
🢒
2002
🢒
Chevy K Silverado - 4WD
🢒
Transmission/Transaxle
🢒
Shift Lock Control
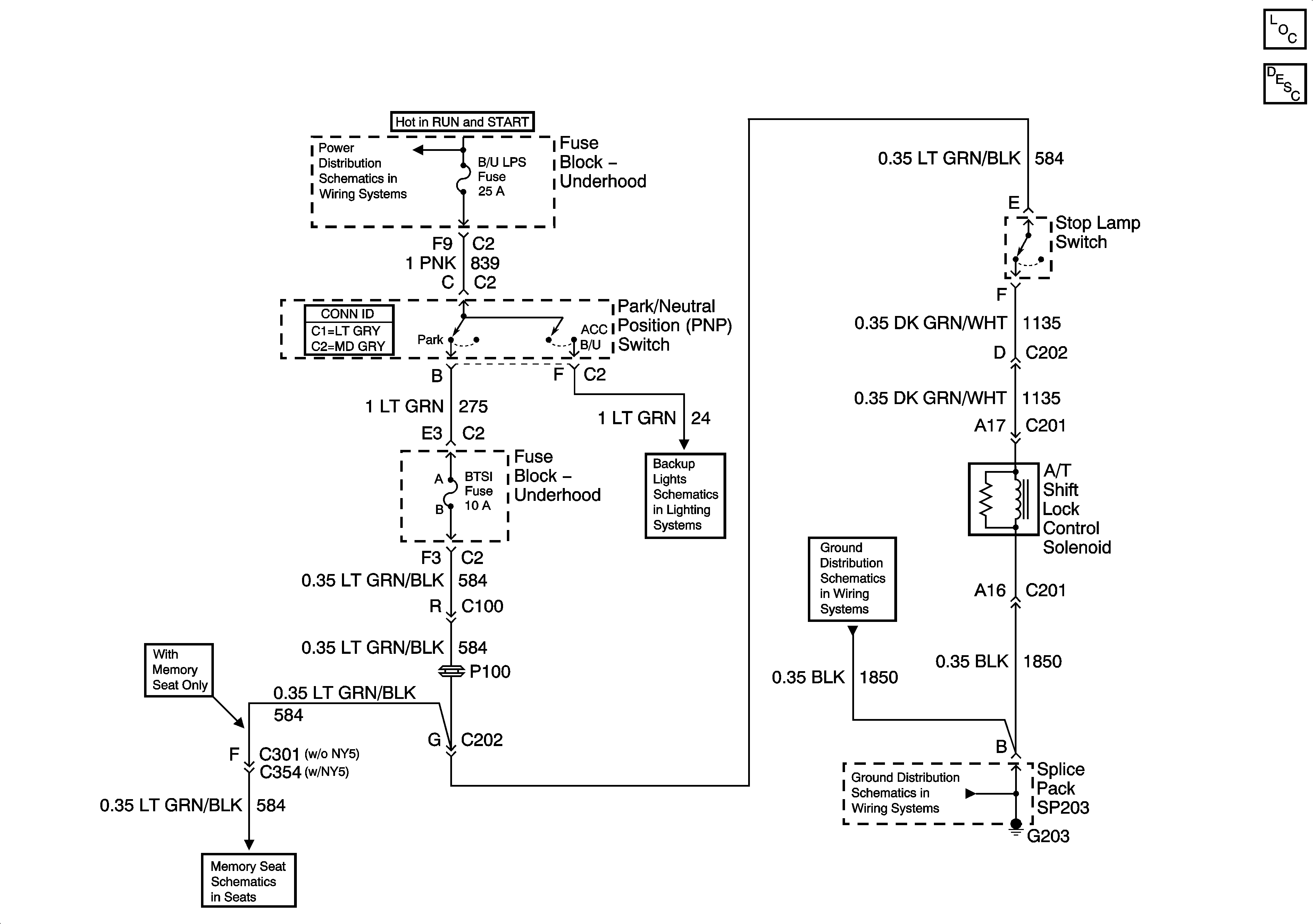
🢒 Shift Lock Control Schematics
Master Electrical Component List
Automatic Transmission Shift Lock Control Description and Operation
B/U LAMP, BTSI, VEH B/U and TRL B/U Fuses
Memory Seat Control (Non Class 2)
Backup Lamps
G203 - 1 of 3
G203 - 1 of 3