GM Service Manual Online
For 1990-2009 cars only
Makes
🢒
Chevrolet
🢒
2002
🢒
Chevy K Silverado - 4WD
🢒
Body and Accessories
🢒
Seats
🢒 Heated Seats Schematics
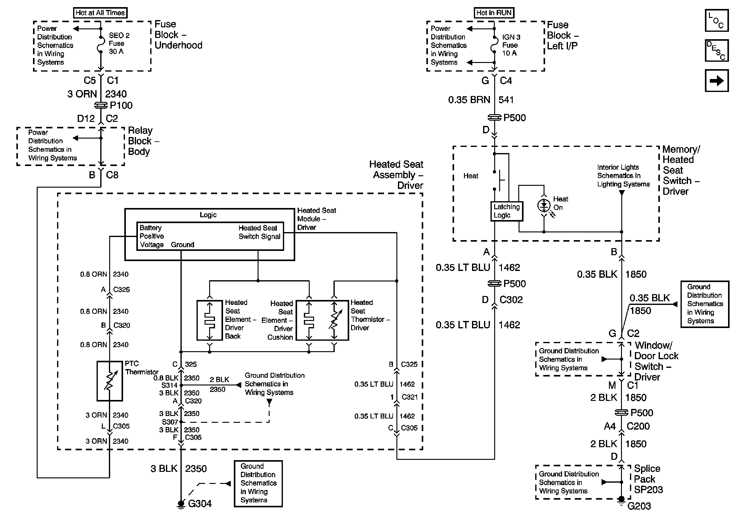
Figure
1:
Driver Heated Seat
Master Electrical Component List
Heated Seats Description and Operation
Front Passenger Heated Seat
SEO 1, SEO 2, RR HVAC, EXP LPS, ATC, and RR WPR
4WD, HVAC 1, and IGN 3 Fuses
Parklamp Controls - 1 of 3
SEO 1, SEO 2, RR HVAC, EXP LPS, ATC, and RR WPR
G304
G304
G203 - 1 of 3
G203 - 1 of 3
G203 - 2 of 4
Figure
2:
Front Passenger Heated Seat
Master Electrical Component List
Heated Seats Description and Operation
Driver Heated Seat
SEO 1, SEO 2, RR HVAC, EXP LPS, ATC, and RR WPR
SEO 1, SEO 2, RR HVAC, EXP LPS, ATC, and RR WPR
G304
G304
4WD, HVAC 1, and IGN 3 Fuses
4WD, HVAC 1, and IGN 3 Fuses
Parklamp Controls - 2 of 3
4WD, HVAC 1, and IGN 3 Fuses
G200
G200
G200