GM Service Manual Online
For 1990-2009 cars only
Figure 1:

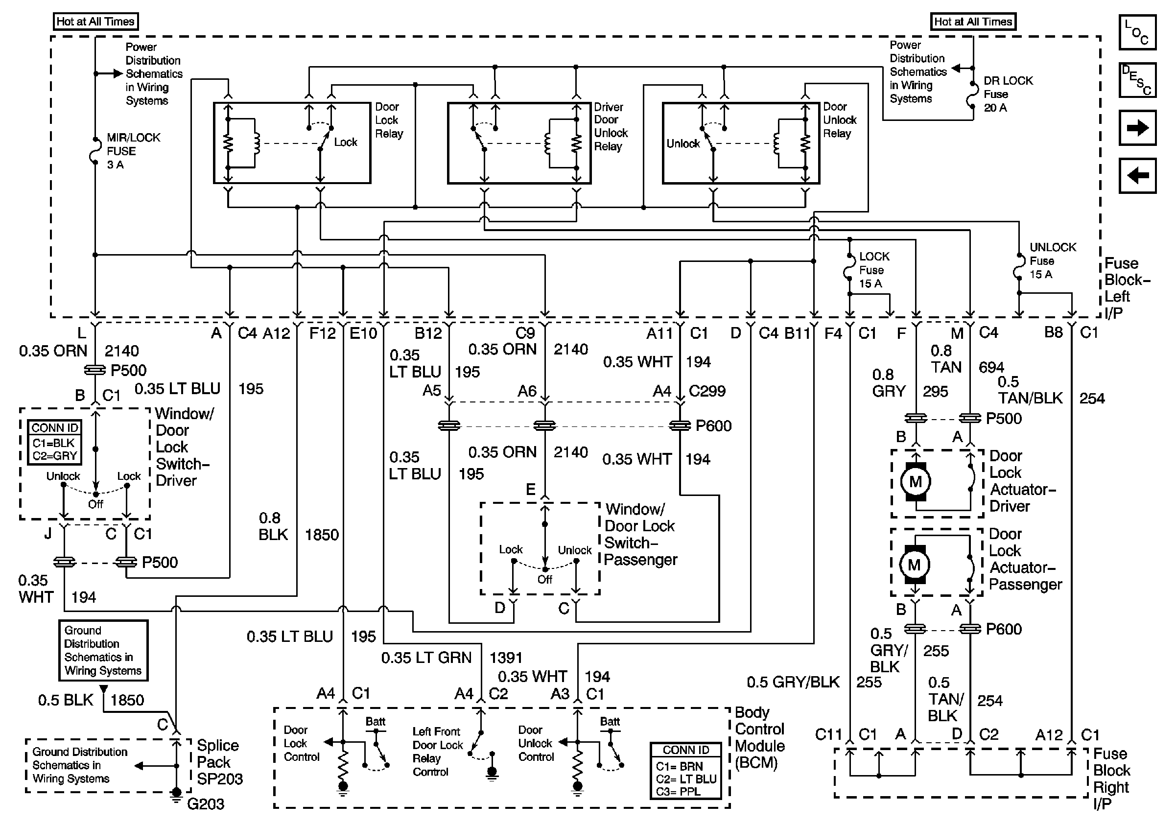
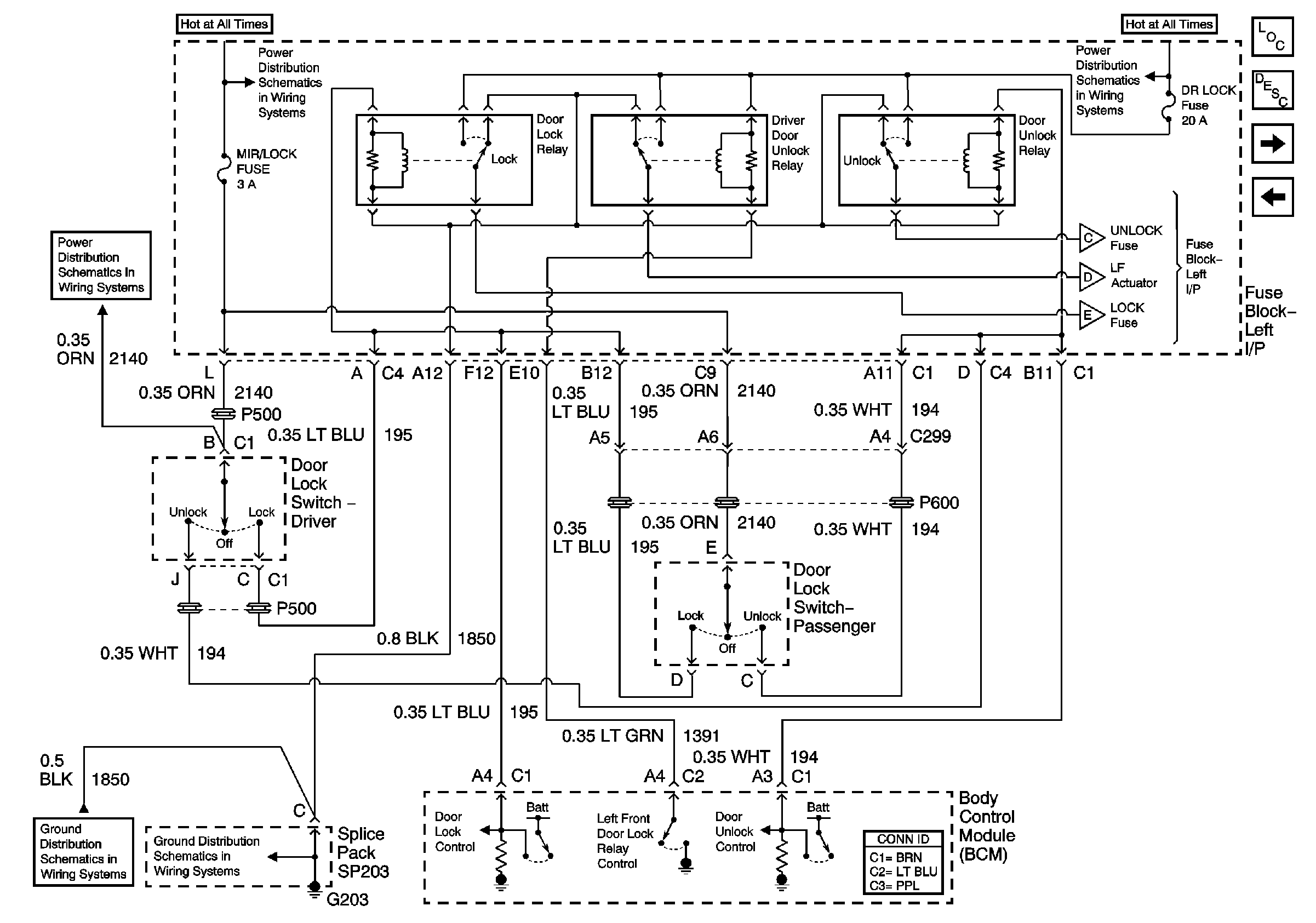
Base - All Except Crew Cab


Object Number: 776909  Size: FS
Master Electrical Component List
Power Door Locks Description and Operation
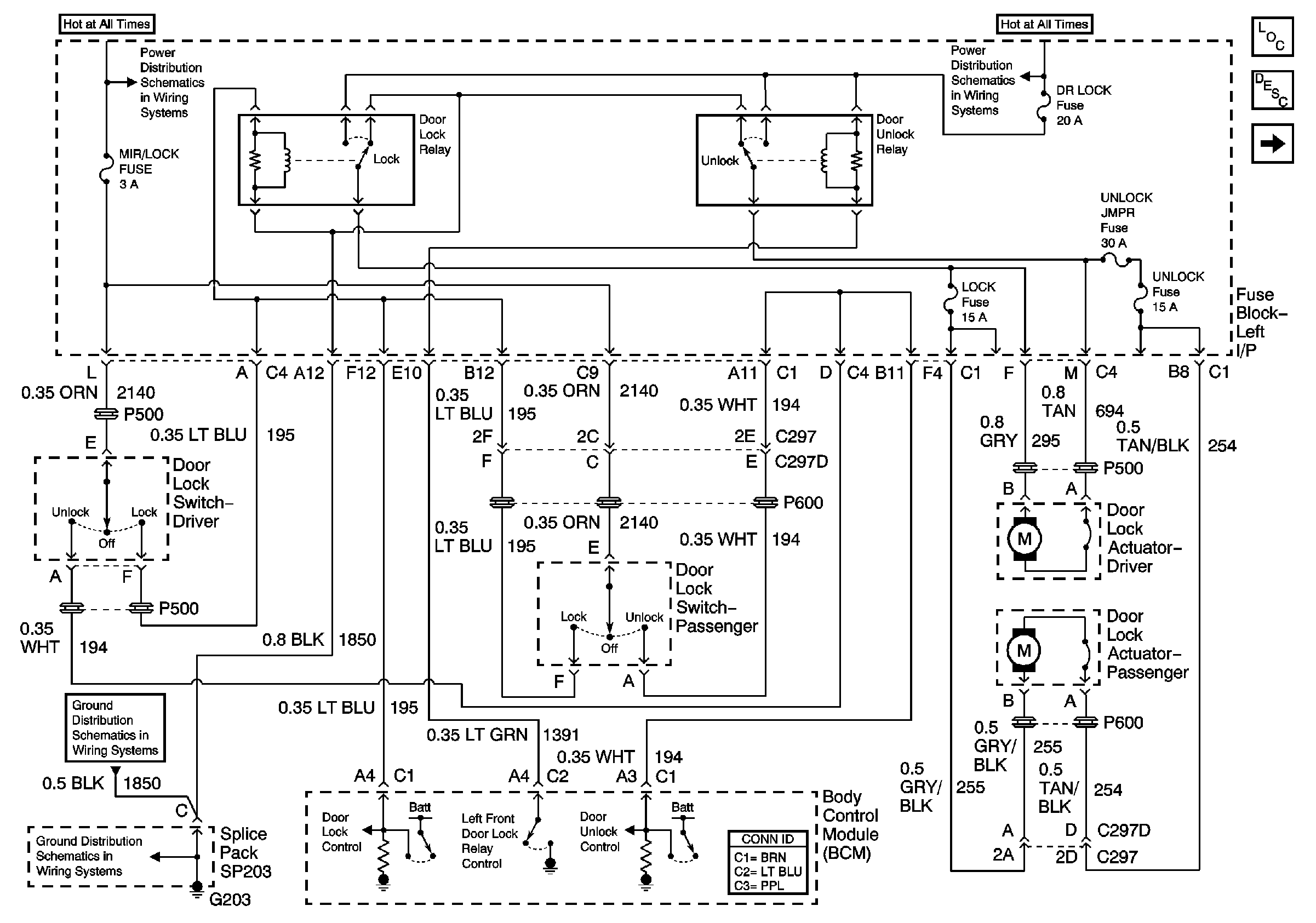
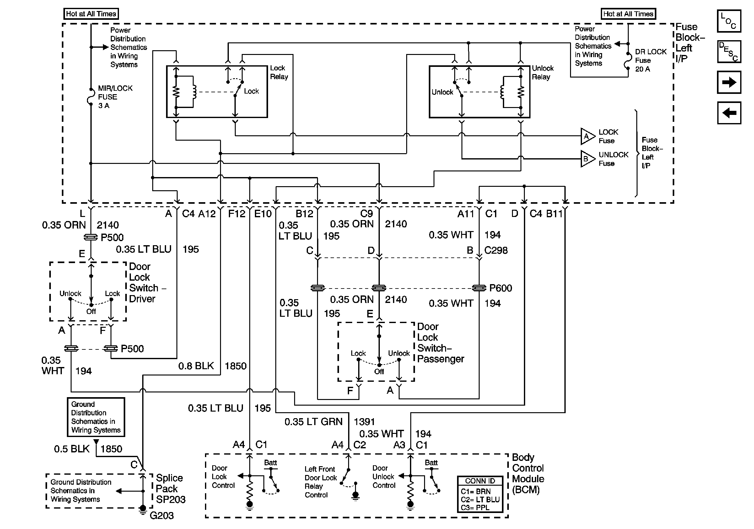
Uplevel - All Except Crew Cab
B+ Bus Bar
B+ Bus Bar
G203 - 1 of 3
G203 - 1 of 3
Figure 2:

Uplevel - All Except Crew Cab


Object Number: 776911  Size: FS
Master Electrical Component List
Power Door Locks Description and Operation
Power, Ground, and Switches - Base Crew Cab
Base - All Except Crew Cab
B+ Bus Bar
B+ Bus Bar
G203 - 1 of 3
G203 - 1 of 3
Figure 3:

Power, Ground, and Switches - Base Crew Cab


Object Number: 776912  Size: FS
Master Electrical Component List
Power Door Locks Description and Operation
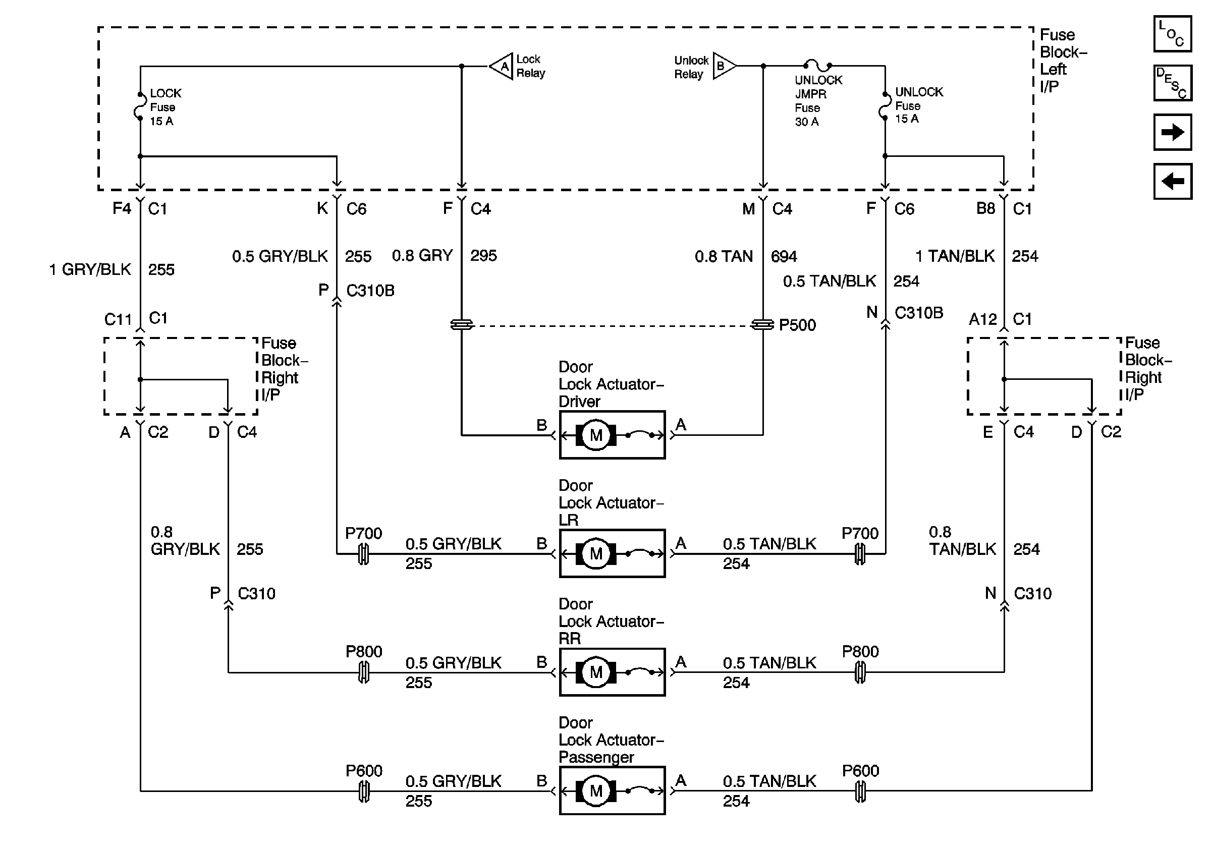
Actuators - Base Crew Cab
Uplevel - All Except Crew Cab
B+ Bus Bar
B+ Bus Bar
Actuators - Base Crew Cab
Actuators - Base Crew Cab
G203 - 1 of 3
G203 - 1 of 3
Figure 4:

Actuators - Base Crew Cab


Object Number: 776913  Size: FS
Master Electrical Component List
Power Door Locks Description and Operation
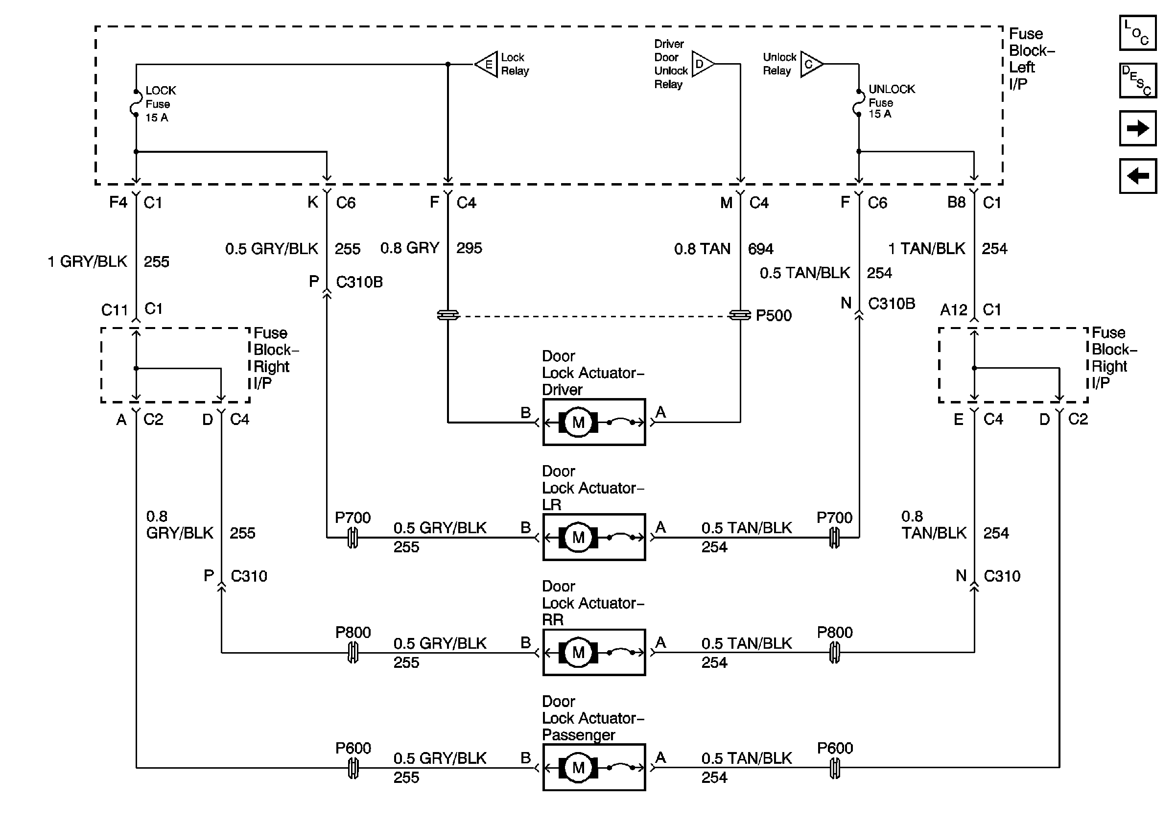
Power, Ground, and Switches - Uplevel Crew Cab
Power, Ground, and Switches - Base Crew Cab
Power, Ground, and Switches - Base Crew Cab
Power, Ground, and Switches - Base Crew Cab
Figure 5:

Power, Ground, and Switches - Uplevel Crew Cab


Object Number: 776915  Size: FS
Master Electrical Component List
Power Door Locks Description and Operation
Actuators - Uplevel Crew Cab
Actuators - Base Crew Cab
B+ Bus Bar
B+ Bus Bar
Actuators - Uplevel Crew Cab
Actuators - Uplevel Crew Cab
Actuators - Uplevel Crew Cab
G203 - 1 of 3
G203 - 1 of 3
Figure 6:

Actuators - Uplevel Crew Cab


Object Number: 776916  Size: FS
Master Electrical Component List
Power Door Locks Description and Operation
BCM Controls - All
Power, Ground, and Switches - Uplevel Crew Cab
Power, Ground, and Switches - Uplevel Crew Cab
Power, Ground, and Switches - Uplevel Crew Cab
Power, Ground, and Switches - Uplevel Crew Cab
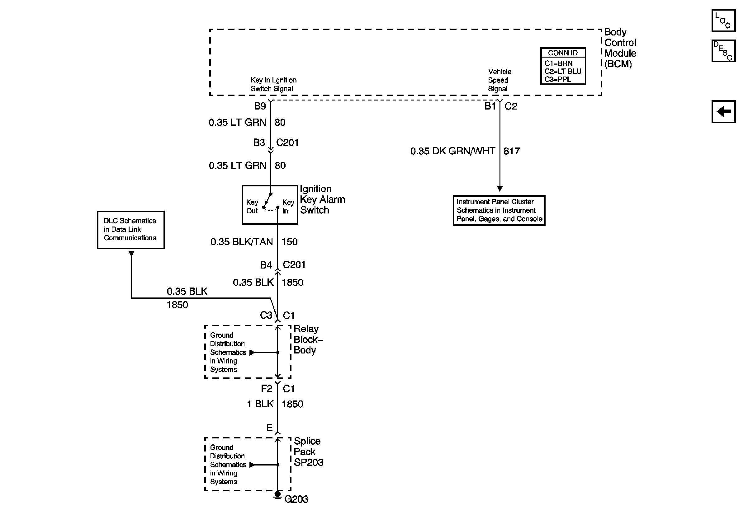
Figure 7:

BCM Controls - All


Object Number: 776914  Size: FS
Master Electrical Component List
Power Door Locks Description and Operation
Actuators - Uplevel Crew Cab
Power, Ground and SP203
Gages
G203 - 1 of 3
G203 - 1 of 3