GM Service Manual Online
For 1990-2009 cars only
Makes
🢒
Chevrolet
🢒
2002
🢒
Chevy K Silverado - 4WD
🢒
Body and Accessories
🢒
Instrument Panel, Gages, and Console
🢒 Thermo Cooler/Cupholder Schematics
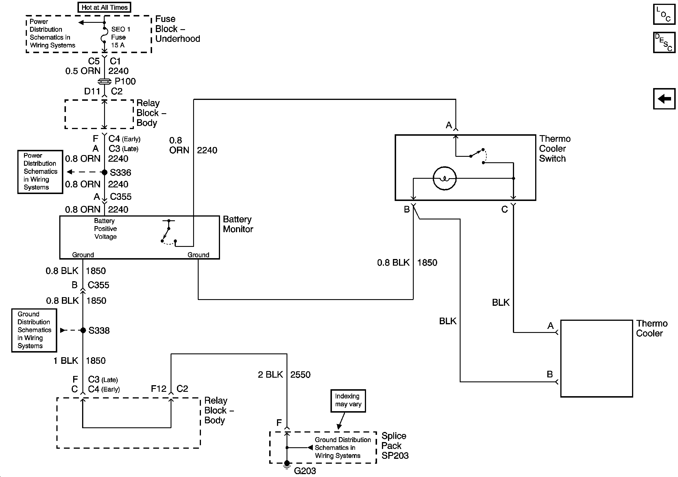
Figure
1:
Thermo Cupholder - Sierra Professional Only
Master Electrical Component List
Console Description
Thermo Cooler - Sierral Professional Only
BRAKE, Cruise, HTR A/C, RR WPR, WS WPR, and SEO ACCY Fuses
BRAKE, Cruise, HTR A/C, RR WPR, WS WPR, and SEO ACCY Fuses
G203 - 3 of 3
G203 - 1 of 3
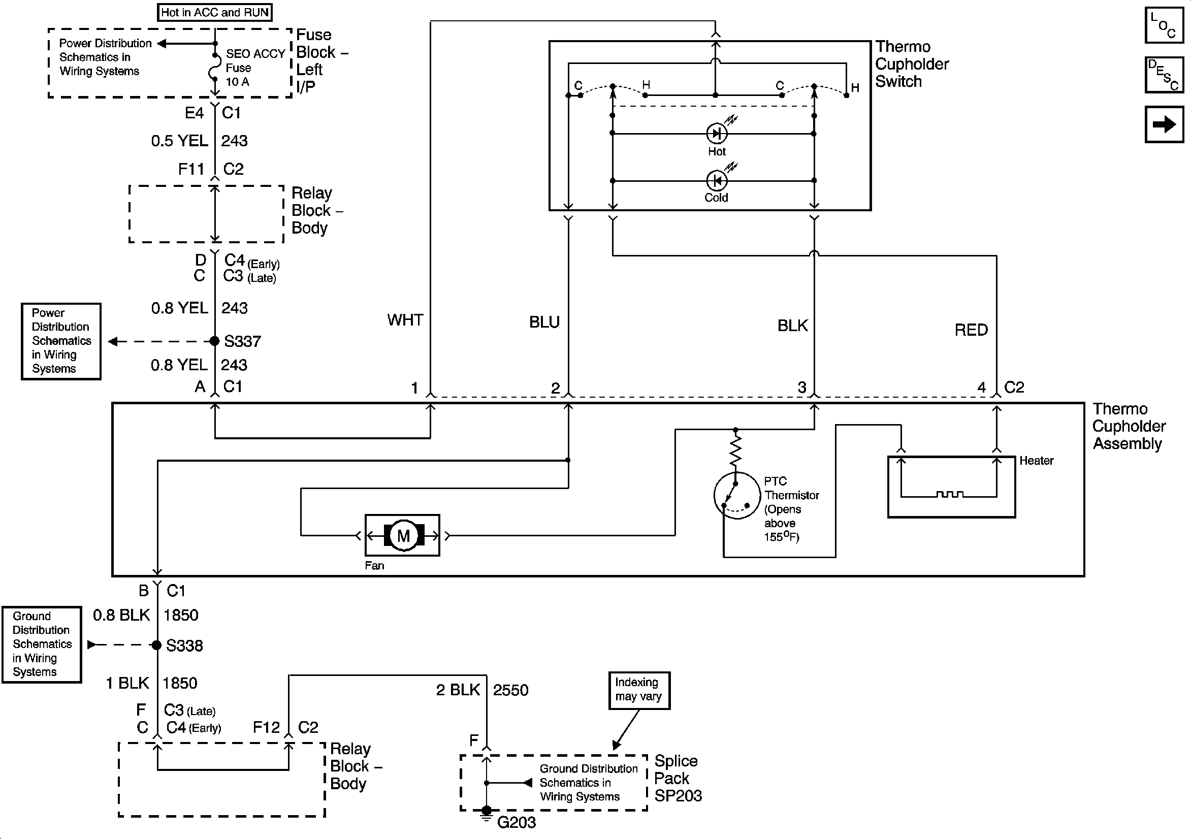
Figure
2:
Thermo Cooler - Sierra Professional Only
Master Electrical Component List
Console Description
Thermo Cupholder - Sierra Professional Only
SEO 1, SEO 2, RR HVAC, EXP LPS, ATC, and RR WPR
SEO 1, SEO 2, RR HVAC, EXP LPS, ATC, and RR WPR
G203 - 3 of 3
G203 - 1 of 3