GM Service Manual Online
For 1990-2009 cars only
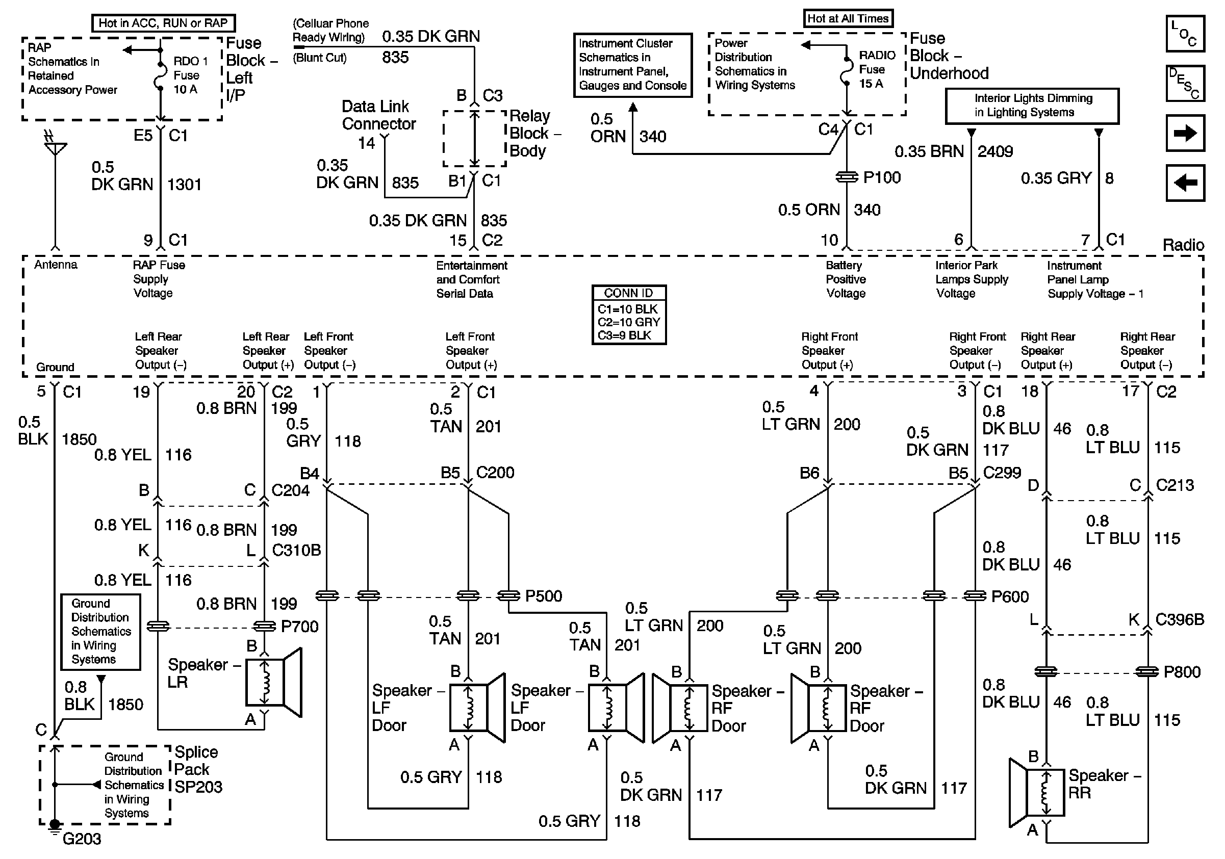
Figure 1:

Base


Object Number: 778069  Size: FS
Master Electrical Component List
Radio/Audio System Description and Operation
Uplevel
RAP Schematics - Pickup
Power and Ground
B+ Bus Bar
SIR Disable Switch, Radio, and CD Player
G203 - 1 of 3
G203 - 1 of 3
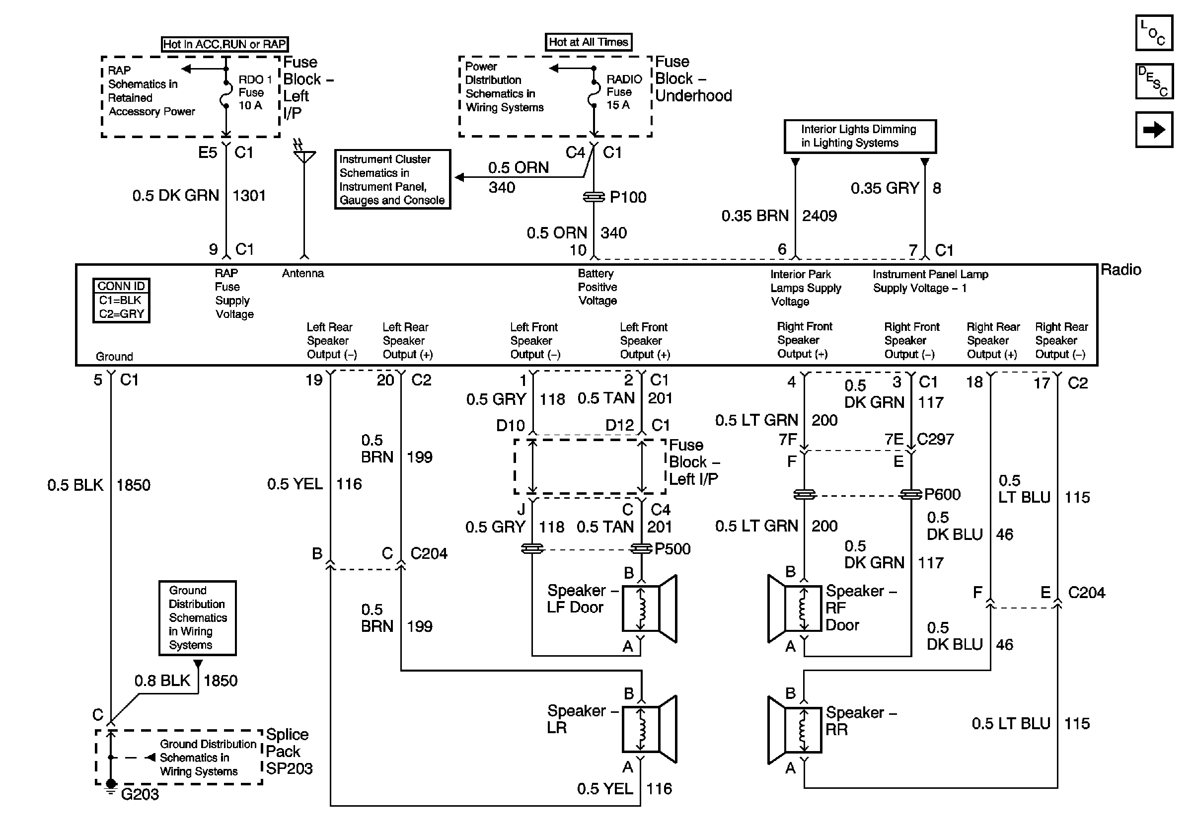
Figure 2:

Uplevel


Object Number: 778078  Size: FS
Master Electrical Component List
Radio/Audio System Description and Operation
Base Crewcab
Base
RAP Schematics - Pickup
Power and Ground
B+ Bus Bar
SIR Disable Switch, Radio, and CD Player
G203 - 1 of 3
G203 - 1 of 3
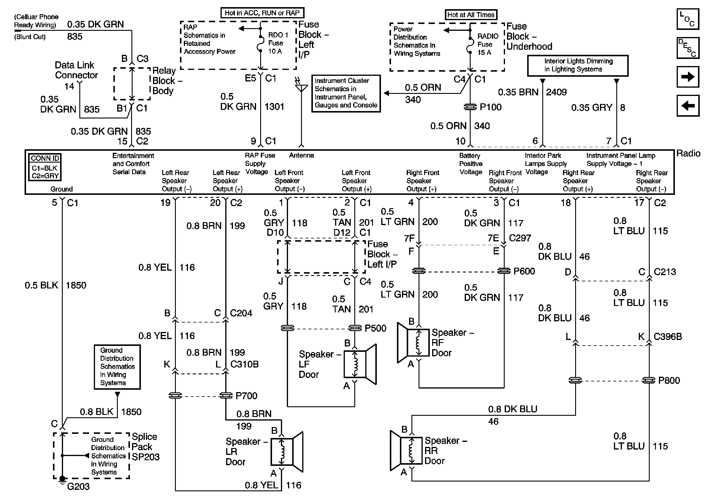
Figure 3:

Base Crewcab


Object Number: 778087  Size: FS
Master Electrical Component List
Radio/Audio System Description and Operation
Uplevel Crewcab
Uplevel
RAP Schematics - Pickup
Power and Ground
B+ Bus Bar
SIR Disable Switch, Radio, and CD Player
G203 - 1 of 3
G203 - 1 of 3
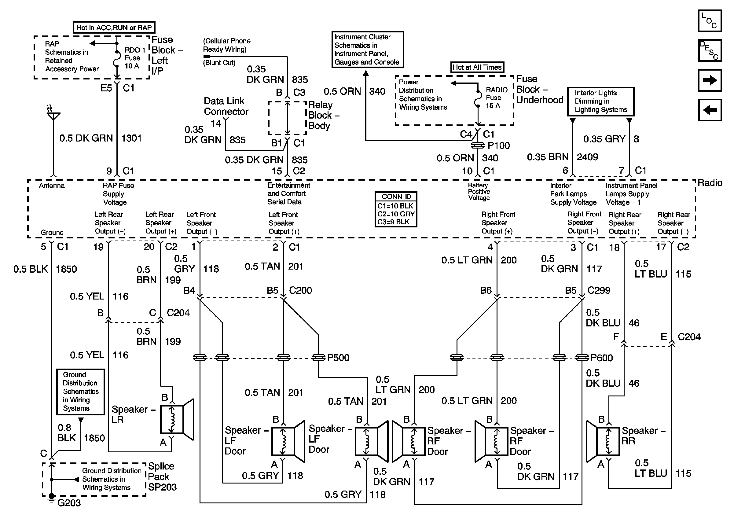
Figure 4:

Uplevel Crewcab


Object Number: 778090  Size: FS
Master Electrical Component List
Radio/Audio System Description and Operation
CD Player and VSS Input
Base Crewcab
RAP Schematics - Pickup
Power and Ground
B+ Bus Bar
SIR Disable Switch, Radio, and CD Player
G203 - 1 of 3
G203 - 1 of 3
Figure 5:

CD Player and VSS w/o OnStar


Object Number: 778081  Size: FS
Master Electrical Component List
Radio/Audio System Description and Operation
CD Player and VSS w/OnStar
Uplevel Crewcab
Gages
Figure 6:

CD Player and VSS w/OnStar


Object Number: 799311  Size: FS
Master Electrical Component List
Radio/Audio System Description and Operation
CD Player and VSS Input
Gages