GM Service Manual Online
For 1990-2009 cars only
Makes
🢒
Chevrolet
🢒
2002
🢒
Chevy K Silverado - 4WD
🢒
Body and Accessories
🢒
Entertainment
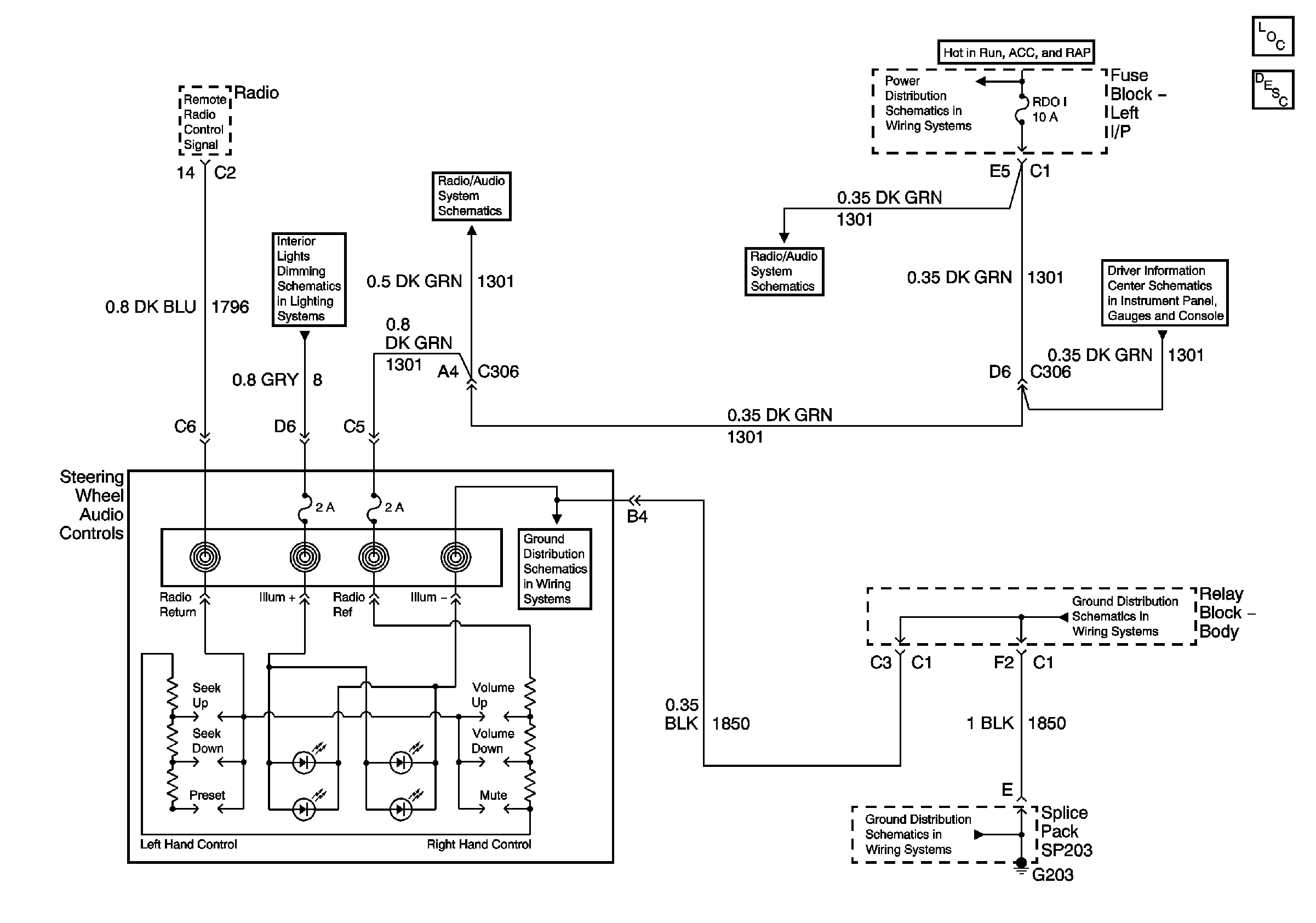
🢒 Steering Wheel Controls Schematics
Master Electrical Component List
Radio/Audio System Description and Operation
Cargo/Fog Lamp Switch, DIC, and Steering Wheel Controls
RAP Schematics - Pickup
RAP Schematics - Pickup
Ignition, Run, Accessory, and RAP Bus Bars - RAP#1 and RAP#2 Fuses
RAP Schematics - Pickup