GM Service Manual Online
For 1990-2009 cars only
Figure 1:

B+ Bus Bar


Object Number: 767861  Size: FS
Master Electrical Component List
Ignition, Run, and Start Bus Bar
Figure 2:

Ignition, Run, and Start Bus Bar


Object Number: 767864  Size: FS
Master Electrical Component List
Ignition, Run, Accessory, and RAP Bus Bars - RAP#1 and RAP#2 Fuses
B+ Bus Bar
Figure 3:

Ignition, Run, Accessory, and RAP Bus Bars - RAP#1 and RAP #2 Fuses


Object Number: 767865  Size: FS
Master Electrical Component List
Stop, Turn, and Hazard Bus Bars
Ignition, Run, and Start Bus Bar
Figure 4:

Stop, Turn, and Hazard Bus Bars


Object Number: 767866  Size: FS
Master Electrical Component List
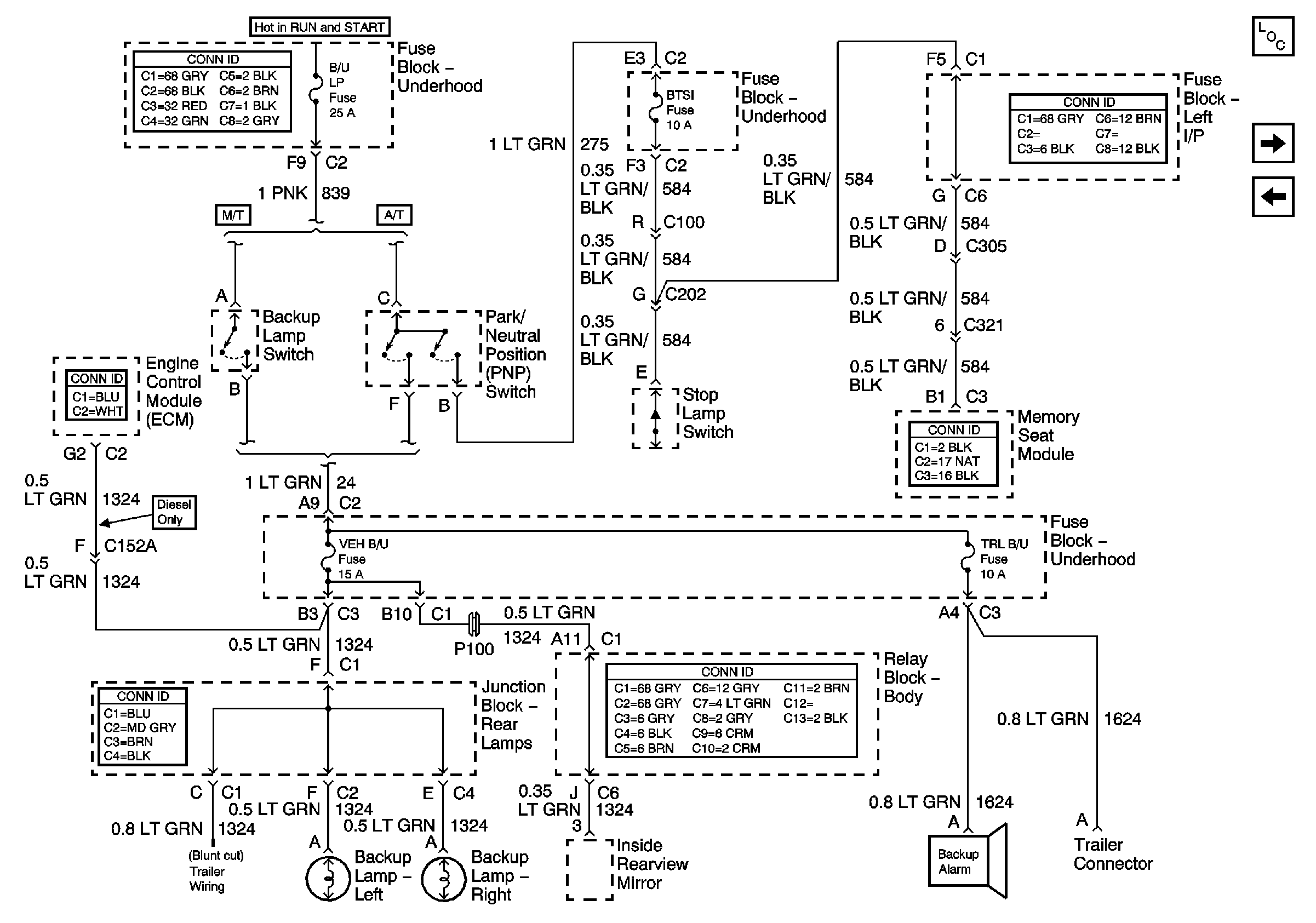
B/U LAMP, BTSI, VEH B/U and TRL B/U Fuses
Ignition, Run, Accessory, and RAP Bus Bars - RAP#1 and RAP#2 Fuses
B+ Bus Bar
Ignition, Run, and Start Bus Bar
Figure 5:

B/U LAMP, BTSI, VEH B/U, and TRL B/U Fuses


Object Number: 767869  Size: FS
Master Electrical Component List
ABS, HAZ LP, STUD 1, HTD MIR, RR DEFOG, STUD 2, CTSY LP, and PARK LP Fuses
Stop, Turn, and Hazard Bus Bars
Figure 6:

ABS, HAZ LP, STUD 1, HTD MIR, RR DEFOG, STUD 2, CTSY LP, and PARK LP Fuses


Object Number: 767871  Size: FS
Master Electrical Component List
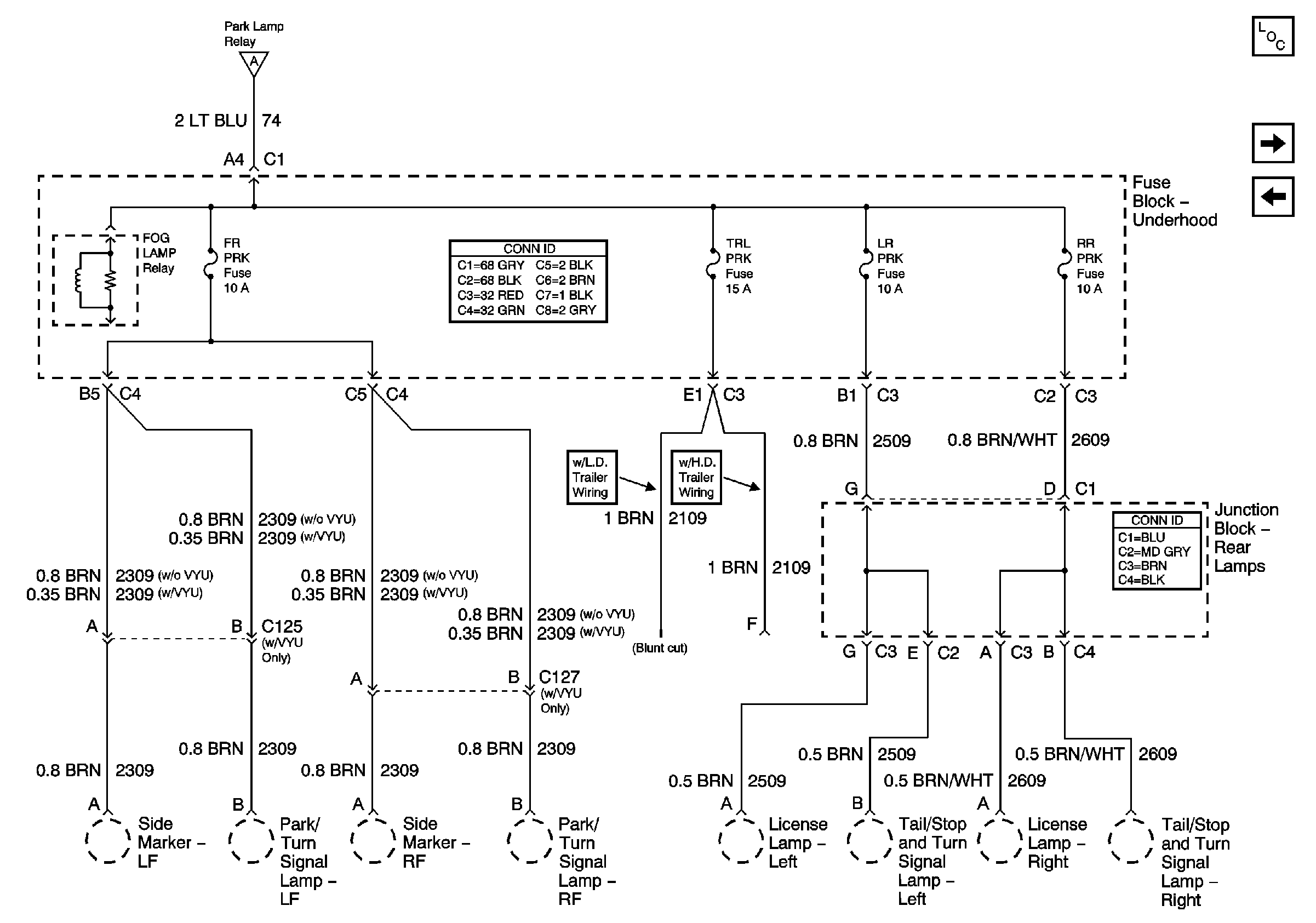
FR PRK, TRL PRK, LR PRK, and RR PRK Fuses
B/U LAMP, BTSI, VEH B/U and TRL B/U Fuses
B+ Bus Bar
FR PRK, TRL PRK, LR PRK, and RR PRK Fuses
INT PRK Fuse
INT PRK Fuse
Figure 7:

FR PRK, TRL PRK, LR PRK, and RR PRK Fuses


Object Number: 767873  Size: FS
Master Electrical Component List
INT PRK Fuse
ABS, HAZ LP, STUD 1, HTD MIR, RR DEFOG, STUD 2, CTSY LP, and PARK LP Fuses
ABS, HAZ LP, STUD 1, HTD MIR, RR DEFOG, STUD 2, CTSY LP, and PARK LP Fuses
Figure 8:

INT PRK Fuse


Object Number: 767875  Size: FS
Master Electrical Component List
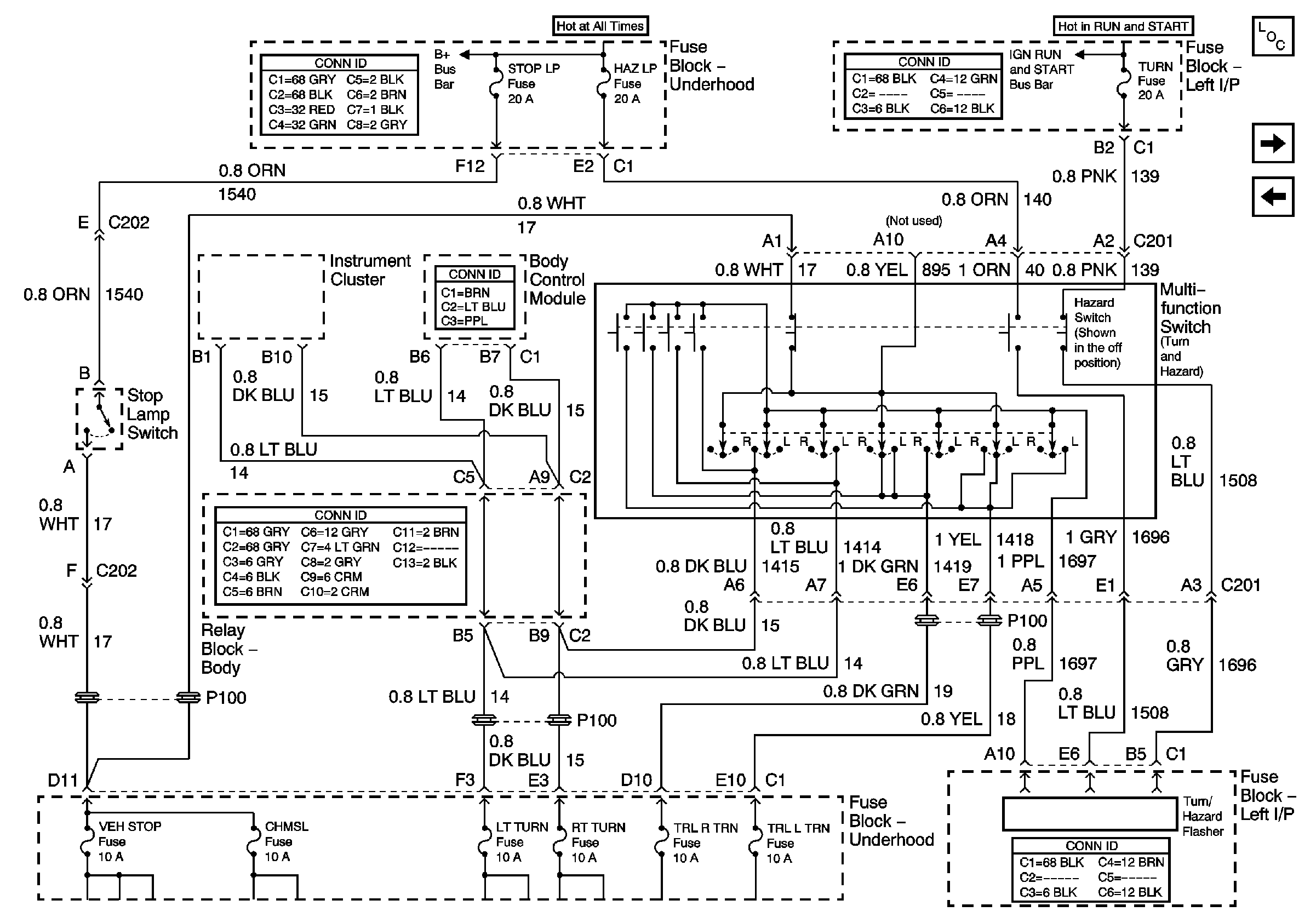
LT TURN, RT TURN, TRL L TURN, TRL R TURN, VEH STOP, and CHMSL Fuses
FR PRK, TRL PRK, LR PRK, and RR PRK Fuses
ABS, HAZ LP, STUD 1, HTD MIR, RR DEFOG, STUD 2, CTSY LP, and PARK LP Fuses
ABS, HAZ LP, STUD 1, HTD MIR, RR DEFOG, STUD 2, CTSY LP, and PARK LP Fuses
Figure 9:

LT TURN, RT TURN, TRL L TURN, TRL R TURN, VEH STOP, and CHMSL Fuses


Object Number: 767876  Size: FS
Master Electrical Component List
IGN 1, TURN, SEO IGN, AIR BAG, CRANK, and IGN 0 Fuses
INT PRK Fuse
Figure 10:

IGN 1, TURN, SEO IGN, AIR BAG, CRANK, and IGN O Fuses


Object Number: 767879  Size: FS
Master Electrical Component List
02B, 02A, ENG 1, and IGN E Fuses - Gas Only
LT TURN, RT TURN, TRL L TURN, TRL R TURN, VEH STOP, and CHMSL Fuses
02B, 02A, ENG 1, and IGN E Fuses - Gas Only
ECM I, FUEL HT, ENG 1, IGN E, ECMRPV, and INJ B
AUX PWR and HORN Fuses
Figure 11:

02B, 02A, ENG 1, and IGN E Fuses - Gas Only


Object Number: 767880  Size: FS
Master Electrical Component List
AIR, RTD, RADIO, RDO AMP, ECM B, FRT HVAC, and CIGAR Fuses
IGN 1, TURN, SEO IGN, AIR BAG, CRANK, and IGN 0 Fuses
IGN 1, TURN, SEO IGN, AIR BAG, CRANK, and IGN 0 Fuses
Figure 12:

AIR, RTD, RADIO, RDO AMP, ECM B, FRT HVAC, and CIGAR Fuses


Object Number: 767881  Size: FS
Master Electrical Component List
ECM I, FUEL HT, ENG 1, IGN E, ECMRPV, and INJ B
02B, 02A, ENG 1, and IGN E Fuses - Gas Only
ECM I, FUEL HT, ENG 1, IGN E, ECMRPV, and INJ B
B+ Bus Bar
Figure 13:

ECM I, FUEL HT, ENG 1, IGN E, ECMRPV, and INJ B Fuses - Diesel Only


Object Number: 798951  Size: FS
Master Electrical Component List
AUX PWR and HORN Fuses
AIR, RTD, RADIO, RDO AMP, ECM B, FRT HVAC, and CIGAR Fuses
Ignition, Run, and Start Bus Bar
IGN 1, TURN, SEO IGN, AIR BAG, CRANK, and IGN 0 Fuses
B+ Bus Bar
AIR, RTD, RADIO, RDO AMP, ECM B, FRT HVAC, and CIGAR Fuses
Figure 14:

AUX PWR, and Horn Fuse


Object Number: 798952  Size: FS
Master Electrical Component List
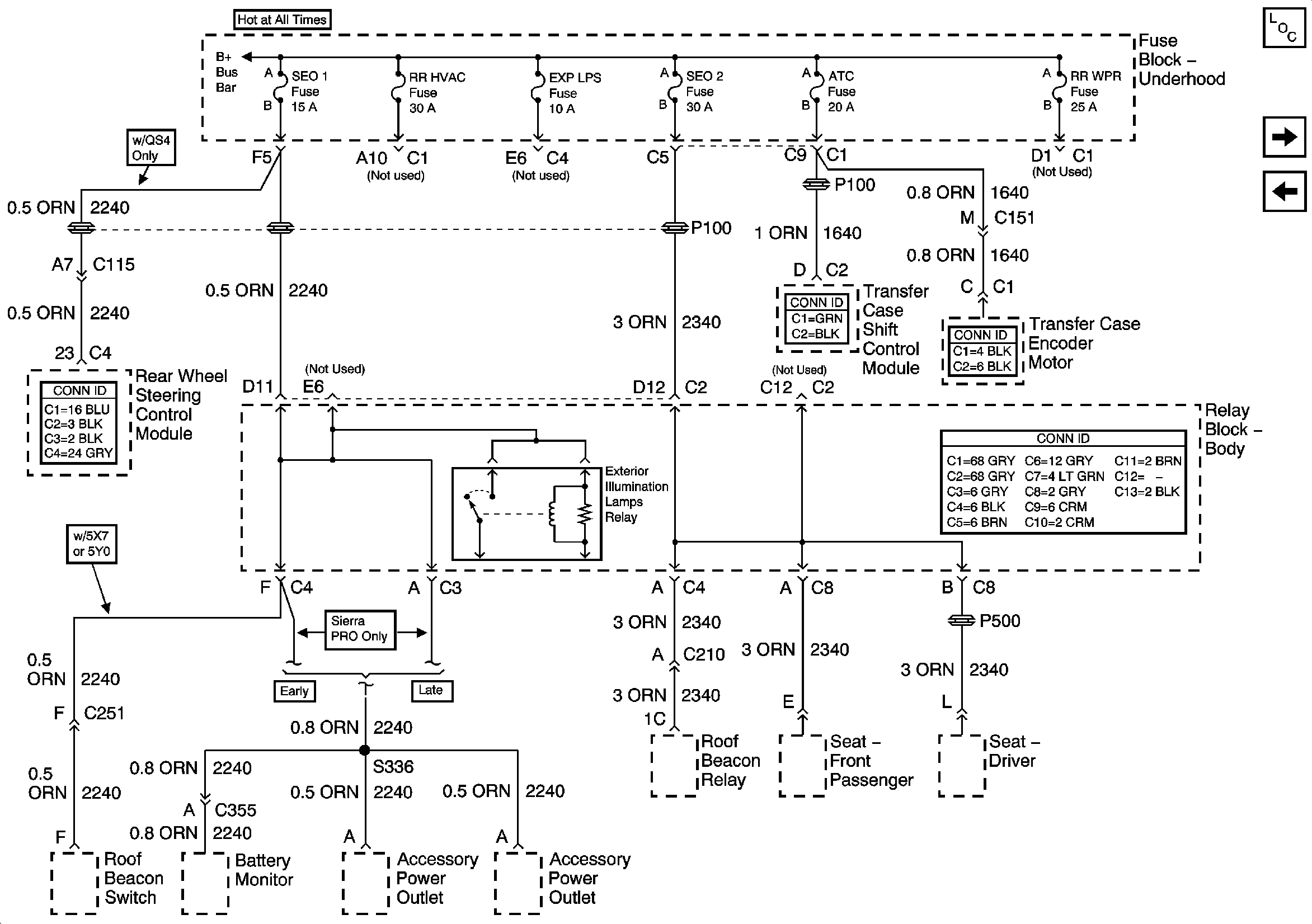
SEO 1, SEO 2, RR HVAC, EXP LPS, ATC, and RR WPR
ECM I, FUEL HT, ENG 1, IGN E, ECMRPV, and INJ B
IGN 1, TURN, SEO IGN, AIR BAG, CRANK, and IGN 0 Fuses
B+ Bus Bar
Figure 15:

SEO 1, SEO 2, RR HVAC, EXP LPS, ATC, and RR WPR Fuses


Object Number: 798953  Size: FS
Master Electrical Component List
ECM 1, ETC, INJ A, and INJ B Fuses - Gas Only
AUX PWR and HORN Fuses
B+ Bus Bar
B+ Bus Bar
Figure 16:

ECM 1, ETC, INJ A, and INJ B Fuses - Gas Only


Object Number: 798954  Size: FS
Master Electrical Component List
Ignition Coils - Gas Only
SEO 1, SEO 2, RR HVAC, EXP LPS, ATC, and RR WPR
B+ Bus Bar
Ignition, Run, and Start Bus Bar
Ignition Coils - Gas Only
Ignition Coils - Gas Only
Figure 17:

Ignition Coils - Gas Only


Object Number: 798957  Size: FS
Master Electrical Component List
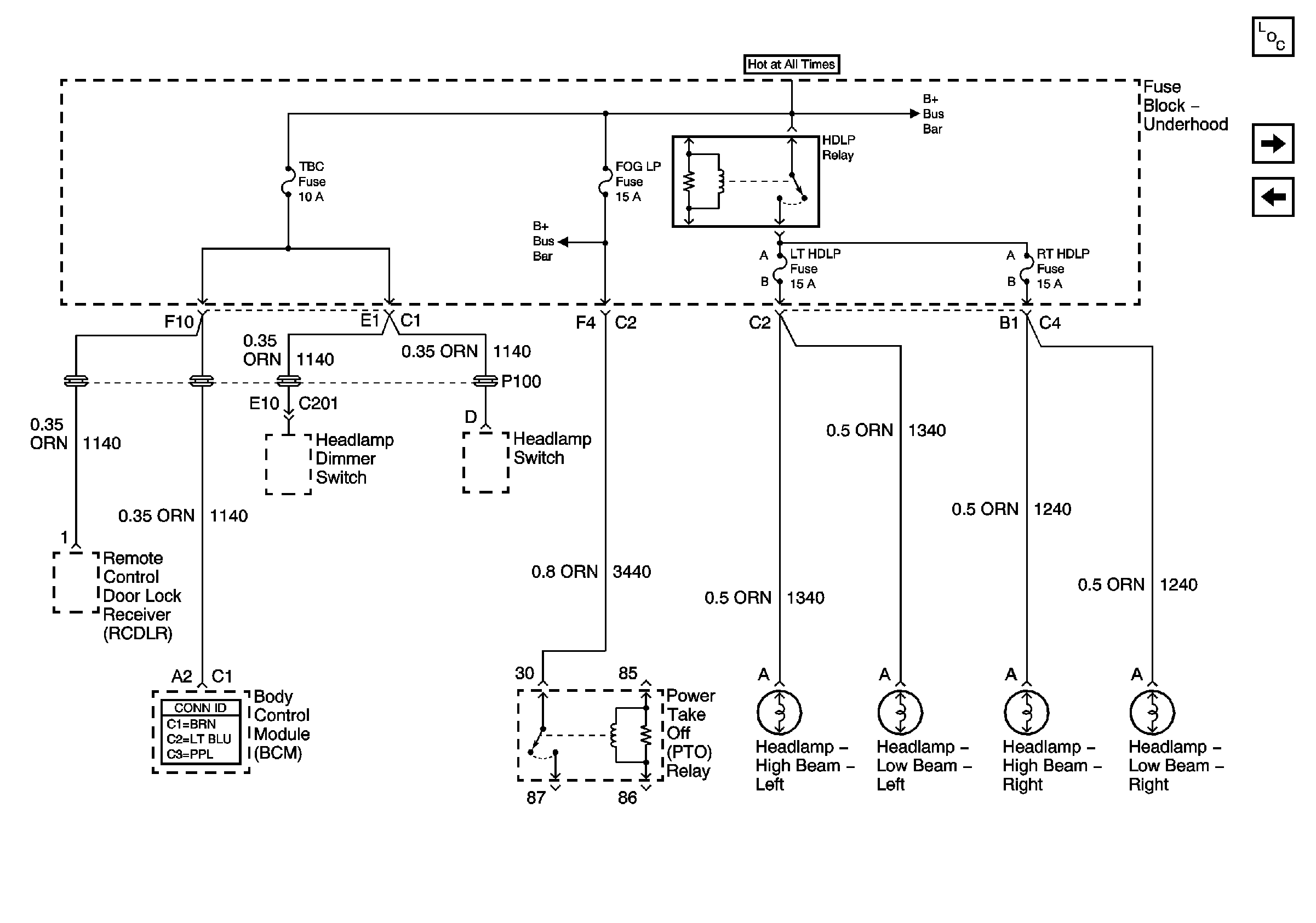
TBC, FOG LP, LT HDLP, and RT HDLP Fuses
ECM 1, ETC, INJ A, and INJ B Fuses - Gas Only
ECM 1, ETC, INJ A, and INJ B Fuses - Gas Only
ECM 1, ETC, INJ A, and INJ B Fuses - Gas Only
Figure 18:

TBC, FOG LP, LT HDLP, and RT HDLP Fuses


Object Number: 798959  Size: FS
Master Electrical Component List
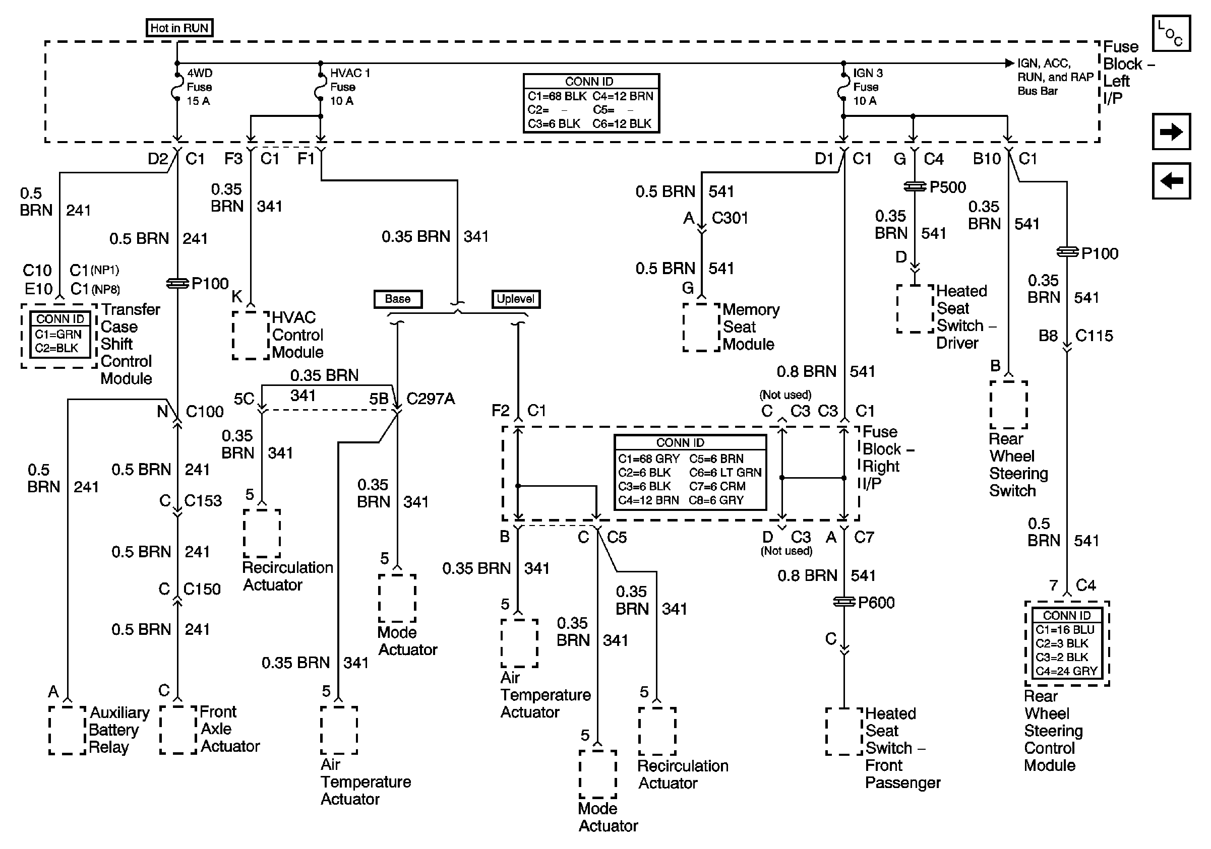
4WD, HVAC 1, and IGN 3 Fuses
Ignition Coils - Gas Only
B+ Bus Bar
B+ Bus Bar
Figure 19:

4WD, HVAC 1, and IGN 3 Fuses


Object Number: 798960  Size: FS
Master Electrical Component List
BRAKE, Cruise, HTR A/C, RR WPR, WS WPR, and SEO ACCY Fuses
TBC, FOG LP, LT HDLP, and RT HDLP Fuses
Ignition, Run, Accessory, and RAP Bus Bars - RAP#1 and RAP#2 Fuses
Figure 20:

BRAKE, CRUISE, HTR A/C, RR WPR, WS WPR, W/W PUMP, and SEO ACCY Fuses


Object Number: 798961  Size: FS
Master Electrical Component List
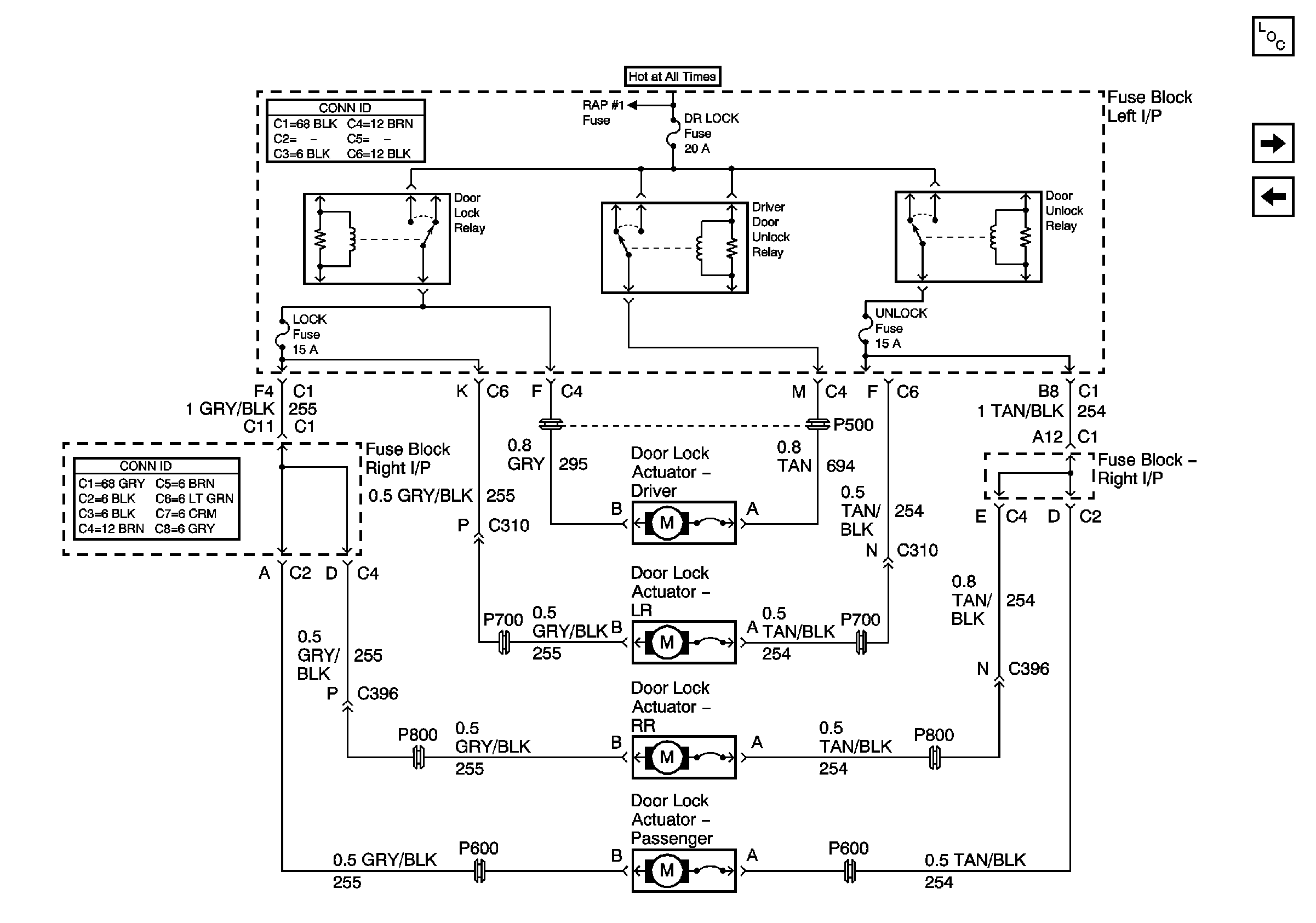
DR LOCK, LOCK, and UNLOCK Fuses
4WD, HVAC 1, and IGN 3 Fuses
Ignition, Run, Accessory, and RAP Bus Bars - RAP#1 and RAP#2 Fuses
Figure 21:

DR LOCK, LOCK, and UNLOCK Fuses


Object Number: 798962  Size: FS
Master Electrical Component List
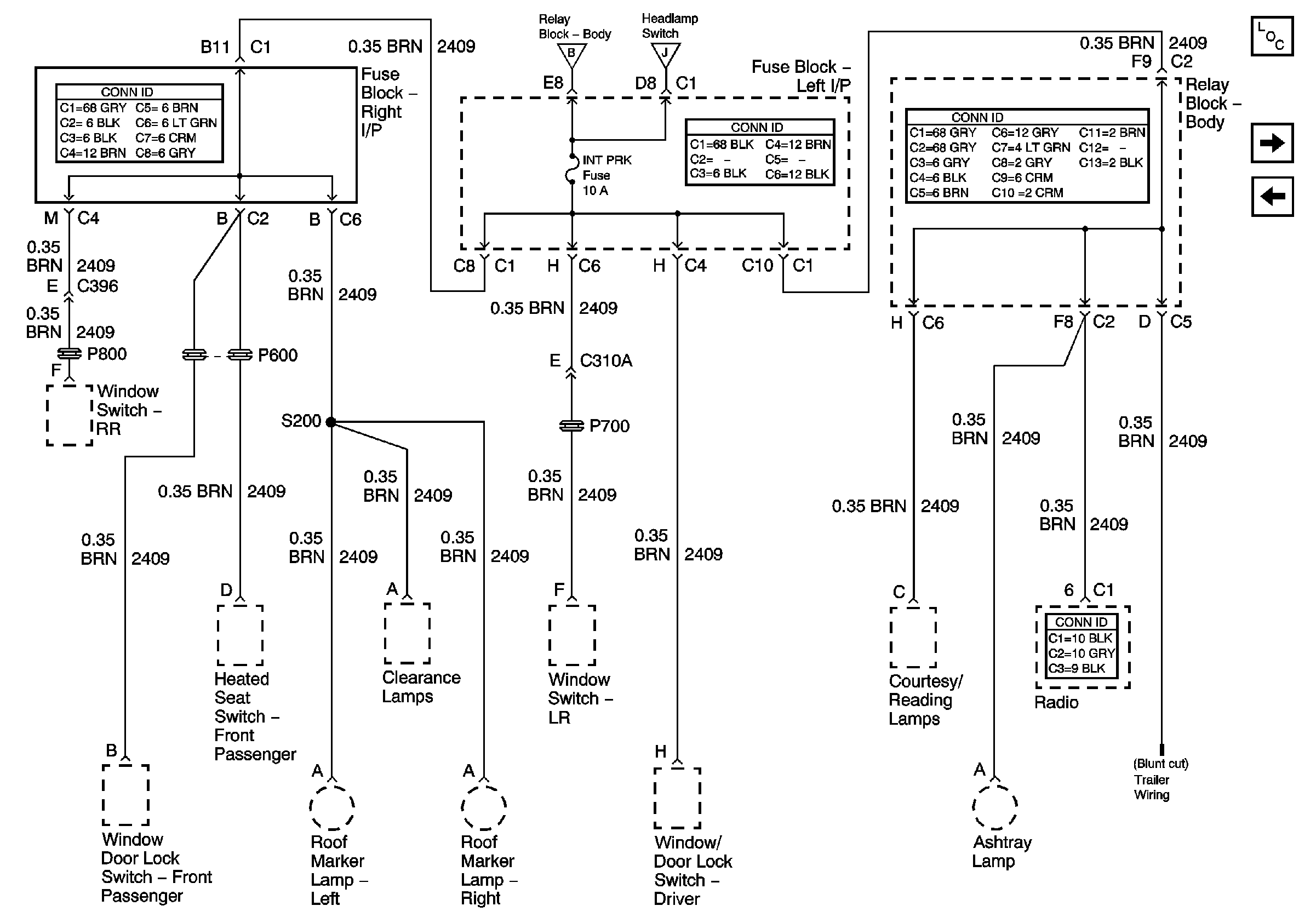
SEATS CB, and MIR/LOCK Fuse
BRAKE, Cruise, HTR A/C, RR WPR, WS WPR, and SEO ACCY Fuses
Ignition, Run, Accessory, and RAP Bus Bars - RAP#1 and RAP#2 Fuses
Figure 22:

SEATS CB, and MIR/LOCK Fuse


Object Number: 798963  Size: FS
Master Electrical Component List
DR LOCK, LOCK, and UNLOCK Fuses
Ignition, Run, Accessory, and RAP Bus Bars - RAP#1 and RAP#2 Fuses