GM Service Manual Online
For 1990-2009 cars only
Makes
🢒
Chevrolet
🢒
2002
🢒
Chevy K Silverado - 4WD
🢒
Body and Accessories
🢒
Wiring Systems
🢒 Cigar Lighter/Power Outlet Schematics
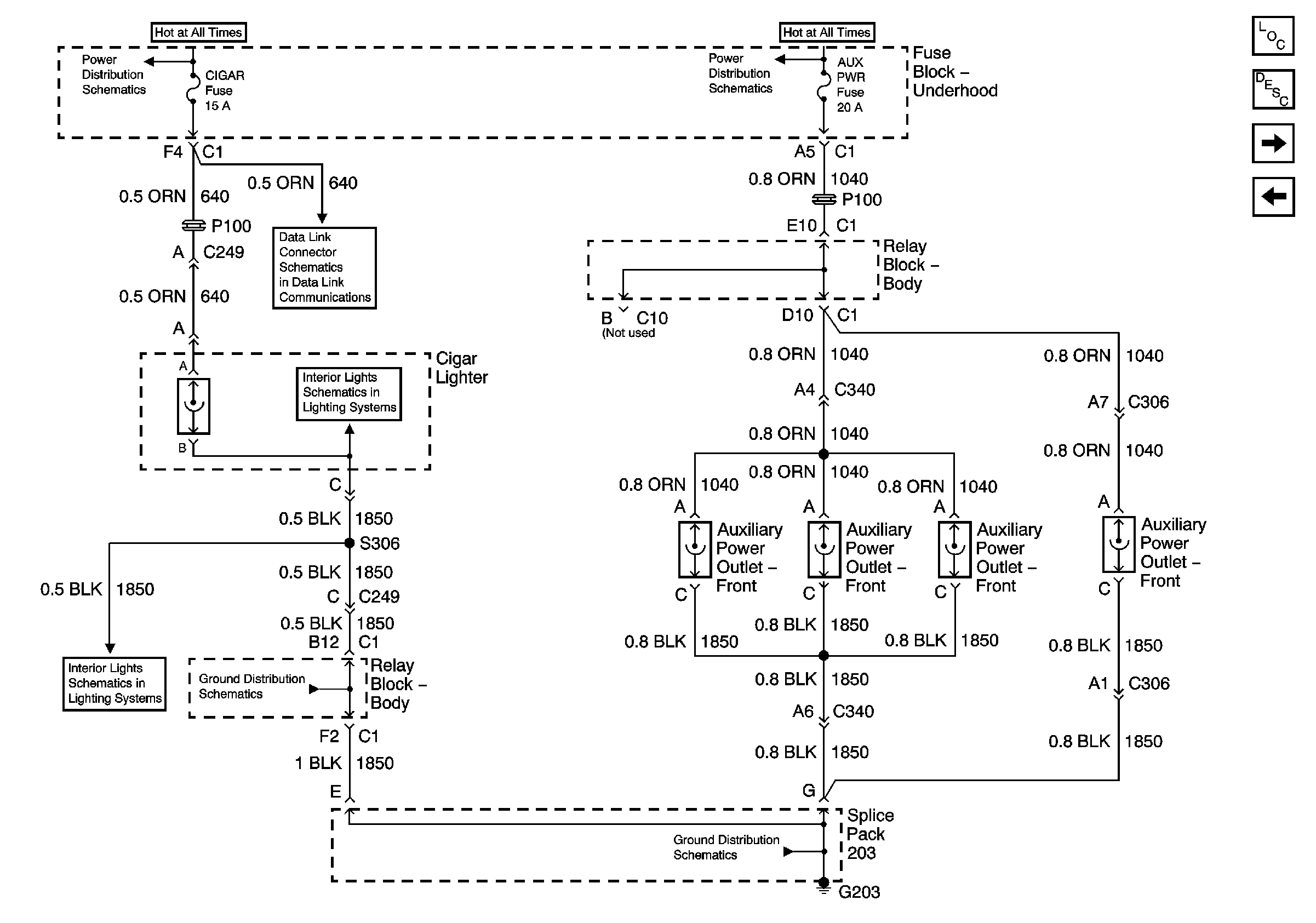
Figure
1:
Cigar Lighter/Auxiliary Power Schematics - Except Sierra Denali
Master Electrical Component List
Luxury Only
AIR, RTD, RADIO, RDO AMP, ECM B, FRT HVAC, and CIGAR Fuses
AUX PWR and HORN Fuses
AIR, RTD, RADIO, RDO AMP, ECM B, FRT HVAC, and CIGAR Fuses
G203 - 2 of 3 - Uplevel and Crew Cab
G203 - 2 of 3 - Uplevel and Crew Cab
G203 - 1 of 3
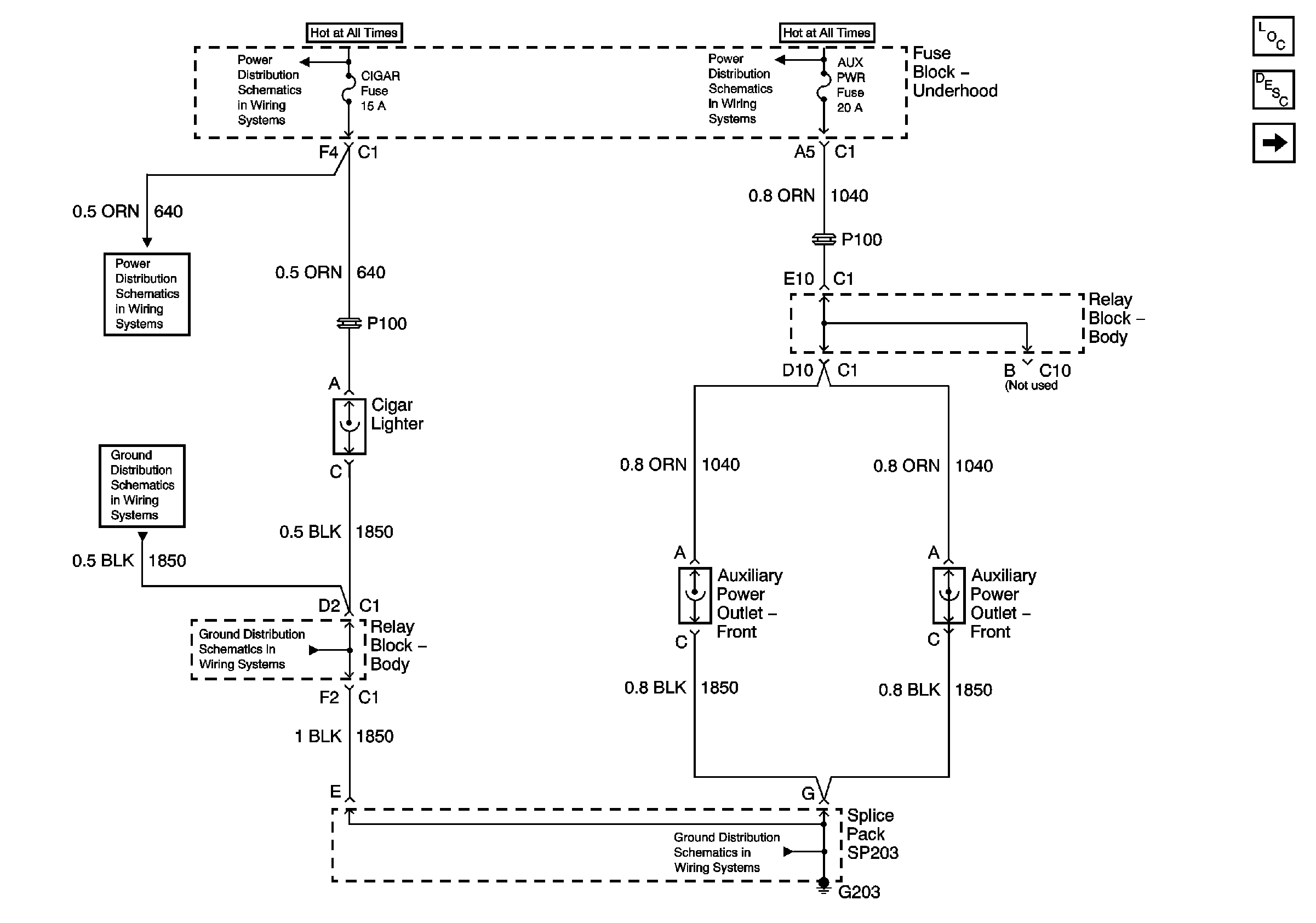
Figure
2:
Cigar Lighter/Auxiliary Power Schematics - Sierra Denali only
Master Electrical Component List
Except Luxury
Sierral Professional Console Outlets
AIR, RTD, RADIO, RDO AMP, ECM B, FRT HVAC, and CIGAR Fuses
AUX PWR and HORN Fuses
Power, Ground and SP203
Parklamp Controls - 3 of 3
G203 - 2 of 3 - Uplevel and Crew Cab
G203 - 2 of 3 - Base Except Crew Cab
G203 - 1 of 3
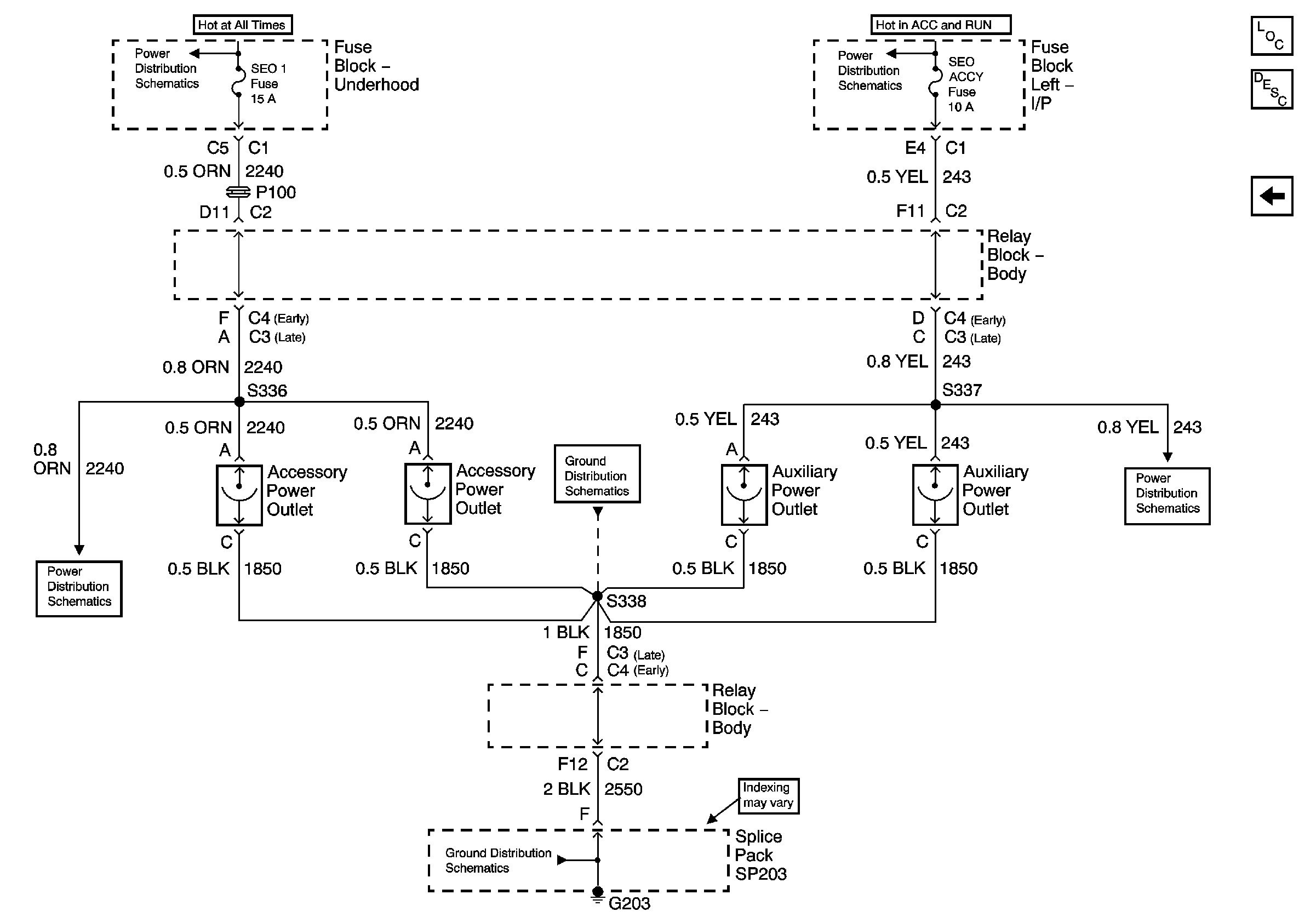
Figure
3:
Sierra Professional Console Outlets
Master Electrical Component List
Luxury Only
SEO 1, SEO 2, RR HVAC, EXP LPS, ATC, and RR WPR
BRAKE, Cruise, HTR A/C, RR WPR, WS WPR, and SEO ACCY Fuses
SEO 1, SEO 2, RR HVAC, EXP LPS, ATC, and RR WPR
G203 - 3 of 3
BRAKE, Cruise, HTR A/C, RR WPR, WS WPR, and SEO ACCY Fuses
G203 - 1 of 3