GM Service Manual Online
For 1990-2009 cars only
Makes
🢒
Chevrolet
🢒
2002
🢒
Chevy K Silverado - 4WD
🢒
Body and Accessories
🢒
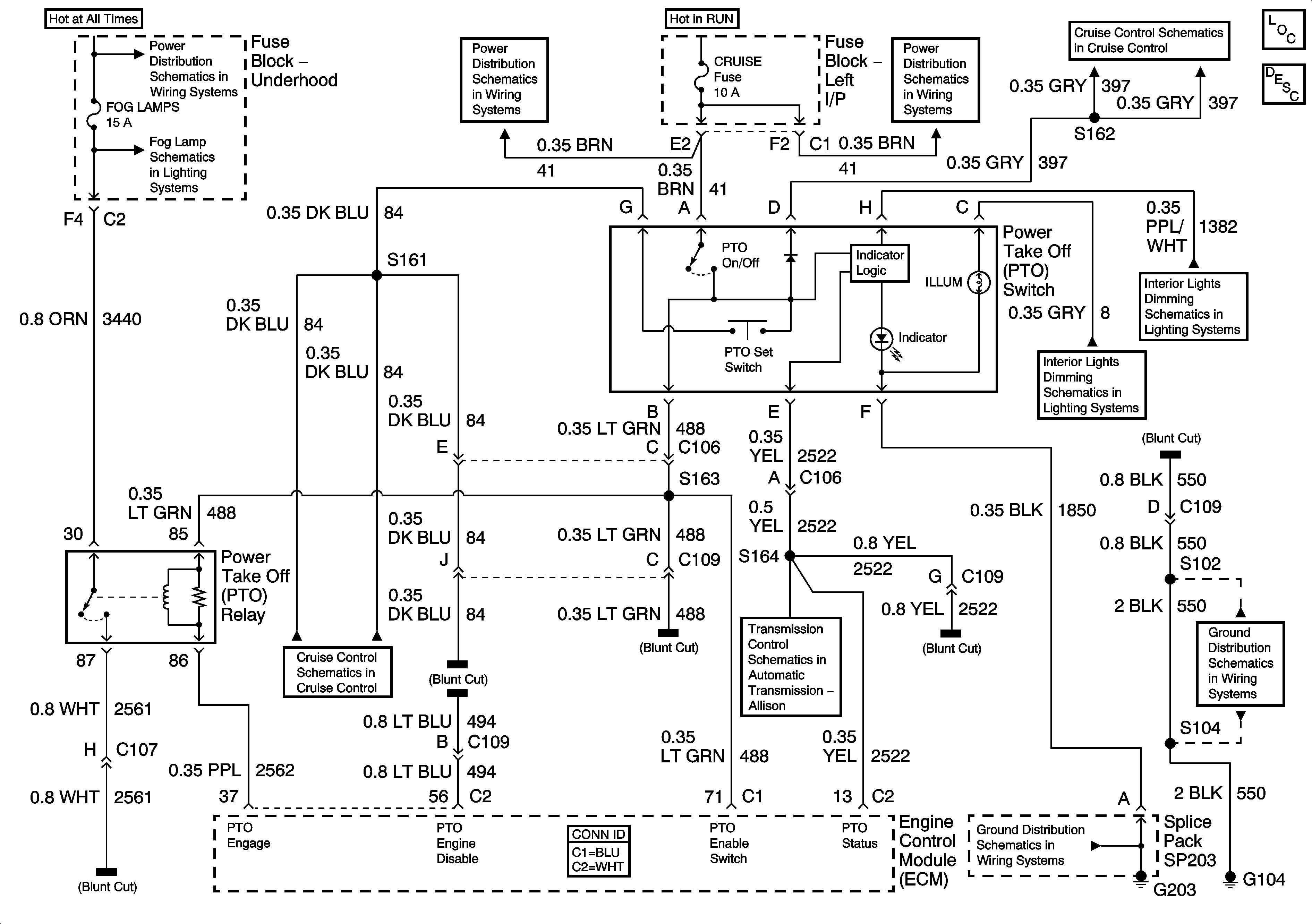
Power Take-Off
🢒 Power Take-Off (PTO) Schematics