GM Service Manual Online
For 1990-2009 cars only
Makes
🢒
Chevrolet
🢒
2002
🢒
Chevy K Silverado - 4WD
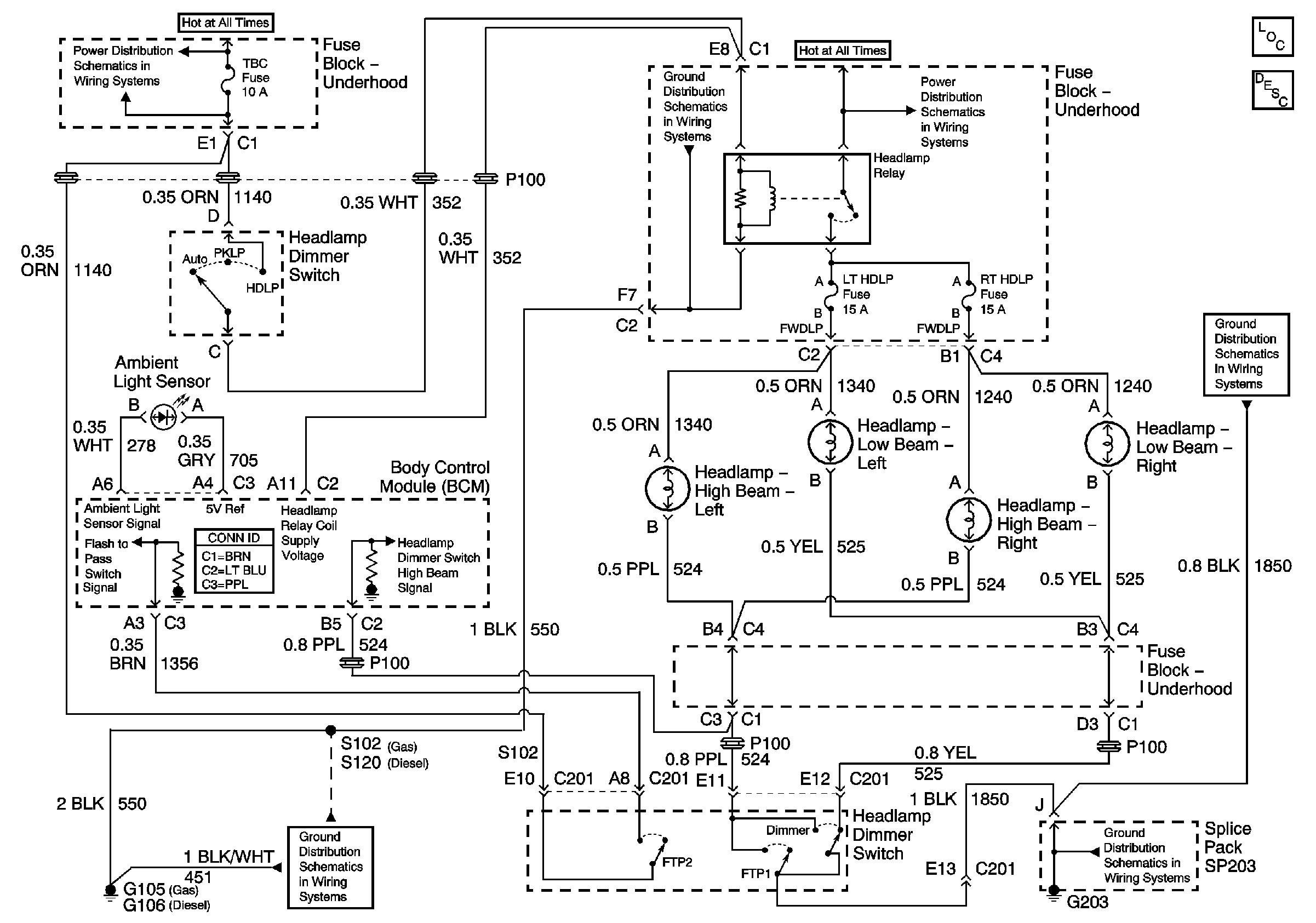
🢒 02 GMT800 Headlight Schematics
02 GMT800 Headlight Schematics
Master Electrical Component List
Exterior Lighting Systems Description and Operation
TBC, FOG LP, LT HDLP, and RT HDLP Fuses
G104 - Gas
TBC, FOG LP, LT HDLP, and RT HDLP Fuses
G104 - Gas
G203 - 1 of 3
G203 - 1 of 3