GM Service Manual Online
For 1990-2009 cars only
Makes
🢒
Chevrolet
🢒
2002
🢒
Chevy K Silverado - 4WD
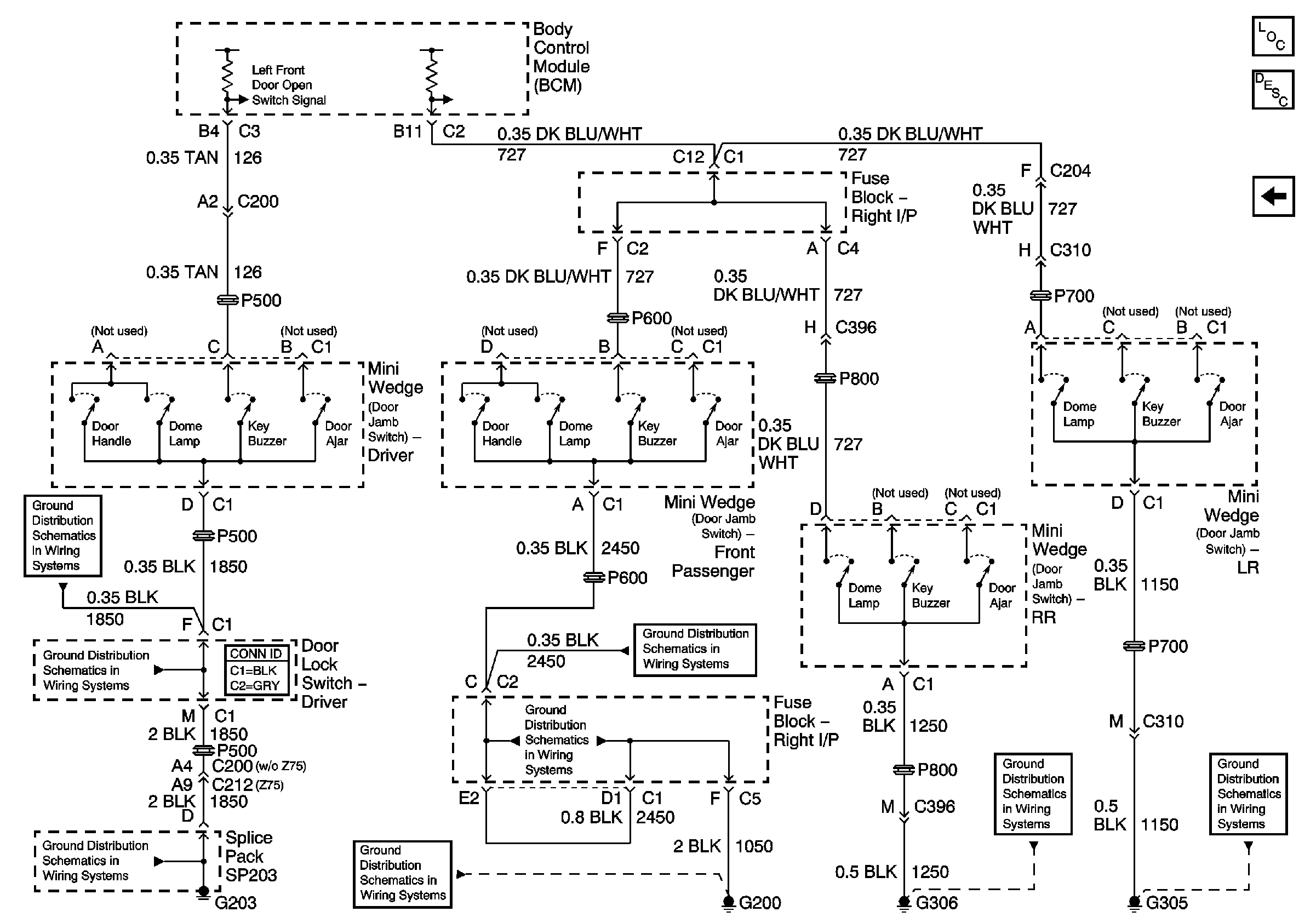
🢒 Door Jamb Switch Signals - Uplevel Crewcab
Door Jamb Switch Signals - Uplevel Crewcab
Door Jamb Switch Signals - Uplevel Crew Cab
Master Electrical Component List
Interior Lighting Systems Description and Operation
Door Jamb Switch Signals - Base Crewcab
G203 - 1 of 3
G203 - 1 of 3
G203 - 1 of 3
G200
G200
G200
G305 and G306
G305 and G306