GM Service Manual Online
For 1990-2009 cars only

Tools Required

    • J 36857 Engine Lift Brackets
    • J 43181 Quick Connect Connector Removal

Removal Procedure

Important: In order to remove the engine the vehicle needs to be on a hoist. The front wheels and tires will also require removal. The vehicle will have to be supported by the frame when the tires are removed.


    Object Number: 310799  Size: SH
  1. Recover the air conditioning (A/C) system. Refer to Refrigerant Recovery and Recharging in Heating, Ventilation and Air Conditioning.
  2. Disconnect the negative battery cables. Refer to Battery Negative Cable Disconnection and Connection in Engine Electrical.
  3. Move the hood to the service position by moving the hood hinge bolts (1) to the service position (2).
  4. Drain the cooling system. Refer to Cooling System Draining and Filling in Engine Cooling.

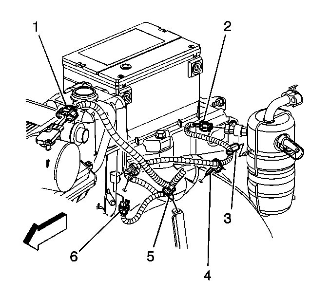
  5. Object Number: 674588  Size: SH
  6. Disconnect the following engine wire harness connectors:
  7. • Mass air flow switch (1)
    • A/C pressure cycling switch (2)
    • Surge tank switch (6)
  8. Remove the engine wire harness clip from the accumulator (3).
  9. Remove the engine wire harness clips from the wheelhouse inner panel (4).
  10. Remove the engine wire harness clip from the engine bracket (5).
  11. Remove the air cleaner. Refer to Air Cleaner Assembly Replacement in Engine Controls - 6.6L.
  12. Remove the surge tank. Refer to Radiator Surge Tank Replacement in Engine Cooling.
  13. Raise and suitably support the vehicle. Refer to Lifting and Jacking the Vehicle in General Information.
  14. Remove both front tires and wheels. Refer to Tire and Wheel Removal and Installation in Tires and Wheels.
  15. Remove both fender wheelhouse inner panels. Refer to Wheelhouse Panel Replacement in Body Front End.
  16. Lower the vehicle.
  17. Remove the charged air cooler pipes. Refer to Charged Air Cooler Hoses/Pipes Replacement .

  18. Object Number: 674532  Size: SH
  19. Loosen the hose clamps and remove the radiator inlet hose from the radiator and the engine.
  20. Remove the upper fan shroud. Refer to Engine Coolant Fan Upper Shroud Replacement in Engine Cooling.
  21. Remove the lower fan shroud. Refer to Engine Coolant Fan Lower Shroud Replacement in Engine Cooling.

  22. Object Number: 674543  Size: SH
  23. Loosen the hose clamp and remove the radiator outlet hose from the radiator.
  24. Disconnect the outlet heater hose from the outlet radiator hose.
  25. Remove the hose clips from the frame.

  26. Object Number: 674559  Size: SH
  27. Loosen the hose clamp and remove the radiator outlet hose from the engine.

  28. Object Number: 665386  Size: SH
  29. Remove the outlet heater hose pipe bolt (2).
  30. Remove the outlet heater hose pipe nut (1).
  31. Move the heater hose and secure aside.
  32. Remove the upper radiator support. Refer to Radiator Support Replacement in Body Front End.
  33. Remove the radiator. Refer to Radiator Replacement in Engine Cooling.
  34. Remove the charged air cooler. Refer to Charged Air Cooler Replacement .
  35. Remove the A/C condenser. Refer to Condenser Replacement in Heating, Ventilation and Air Conditioning.

  36. Object Number: 674573  Size: SH
  37. Disconnect the following electrical connectors:
  38. • Generator harness connector (1)
    • A/C refrigerant switch (3)
    • Dual generator harness connector (4), if equipped
    • A/C compressor clutch (5)
  39. Remove the harness clip (2) from the A/C compressor bracket.

  40. Object Number: 666693  Size: SH
  41. Remove the battery cable to the generator.
  42. If equipped remove the battery cable to the auxiliary generator.
  43. Remove the battery cable harness clip from the bracket.
  44. Remove the battery cable junction block bolt from the power steering pump.
  45. Move and secure the battery cables out of the way.

  46. Object Number: 674653  Size: SH
  47. Disconnect both fuel injection control module harness connectors. Flip the latch up and it will disconnect the connector.
  48. Remove the engine wire harness from the retainer.

  49. Object Number: 674616  Size: SH
  50. Disconnect the fuel lines at the engine. Refer to Metal Collar Quick Connect Fitting Service in Engine Controls - 6.6L.
  51. Remove the nut and the fuel line bracket from the upper valve rocker arm cover stud.
  52. Secure the fuel lines out of the way.

  53. Object Number: 674646  Size: SH
  54. Remove the power supply cable from the glow plug relay.

  55. Object Number: 652573  Size: SH
  56. Remove the drive belt. Refer to Drive Belt Replacement .
  57. Disconnect the suction hose from the accumulator. The compressor end can remain on the compressor.
  58. Remove the A/C compressor bolts.
  59. Move the A/C compressor with the hoses attached to the right side of the engine compartment.
  60. Move the wiring harness to the left side of the vehicle and secure out to the way.

  61. Object Number: 698146  Size: SH
  62. Remove the bolts retaining the power steering pump front bracket to the power steering pump and the air conditioner compressor mounting bracket.
  63. Remove the air conditioning and power steering pump mounting bracket. Refer to Air Conditioning (A/C) Compressor and Power Steering Pump Bracket Replacement .
  64. When the battery cables are removed from the engine the power steering pump can be removed further out of the way.


    Object Number: 698198  Size: SH
  65. Remove the positive crankcase ventilation (PCV) oil separator from the bracket.
  66. Remove the bolts retaining the PCV separator bracket and the fuel bleed valve.

  67. Object Number: 656133  Size: SH
  68. Remove the right idler pulley (ribbed).

  69. Object Number: 669244  Size: SH
  70. Remove the generator mounting bracket and secure to the side.
  71. • The generator does not require removal.
    • The drive belt tensioner does not require removal.

    Object Number: 362171  Size: SH
  72. Use the J 43181 in order to disconnect the inlet heater hose from the heater core inlet.

  73. Object Number: 669307  Size: SH
  74. Remove the bolt and the ground wires at the rear of the left cylinder head.
  75. Raise the vehicle.

  76. Object Number: 309158  Size: SH
  77. Remove the oil pan skid plate.

  78. Object Number: 310119  Size: SH
  79. Remove the engine shield from the vehicle, if equipped.

  80. Object Number: 674628  Size: SH
  81. Remove the bolt for the battery negative cable and the engine wiring harness ground wire from the left side of the engine.

  82. Object Number: 673564  Size: SH
  83. Remove the bolts holding the battery cable channel retainer to the lower crankcase.

  84. Object Number: 674570  Size: SH
  85. Disconnect the cord for the engine coolant heater.
  86. Remove the starter. Refer to Starter Motor Replacement in Engine Electrical.

  87. Object Number: 673568  Size: SH
  88. Remove the nut holding the battery cable bracket to the right side of the lower crankcase.

  89. Object Number: 674624  Size: SH
  90. Remove the bolt holding the auxiliary battery negative cable and the engine wiring harness ground wires to the right side of the engine.
  91. Move and secure the battery cables out of the way.

  92. Object Number: 668379  Size: SH
  93. Raise the vehicle. Refer to Lifting and Jacking the Vehicle in General Information.
  94. Drain the engine oil.
  95. Remove the exhaust pipe to the exhaust outlet clamp. Move the clamp onto the exhaust pipe.
  96. If vehicle is 4WD remove the lower oil pan. Refer to Lower Oil Pan Replacement .

  97. Object Number: 702519  Size: SH
  98. If equipped with an automatic transmission, mark the flywheel and torque converter relationship for assembly purposes.
  99. Remove the torque convertor bolts through the starter opening.

  100. Object Number: 686706  Size: SH
  101. If equipped with an automatic transmission, remove the transmission oil line clip nut.

  102. Object Number: 702776  Size: SH
  103. If equipped with an automatic transmission, remove the nuts retaining transmission fluid fill tube bracket.

  104. Object Number: 686685  Size: SH
  105. Remove the transmission to engine stud and bolts (automatic transmission shown). Note the location of the studs and any brackets attached to the studs.

  106. Object Number: 657625  Size: SH
  107. Lower the vehicle to work through the wheelhouse opening.
  108. Remove the engine mount to frame bracket bolts (left side shown).
  109. Lower the vehicle.

  110. Object Number: 674699  Size: SH
  111. Install the J 36857  (1) to the rear of the left cylinder head with a suitable bolt.

  112. Object Number: 674703  Size: SH
  113. Install the J 36857  (1) to the front of the right cylinder head with a suitable bolt.
  114. Install a suitable lifting device. The engine will have to be angled in order to remove. Use a load positioning sling to assist in angling the engine.

  115. Object Number: 657623  Size: SH
  116. Raise the vehicle off of the engine mounts.
  117. Remove the left and right engine mount frame brackets.
  118. Remove the engine from the vehicle.
  119. In order to secure the engine to an engine stand remove the following and follow the special procedures:
  120. • Refer to Engine Flywheel Removal .
    • Refer to Exhaust Outlet Removal .
    • Refer to Lower Oil Pan Removal .
    • Refer to Upper Oil Pan Removal .
    • Refer to Engine Flywheel Housing Removal .
    • Refer to Engine Mounting to Stand .

Installation Procedure


    Object Number: 674699  Size: SH
  1. Install the J 36857  (1) to the rear of the left cylinder head with a suitable bolt.

  2. Object Number: 674703  Size: SH
  3. Install the J 36857  (1) to the front of the right cylinder head with a suitable bolt.
  4. Install a suitable lifting device. The engine will have to be angled in order to install. Use a load positioning sling to assist in angling the engine.
  5. Remove the engine from the stand. Refer to Engine Removal from Stand
  6. Install the following:
  7. • Refer to Engine Flywheel Installation .
    • Refer to Exhaust Outlet Installation .
    • Refer to Lower Oil Pan Installation .
    • Refer to Upper Oil Pan Installation .
    • Refer to Engine Flywheel Housing Installation .
  8. Install the engine in the vehicle.
  9. Important: Do not draw the engine to the transmission using the transmission bolts. If everything is aligned properly the engine and transmission will come together.

  10. Loosely install 2 transmission to engine bolts.

  11. Object Number: 657623  Size: SH

    Notice: Use the correct fastener in the correct location. Replacement fasteners must be the correct part number for that application. Fasteners requiring replacement or fasteners requiring the use of thread locking compound or sealant are identified in the service procedure. Do not use paints, lubricants, or corrosion inhibitors on fasteners or fastener joint surfaces unless specified. These coatings affect fastener torque and joint clamping force and may damage the fastener. Use the correct tightening sequence and specifications when installing fasteners in order to avoid damage to parts and systems.

  12. Install the left and right side engine mount frame brackets.
  13. Tighten
    Tighten the through-bolts to 75 N·m (55 lb ft).


    Object Number: 657625  Size: SH
  14. Install the engine mount to frame bracket bolts (left side shown).
  15. Tighten
    Tighten the bolts to 65 N·m (50 lb ft).

  16. Remove the J 36857 from the cylinder heads.
  17. Raise the vehicle.

  18. Object Number: 686685  Size: SH
  19. Install the transmission to engine bolts (automatic transmission shown).
  20. Tighten
    Tighten the studs and bolts to 50 N·m (37 lb ft).


    Object Number: 702519  Size: SH
  21. If equipped with an automatic transmission install the torque convertor bolts.
  22. Tighten
    Tighten the bolts to 60 N·m (44 lb ft).


    Object Number: 702776  Size: SH
  23. If equipped with an automatic transmission, install the nuts retaining the transmission fluid fill tube bracket.
  24. Tighten
    Tighten the nuts to 18 N·m (13 lb ft).

  25. If the vehicle is 4WD, install the lower oil pan. Refer to Lower Oil Pan Replacement .

  26. Object Number: 686706  Size: SH
  27. If equipped with an automatic transmission, install the nut retaining the transmission oil cooler line clip
  28. Tighten
    Tighten the nut to 9 N·m (80 lb in).


    Object Number: 668379  Size: SH
  29. Install the exhaust pipe to the exhaust outlet.
  30. Install the exhaust manifold pipe to the exhaust outlet clamp.
  31. Tighten
    Tighten the clamp to 40 N·m (30 lb ft).

  32. Lower the vehicle to work through the front fender wheelhouse openings.

  33. Object Number: 674628  Size: SH
  34. Install the bolt retaining the battery negative cable and the engine wiring harness ground wire to the left side of the engine.
  35. Tighten
    Tighten the bolt to 34 N·m (25 lb ft).


    Object Number: 673564  Size: SH
  36. Install the bolts holding the battery cable channel retainer to the lower crankcase.
  37. Tighten
    Tighten the bolts to 12 N·m (106 lb ft).


    Object Number: 674624  Size: SH
  38. Install the bolts holding the auxiliary battery negative cable and the engine wiring harness ground wires to the right side of the engine.
  39. Tighten
    Tighten the bolts to 34 N·m (25 lb ft).


    Object Number: 673568  Size: SH
  40. Install the nut holding the battery cable bracket to the right side of the lower crankcase.
  41. Tighten
    Tighten the nut to 8 N·m (71 lb in).

  42. Install the starter. Refer to Starter Motor Replacement in Engine Electrical.

  43. Object Number: 674570  Size: SH
  44. Connect the cord for the engine coolant heater.

  45. Object Number: 309158  Size: SH
  46. Install the engine oil pan skid plate.
  47. Tighten
    Tighten the oil pan skid plate bolts to 20 N·m (15 lb ft).


    Object Number: 310119  Size: SH
  48. Install the engine shield.
  49. Tighten
    Tighten the bolts to 20 N·m (15 lb ft).

  50. Lower the vehicle.

  51. Object Number: 669307  Size: SH
  52. Install the bolt and the ground wires at the rear of the left cylinder head.
  53. Tighten
    Tighten the bolt to 34 N·m (25 lb ft).


    Object Number: 669244  Size: SH
  54. Install the generator mounting bracket and bolts.
  55. Tighten
    Tighten the bolts to 50 N·m (37 lb ft).


    Object Number: 656133  Size: SH
  56. Install the right idler pulley.
  57. Tighten
    Tighten the bolt to 43 N·m (32 lb ft).


    Object Number: 698198  Size: SH
  58. Install the PCV oil separator bracket and the fuel bleed with the nuts to the generator mounting bracket.
  59. Tighten
    Tighten the nuts to 25 N·m (18 lb ft).

  60. Install the PCV oil separator on the bracket.
  61. Install a nylon strap for the PCV oil separator.
  62. Install the air conditioning compressor and the power steering pump mounting bracket. Refer to Air Conditioning (A/C) Compressor and Power Steering Pump Bracket Replacement .

  63. Object Number: 652573  Size: SH
  64. Position the engine wiring harness on the engine.
  65. Position the A/C compressor.
  66. Install the A/C compressor mounting bolts.
  67. Tighten
    Tighten the bolts to 50 N·m (37 lb ft).

  68. Install the A/C suction hose to the accumulator.
  69. Install the drive belt. Refer to Drive Belt Replacement

  70. Object Number: 674646  Size: SH
  71. Install the power supply cable and nut to the glow plug relay.
  72. Tighten
    Tighten the nut to 2 N·m (18 lb in).


    Object Number: 674616  Size: SH
  73. Connect the fuel hoses at the engine.
  74. Install the nut and the fuel hose bracket to the valve rocker arm cover stud.
  75. Tighten
    Tighten the nut to 21 N·m (15 lb ft).


    Object Number: 674653  Size: SH
  76. Connect both fuel injection control module harness connectors.
  77. Install the engine wire harness in the retainer.

  78. Object Number: 666693  Size: SH
  79. Install the cable junction block and bolt to the power steering pump.
  80. Tighten
    Tighten the bolt to 9 N·m (80 lb in).

  81. If equipped, install the battery cable to the auxiliary generator.
  82. Install the battery cable to the generator.
  83. Tighten
    Tighten the nut to 9 N·m (80 lb in).

  84. Install the battery cable harness clip to the bracket.

  85. Object Number: 674573  Size: SH
  86. Connect the following electrical connectors:
  87. • Generator harness connector (1)
    • A/C refrigerant switch (3)
    • Dual generator harness connector (4), if equipped
    • A/C compressor clutch (5)
  88. Install the harness clip (2) to the A/C compressor bracket.
  89. Install the upper radiator support. Refer to Radiator Support Replacement in Body Front End.
  90. Install the A/C condenser. Refer to Condenser Replacement in Heating, Ventilation and Air Conditioning.
  91. Install the charged air cooler. Refer to Charged Air Cooler Replacement .
  92. Install the radiator. Refer to Radiator Replacement in Engine Cooling.

  93. Object Number: 674543  Size: SH
  94. Install the outlet radiator hose to the radiator and tighten the hose clamp.
  95. Install the hose clips to the frame.

  96. Object Number: 674559  Size: SH
  97. Install the outlet radiator hose to the engine and tighten the hose clamp.
  98. Install the lower fan shroud. Refer to Engine Coolant Fan Lower Shroud Replacement in Engine Cooling.
  99. Install the upper fan shroud. Refer to Engine Coolant Fan Upper Shroud Replacement in Engine Cooling.

  100. Object Number: 651356  Size: SH
  101. Connect the inlet heater hose (1) to the heater core inlet.
  102. Firmly push to quick connector onto the heater core pipe until you hear an audible click.


    Object Number: 665386  Size: SH
  103. Install the outlet heater hose to the outlet radiator hose.
  104. Install the nut (1) retaining the outlet heater hose pipe to the fuel filter mounting bracket.
  105. Tighten
    Tighten the nut to 9 N·m (80 lb in).

  106. Install the bolt (2) retaining the heater hose pipe to the generator mounting bracket.
  107. Tighten
    Tighten the bolt to 25 N·m (18 lb ft).


    Object Number: 674532  Size: SH
  108. Instal the outlet radiator hose to the radiator and the engine and tighten the hose clamps.
  109. Install the charged air cooler pipes and hoses to the turbocharger and the charged air cooler. Refer to Charged Air Cooler Hoses/Pipes Replacement .
  110. Install both fender wheelhouse inner panels (1). Refer to Wheelhouse Panel Replacement in Body Front End.
  111. Install both front tires and wheels. Refer to Tire and Wheel Removal and Installation in Tires and Wheels.
  112. Install the surge tank. Refer to Radiator Surge Tank Replacement in Engine Cooling.
  113. Install the air cleaner . Refer to Air Cleaner Assembly Replacement in Engine Controls - 6.6L.

  114. Object Number: 674588  Size: SH
  115. Connect the following engine wire harness connectors:
  116. • Mass air flow switch (1)
    • Air continuation pressure cycling switch (2)
    • Surge tank switch (6)
  117. Install the engine wire harness clip to the accumulator (3).
  118. Install the engine wire harness clips to the wheelhouse inner panel (4).
  119. Install the engine wire harness clip to the engine bracket (5).
  120. Connect the batteries negative cables. Refer to Battery Negative Cable Disconnection and Connection in Engine Electrical.
  121. Fill the engine coolant. Refer to Cooling System Draining and Filling in Engine Cooling.
  122. Prelube the engine. Refer to Engine Prelubing .
  123. Operate the engine, inspect for coolant, oil, fuel, and exhaust leaks.
  124. Inspect for proper oil pressure.
  125. Inspect for proper engine operation.

  126. Object Number: 310799  Size: SH
  127. Position the hood in the normal operating position by moving the hood hinge bolts from service position (2) to normal operating position (1).
  128. Tighten
    Tighten the bolts to 25 N·m (18 lb ft).

  129. Road test the vehicle for normal operation.
  130. Inspect for coolant, oil, or exhaust leaks.