GM Service Manual Online
For 1990-2009 cars only

Generator Control Module Replacement 5.3L Engine w/RPO HP2

Removal Procedure


    Object Number: 1237061  Size: SH
  1. Disconnect the energy storage box (ESB). Refer to Hybrid Battery Service Disconnect/Connect .
  2. Remove the air cleaner assembly. Refer to Air Cleaner Assembly Replacement in Engine Controls - 4.8L, 5.3L, and 6.0L.
  3. Remove the surge tank. Refer to Radiator Surge Tank Replacement in Engine Cooling.
  4. Remove the starter/generator control module (SGCM) coolant tank. Refer to Generator Control Module Coolant Tank Replacement in Engine Cooling.
  5. Remove the SGCM cover bolts, and cover.
  6. Remove the 3-phase cable nuts to the SGCM.
  7. Remove the 3-phase cable from the SGCM.

  8. Object Number: 1480429  Size: SH
  9. Remove the connector position assurance (CPA) retainer on the engine harness electrical connector.
  10. Disconnect the engine harness electrical connector.

  11. Object Number: 1257479  Size: SH
  12. Disconnect the accessory power receptacle electrical connector from the SGCM.

  13. Object Number: 1480439  Size: SH
  14. Reposition the SGCM coolant outlet hose clamp (2).
  15. Remove the SGCM coolant outlet hose (1).

  16. Object Number: 1237045  Size: SH
  17. Loosen the 14-volt positive/negative battery cable bolt (1).
  18. Remove the red connector position assurance (CPA) retainer.
  19. Disconnect the 14-volt positive/negative battery cable.

  20. Object Number: 1237049  Size: SH
  21. Loosen the 42-volt positive/negative battery cable bolt (1).
  22. Remove the red CPA retainer.
  23. Disconnect the 42-volt positive/negative battery cable.
  24. Disconnect the 42-volt jumper ground wire connector (2).

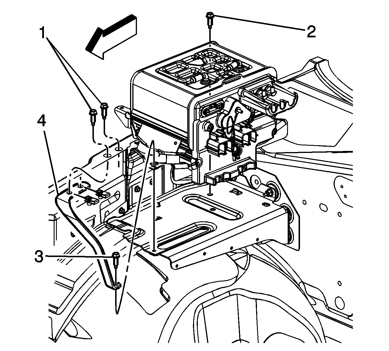
  25. Object Number: 1237056  Size: SH
  26. Remove the SGCM rear bolt (2).
  27. Remove the SGCM front bolt (3).
  28. Remove the brace (4).
  29. Remove the SGCM.

Installation Procedure


    Object Number: 1237056  Size: SH
  1. Install the SGCM.
  2. Install the brace (4).
  3. Install the SGCM front bolt (3).
  4. Notice: Refer to Fastener Notice in the Preface section.

  5. Install the SGCM rear bolt (2).
  6. Tighten
    Tighten the bolts to 20 N·m (15 lb ft).


    Object Number: 1237049  Size: SH
  7. Connect the 42-volt jumper ground wire connector (2).
  8. Connect the 42-volt positive/negative battery cable.
  9. Install the red CPA retainer.
  10. Tighten the 42-volt positive/negative battery cable bolt (1).
  11. Tighten
    Tighten the bolt to 9 N·m (80 lb in).


    Object Number: 1237045  Size: SH
  12. Connect the 14-volt positive/negative battery cable.
  13. Install the red CPA retainer.
  14. Tighten the 14-volt positive/negative battery cable bolt (1).
  15. Tighten
    Tighten the bolt to 9 N·m (80 lb in).


    Object Number: 1480439  Size: SH
  16. Install the SGCM coolant outlet hose (1).
  17. Position the SGCM coolant outlet hose clamp (2).

  18. Object Number: 1257479  Size: SH
  19. Connect the accessory power receptacle electrical connector to the SGCM.

  20. Object Number: 1480429  Size: SH
  21. Connect the engine harness electrical connector.
  22. Install the CPA retainer on the engine harness electrical connector.

  23. Object Number: 1237061  Size: SH
  24. Install the 3-phase cable to the SGCM.
  25. Install the 3-phase cable nuts to the SGCM.
  26. Tighten
    Tighten the nuts to 15 N·m (11 lb ft).

  27. Install the SGCM cover and bolts.
  28. Tighten
    Tighten the bolts to 9 N·m (80 lb in).

  29. Install the SGCM coolant tank. Refer to Generator Control Module Coolant Tank Replacement in Engine Cooling.
  30. Install the surge tank. Refer to Radiator Surge Tank Replacement in Engine Cooling.
  31. Install the air cleaner assembly. Refer to Air Cleaner Assembly Replacement in Engine Controls - 4.8L, 5.3L, and 6.0L.
  32. Connect the ESB. Refer to Hybrid Battery Service Disconnect/Connect .
  33. Program the SGCM. Refer to Service Programming System (SPS) in Programming and Setup.