GM Service Manual Online
For 1990-2009 cars only

Fuel Tank Replacement Pickup

Removal Procedure

Important: Clean the fuel and evaporative emission (EVAP) connections and surrounding areas prior to disconnecting the lines in order to avoid possible system contamination.


    Object Number: 1228110  Size: SH
  1. Relieve the fuel system pressure. Refer to Fuel Pressure Relief .
  2. Drain the fuel tank. Refer to Fuel Tank Draining .
  3. Remove the fuel tank fill pipe. Refer to Filler Tube Replacement .
  4. Disconnect the EVAP canister vent solenoid electrical connector.
  5. Remove the EVAP canister vent solenoid from the fuel tank.

  6. Object Number: 626413  Size: SH
  7. If equipped, remove the fuel tank shield bolts.
  8. Remove the fuel tank shield.

  9. Object Number: 1228093  Size: SH
  10. Disconnect the fuel feed and EVAP quick connect fittings. Refer to Plastic Collar Quick Connect Fitting Service .
  11. Cap the fuel and EVAP lines in order to prevent possible system contamination.
  12. Place a suitable adjustable jack under the fuel tank.
  13. Remove the fuel tank strap bolts.
  14. Remove the fuel tank straps.
  15. Lower the fuel tank until the electrical connections are accessible.

  16. Object Number: 1238148  Size: SH
  17. Disconnect the fuel sending unit and fuel pressure sensor electrical connectors.
  18. Completely lower the fuel tank.
  19. With the aid of an assistant, place the fuel tank in a suitable work area.
  20. If necessary, remove the sending unit. Refer to Fuel Sender Assembly Replacement .

Installation Procedure


    Object Number: 1238148  Size: SH
  1. If necessary, install the sending unit. Refer to Fuel Sender Assembly Replacement .
  2. With the aid of an assistant, place the fuel tank onto the adjustable jack.
  3. Raise the fuel tank until the electrical connections can be made.
  4. Connect the fuel sending unit and pressure sensor electrical connectors.
  5. Completely raise the fuel tank.
  6. Notice: Refer to Fastener Notice in the Preface section.


    Object Number: 1228093  Size: SH
  7. Install the fuel tank straps.
  8. Install the fuel tank strap bolts.
  9. Tighten
    Tighten the bolts to 40 N·m (30 lb ft).

  10. Remove the adjustable jack from under the fuel tank.
  11. Remove the caps from the fuel and EVAP lines.
  12. Connect the fuel feed and EVAP quick connect fittings. Refer to Plastic Collar Quick Connect Fitting Service .

  13. Object Number: 626413  Size: SH
  14. If necessary, install the fuel tank shield.
  15. Install the fuel tank shield bolts.
  16. Tighten
    Tighten the bolts to 18 N·m (13 lb ft).


    Object Number: 1228110  Size: SH
  17. Install the EVAP canister vent solenoid to the fuel tank.
  18. Connect the EVAP canister vent solenoid electrical connector.
  19. Install the fuel tank fill pipe. Refer to Filler Tube Replacement .
  20. Refill the fuel tank.
  21. Install the fuel cap.
  22. Connect the negative battery cable. Refer to Battery Negative Cable Disconnection and Connection .
  23. Perform the following procedure in order to inspect for leaks:
  24. 19.1. Turn the ignition ON, with the engine OFF, for 2 seconds.
    19.2. Turn the ignition OFF for 10 seconds.
    19.3. Turn the ignition ON, with the engine OFF.
    19.4. Inspect for fuel leaks.

Fuel Tank Replacement Cab/Chassis - Front

Removal Procedure

Important: Clean the fuel and evaporative emission (EVAP) connections and surrounding areas prior to disconnecting the lines in order to avoid possible system contamination.


    Object Number: 1228187  Size: SH
  1. Relieve the fuel system pressure. Refer to Fuel Pressure Relief .
  2. If equipped with a rear auxiliary tank, disconnect the fuel feed and EVAP (evaporative emission ) quick connect fittings. Refer to Metal Collar Quick Connect Fitting Service .
  3. Cap the fuel feed and EVAP pipes in order to prevent possible system contamination.

  4. Object Number: 1228174  Size: SH
  5. Loosen the fuel fill pipe clamp (2) at the tank.
  6. Loosen the vent pipe clamp (1) at the tank.
  7. Remove the fuel fill pipe and vent pipe from the tank.
  8. Drain the fuel tank. Refer to Fuel Tank Draining .

  9. Object Number: 1238183  Size: SH
  10. Disconnect the fuel sending unit and fuel pressure sensor electrical connectors (1).
  11. Remove the canister vent solenoid (CVS) line from the fuel tank clips.

  12. Object Number: 1228206  Size: SH
  13. Disconnect the fuel feed and EVAP quick connect fittings from the sending unit. Refer to Metal Collar Quick Connect Fitting Service .
  14. Raise and suitably support the vehicle. Refer to Lifting and Jacking the Vehicle .

  15. Object Number: 877744  Size: SH
  16. Remove the fuel tank shield bolts.
  17. Remove the fuel tank shield.
  18. Place a suitable adjustable jack under the fuel tank.

  19. Object Number: 1228169  Size: SH
  20. Remove the fuel tank strap bolts.
  21. Remove the fuel tank straps.
  22. Lower the fuel tank.
  23. With the aid of an assistant, place the fuel tank in a suitable work area.
  24. Cap the fuel and EVAP pipes in order to prevent possible system contamination.
  25. If necessary, remove the sending unit. Refer to Fuel Sender Assembly Replacement .

Installation Procedure


    Object Number: 1228169  Size: SH
  1. If necessary, install the sending unit. Refer to Fuel Sender Assembly Replacement .
  2. Remove the caps from the fuel and EVAP pipes.
  3. With the aid of an assistant, place the fuel tank on the jack.
  4. Raise the fuel tank.
  5. Notice: Refer to Fastener Notice in the Preface section.

  6. Install the fuel tank straps.
  7. Install the fuel tank strap bolts.
  8. Tighten
    Tighten the bolts to 40 N·m (30 lb ft).


    Object Number: 877744  Size: SH
  9. Remove the jack from under the fuel tank.
  10. Install the fuel tank shield.
  11. Install the fuel tank shield bolts.
  12. Tighten
    Tighten the bolts to 18 N·m (13 lb ft).

  13. Lower the vehicle.

  14. Object Number: 1228206  Size: SH
  15. Connect the fuel feed and EVAP quick connect fittings to the sending unit. Refer to Metal Collar Quick Connect Fitting Service .

  16. Object Number: 1238183  Size: SH
  17. Connect the fuel sending unit and fuel pressure sensor electrical connectors (1).
  18. Install the CVS line to the fuel tank clips.

  19. Object Number: 1228174  Size: SH
  20. Install the fuel fill pipe and vent pipe to the tank.
  21. Tighten the vent pipe clamp (1) at the tank.
  22. Tighten the fuel fill pipe clamp (2) at the tank.
  23. Tighten
    Tighten the clamps to 2.5 N·m (22 lb in).


    Object Number: 1228187  Size: SH
  24. Remove the caps from the fuel feed and EVAP pipes.
  25. If equipped with a rear auxiliary tank, connect the fuel feed and EVAP quick connect fittings. Refer to Metal Collar Quick Connect Fitting Service .
  26. Refill the fuel tank.
  27. Install the fuel fill cap.
  28. Connect the negative battery cable. Refer to Battery Negative Cable Disconnection and Connection .
  29. Perform the following steps in order to inspect for leaks.
  30. 22.1. Turn the ignition ON, with the engine OFF, for 2 seconds.
    22.2. Turn the ignition OFF for 10 seconds.
    22.3. Turn the ignition ON, with the engine OFF.
    22.4. Inspect for fuel leaks.

Fuel Tank Replacement Cab/Chassis - Rear

Removal Procedure

Important: Clean the fuel and evaporative emission (EVAP) connections and surrounding areas prior to disconnecting the lines in order to avoid possible system contamination.


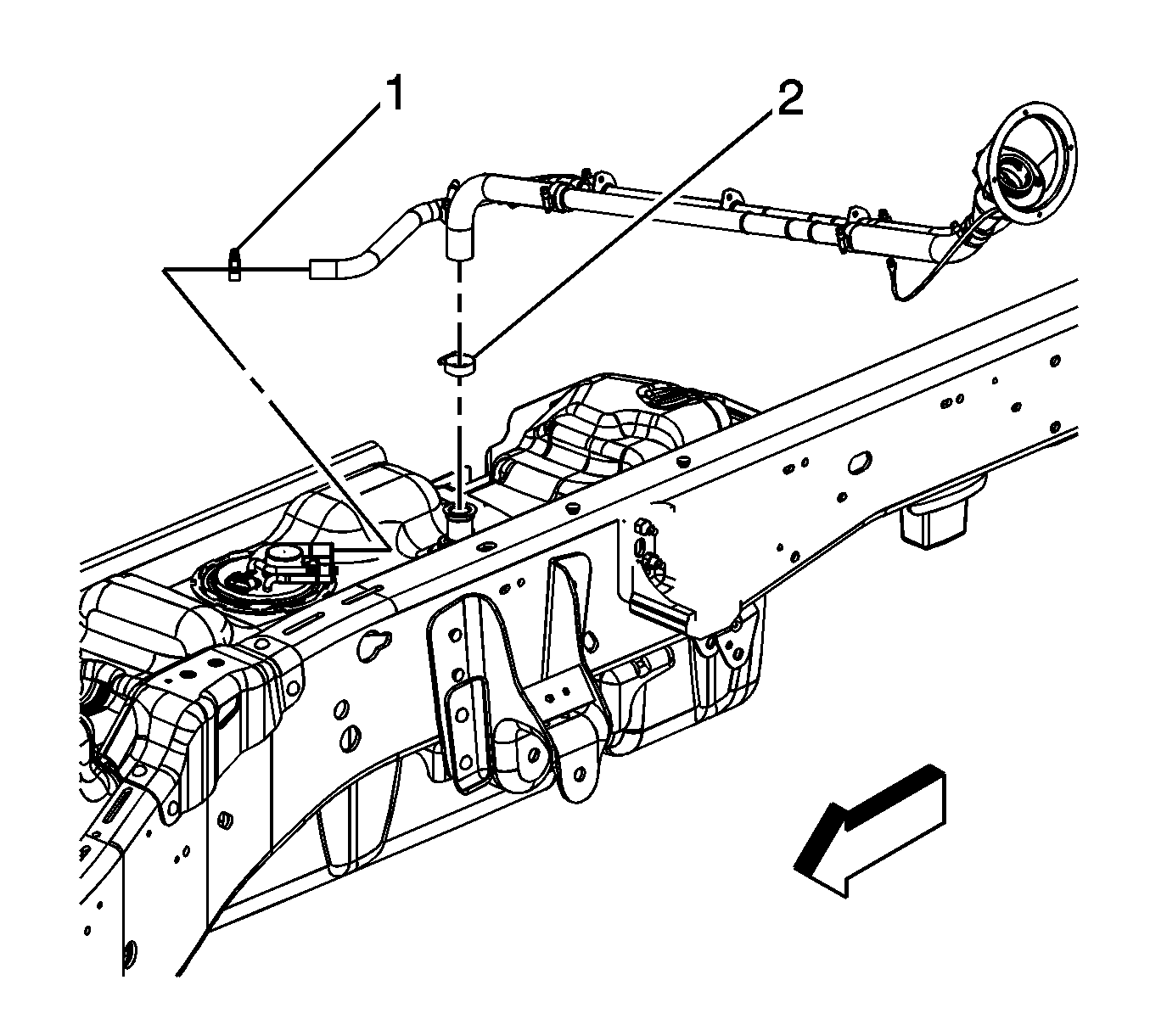
    Object Number: 1228175  Size: SH
  1. Relieve the fuel system pressure. Refer to Fuel Pressure Relief .
  2. Loosen the fuel fill pipe hose clamp (2) at the tank.
  3. Loosen the fuel vent pipe hose clamp (1) at the tank.
  4. Remove the fuel fill and vent hoses from the tank.
  5. Drain the fuel tank. Refer to Fuel Tank Draining .
  6. Disconnect the fuel tank pressure sensor electrical connector.

  7. Object Number: 1228189  Size: SH
  8. Disconnect the fuel feed and EVAP (evaporative emission) quick connect fittings. Refer to Metal Collar Quick Connect Fitting Service .
  9. Cap the fuel/EVAP lines in order to prevent possible system contamination.
  10. Raise and suitably support the vehicle. Refer to Lifting and Jacking the Vehicle .

  11. Object Number: 1228172  Size: SH
  12. Remove the fuel tank shield bolts.
  13. Remove the fuel tank shield.
  14. Place a suitable adjustable jack under the fuel tank.

  15. Object Number: 1228170  Size: SH
  16. Remove the fuel tank strap bolts.
  17. Remove the fuel tank straps.
  18. Lower the fuel tank.
  19. With the aid of an assistant, place the fuel tank in a suitable work area.
  20. If necessary, remove the sending unit. Refer to Fuel Sender Assembly Replacement .

Installation Procedure


    Object Number: 1228170  Size: SH
  1. If necessary, install the sending unit. Refer to Fuel Sender Assembly Replacement .
  2. With the aid of an assistant, place the fuel tank on the jack.
  3. Raise the fuel tank.
  4. Notice: Refer to Fastener Notice in the Preface section.

  5. Install the fuel tank straps.
  6. Install the fuel tank strap bolts.
  7. Tighten
    Tighten the bolts to 40 N·m (30 lb ft).

  8. Remove the jack from under the fuel tank.

  9. Object Number: 1228172  Size: SH
  10. Install the fuel tank shield.
  11. Install the fuel tank shield bolts.
  12. Tighten
    Tighten the bolts to 18 N·m (13 lb ft).

  13. Lower the vehicle.

  14. Object Number: 1228189  Size: SH
  15. Remove the caps from the fuel/EVAP lines.
  16. Connect the fuel feed and EVAP quick connect fittings. Refer to Metal Collar Quick Connect Fitting Service .
  17. Disconnect the fuel tank pressure sensor electrical connector.

  18. Object Number: 1228175  Size: SH
  19. Install the fuel fill and vent hoses to the tank.
  20. Tighten the fuel vent pipe hose clamp (1) at the tank.
  21. Tighten the fuel fill pipe hose clamp (2) at the tank.
  22. Tighten
    Tighten the clamps to 2.5 N·m (22 lb in).

  23. Refill the fuel tank.
  24. Install the fuel fill cap.
  25. Connect the negative battery cable. Refer to Battery Negative Cable Disconnection and Connection .
  26. Perform the following steps in order to inspect for leaks.
  27. 19.1. Turn the ignition ON, with the engine OFF, for 2 seconds.
    19.2. Turn the ignition OFF for 10 seconds.
    19.3. Turn the ignition ON, with the engine OFF.
    19.4. Inspect for fuel leaks.