GM Service Manual Online
For 1990-2009 cars only
Makes
🢒
Chevrolet
🢒
2004
🢒
Chevy K Silverado - 4WD
🢒
Driveline/Axle
🢒
Transfer Case - NVG 263-NP1
🢒 Transfer Case Control Schematics
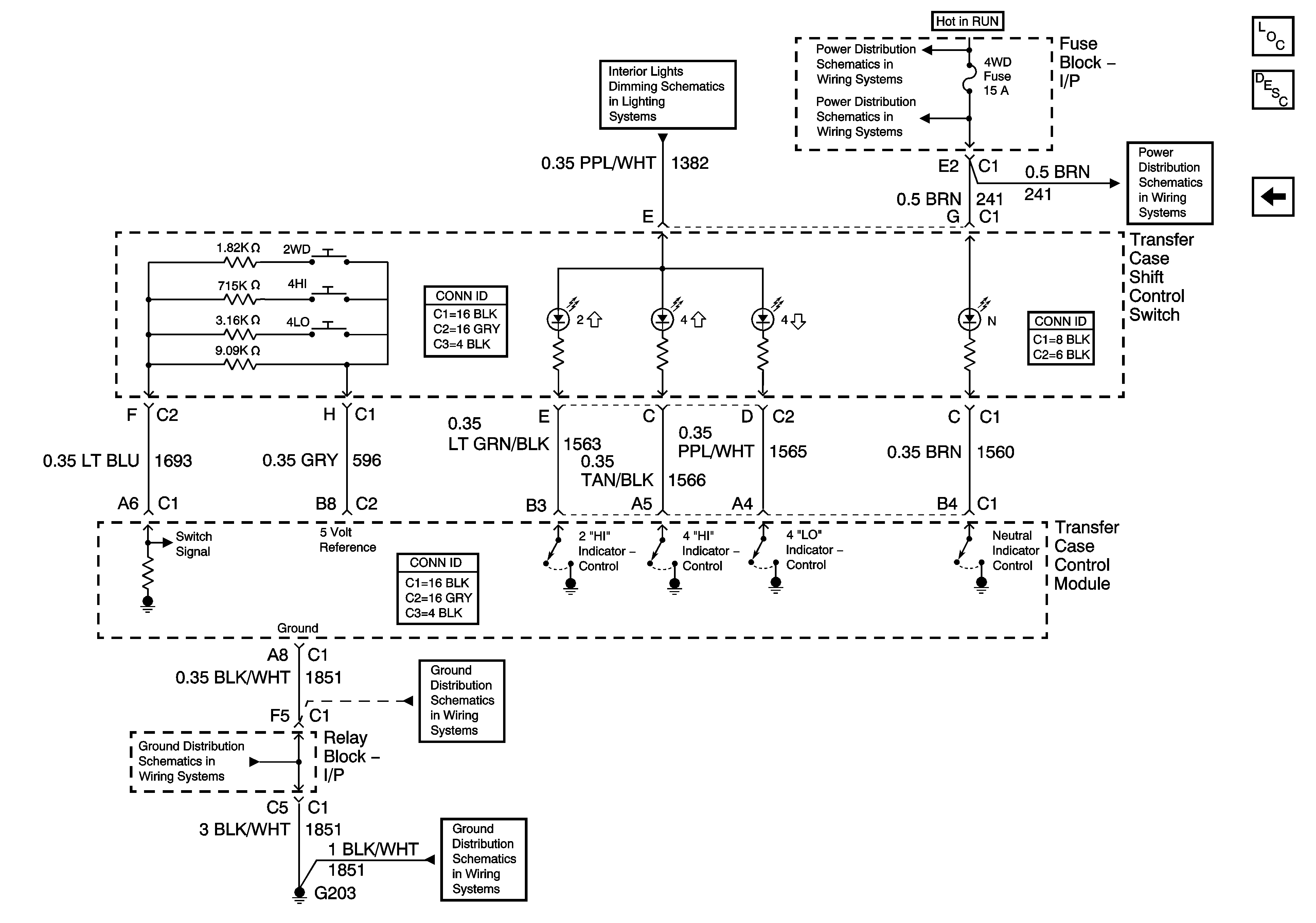
Figure
1:
Power, Ground, Class 2 Serial Data and Transfer Case Encoder Motor
Master Electrical Component List
Transfer Case Description and Operation
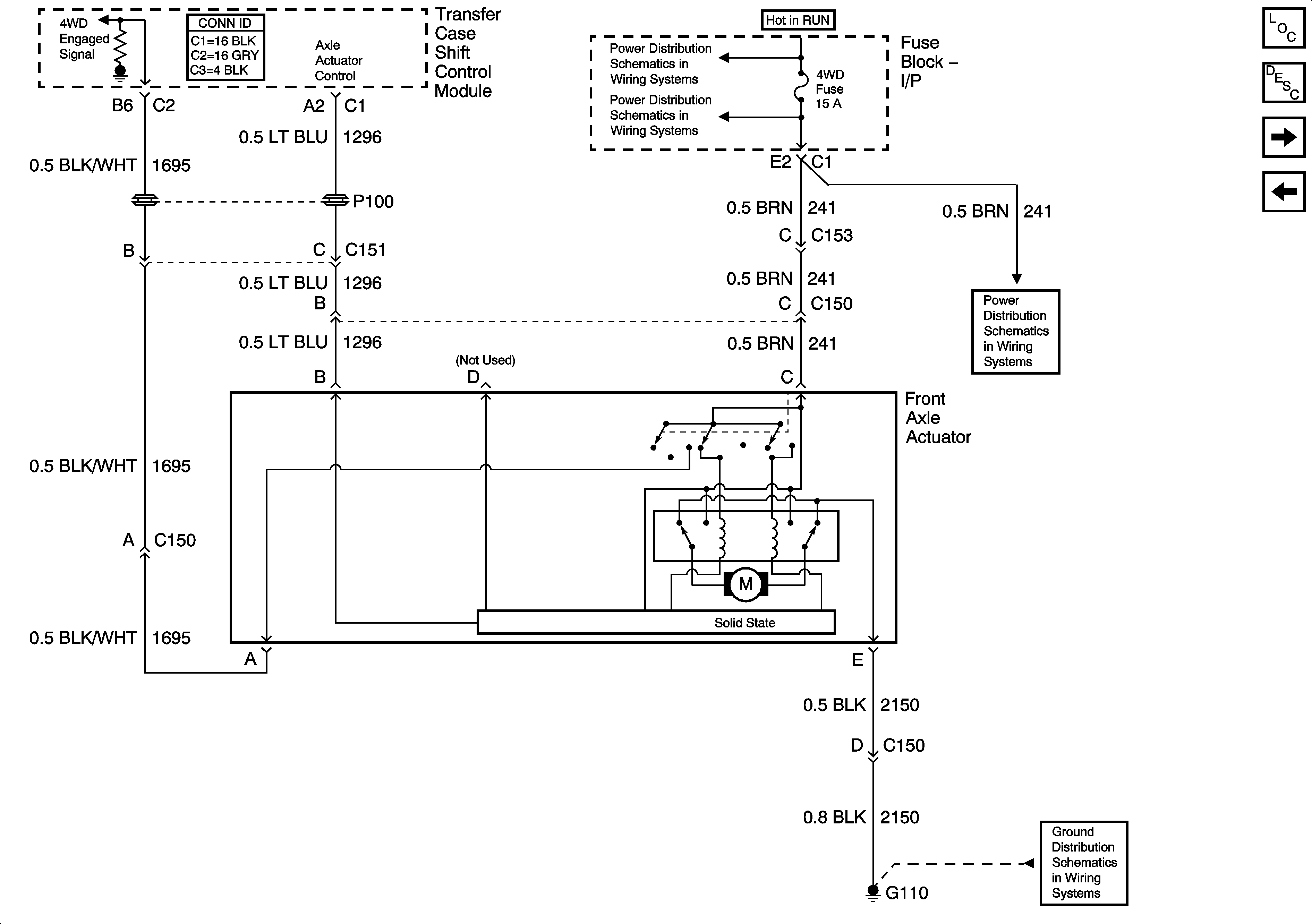
Front Axle Actuator Control
B+ Bus Bar - 1 of 2
HVAC/ECAS, RR HVAC, BLOWER, RR DEFOG, STOP LP, and TREC Fuses
SP205 - 1 of 2
G110
Figure
2:
Front Axle Actuator
Master Electrical Component List
Transfer Case Description and Operation
Shift Control Switch Inputs
Power, Ground, Class 2 Serial Data and Transfer Case Encoder Motor
Ignition Switch - START, RUN, and ACC/RUN/START Bus Bars
IGN 3, Cruise, and 4WD Fuses
IGN 3, Cruise, and 4WD Fuses
G110
Figure
3:
Shift Control Switch Inputs
Master Electrical Component List
Transfer Case Description and Operation
Front Axle Actuator Control
LED Dimming Supply Voltage - 2 of 3
Ignition Switch - START, RUN, and ACC/RUN/START Bus Bars
IGN 3, Cruise, and 4WD Fuses
IGN 3, Cruise, and 4WD Fuses
G203 - 2 of 3
G203 - 1 of 3
G203 - 1 of 3