GM Service Manual Online
For 1990-2009 cars only
Figure 1:

G100 and G101


Object Number: 1243592  Size: FS
Master Electrical Component List
S100 - Export
Hybrid Ground - 2 of 2
S100 - Export
S101 - Export
Figure 2:

S100 - Export


Object Number: 1243593  Size: FS
Master Electrical Component List
S101 - Export
G100 and G101
G100 and G101
Figure 3:

S101 - Export


Object Number: 1243596  Size: FS
Master Electrical Component List
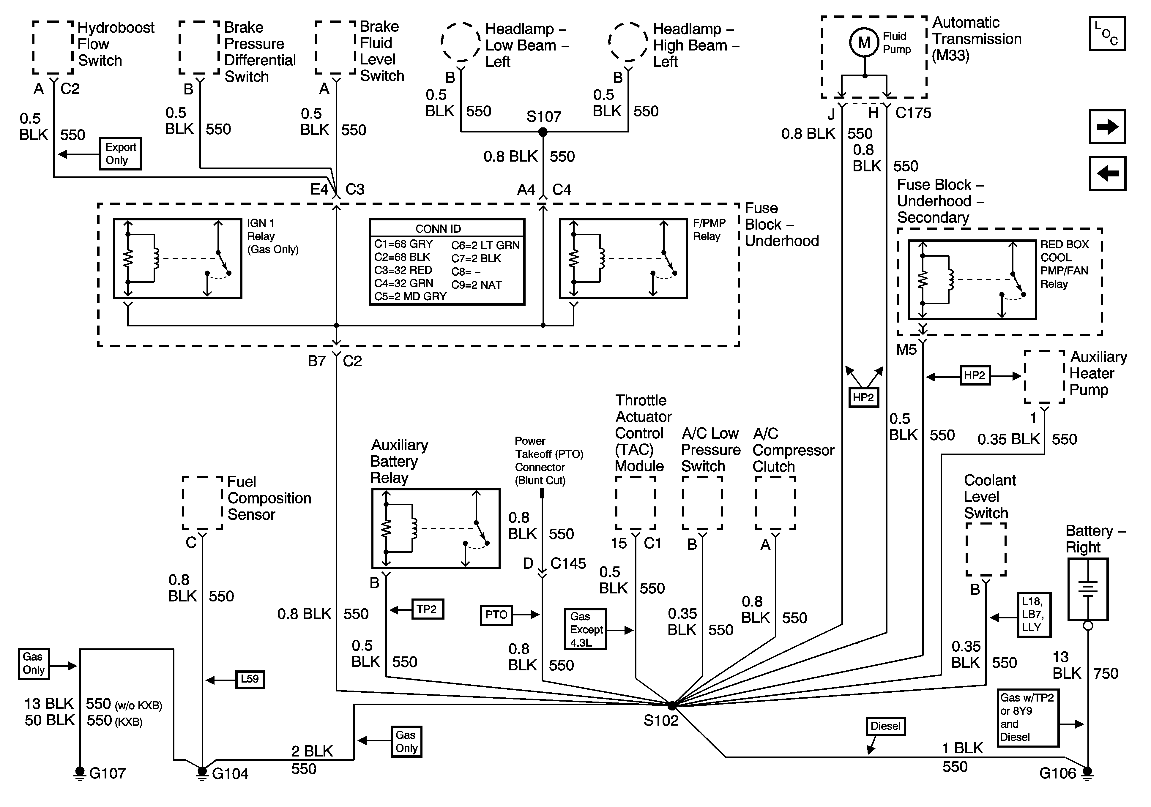
G102 - Gas
S100 - Export
G100 and G101
Figure 4:

G102 - Gas


Object Number: 1318408  Size: FS
Master Electrical Component List
G103 - Gas
S101 - Export
Figure 5:

G103 - Gas


Object Number: 1243598  Size: FS
Master Electrical Component List
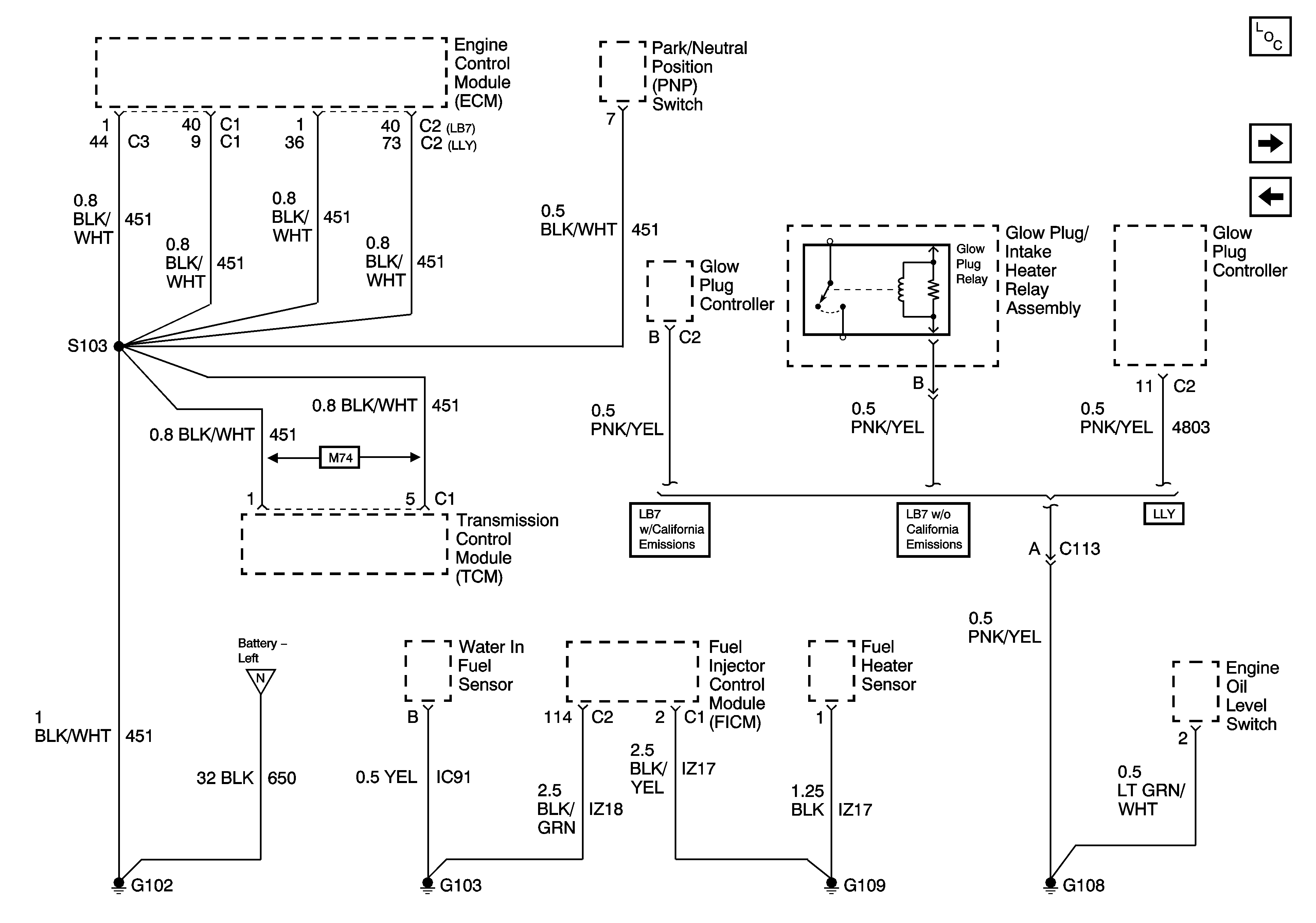
G102, G103, G108 and G109 - Diesel
G102 - Gas
Figure 6:

G102, G103, G108 and G109 - Diesel


Object Number: 1243602  Size: FS
Master Electrical Component List
G104, G106, and G107
G103 - Gas
Figure 7:

G104, G106, and G107


Object Number: 1243606  Size: FS
Master Electrical Component List
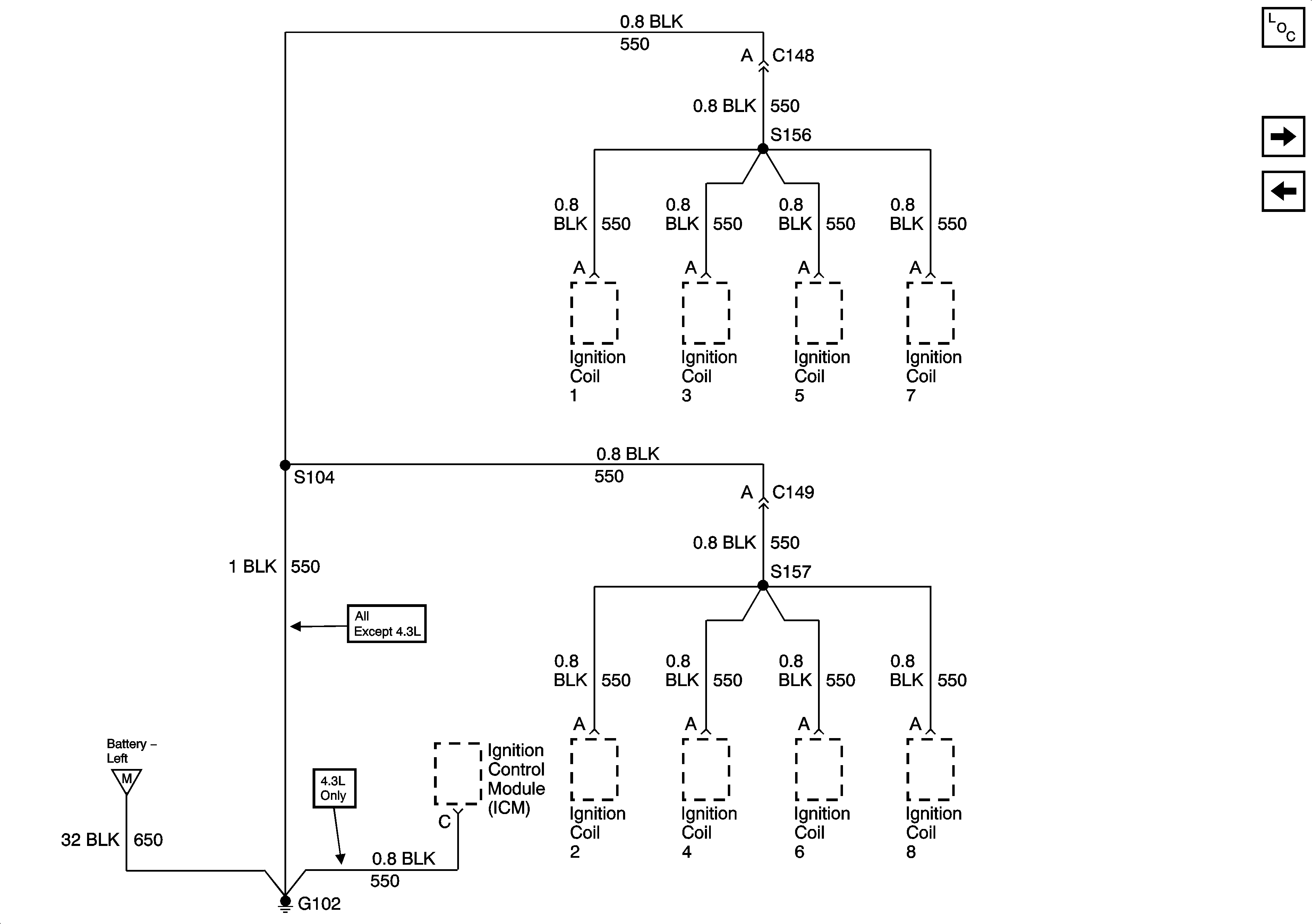
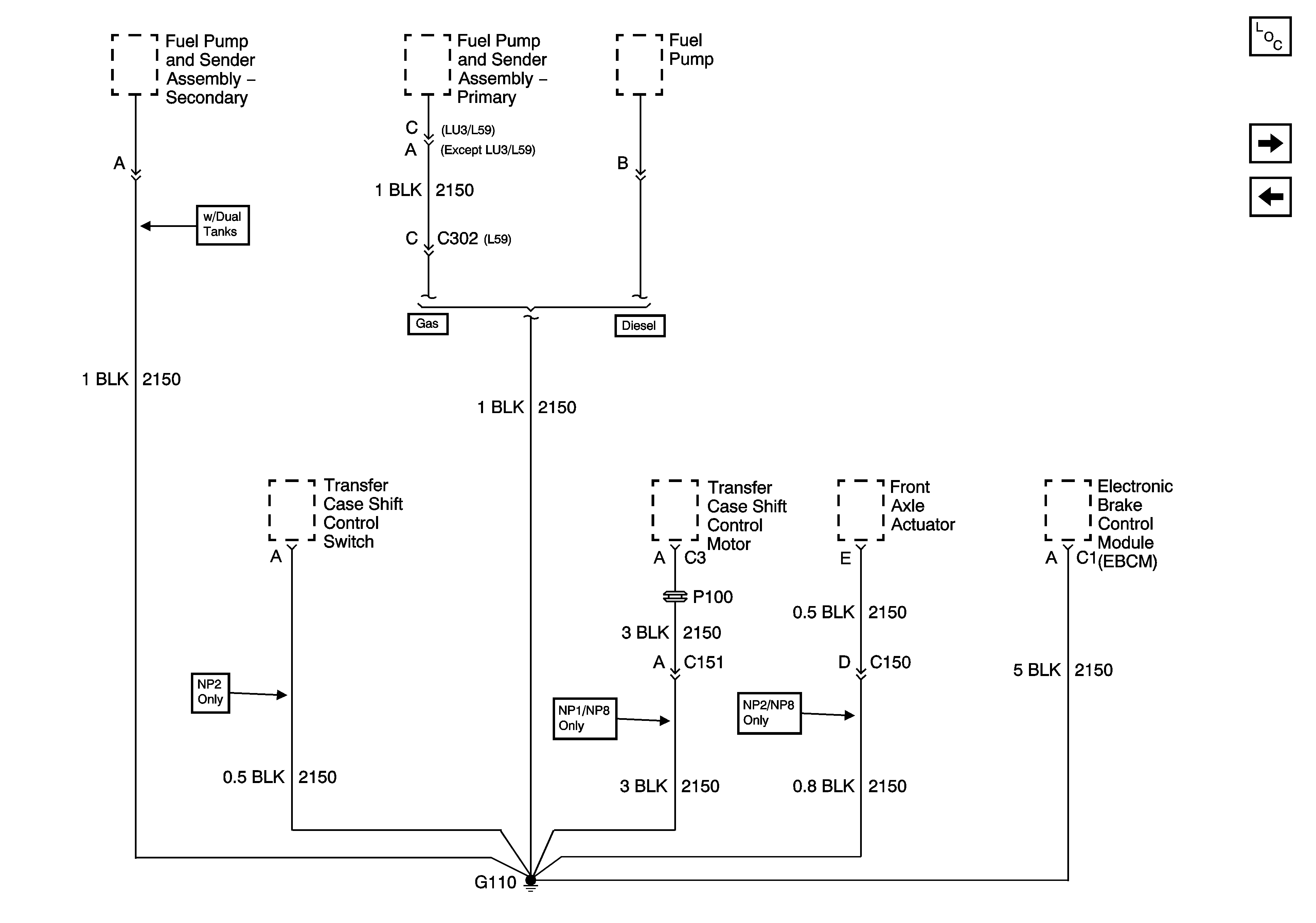
G110
G102, G103, G108 and G109 - Diesel
Figure 8:

G110


Object Number: 1243608  Size: FS
Master Electrical Component List
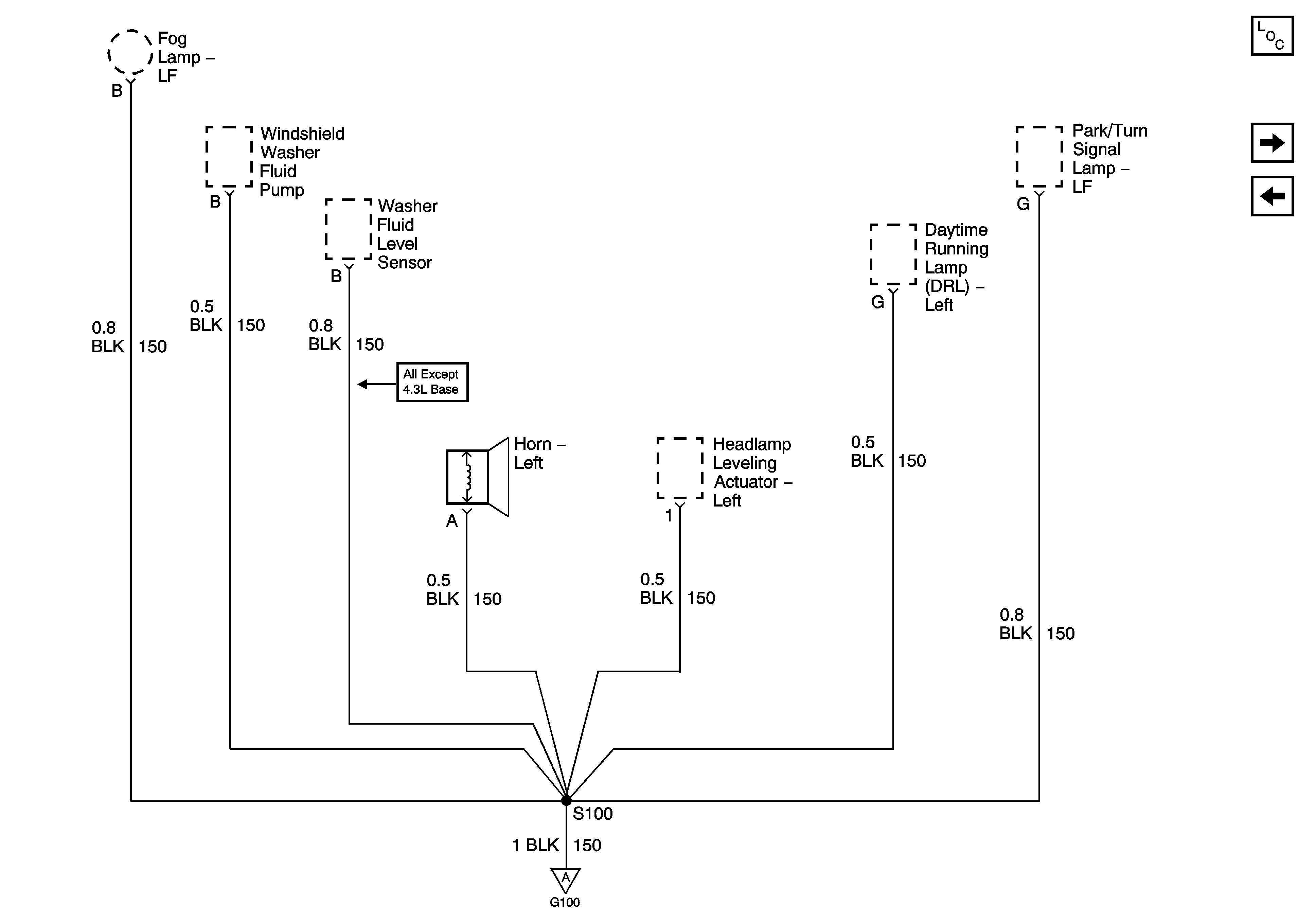
G200 - 1 of 3
G104, G106, and G107
Figure 9:

G200 - 1 of 3


Object Number: 1243610  Size: FS
Master Electrical Component List
G200 - 2 of 3
G110
G200 - 2 of 3
G200 - 2 of 3
Hybrid Ground - 1 of 2
G200 - 3 of 3
G200 - 3 of 3
Figure 10:

G200 - 2 of 3


Object Number: 1243614  Size: FS
Master Electrical Component List
G200 - 3 of 3
G200 - 1 of 3
G200 - 1 of 3
G200 - 1 of 3
Figure 11:

G200 - 3 of 3


Object Number: 1243618  Size: FS
Master Electrical Component List
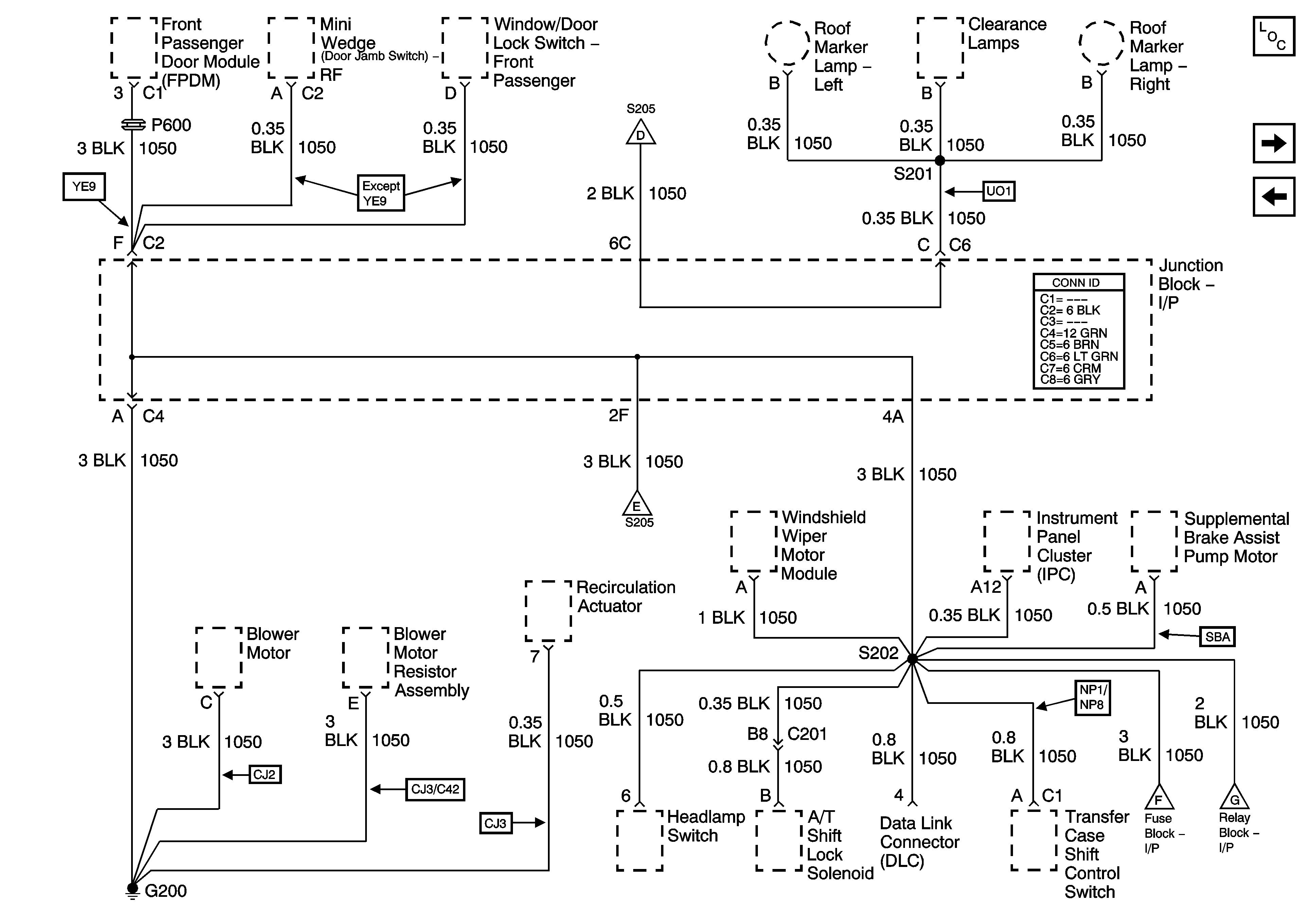
G203 - 1 of 3
G200 - 2 of 3
G200 - 1 of 3
G200 - 1 of 3
Figure 12:

G203 - 1 of 3


Object Number: 1243622  Size: FS
Master Electrical Component List
G203 - 2 of 3
G200 - 3 of 3
G203 - 2 of 3
Figure 13:

G203 - 2 of 3


Object Number: 1243628  Size: FS
Master Electrical Component List
G203 - 3 of 3
G203 - 1 of 3
G203 - 1 of 3
G203 - 3 of 3
G203 - 3 of 3
Figure 14:

G203 - 3 of 3


Object Number: 1243639  Size: FS
Master Electrical Component List
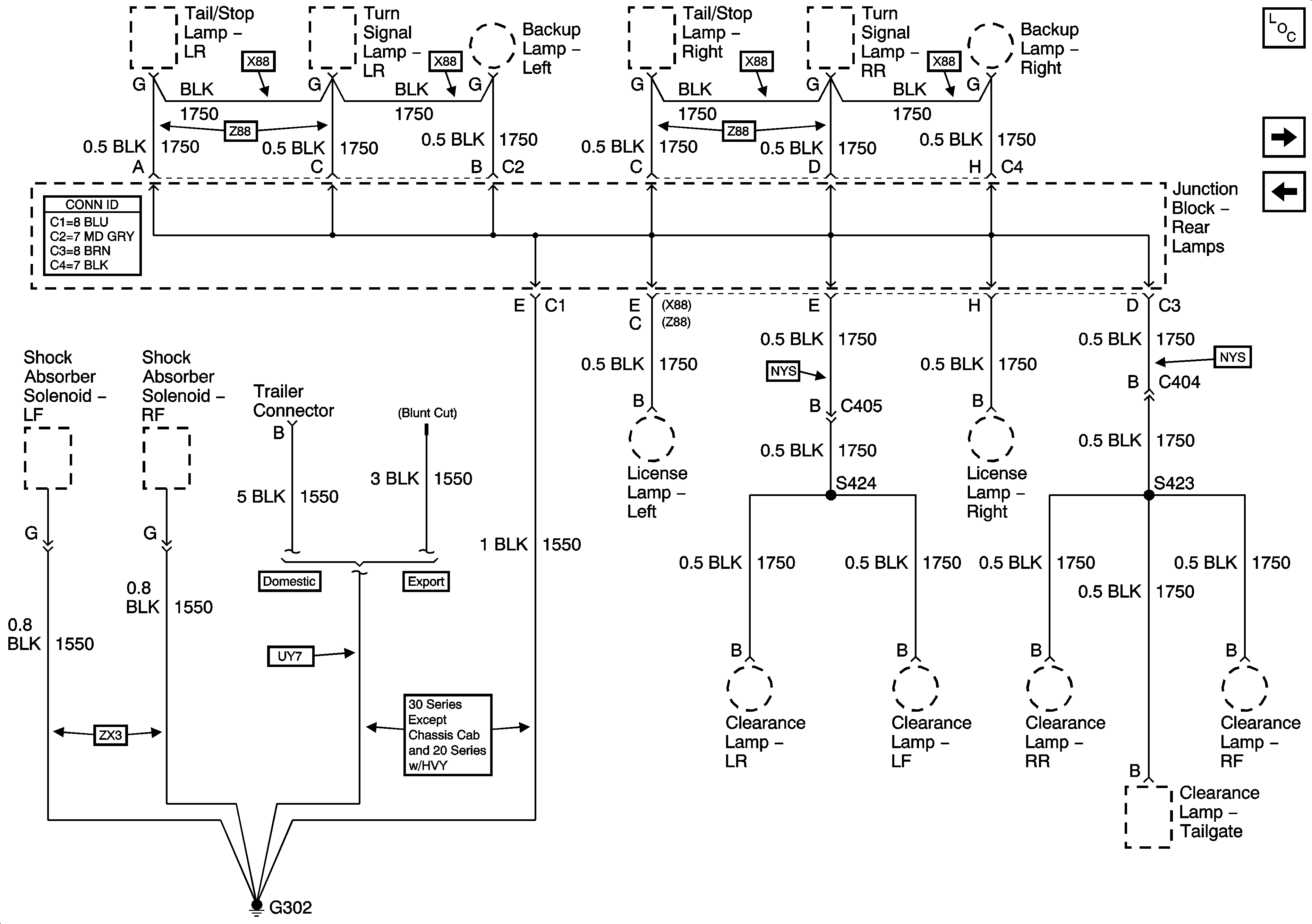
G302
G203 - 2 of 3
G203 - 2 of 3
G203 - 2 of 3
Figure 15:

G302


Object Number: 1243641  Size: FS
Master Electrical Component List
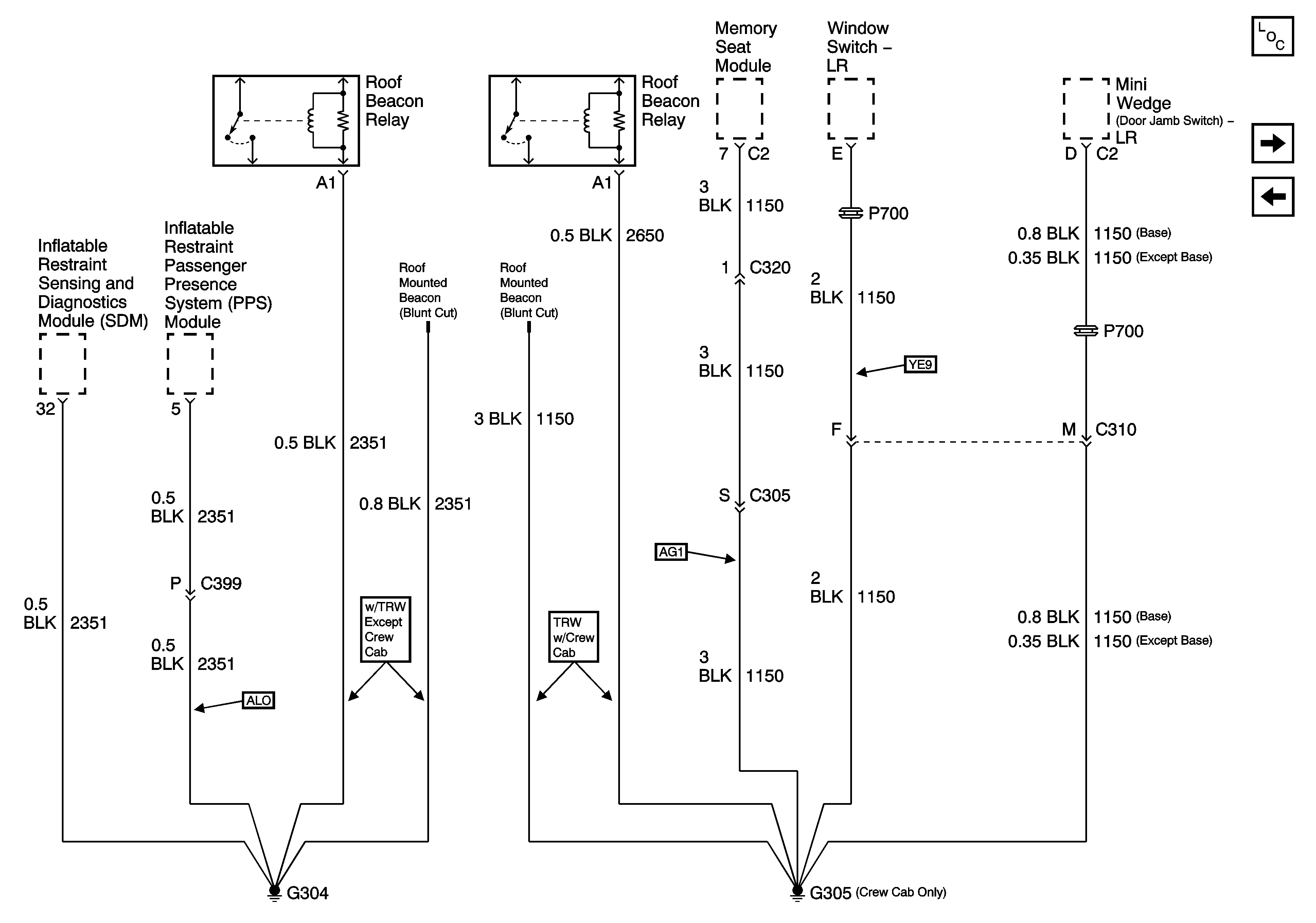
G304 and G305
G203 - 3 of 3
Figure 16:

G304 and G305


Object Number: 1243644  Size: FS
Master Electrical Component List
G306, G310, and G390
G302
Figure 17:

G306, G310, and G390


Object Number: 1243648  Size: FS
Master Electrical Component List
G401 and G402
G304 and G305
Figure 18:

G401 and G402


Object Number: 1243654  Size: FS
Master Electrical Component List
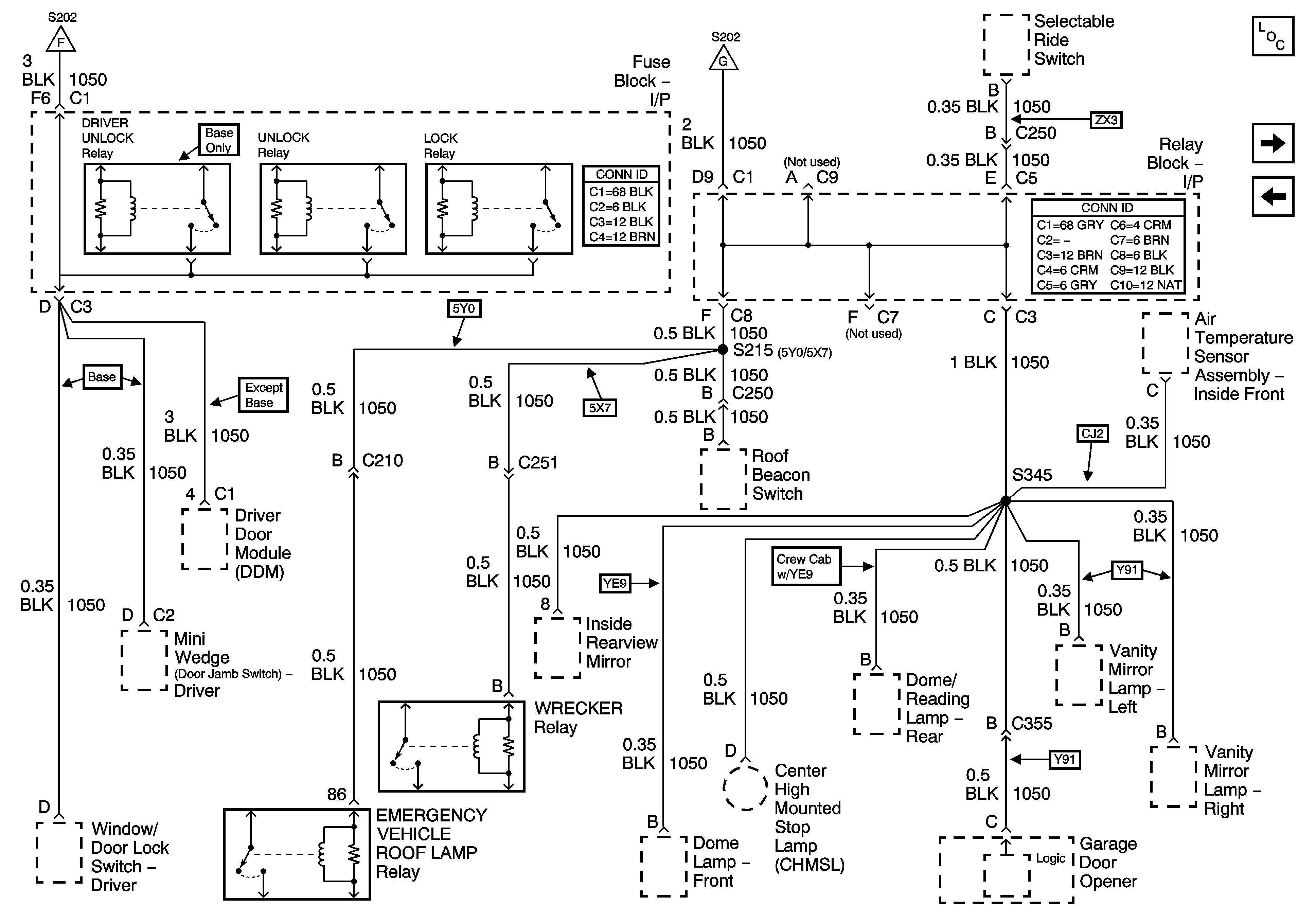
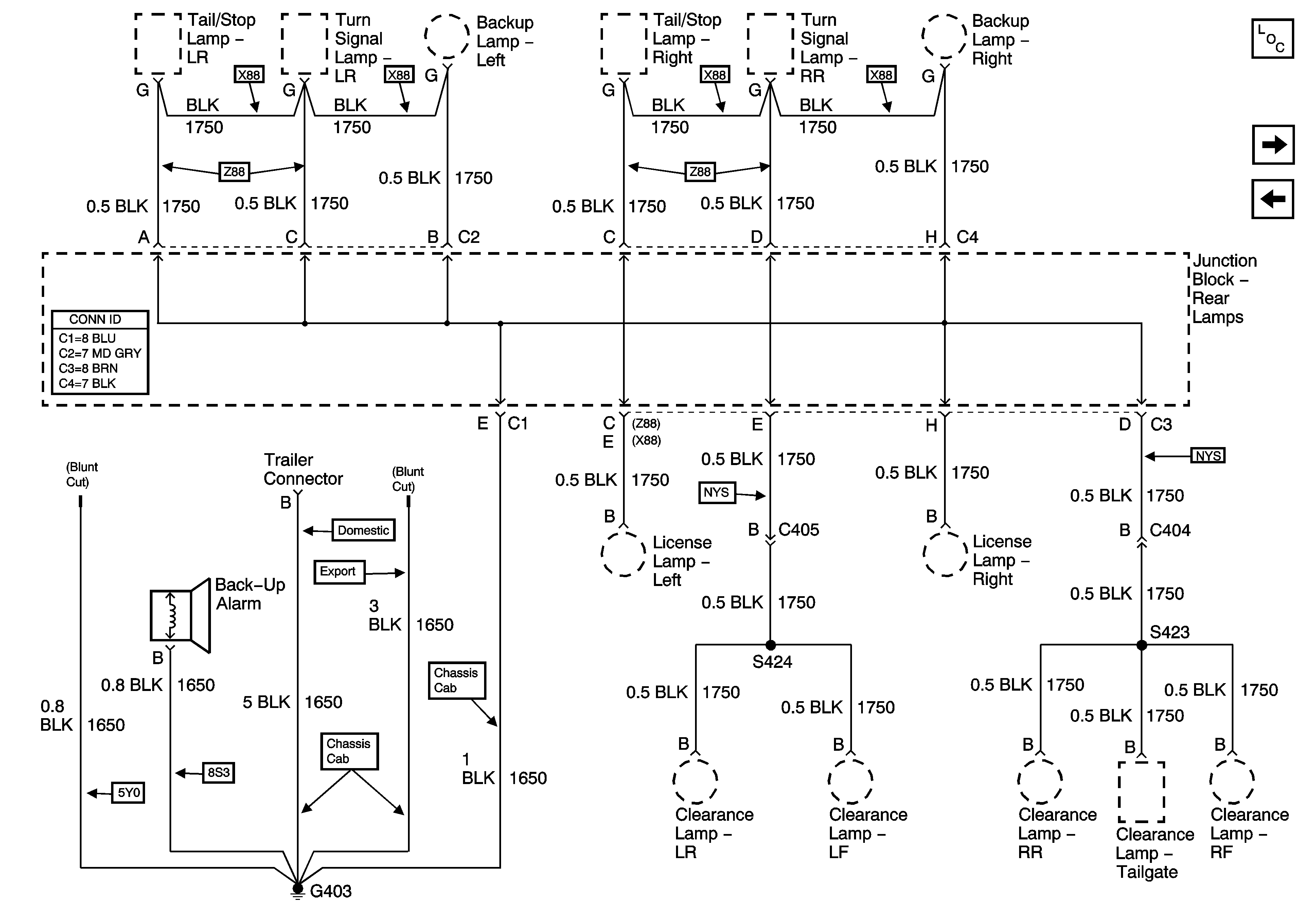
G403
G306, G310, and G390
Hybrid Ground - 1 of 2
Figure 19:

G403


Object Number: 1243656  Size: FS
Master Electrical Component List
Hybrid Ground - 1 of 2
G401 and G402
Figure 20:

Hybrid Ground - 1 of 2


Object Number: 1318411  Size: FS
Master Electrical Component List
Hybrid Ground - 2 of 2
G403
G200 - 1 of 3
G401 and G402
Figure 21:

Hybrid Ground - 2 of 2


Object Number: 1318413  Size: FS
Master Electrical Component List
Hybrid Ground - 1 of 2
Hybrid Ground - 1 of 2
Hybrid Ground - 1 of 2
G100 and G101