GM Service Manual Online
For 1990-2009 cars only
Makes
🢒
Chevrolet
🢒
2004
🢒
Chevy K Silverado - 4WD
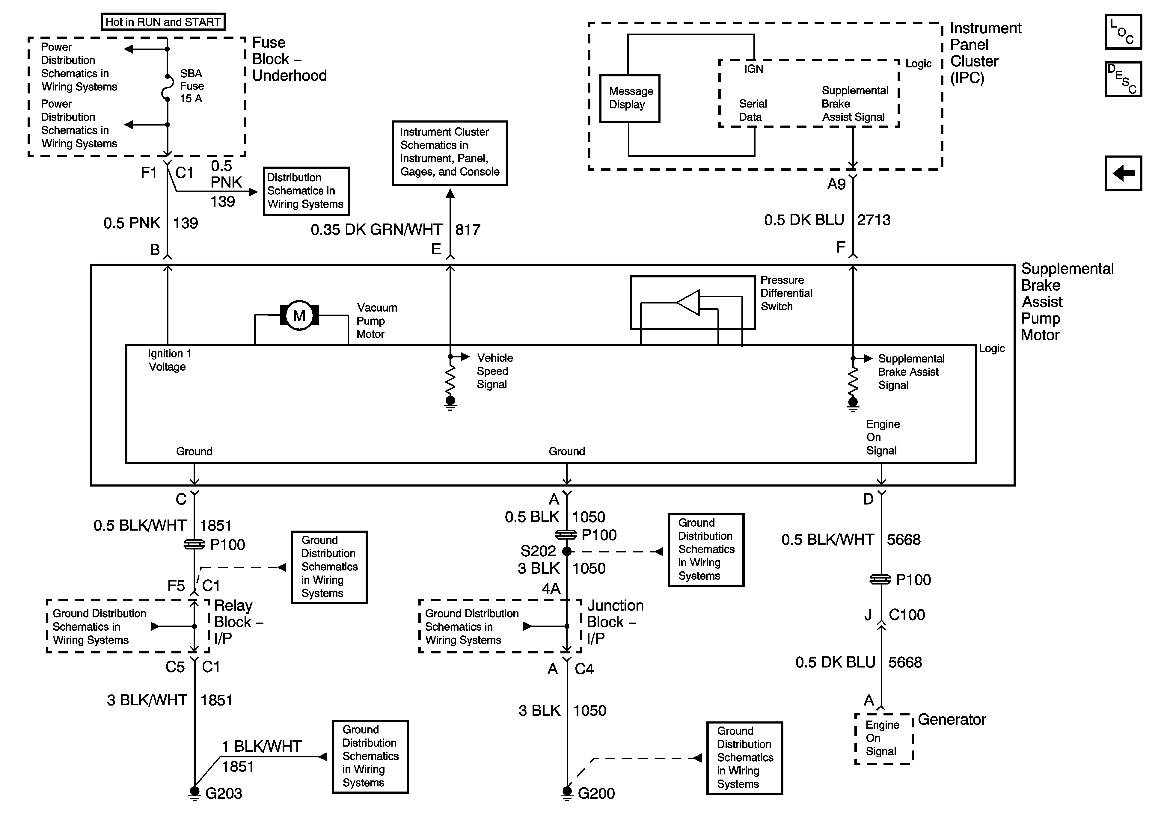
🢒 Supplemental Brake Assist
Supplemental Brake Assist
Supplemental Brake Assist
Master Electrical Component List
Brake Assist System Description and Operation Vacuum Assist
Switches
B+ Bus Bar - 2 of 2
SBA, ETC/ECM, PCM 1, BTSI, and TRL B/U Fuses
SBA, ETC/ECM, PCM 1, BTSI, and TRL B/U Fuses
Vehicle Speed and Speedometer
G203 - 2 of 3
G203 - 1 of 3
G203 - 1 of 3
G200 - 1 of 3
G200 - 1 of 3
G200 - 1 of 3