GM Service Manual Online
For 1990-2009 cars only
Makes
🢒
Chevrolet
🢒
2004
🢒
Chevy K Silverado - 4WD
🢒 Horns Schematics
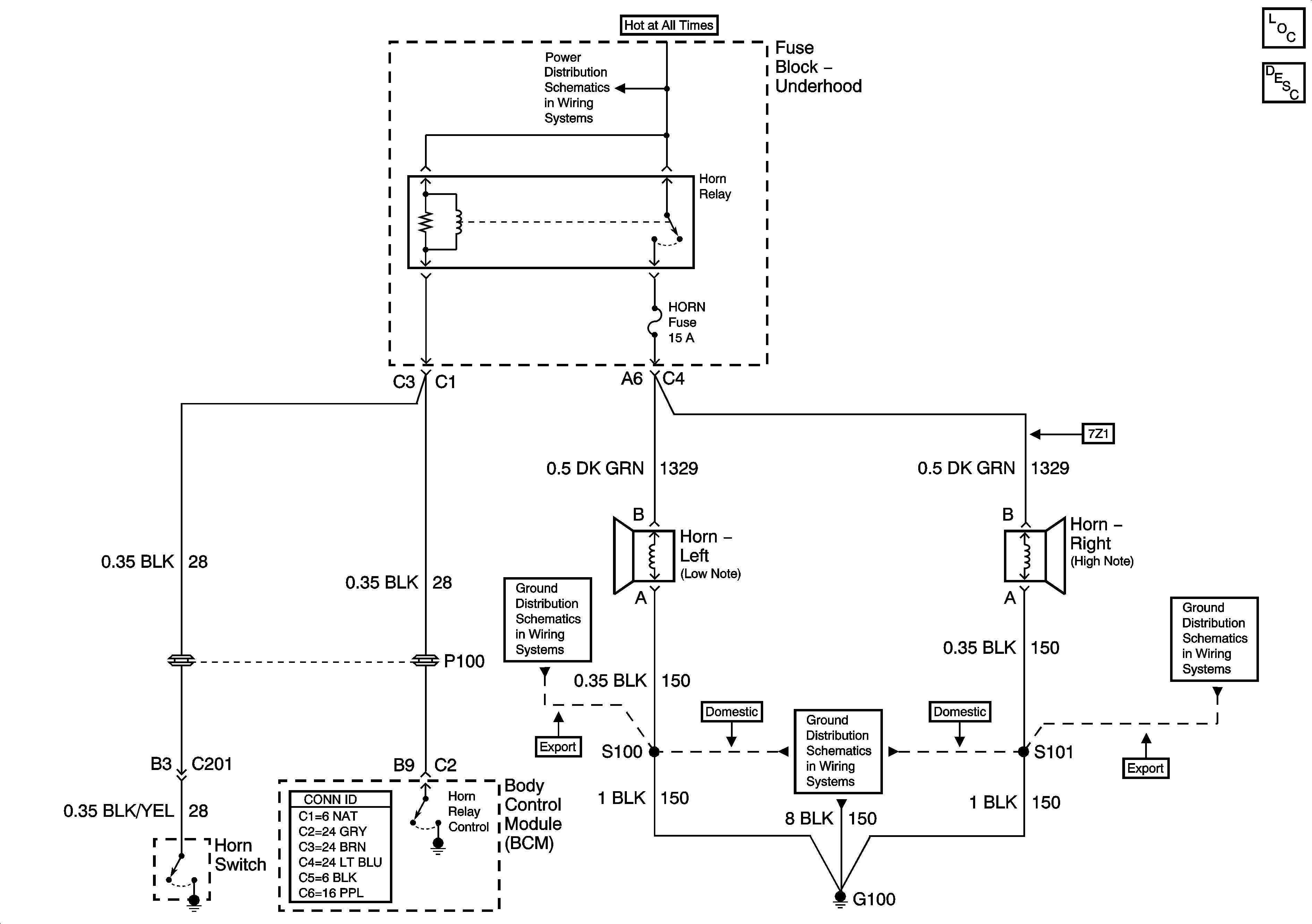
Horns Schematics
Master Electrical Component List
Horns System Description and Operation
B+ Bus Bar - 2 of 2
S100 - Export
G100 and G101
S101 - Export