GM Service Manual Online
For 1990-2009 cars only
Makes
🢒
Chevrolet
🢒
2004
🢒
Chevy K Silverado - 4WD
🢒 Left Door
Left Door
Left Doors
Master Electrical Component List
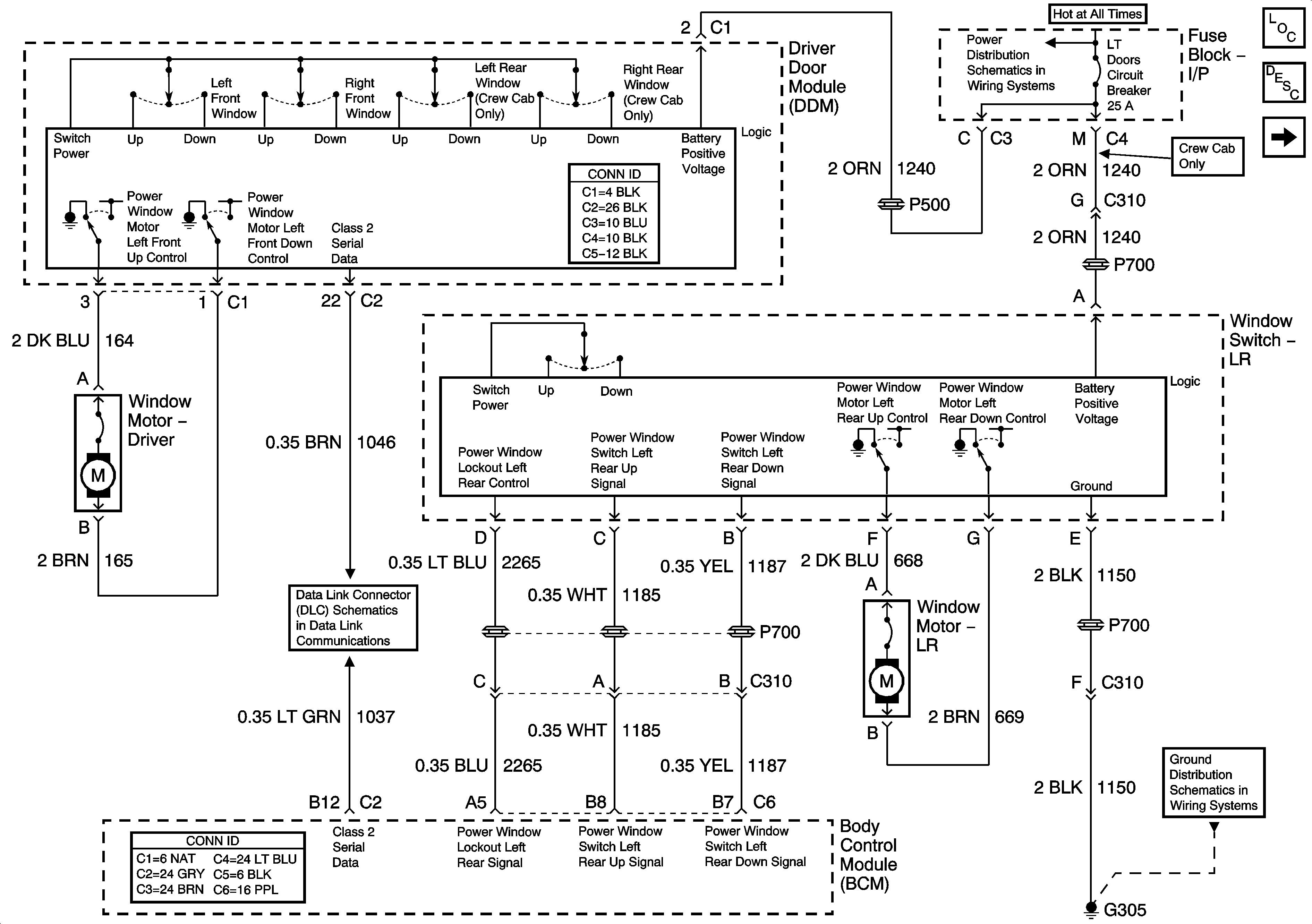
Power Windows Description and Operation
Right Doors
LBEC 1, LBEC 2, and MBEC 1 Fuses
SP205 - 1 of 2
G304 and G305