GM Service Manual Online
For 1990-2009 cars only
Makes
🢒
Chevrolet
🢒
2004
🢒
Chevy K Silverado - 4WD
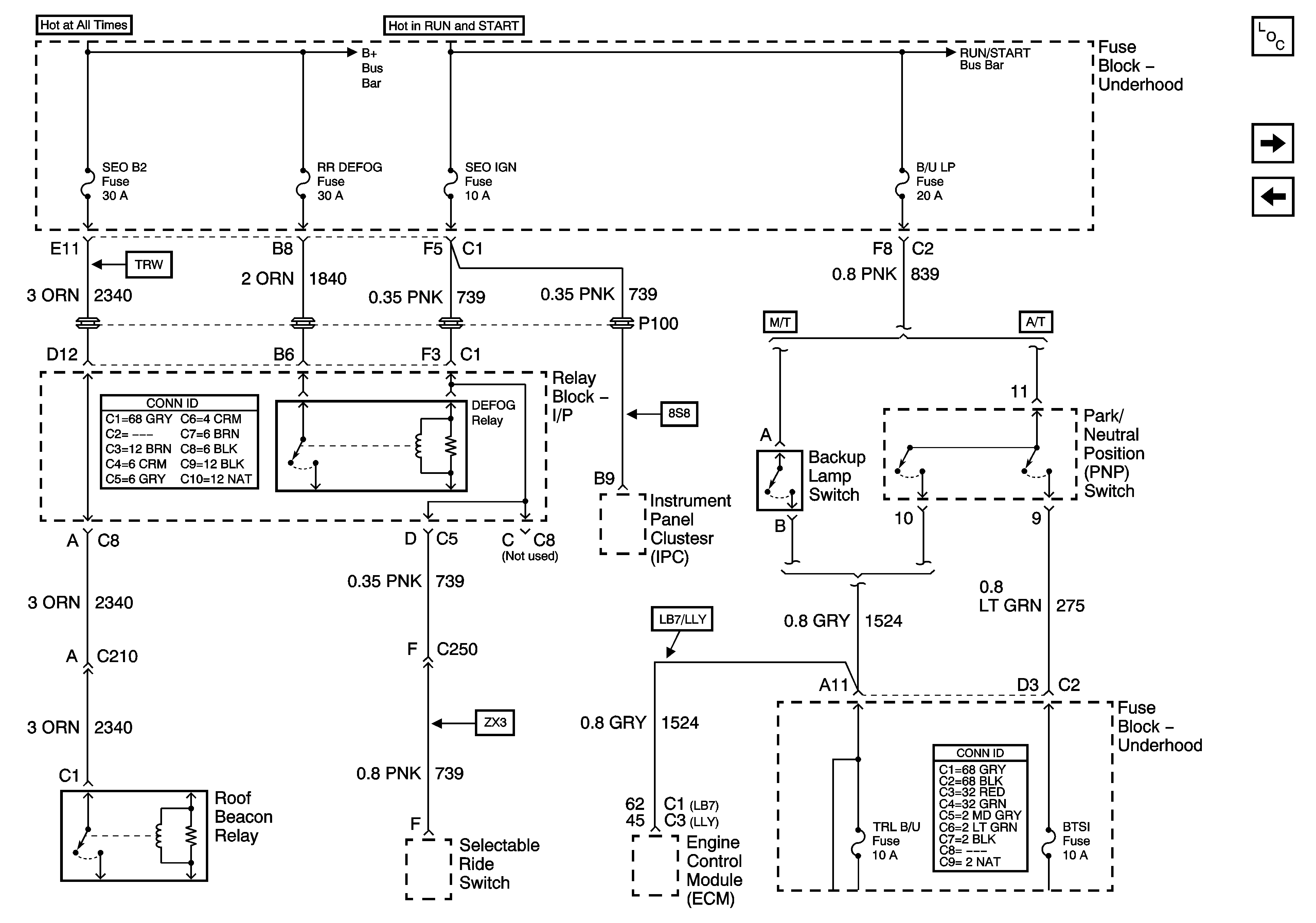
🢒 SEO B2, RR DEFOG, SEO IGN, and B/U LP Fuses
SEO B2, RR DEFOG, SEO IGN, and B/U LP Fuses
SEO B2, RR DEFOG, SEO IGN, and B/U LP Fuses
Master Electrical Component List
FLASH and LOCKS Fuses
LBEC 1, LBEC 2, and MBEC 1 Fuses
B+ Bus Bar - 1 of 2
Ignition Switch - ACC/RUN and RUN/START Bus Bars