GM Service Manual Online
For 1990-2009 cars only
Makes
🢒
Chevrolet
🢒
2004
🢒
Chevy K Silverado - 4WD
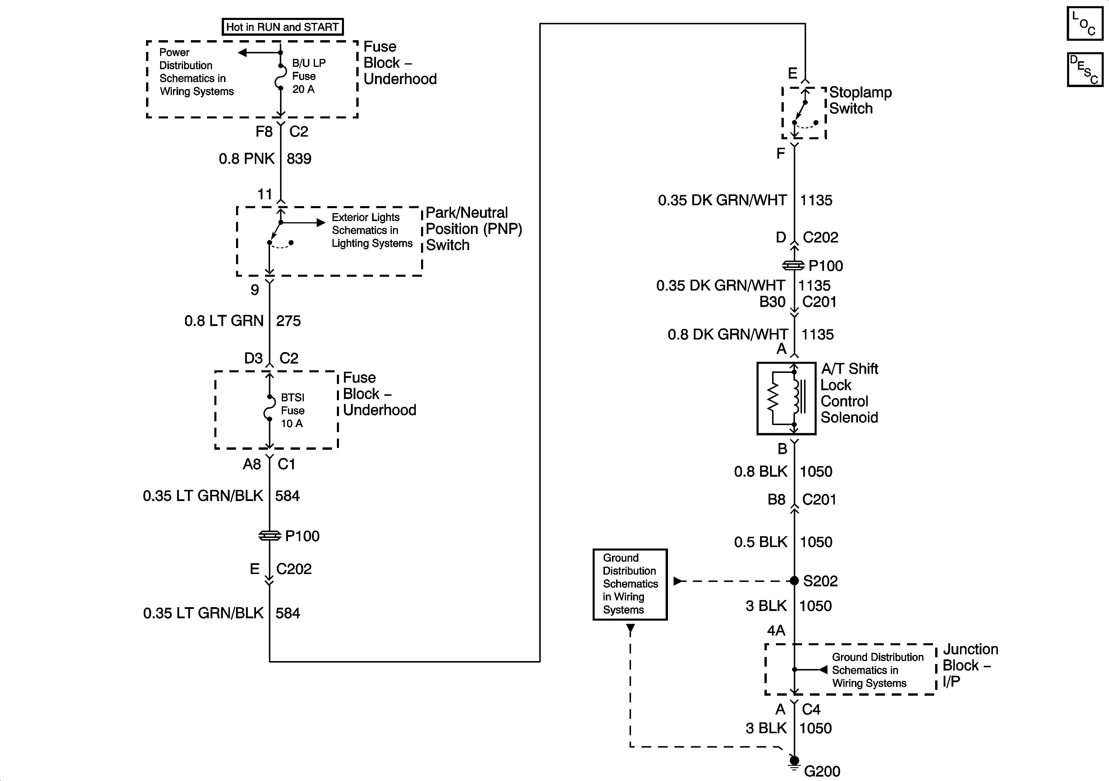
🢒 Automatic Transmission Shift Lock Control Schematics
Automatic Transmission Shift Lock Control Schematics
Master Electrical Component List
Automatic Transmission Shift Lock Control Description and Operation
Ignition Switch - ACC/RUN and RUN/START Bus Bars
Backup Lamps - Chevrolet
G200 - 1 of 3
G200 - 1 of 3