GM Service Manual Online
For 1990-2009 cars only
Makes
🢒
Chevrolet
🢒
2004
🢒
Chevy K Silverado - 4WD
🢒 Right Turn Signals - Domestic - Chevrolet
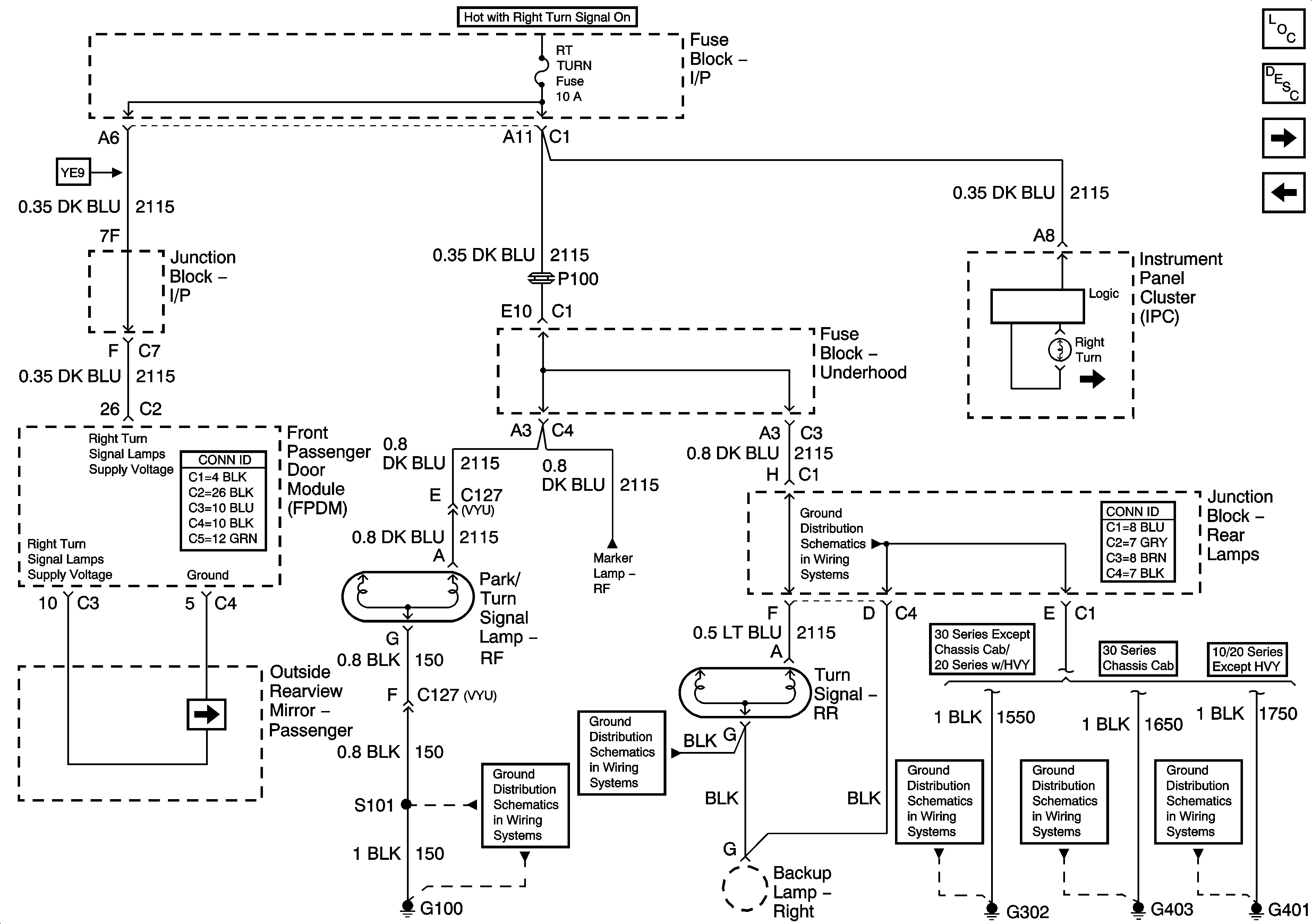
Right Turn Signals - Domestic - Chevrolet
Right Turn Signals - Domestic - Chevrolet
Master Electrical Component List
Exterior Lighting Systems Description and Operation
Right Turn Signals - Export - Chevrolet
Right Turn Signals - Export - GMC
G401 and G402
Front Park Lamps - Domestic
G100 and G101
G401 and G402
G302
G403
G401 and G402