GM Service Manual Online
For 1990-2009 cars only
Makes
🢒
Chevrolet
🢒
2004
🢒
Chevy K Silverado - 4WD
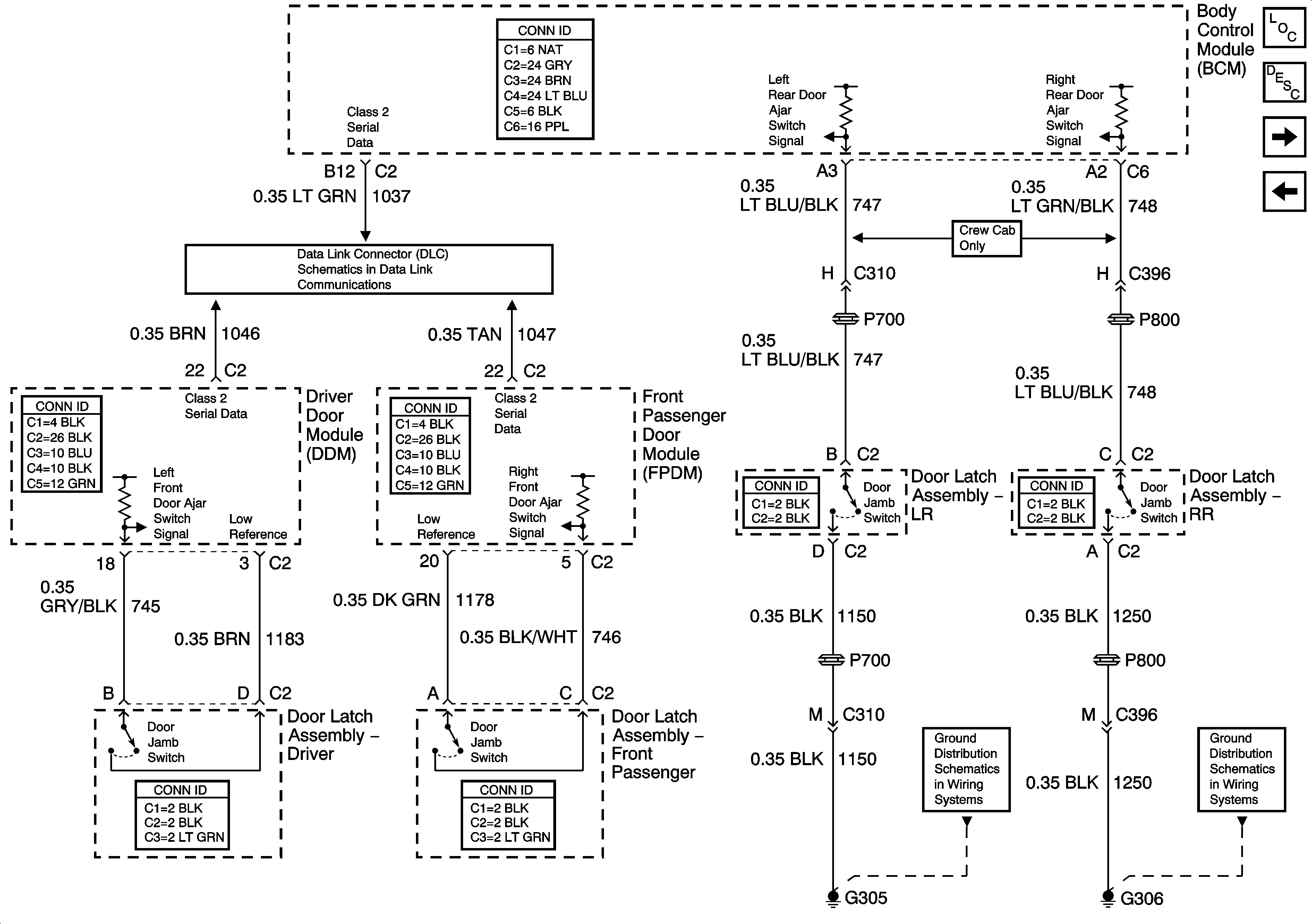
🢒 Door Jamb Switches - w/YE9 or Y91
Door Jamb Switches - w/YE9 or Y91
Door Jamb Switches - w/YE9 or Y91
Master Electrical Component List
Interior Lighting Systems Description and Operation
Door Jamb Switches - w/o YE9
Courtesy Lamp Supply Voltage - 2 of 2
SP205 - 1 of 2
G304 and G305
G306, G310, and G390