GM Service Manual Online
For 1990-2009 cars only
Makes
🢒
Chevrolet
🢒
2004
🢒
Chevy K Silverado - 4WD
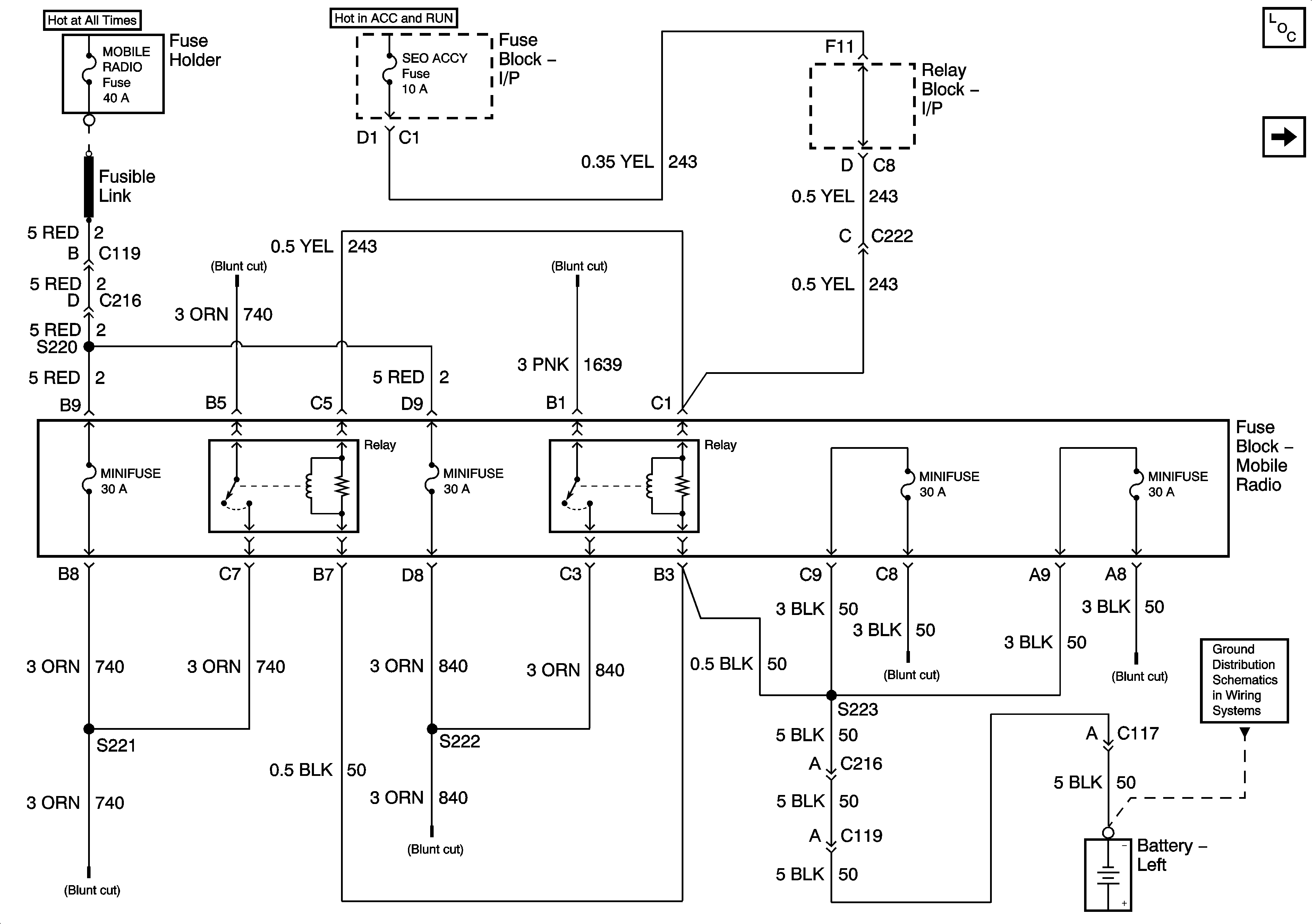
🢒 Mobile Radio (9L4)
Mobile Radio (9L4)
Mobile Radio (9L4)
Master Electrical Component List
Roof Beacon
G100 and G101